Материал: Расчет режимов резания и нормирование технологических операций

Внимание! Если размещение файла нарушает Ваши авторские права, то обязательно сообщите нам

Количественную оценку технологичности конструкции корпуса произведем по следующим показателям.

1. По коэффициенту точности обработки:


где Тср.- средний квалитет точности обработки;

Т- квалитет точности обработки;

n- число размеров соответствующего квалитета

,930,5

Таким образом, точность изделия - средняя.

2. По коэффициенту шероховатости:


где Raср.- средняя величина коэффициента приведения;

Ra- величина коэффициента приведения;

n- число размеров соответствующего параметра шероховатости

,170,16

Таким образом, изделие относится к средней сложности.

3. Коэффициент использования материала определяется по формуле:

К=

где Мдет.- масса детали;

Мзаг.- масса заготовки.

К=72/90=0,8

По рекомендации ЕСТПП К0,65

Для серийного производства эта величина Ки.м допустима.

Полученные в результате расчетов данные сведем в таблицу1.2.

Таблица 1.2

Количественные показатели корпуса

Наименование детали

Расчетная формула

Показатель




Расчетный

Нормальный

1

2

3

4

5

1

Коэффициент точности обработки

0,9

0,5


2

Коэффициент шероховатости

0,17

0,16


3

Коэффициент использования материала

К=0,8

0,65



Анализ технологичности конструкции корпуса показал:

. Корпус имеет среднюю точность

2.      По коэффициентам количественной оценки корпус относится к технологическим деталям.


2. Технико-экономические обоснования способа получения заготовки

Заготовкой согласно ГОСТ 3.1109-82 называется предмет труда, из которого изменением формы, размеров, свойств поверхности и (или) материала изготавливают деталь

Основные способы производства заготовок - литье, обработка давлением, сварка. Способ получения той или иной заготовки зависит от служебного назначения детали и требований, предъявляемых к ней, от ее конфигурации и размеров, вида конструкционного материала, типа производства и других факторов.

Заготовкой для корпуса является отливка, из стали.

Выбор метода получения заготовки производится путём сравнения показателей, главными из которых является себестоимость заготовок, полученными различными методами (не менее 2) и коэффициент использования материала.

Способ получения заготовок для детали «корпуса нижнего подшипника»

Годовая программа выпуска - 50 шт.

Определяем четыре основных показателей детали: материал-сталь конструкционная легированная, для данной марки стали определяем код-2; серийность производства - 3,4; конструктивная форма - основные признаки детали в соответствии с чертежом, код - 8; масса заготовки - 72 кг, код - 3.

Рекомендуемые коды вида заготовки: 1- литье в песчано-глинистые формы

Определяем себестоимость изготовления заготовки, в двух вариантах:

Вариант 1. Расчет себестоимости заготовок методом литья.

Вариант 2. Расчет себестоимости заготовок методом штамповки.

Стоимость заготовок, получаемых горячей штамповкой на молотах, определяют по следующей формуле:

Сзаг =

Сi - базовая стоимость 1т заготовок, тг;

 - коэффициенты, зависящие от класса точности, группы сложности, массы, марки металла и объема производства заготовок;

Gзаг. - масса заготовки, кг;

Gдет. - масса готовой детали, кг;

Sотх - цена 1т отхода, тг;

Вариант 1. Расчет себестоимости заготовок методом литья

1) Стоимость 1т отливок Сi= 714,9 руб./т

Масса штамповки Gзаг.= 90 кг

Масса детали Gдет.= 72 кг

) Базовая стоимость одной тонны заготовки:

Сi= Ц1

Сi= 891

) Стоимость заготовки рассчитываем по формуле:

Сзаг=

Сзаг=(*90*1,165*1,23)-(90-72) = 463,6 руб.=1622,6 тг.

Вариант 2. Расчет себестоимости заготовок методом штамповки

1) Стоимость 1т штампованных заготовок Сi= 34 руб./т

Масса штамповки Gзаг. = 90 кг

Масса детали Gдет. = 72 кг

) Базовая стоимость одной тонны заготовки:

Сi= Ц1

Сi= 542

) Стоимость заготовки рассчитываем по формуле:

Сзаг =

Сзаг = (*90*1,3)-(90-72) = 22,07 руб.=77,2 тг.

Умножая на переводной коэффициент Sзаг2= 77,2*25 = 1930 тг.

Вывод: Использование отливки в качестве заготовки будет экономически выгоднее, чем использование штамповки. Это объясняется тем, что в штамповке при обработке много материала уйдет в стружку. Заготовка-отливка будет иметь конфигурацию детали с готовыми основными отверстиями.

.1 Выбор технологических баз

При выборе базовых поверхностей руководствуются принципами постоянства и совмещения баз. Принцип постоянства баз состоит в том, что для выполнения всех операций обработки детали используют одну и ту же базу. Если по характеру обработки детали это невозможно, то необходимо за базу принимать ту поверхность, которая определяется наиболее точными размерами, относительно наиболее ответственной поверхности детали. Принцип совмещения баз состоит в том, что в качестве технологических базовых поверхностей используются конструкторские и измерительные базы.

Так как при обработке вала нужно производить его переустановку, на черновой и чистовых операциях используются разные базовые поверхности. На чистовых операциях наибольшая точность обработки достигается при использовании на всех операциях одних и тех же базовых поверхностей.

На черновой фрезерной операции выбираем базовой поверхностью наружную поверхность поковки, зажимаемую в неподвижном переднем центре с неподвижным люнетом.

Фрезерная операция, применяющая приспособление, представляющее собой призму, выполняется с упором в торец. Следующая термическая операция, как и все после, производят согласно технологическому процессу предприятия на термообработку. Очистку вала производят согласно технологическому процессу на очистку.

При токарной обработке используются установочные базы (центровые отверстия) и необработанная наружная поверхность.

Фрезерование шлицов производят с помощью делительной головки, с установкой вала в центры с базированием по торцу.

Bыбор баз - один из наиболее ответственных этапов в проектировании технологических процессов механической обработки, так как от правильного подхода к решению этой задачи зависит качество получения готовой детали. При выборе базовых поверхностей руководствуются принципами постоянства и совмещения баз. Принцип постоянства баз состоит в том, что для выполнения всех операций обработки детали используют одну и ту же базу. Если по характеру обработки детали это невозможно, то необходимо за базу принимать ту поверхность, которая определяется наиболее точными размерами относительно наиболее ответственной поверхности детали. Принцип совмещения баз состоит в том, что в качестве технологических базовых поверхностей используются конструкторские и измерительные базы.

При выборе черновых базовых поверхностей следует руководствоваться следующими правилами:

. Черновая база должна обеспечивать устойчивое положение детали в приспособлении.

. Черновая база поверхности должна занимать четкое положение относительно других поверхностей.

. У тех деталей, у которых все поверхности подлежат обработке, за черновые базы принимают поверхности с минимальными припусками.

. Черновые базы должны быть ровными и чистыми.

. У тех деталей, у которых в обработанном виде остаются необработанные поверхности за черновые базы принимают эти поверхности.

При выборе чистовых базовых поверхностей следует руководствоваться следующими правилами:

. 3а чистовые поверхности принимают основные поверхности, от которых заданы основные размеры до других обрабатываемых поверхностей.

. Следует по возможности использовать принцип постоянства баз, т.е. в качестве установочной базы брать поверхность, которая является измерительной базой.

. Чистовая база должна быть выбрана так, чтобы в процессе механической обработки детали не было недопустимых деформаций от сил резания и зажима.

. Выбранная чистовая база должна обеспечивать простою и надежную конструкцию приспособлений с удобной установкой, креплении и снятии обрабатываемой детали.

Принцип совмещения баз заключается в том, что в качестве технологических баз принимают поверхности, которые являются конструкторскими, измерительными базами. Принцип постоянства баз заключается в том, что для выполнения всех операций обработки заготовки используются одни и те же технологические базы. На вертикально-фрезерной операции базой является торец детали. На программно-комбинированных операциях базами служат торцы и отверстия.

обработка заготовка резание припуск

3. Разработка технологического процесса

Разработка ТП ведётся под серийный тип производства. Основные признаки серийного типа производства применение станков разных типов; рабочие разной квалификации; работа проводится на настроенных станках; применяется разметка, специальные приспособления, номенклатура изделий ограниченна. Обработка заготовок производится партиями.

.1 Разработка маршрутного технологического процесса

При установлении общей последовательности обработки учитывают следующие положения:

) каждая последующая операция должна уменьшать погрешности и улучшать качество поверхности;

) в первую очередь следует обрабатывать поверхность, которая будет служить технологической базой для последующих операций;

) поверхности, с которых снимается наибольший слой металла, следует обрабатывать вначале, что позволит своевременно обнаружить возможные внутренние дефекты заготовки;

) обработка остальных поверхностей ведется в последовательности, обратной степени их точности: чем точнее должна быть поверхность, тем позже она обрабатывается.

Необходимо отметить, что последовательность операций, определенная в заводском технологическом процессе наиболее рациональна, так как сначала производятся операции, на которых создается чистовая технологическая база; в зависимости от требуемой точности одни поверхности проходят черновую, чистовую стадии, другие - чистовую, отделочную.

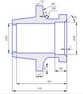
Технологический маршрутный процесс сборки и механической обработки корпуса нижнего подшипника ЕИАУ 365319 003

АО "Уральский завод Зенит"

Технологический маршрутный процесс сборки и механической обработки корпуса нижнего подшипника ЕИАУ 365319 003

Изменения: 00 Дата: 28.02.2014 Стр 1 из 4





№ п/п

Содержание

Инструмент или доп. информация


При выполнении механической обработки соблюдать правила безопасности согласно инструкциям №64,5,6,84.

50-3960 резец токарный подрезной левый


Контроль операций производить отделом технического контроля (ОТК) в процессе механической обработки.


005

Заготовительная



Отливка ЕИАУ 365319 003Л. Отливка ТР1400 (90 L=300). Изготовить 2 образца на растяжение по ГОСТ1497 10. L=55 из отливки TP 1400. Изготовление производить по техпроцессу механической обработки ОР 00 000 Изготовление 4 приварных ушек.


010

Токарная



1. Отрезать от отливки ТР 1400 заготовки L=52±1 мм - 4шт.



2. Точить с перекреплением наружную поверхность 40.



3. Зачистить переходы.

Шкурка наждачная

015

Слесарная



1. Разметить деталь согласно эскизу. Разметить осевую линию на торце детали.



2. Кернить разметку.


020

Фрезерная



Развернуть шпиндель для получения радиуса.



Фрезеровать с перекреплением по разметке.


025

Фрезерная



Фрезеровать фаски под сварку последовательно с перекреплением согласно эскизу  *размер 5 по контуру кроме размера 10


030

Слесарная



1. Зачистить заусенцы и перепады после фрезерования.



2. Разметить осевую линию на наружной поверхности по R20.



3. Сборка корпуса нижнего подшипника с приварышем.


035

Фрезерная



Фрезеровать остатки прибылей и литников с отливки ЕИАУ 365319 003Л.


040

Слесарная



1. азметить осевые линии на 254 и на 452 по торцам и наружной поверхности.

На 250 хорда 175


2. Снять фаску на 254 под сварку в местах установки приварных ушек h=10 мм, с˂25˚.


045

Сборка



1. Установить последовательно 4 ушка к корпусу нижнего подшипника, совместив осевые линии корпуса нижнего подшипника с осевыми линиями ушек. Подогнать ушки при установке.



2. Закрепить под сварку.

Струбцины цеховые

050

Сварочная



Прихватить и сварить установленные детали согласно тех. процессу на сварку.


055

Слесарная



Зачистить наплавы и брызги после сварки.


060

Токарная



Закрепить деталь (База - 452).



1. Подрезать торец в размер 370±0,7 (черт. размер 368).



2. Подрезать торец фланца 452 в размер 42±1,2 (черт. размер 35) на длину 36 (30+3 мм припуска) (вид Б.).



3. Точить ˂15˚ с размера 36 (30+6 мм припуска) на торце фланца сопрягая с R38, выдерживая R10.



4. Расточить отв. 218+0,5 (черт. 224H11) на глубину 138±0,5 (черт. размер 140)



5. Расточить отв. 202+0,5 (черт. 205H8) на глубину 348±0,7 (черт. размер 350).



6. Расточить фаску 5x45˚ на 218.


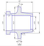
065

Токарная



Закрепить деталь (База - 218).



1. Подрезать торец в размер 368±0,7.



2. Расточить отв. 178+0,5 (черт. 180+0,4) на проход.



А. Поджать грибковым центром.



3. Точить наружную поверхность фланца до 440f7().



4. Подрезать торец фланца 440 в размер 36±0,5 (черт. размер 35) до  285.



5. Точить R5 на фланце 440 (см. сечение А-А), выдерживая размер 32.



6.Точить фаску 1x45 на 440.


070

Токарная



Закрепить за 440f7.



1. Расточить канавку 206+1,15 шириной 8, выдерживая L=18 от торца детали с получением фаски 45˚; R1 max* (узел Г). *радиус инструмента.

Резец ширина в=8 мм


2.Расточить канавку 188+0,5 (чистовой размер 189,3) шириной 7.5, выдерживая размер 4.5 от канавки 206 мм.


075

Токарная



1. Расточить 202 до 205+0,072, выдерживая размер 26 мм от торца детали (368-350+8).

Допускается чистота 3,2 и на 1шт. дробь


2. Расточить 178 до 180, на проход.



3. Расточить канавку 188+0,5 до 189,3H14 шириной в=7.5 с R0.5 и R0.2.

Резец ширина в=7.5H12


4. Расточить фаску 1x45˚.



5. Подрезать торец на фланце 440 в размер 35.



Допуски ⊥ - 0,05 мм; © - 0,03 мм; ↗ (0,05 мм) обеспечиваются тех. процессом.


080

Токарная



Закрепить за 440f7, выставить по индикатору.



1. Расточить отв. 218 до 224+0,29 на L=140.



2. Точить фаску 2x45˚ на 440f7



3. Расточить фаску 2x45˚ в отв. 205H8.


085

Слесарная



1. Разместить две площадки с размерами 30 и ˂22˚30‘, выдерживая размер 144 (см. вид Б).



2. Кернить разметку.



3. Разметить и кернить разметку центров 8 отв.22 и 8 пазов, выдерживая 32 мм и R25 мм.


090

Фрезерная



Развернуть деталь на 22,5˚ относительно оси. Развернуть головку шпинделя на 45˚. Фрезеровать последовательно 2 площадки на R38 30x30 как чисто.


095

Координатно-расточная



1.Разметить центра 4-х отверстий под резьбу М16, выдерживая размер 275.



2.Разметить центра 4-х отверстий 6, выдерживая размер 14,5 (см. вид 3) от 275.



3.Разметить центра 8 отверстий 22, выдерживая размер 380.



4.4 отв. 14,43+0,22 под резьбу M16x1.5, выдерживая ˂67˚30‘.


100

Координатно-расточная



1. Разместить центра двух отверстий на фрезерованных площадках, выдерживая ˂22,5˚ относительно оси фланца, выдерживая размер 144 мм. Допускается вместо размера 144 мм выполнить размер 154 мм, для пр.0300 зав.№2, остальное по чертежу.



2. Кернить центра отверстий.


105

Координатно-расточная



1. Сверлить последовательно 2 отверстия 8,95+0,2 под резьбу М10x1 на глубину 15 мм (14 мм+1 мм) без учета конуса сверла под углом ˂45˚.



2. Сверлить последовательно 2 отверстия 5 напроход под углом ˂45˚.

Сверло 5


3. Зенкеровать 2 отверстия 20 на глубину 1 мм.

Зенкер заточенный под ˂90˚.


4. Зенкеровать 2 фаски 1x45˚ на 8,95+0,2.



5.Нарезать резьбу М10x1 в двух отверстиях 8,95+0,2 на глубину 9 мм.

Метчик

110

Фрезерно-расточная



Фрезеровать 8 пазов по разметке, выдерживая размеры 32; R25 (см. сечение А-А).


115

Координатно-расточная



1. Сверлить 4 отверстия 13,9+0,4 под резьбу M16x2 на глубину 30 мм без учета конуса сверла.



2. Сверлить 4 отверстия 6 по разметке на глубину 8 мм без учета конуса сверла.



3. Сверлить 8 отверстий 22 напроход по разметке.



А. Сверлить 4 отв. 14,43+0,22.



4. Зенкеровать 2 фаски 2x45˚ в отверстиях 13,9+0,4 и в отверстие14,43+0,22.



5. Нарезать резьбу М16x2 в 4-х отверстиях 13,9+0,4 на глубину 22 мм.



А. Нарезать резьбу М16x1,5 в отверстие14,43+0,22.



6. Зачистить заусенцы в 4-х отверстиях 6 и в 8 отв. 22 с двух сторон и в отв. 5


120

Слесарная



Зачистить заусенцы.

Напильник

125

Дробеструйная



Дробеструить корпус нижнего подшипника, предварительно закрыв все рабочие поверхности корпуса.


130

Малярная



Произвести покрытие в соответствии с пунктом 4 чертежа.