Сальниковые краны, как правило,
широко применяют для жидких и газообразных сред при давлениях в трубопроводе
0,6-4,0 МПа (6-40 кгс/см). Кран конусный пробковый проходной сальниковый
представлен на рисунке 7.
Рисунок 7 - Кран конусный пробковый проходной сальниковый.
Конусные краны со смазкой. При давлениях среды свыше 4,0 МПа (40 кгс/см) на запорный орган крана действуют большие усилия, прижимающие ее к уплотнительной поверхности корпуса. Эти усилия пропорциональны квадрату диаметра проходного сечения, поэтому при средних и больших проходах моменты, необходимые для управления краном, резко увеличиваются. Кроме того, при высоких давлениях среды удельные давления на уплотнительных поверхностях возрастают до таких значений, при которых задирание контактирующих поверхностей при повороте становится опасным.
Эти причины, а также необходимость в защите уплотнительных поверхностей от коррозии вызвали появление кранов со смазкой. Конструкция таких кранов аналогична обычным сальниковым кранами. Она включает корпус, крышку, набивку и сальник. Новый элемент - система смазки. Смазку набивают в центральной осевой канал хвостовика запорного органа. При завинчивании набивочного болта смазка через вертикальное сверление продавливается в кольцевой паз на запорном органе, а оттуда через четыре продольных паза на запорном органе - в нижний кольцевой паз на корпусе.
Цилиндрические краны
Цилиндрический кран называется «кран, запорный или регулирующий орган которого имеет форму цилиндра». Кран с цилиндрическим запорным органом проще конусных в изготовлении, а их уплотнительные поверхности не нуждаются в притирке ввиду простоты технологической доводки цилиндрических поверхностей на универсальных шлифовальных станках.
По конструктивным признакам цилиндрические краны можно разделить на две группы: краны с металлическим и эластичными уплотнениями.
Цилиндрический кран с уплотнением «металл по металлу» состоит из корпуса, металлического запорного органа, крышки и сальника. Между уплотнительными цилиндрическими поверхностями должен быть или небольшой натяг или минимальный зазор.
Цилиндрические краны с
эластичным уплотнением большей частью применяют с металлическим запорным
органом и неметаллическим эластичным уплотнением в седле. Седло выполняют из
пластмассы, резины или специальных составов с асбестовым, графитовым или
другими наполнителями. Цилиндрический кран показан на рисунке 8.
Рисунок 8 - Кран цилиндрический. 1 - корпус; 2 -
пробка; 3 - разделительная шайба; 4 - сальниковая набивка; 5 - сальниковая
втулка; 6 - хвостовик
Шаровые краны
К шаровым кранам относятся «кран, запорный или регулирующий орган которого имеет сферическую форму». Шаровые краны обладают основными преимуществами конусных кранов: прямоточность, низким гидравлическим сопротивлением, постоянным контактом уплотнительных поверхностей (уменьшающим коррозию и позволяющим применять уплотнительную смазку), малыми размерами. Однако шаровые краны имеют преимущества перед конусными: запорный орган и корпус крана благодаря сферической форме имеют меньшие размеры и массу, а также большую прочность и жесткость. В шаровых кранах не нужны ребра жесткости, усложняющие технологию отливки и увеличивающие массу всего устройства.
Краны со сферическими запорными органами обеспечивают гораздо лучшую герметичность. Даже при недостаточной точности изготовления контакты уплотнительных поверхностей корпуса и запорного органа полностью герметизируют запорное устройство.
Шаровый кран представляет собой запорное устройство, состоящее из: корпуса, запорного узла, в который входит запорный орган (шар) и два уплотнительных седла, и поворотного штока (шпинделя). Несмотря на простоту схемы и принципа действий конструктивное решение этих узлов отличается большим разнообразием. По способу установки шара и уплотнительных седел можно выделить основные типы шаровых кранов: с плавающим шаром, с шаром в опорах, со свободным шаром и подпружиненной плавающей втулкой, Выбор типа шарового крана зависит от рабочего давления среды и диаметра условного прохода крана.
Запорное устройство с плавающим шаром ранее использовалось в кранах с диаметром условного прохода до 1000 мм. В настоящее время его используют только для кранов с малым проходным сечением (DN<100 мм) при давлениях рабочей среды до 10 МПа (100 кгс/см). Основное преимущество такого запорного узла - простота и компактность, что определяет высокую надежность и малую металлоемкость крана.
Запорное устройство со свободным шаром и подпружиненной втулкой позволяет компенсировать износ уплотнительных поверхностей колец, обеспечивая при этом двухстороннее уплотнение. Кроме того, подпружиненная втулка компенсирует температурные изменения, которые могут наблюдаться при работе крана.
Рассмотрим основные типы шаровых кранов.
Шаровой кран с плавающим шаром. Принцип работы крана с плавающим шаром заключается в следующем. В корпусе расположены два уплотнительных седла, между которыми зажимается стальной или бронзовый шар, имеющий сквозное отверстие, диаметр которого равен внутреннему диаметру трубопровода. С помощью штока шар может свободно поворачиваться в уплотнительных седлах. В открытом состоянии отверстие шара совпадает с отверстием трубопровода, обеспечивая протекание рабочей среды с минимальным гидравлическим сопротивлением. При повороте штока на четверть оборота (90°) отверстие шара устанавливается перпендикулярно проходному отверстию крана. Давлением среды шар прижимается к заднему седлу, чем обеспечивается полная герметичность запорного узла.
Краны с плавающим шаром просты по конструкции и надежны в эксплуатации, но им отдают предпочтение в тех случаях, когда материал седел выдерживает нагрузку от шара, так как вся нагрузка, которую воспринимает шар от давления рабочей среды, передается на седла. Кроме того, нужно знать, что кран с плавающим шаром при больших диаметрах приходного сечения требует больших усилий при его повороте из одного положения в другое.
Кран с шаром в опорах. Кран с шаром в опорах применяется в основном в кранах с большим номинальным (условным) проходом, рассчитанных на высокие рабочие давления. Перенос опорных усилий с уплотнительных седел на полуоси шара позволяет значительно уменьшить момент, необходимый для поворота запорного органа. При правильном выборе уплотнительных элементов запорный узел данного типа обеспечивает герметичность перекрытия потока в двух направлениях. Кран с шаром в опорах показан на рис. 9.
В зависимости от расположения уплотнительного седла запорный узел может быть выполнен по двум схемам: с уплотняющим седлом перед шаром и с уплотняющим седлом за шаром.
Рисунок 9 - Кран с шаром в
опорах. 1 - пробка; 2 - редуктор; 3 - фланец; 4 - шпиндель; 5 - седло; 6 -
уплотнительные кольца; 7 - уплотнительный фланец
Конструктивное отличие крана с уплотняющим седлом за шаром от крана с уплотнением перед шаром заключается в том, что он имеет плавающие втулки, у которых диаметр уплотнения меньше среднего диаметра седла. Для обеспечения этого условия внутренний диаметр седла должен быть больше диаметра проходного отверстия в шаре.
Запорное устройство с шаром в опорах имеют следующие преимущества:
· с уплотнительным седлом перед шаром - при закрытом кране уплотнение шпинделя и большая часть корпуса крана не нагружена внутренним давлением;
· с уплотнением за шаром - значительное снижение нагрузки на опорные подшипники, уменьшение суммарного момента трения в запорном устройстве.
Краны с уплотнительным седлом перед шаром характеризуются большими моментами, необходимыми для поворота шара, и высокими нагрузками на опорные подшипники в результате увеличения эффективной площади, на которую действует давление.
1.3 Приводы
Как уже отмечалось, привод - это исполнительный механизм, перемещающий запорный орган внутри запорного устройства (запорного узла) относительно седла из закрытого положения в открытое и наоборот.
В соответствии с требованиями к конструктивному устройству кранов краны должны поставляться с приводами, обеспечивающими поворот запорного органа на 90°.
Для управления кранами применяются: поршневые приводы с кулисным механизмом и системой управления (пневматической, пневмогидравлической и электрогидравлической);
электрические с механическим редуктором;
ручные приводы с механическим редуктором;
ручные приводы без механического редуктора,
Электроприводы должны быть
выполнены во взрывозащищенном исполнении и должны функционировать от силового
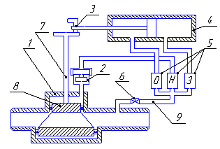
напряжения 380V. На рисунке 10
представлена упрощенная схема электропривода.
Рисунок 10. Упрощенная схема
электропривода,
Система управления приводами подразделяется на пневматическую, пневмогидравлическую и электрогидравлическую.
Приводы с пневматической и пневмогидравлической системами управления должны функционировать от энергии давления транспортируемого газа либо от энергии давления газа
или воздуха из автономной
системы. На рисунке 11 представлена упрощенная схема пневмогидропривоода.
Рисунок 11 - Упрощенная схема
пневмогидропривоода: 1 - корпус крана; 2 - мультипликатор; 3 - концевой
выключатель; 4 - пневмогидропривод; 5 - электропневмоклапаны; 6 - вентиль
запорный; 7 - шпиндель крана; 8 - коническая пробка крана; 9 - коллектор
импульсного газа
Приводы с электрогидравлической системой управления должны функционировать от энергии давления транспортируемого газа, передаваемого в гидросистему, либо от энергии давления масла в создаваемом электрическим насосом гидроаккумуляторе.
Приводы, функционирующие от энергии давления газа должны обеспечивать открытие и закрытие кранов минимальным давлением управляющего газа: например, для кранов класс 400 (PN 6,4) - 1.5 МПа, для кранов 2500 (PN 42,0) -3.5 МПа.
Приводы должны обеспечивать крутящий момент, позволяющий производить полное открытие кранов DN 100-500 мм при одностороннем дифференциальном давлении газа на шаровом кране равном PN и кранов DN 700-1400мм при одностороннем дифференциальном давлении на шаровом кране равном 2,0 МПа (минимальном давлении управляющего газа), а также обеспечивать крутящий момент, позволяющий производить открытие (страгивание) шаровых кранов DN 100-1400мм при наличии дифференциальных давлений газа равных PN на обоих седлах одновременно (давлением управляющего газа равным 0,5 PN).
Приводы с пневмогидравлической системой управления должны иметь устройства регулировки времени перестановки крана и устройства ограничения и регулировки конечных положений шарового запорного органа. Время перестановки крана с приводами, функционирующими от энергии давления газа, в зависимости от давления управляющего газа, для кранов различных DN также различно.
Краны должны иметь следующие способы управления:
дистанционный (основной);
местный (основной);
арматура компрессорный станция трубопровод
Заключение
В данной курсовой работе рассмотрены следующие задачи:
Теоретическая часть, в которую вошли следующие основные задачи
запорно-регулирующая арматура.
В расчетную часть входят следующие расчеты:
определение состава газа и его свойств:
М= 16,230485 кг/кмоль; ТКР=190,42117 К; РКР=4,59591 МПа.
- определение коэффициента
сжимаемости: Z= ![]()
.
определение газовой постоянной: R=0,51228 кДж/кг*К.
определение плотности газа: ![]()
определение располагаемой мощности ГТУ:
определение количества параллельно работающих ГПА: nр = 4 шт.
определение номинального расхода: qн = 25,5
определение объемного расхода на входе в ЦБН
определение приведенной объемной
производительности: ![]()
определение параметров по газодинамической характеристике:
относительная частота вращения 
;
объемная производительность [![]()
]=212;
политропный КПД 0,79;
относительная приведенная потребляемая мощность.
- определение устойчивой работы: S=322,7%.
- определение внутренней мощности: ![]()
определение оборотов ротор:
определение мощности на муфте нагнетателя: Nн = 13013,234 кВт.
Список литературы
1. СТО ГАЗПРОМ 2-3.5-051-2006, Нормы технологического проектирования магистральных газопроводов
. СН и П 23-01-99, Строительная климатология;
. Учебно-методическое пособие к выполнению СРС (курсового проекта, курсовой работы, РГР) по дисциплинам «Эксплуатация оборудования компрессорных станций», «Основы эксплуатации оборудования компрессорных станций», «Эксплуатация компрессорных станций», «Современное оборудование насосных, компрессорных станций и газораспределительных станций»;
. Канунников И.П., Асуев В.Г. Учебное пособие: газоперекачивающий агрегат ГПА-Ц-16
. Газоперекачивающий агрегат ГПА-Ц-16. Режим доступа: http://www.turbinist.ru/542-gazoperekachivayushhij-agregat-gpa-c-16.htmlhttp://www.turbinist.ru/542-gazoperekachivayushhij-agregat-gpa-c-16.html;
. Географические координаты Чайковского, Пермский край, Россия. Режим доступа: http://dateandtime.info/ru/citycoordinates.php?id=569742;
. Геолого-промысловая характеристика Уренгойского месторождения. Режим доступа: http://vunivere.ru/work18192/page2;