Материал: Расчет режима работы компрессорного цеха

Внимание! Если размещение файла нарушает Ваши авторские права, то обязательно сообщите нам

Выбор материалов для запорной арматуры зависит от условий эксплуатации и характера транспортируемого продукта. Свойства материалов зачастую играют решающую роль при выборе арматуры. При классификации арматуры по материалам учитывают различные требования, предъявляемые к корпусу, крышке, запорному органу и т.д. Наибольшее распространение получили углеродистые и легированные стали, ковкий чугун, латунь, бронза, специальные сплавы. В настоящее время углеродистые и легированные стали - наиболее распространенный материал для изготовления литых и кованых корпусов и крышек, предназначенных для работы при высоких давлениях и температурах, гидравлических ударах и вибрации арматуры.

Детали запорного узла изготавливают из специальных сталей, в том числе из высокоуглеродистых, хромистых и молибденовых сталей. При содержании в транспортируемой среде абразивных частиц некоторые детали запорного узла изготавливают из твердых сплавов, например стеллита. Иногда материалом для уплотнительных поверхностей служит кожа, эбонит, резина, винипласт, фторопласт, полиуретан, пластмассы и др. Для изготовления фланцев, шпинделей, клиньев и других частей запорной арматуры применяют углеродистую и легированную стали, серый и ковкий чугуны.

.2.8 Виды запорной арматуры

Задвижки

К задвижкам относится «промышленная трубопроводная арматура, в которой запорный или регулирующий орган перемещается возвратно - поступательно перпендикулярно оси потока рабочей среды». Задвижка бывает: клиновая (с цельным, упругим или составным клином), параллельная (однодисковая и двухдисковая), задвижка с выдвижным шпинделем (штоком), задвижка с невыдвижным шпинделем, по типу проточной части - полнопроходная и с зауженным проходом.

Задвижки применяют для перекрытия потоков газообразных или жидких сред в трубопроводах на номинальное (условное) давление PN от 0,16 до 25 МПа (от 1,6 до 250 кгс/см2) при температуре рабочей среды до 838К (565°С) с номинальными (условными) проходами от 15 до 2000 мм. В газовой промышленности задвижки используют при оборудовании устья скважин, на промысловых сборных пунктах, магистральных и газораспределительных станциях и подземных хранилищах.

В сравнении с другими видами запорной арматуры задвижки имеют следующие преимущества: незначительное гидравлические сопротивление при полностью открытом проходе, отсутствие поворотов потока рабочей среды, простота обслуживания, относительно небольшая строительная длина, возможность подачи среды в любом направлении.

Все задвижки характеризуются небольшим допускаемым перепадом давлений на запорном устройстве, невысокой скоростью срабатывания запорного устройства, возможностью получения гидравлического удара в конце хода, большой высокой, трудностью ремонта изношенных уплотнительных поверхностей запорного устройства при эксплуатации, сложностью их изготовления.

Задвижки должны изготавливаться приводами следующих типов:

с ручным приводом;

с электрическим приводом;

На магистральных газопроводах применяют, например, следующие задвижки:

Задвижка клиновая стальная с выдвижным шпинделем 30с64нж применяется для газа при температуре до 425°С и PN = 2,5 МПа или 25 кгс/см2 (рис. 1).

Задвижка запорная клиновая стальная литая с выдвижным шпинделем 30сТбнж применяется для газа при температуре до 450°С и PN = 6,4 МПа (64 кгс/см2)

Задвижки типа ЗКЛ2 (клиновые литые с выдвижным шпинделем, фланцевая, с электроприводом) для газообразных и жидких нефтяных сред различной коррозионной активности. Они выпускаются на номинальное (условное) давление равное 1,6 МПа (16 кгс/см2 ) таблицей фигур 30нж41нж; 4,0 МПа (40 кгс/см2) -30нж5нж; 6,4 МПа (64 кгс/см2) -30нж76нжпри температуре до 450 °С, и имеют диаметр номинального (условного) прохода 50-200 мм.

Рисунок 1 - Задвижка стальная клиновая с выдвижным шпинделем. 1 - корпус; 2 - клин; 3 - шпиндель; 4 -крышка; 5 - маховик

Клапанам запорный или регулирующий орган перемещается возвратно-поступательно параллельно оси потока рабочей среды». Запорный орган, как правило, перемещается при помощи пары «винт - ходовая гайка». В случаях, когда к надежности и герметичности перекрытия прохода предъявляются высокие требования, широко применяют клапаны для перекрытия потоков газообразных или жидких сред в трубопроводах с диаметром номинальных (условных) проходов до 300 мм при рабочих давлениях до 250 МПа (2500 кгс/см2) и температура сред от -200 °С до +450 °С.

Запорный клапан - клапан, предназначенный для перекрытия потока рабочей среды.

По сравнению с другими видами запорной арматуры клапаны имеют следующие преимущества: возможность работы при высоких перепадах давлений на запорном органе и при больших рабочих давлениях; простота конструкции, обслуживания и ремонта при эксплуатации; меньший ход запорного органа (по сравнению с задвижками), необходимый для полного перекрытия прохода (обычно 0,25 DN); относительно небольшие габаритные размеры и масса; применение при высоких и сверхнизких температурах рабочей среды; герметичность перекрытия прохода; использование в качестве регулирующего арматуры; размещение на трубопроводе в любом положении (вертикальном или горизонтальном); исключение возможности возникновения гидравлического удара.

Конструкции всех клапанов характеризуются высоким гидравлическим сопротивлением, большой строительной длиной, подачей среды только в одном направлении, определяемом конструкцией клапана.

Клапан состоит из корпуса, в котором смонтированы запорный орган, кольцевое седло, и верхней крышки с сальниковым устройством и шпинделя. Внутренние поверхности корпуса и верхней крышки образуют рабочую полость клапана. Корпус клапана имеет литую конструкцию, симметричную относительно продольной плоскости, снабжен двумя соосными патрубками, имеющими фланцы для присоединения к трубопроводу. По форме запорный орган представляет собой тело вращения с плоским основанием, на котором закреплено уплотнительное кольцо, изготовленное из металла, резины, фторопласта и др.

Конструкция узла соединения запорного органа со шпинделем обеспечивает возможность смещения оси тарелки по отношению к оси шпинделя, что способствует плотному прилеганию уплотнительного кольца запорного органа к седлу.

Уплотнение в месте выхода шпинделя из рабочей полости осуществляется сальниковым устройством, набивку которого можно проводить как в закрытом, так и в открытом положении запорного устройства. Для набивки сальника в открытом положении в верхней части запорного органа имеется конусная фаска, а в крышке - соответствующая проточка, которая играет роль уплотнительного седла. Когда шпиндель полностью поднят, конусные поверхности соприкасаются и прекращают доступ среды по шпинделю к сальнику. Уплотнительные поверхности клапана наплавляют специальными сплавами, а затем при его сборке притирают.

В качестве привода клапана используют маховик, соединенный со шпинделем. При вращении маховика запорный орган приходит в движение, открывает или перекрывает проход.

По конструкции клапаны делятся на проходные, прямоточные и угловые. В свою очередь запорное клапаны по конструкции запорных органов подразделяются на клапаны с профилированными запорными органами и игольчатые, тарельчатые и диафрагмовые. По способу уплотнения шпинделя клапаны делятся на сальниковые и силъфонные.

На магистральных газопроводах, КС, ГРС и подземных хранилищах применяют, например, следующие клапаны:

клапан сальниковый ВНИЛ для жидких и газообразных сред, применяемый в качестве запорного устройства на трубопроводах при температуре рабочей среды 200-300 °С, с DN 6,10,15 мм, PN16 МПа.

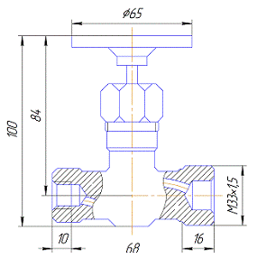
клапан запорный стальной 15нж54бк DN15, PN16 МПа предназначен для применения в дифференциальных манометрах на линиях установок теплотехнического и технического контроля, рабочая среда - газ, жидкость до температуры 300 °С (рис. 2, рис. 3).

клапан запорный 15с22нж DN 40,50,80,100, PN 4 МПа (40 кгс/см2 ). Клапаны предназначены в качестве запорных устройств для установки на трубопроводах. Рабочая среда - вода, пар, неагрессивные среды. Температура рабочей среды - до 425 °С.

Рисунок 2 - Внешний вид клапана запорного.

Рисунок 3 - Клапан запорный стальной.

Обратные клапаны.

К обратным клапанам относят устройства, «предназначенные для автоматического предотвращения обратного потока рабочей среды» в трубопроводе и тем самым для предупреждения аварии, например при внезапной остановке насоса, нагнетателя или компрессорной станции. Они являются автоматическими самодействующими предохранительными устройствами. Запорный орган - основа обратного клапана. Он пропускает среду в одном направлении и перекрывает ее поток в обратном направлении.

По принципу действия обратные клапаны в основном делят на подъемные и поворотные. При высоких давлениях среды и малых номинальных (условных) проходах применяют шариковые обратные клапаны. Преимущество поворотных обратных клапанов заключается в том, что они имеют меньшее гидравлическое сопротивление. Подъемные обратные клапаны более просты и надежны. Они могут быть угловыми и проходными.

На магистральных газопроводах и КС применяют следующие обратные клапаны:

- клапаны обратные подъемные муфтовые 16ч2р и 16ч2бр. Концы муфтовые. Клапан 16ч2р применяют для воды при t = 50˚С и PN =1,0 МПа (10 кгс/см2), а клапан 16ч2бр - для воды и пара при t = 225˚С и PN =1,6 МПа (16 кгс/см2).

- клапан обратный подъемный фланцевый из ковкого чугуна на 16кч9бр применяется для воды и насыщенного пара при t = 225˚С и PN = 2,5 МПа (25 кгс/см2).

- клапаны обратные подъемные фланцевые 16ч6р и 16ч6бр. Клапан 16ч6р применяют для воды при t = 50˚С и PN =1,0 МПа (10 кгс/см), а клапан 16ч6бр - для воды и пара при t = 225˚С и PN =2,5 МПа (25 кгс/см).

клапан обратный поворотный стальной фланцевый 19с53нж (рис. 4). Клапан применяют для жидких и газообразных сред с температурой до 425˚С и PN =4,0 МПа (40 кгс/см).

Краном называется «промышленная трубопроводная арматура, в которой запорный или регулирующий орган имеет форму тела вращения или части его, который поворачивается вокруг собственной оси, произвольно расположенной к направлению потока сред». В кране подвижная деталь (запорный орган) запорного устройства имеет форму тела вращения с отверстием для пропуска потока, которое при перекрытии потока вращается вокруг своей оси, перпендикулярной оси трубопровода.

Рисунок 4 - Клапан обратный поворотный.

Краны подразделяются по следующим основным признакам:

·   по функциональному назначению - запорные, распределительные (трех ходовые, многоходовые);

·   по способу установки запорного органа в корпусе: запорный орган «плавающий» и «запорный орган в опорах»;

·   по типу проточной части: полнопроходной и с зауженным проходом;

·   по типу присоединения к трубопроводу: фланцевые, муфтовые, цапковые, штуцерно-торцевые, «под приварку»;

·   по типу привода: поршневой, ручной, с электроприводом;

·   по типу системы управления поршневым приводом: пневматической, пневмогидравлической и электрогидравлической.

Любой кран имеет два основных элемента - корпус и запорный узел, состоящий из запорного органа и седла. В зависимости от конструкции запорного органа краны делятся на конусные, цилиндрические и сферические (или шаровые); от характера движения запорного органа - с вращением запорного органа без подъема и с подъемом его перед поворотом и последующим опусканием (прижимом после поворота). В зависимости от применения смазки - со смазкой и без смазки.

По сравнению с другими видами запорной арматуры краны обладают следующими преимуществами:

- крутящий момент привода (ключа, штурвала и др.) в кранах передается непосредственно на запорный орган; в других видах запорной арматуры для обеспечения поступательного перемещения запирающей детали имеется, как правило, резьбовая пара;

- прямоточность движения потока через отверстие в запорном органе крана и вследствие - сведенное до минимума гидравлическое сопротивление;

- компактность, так как запорный орган кранов в отличие от подвижных деталей клапанов и задвижек, перемещающихся поступательно, вращается вокруг оси, не перемещаясь в пространстве;

- при работе поверхность запорного органа не отрывается от корпуса и уплотнительные поверхности остаются замкнутыми, что значительно уменьшает эрозию уплотнительных поверхностей и опасность попадания на поверхность контакта посторонних частиц; это же обстоятельство позволяет применять смазку уплотнительных поверхностей для увеличения герметичности запорного устройства.

Конусные краны

Конусным краном называется «кран, запорный или регулирующий орган которого имеет форму конуса».

Различают несколько видов конусных кранов. Рассмотрим каждый из них.

Натяжные конусные краны. Натяжные конусные краны подразделяют по способу создания удельного давления между корпусом и запорным органом.

Кран с затяжкой резьбовым соединением состоит из корпуса, запорного органа, упорной шайбы и натяжной гайки. Запорный орган сверху имеет хвостовик с квадратом, на который накидывается ключ для управления краном, снизу - ось с резьбой. Упорная шайба садится на ось запорного органа и вращается вместе с ней с помощью одной или двух лысок, через которые передается вращение запорному органу. При затяжке гайки шайба образует опору, в которую упирается гайка, и передает усилие затяжки на нижний торец корпуса. Кроме того, на шайбе обычно имеются выступы, которые вместе с упорами на корпусе крана ограничивают поворот в пределах 90° (от открытого до закрытого положения). Преимущество кранов с затяжкой через резьбу заключается в простоте конструкции, а также в удобстве и простоте регулировки усилия затяжки.

Натяжные краны, как правило, не имеют специальных уплотнительных устройств, предохраняющих окружающее пространство от попадания в нее рабочей среды. Вследствие этого натяжные краны применяют, главным образом, для низких рабочих давлений до 1,0 МПа (до 10 кгс/см). Кран конусный натяжной показан на рисунках 5 и 6.

Рисунок 5 - Кран конусный натяжной.

Рисунок 6 - Кран конусный натяжной.

Сальниковые конусные краны. Сальниковые конусные краны характеризуются не наличием сальника вообще, а тем, что необходимые для герметичности удельные давления на конусных уплотнительных поверхностях корпуса и запорного органа, создаются при затяжке сальника. Усилия затяжки сальника передается на запорный орган, прижимая ее к седлу.

Конусный сальниковый кран состоит из корпуса, запорного органа, поднабивочной шайбы, набивки и сальника. Запорное устройство и сальниковый узел герметизируют затяжкой гаек анкерных болтов. В сальниковых кранах с номинальным (условным) проходом 40 мм и выше обычно применяют отжимной болт. При слишком сильной затяжке сальника запорный орган трудно повернуть. Назначение болтов - слегка отжать запорный орган для облегчения поворота, однако практически при перетяжке сальника отжать запорный орган болтом удается не всегда.

Сальниковые краны обеспечивают более надежную защиту от утечки рабочей среды в атмосферу (благодаря сальнику), но имеют быстроизнашивающийся элемент - мягкую набивку. В связи с этим сальниковые краны применяют при более высоких параметрах среды по сравнению с натяжными кранами.