Материал: Расчет привода и редуктора

Внимание! Если размещение файла нарушает Ваши авторские права, то обязательно сообщите нам

 

Радиальная сила:

 (40)

 

 

Осевая сила:

 (41)

 

 

4. Расчет валов

4.1 Расчет валов на статическую прочность

Расчет вала колеса:

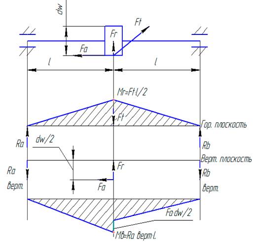
Эпюра вала представлена на рисунке 1.

Рисунок 1. Эпюра вала.

Горизонтальна плоскость:

 (42)

Преобразуем уравнение (42):

 

 

Вертикальная плоскость:

 (43)

 

 (44)

 

 (45)

Преобразуем уравнение (45):

 

 

Максимальный изгибающий момент:

 (46)

 

Приведенный момент в опасном сечении:

(47)

 

Выбора материала:

Выбираем сталь 45. Термическая обработка - улучшение. HB - 220.

Диаметр в опасном сечении:

 (48)

где  - допускаемое напряжение.

Поскольку в опасном сечении присутствует шпоночный паз, то расчетное значение увеличивают на 5%, затем окончательно округляем до нормального значения стандартного ряда.

 

Диаметр цапфы:

 (49)

Диаметр цапфы должен быть больше (или равен) 20мм. и кратный 5.


Таблица 2. Размеры шпоночного соединения.

Сечение шпонки

Фаска

Глубина паза

Длина

b

h


Вал

Ступица


10

8

0.4-0.6

5

3.3

22-110



4.2 Расчет вала на выносливость

Общий коэффициент запаса усталостной прочности:

 (50)

где  - запас прочности по нормальным напряжениям изгиба,

 - запас прочности по костельным напряжения от кручения.

 (51)

где  - предел выносливости материала при изгибе,

 - эффективный коэффициент концентрации напряжений,

 - масштабный фактор,

 - амплитуда колебаний цикла при изгибе,

 - коэффициент приведения несимметричного цикла к равно опасному симметричному,

 - напряжение, вызванное растягивающей (сжимающей) силой.

(52)

 

 (53)

где  - момент сопротивления.

 (54)

где  - глубина шпоночного паза в валу.

 

 

 (55)

 

 

 (56)

где  - коэффициент концентрации напряжений,

 (57)

 

 

 

 (58)

 (59)

 

 

 

 

 

 

5. Выбор шпонки

Дополнительное напряжение на смятие:

 

Требуема длина шпонки:

 (60)

 

Напряжение смятия:

 (61)

 

6. Выбор подшипников качения

 (62)

 

7. Выбор смазочных материалов и системы смазки

Объем масляной ванны определяется по формуле:

 (63)

где  - мощность двигателя.

 

Марка масла:


Заключение

Были проведены расчеты необходимые для проектирования одноступенчатого цилиндрического редуктора.

В кинематическом расчете редуктора были определены требуемая мощность электродвигателя, принят электродвигатель. Определены основные параметры редуктора .

Были проведены расчеты зубчатых передач редуктора на прочность, в результате которых определены геометрические параметры данных зубчатых передач, основные габаритные размеры.

Были выполнены, также, конструкторские расчеты зубчатых колес, корпуса редуктора, проведен выбор смазки.

На основании выполненных расчетов разработан проектный чертеж конструкции редуктора.

Список используемых источников

1. Курсовое проектирование деталей машин [Текст] : учеб. пособие / С.А. Чернавский [и др.]. - 3-е изд., перераб. и доп. - М. : Инфра-М, 2012. - 413 с.

. Конструирование узлов и деталей машин [Текст] : учеб. пособие / П.Ф. Дунаве, О.П. Леликов. - 12-е изд., стереотип. - М. : Академия, 2009. - 496 с.

.Детали машин [Текст] : Учебник для вузов / М.Н. Иванов; Под ред. В.А. Финогенова. - 9-е изд., испр. - М. : Высш. шк., 2005. - 408 с.