Материал: Расчет переходных процессов

Внимание! Если размещение файла нарушает Ваши авторские права, то обязательно сообщите нам

Задание на курсовую работу для студентов безотрывной формы обучения для направления23.05.03 «Подвижной состав железных дорог» по специализации ««Электрический транспорт железных дорог», «Вагоны», «Локомотивы»

РАСЧЕТ ПЕРЕХОДНЫХ ПРОЦЕССОВ В ЛИНЕЙНОЙ

ЭЛЕКТРИЧЕСКОЙ ЦЕПИ

Заданы разветвленные электрические цепи: с нулевыми начальными условиями. На всех схемах указан вид коммутации, вызывающий переходный процесс (ключ К). Задание на курсовую работу выбирается по номеру зачетной книжки из таблицы 1, схемы, изображенные на рис. 1-10.

Параметры элементов схем, приведенных на рис. 1 – 10, выбираются из таблицы 1.

Требуется:

  1. Рассчитать переходный процесс в заданной цепи классическим методом.

  2. Рассчитать переходный процесс в заданной цепи операторным (либо другим указанным преподавателем) методом.

  3. Построить графики изменения во времени токов в ветвях цепи и напряжений на реактивных элементах.

Варианты домашнего задания

Таблица 1

Параметры элементов электрической цепи

№ варианта

U

R1

R2

R3

L1

L2

C1

C2

В

Ом

Гн

мкФ

1

200

100

50

200

1,0

0,5

50

100

2

100

125

75

50

0,4

0,2

20

40

3

120

100

100

125

0,2

0,1

20

40

4

50

150

75

50

0,5

0,2

25

50

5

75

50

75

125

0,2

0,1

0,2

0,1

6

50

800

1000

1000

0,25

0,5

0,2

0,1

7

75

800

2000

1000

0,25

0,5

0,1

0,2

8

100

1500

500

1000

0,4

0,8

0,1

0,2

9

120

50

125

50

0,2

0,4

20

10

10

200

200

125

50

0,4

0,2

125

80

Рис.1

Рис.2

Рис.3

,

Рис.4.

Рис.5

Рис.6

Рис.7

Рис.8

Рис.9

Рис.10

ПРИМЕР РАСЧЕТА

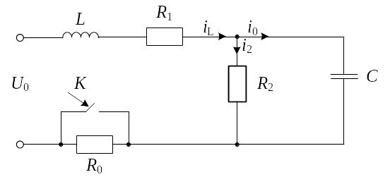
Рассчитаем цепь, показанную на рис. 11. Численные данные для данной схемы приведены в табл. 2.

Таблица 2

U0

R0

R1

R2

L

C

В

Ом

Ом

Ом

Гн

мкФ

150

100

300

200

0,1

10

1. Классический метод

Рис. 12

1. Пусть – момент коммутации.

2. Ток выбираем в качестве искомой переменной, т.к. этот ток подчиняется законам коммутации.

3. Рассчитаем токи до коммутации, т.е. при . Цепь содержит резистор . Постоянный ток через конденсатор не проходит, поэтому , , , .

4. Используя законы Кирхгофа, запишем уравнения для времени после коммутации

(1)

Приведем данную систему к одному дифференциальному уравнению, в котором фигурировала бы только одна переменная – ток (или напряжение ). Так как эти переменные не изменяются в момент коммутации, то при решении дифференциального уравнения в качестве начальных условий можно использовать их значения, которые они принимают до коммутации ( ). Исключая переменные , из системы (1) получим требуемое дифференциальное уравнение второго порядка:

. (2)

Решение уравнения (4.2) ищем в виде: , где – значение тока в новом установившемся режиме, – свободная составляющая тока.

5. Рассчитаем новый установившийся режим цепи ( ):

6. Найдем начальные условия для искомой переменной и ее производной: и . Согласно законам коммутации имеем

После подстановки этих величин в систему (1), записанную для момента времени , получим систему алгебраических уравнений относительно переменных:

.

Решая эту систему, определим недостающее начальное условие:

(3)

Одновременно найдем:

7. Подставим численные данные в уравнение (2) и решим его

(4)

Решение неоднородного дифференциального уравнения (4) запишем как сумму частного решения и общего решения однородного уравнения:

. (5)

Решение однородного уравнения, называемое свободным током, записывается следующим образом:

. (6)

где и – постоянные интегрирования; и – корни характеристического уравнения:

Решаем это уравнение и находим:

Корни должны быть отрицательными числами, если корни получились комплексными, то они должны иметь отрицательную вещественную часть.

Решение (4.5) с учетом п.5 запишем следующим образом:

(7)

Продифференцируем это уравнение:

. (8)

  1. Вычислим постоянные интегрирования и . Для этого запишем (4.7) и (4.8) для времени подставив в них численные значения начальных условий.

Решая эту систему, найдем: , . Подставим вычисленные величины в правую часть уравнения (7) и получим решение

A. (9)

  1. Расчет остальных токов и напряжений на реактивных элементах и построение графиков.

Подставим (9) в систему (1) и найдем остальные токи:

A,

и напряжения на конденсаторе и на катушки индуктивности:

Данные расчетов сведены в табл. 3. На рис. 12 приведены соответствующие графики на временном интервале:

Рис. 13