5. Определение напряжения и расчет осадки основания
Определение напряжений и осадки основания под участком стены с пилястрой.глубина от отметки планировки в метрах.
hi-мощность элементарного слоя грунта. Принимается из условия hi ≤ 0.4 B
Zi-глубина
грунта под подошвой фундамента.
Zi=∑hi
удельный
вес грунта соответствующего элементарного слоя. Так как есть ГГВ, то удельный
вес грунтов находящихся над ним будет уменьшен взвешивающим действием воды.
sb=(s-w)/(1+e)
w=10кН/![]()
s=ρs *gбытовое
давление от собственного веса грунта.
zg=∑hi*i
ξ=2z/B
α-коэфициент затухания напряжений. Берется по СНиП 2.02.01-83 «Основания и фундаменты»
zp-дополнительное давление.
zp= α*Po
zp - среднее дополнительное давление в пределах элементарного слоя.
zp=(zp(предыдущее)+ zp последущее)
E - модуль деформации
Si - значение осадки для каждого элементарного слоя.
Si=β*zpi*hi/Ei
Где
β-коэфициент
корректировки расчетной схемы. Принимаем равным 0.8.
Таблица к определению напряжений и расчету осадок
|
H м. |
hi м. |
Zi м. |
Ƴi кН/м. |
ʛzg кПа. |
ξ |
α |
ʛzp˳ кПа. |
ʛzp̩ кПа. |
E кПа. |
Si м. |
|
1,500 |
0,000 |
0,000 |
13,192 |
19,788 |
0,000 |
0,000 |
436,42 |
- |
20000,000 |
0,000 |
|
1,900 |
0,400 |
0,400 |
13,192 |
25,065 |
0,667 |
0,870 |
379,751 |
408,085 |
20000,000 |
0,0065 |
|
2,300 |
0,400 |
0,800 |
13,192 |
30,342 |
1,333 |
0,594 |
259,135 |
319,443 |
20000,000 |
0,0051 |
|
2,500 |
0,200 |
1,000 |
13,192 |
32,980 |
1,667 |
0,470 |
205,243 |
232,189 |
20000,000 |
0,0019 |
|
2,900 |
0,400 |
1,400 |
13,875 |
40,238 |
2,333 |
0,306 |
133,414 |
169,328 |
20000,000 |
0,0027 |
|
3,300 |
0,400 |
1,800 |
13,875 |
45,788 |
3,000 |
0,208 |
90,666 |
112,040 |
20000,000 |
0,0018 |
|
3,700 |
0,400 |
2,200 |
13,875 |
51,338 |
3,667 |
0,148 |
64,388 |
20000,000 |
0,0012 |
|
|
4,100 |
0,400 |
2,600 |
13,875 |
56,888 |
4,333 |
0,110 |
48,186 |
56,287 |
20000,000 |
0,0009 |
|
4,500 |
0,400 |
3,000 |
13,875 |
62,438 |
5,000 |
0,085 |
37,096 |
42,641 |
20000,000 |
0,0007 |
|
4,900 |
0,400 |
3,400 |
13,875 |
67,988 |
5,667 |
0,067 |
29,284 |
33,190 |
20000,000 |
0,0005 |
|
5,300 |
0,400 |
3,800 |
13,875 |
73,538 |
6,333 |
0,055 |
23,883 |
26,583 |
20000,000 |
0,0004 |
|
5,500 |
0,200 |
4,000 |
13,875 |
76,313 |
6,667 |
0,049 |
21,581 |
22,732 |
20000,000 |
0,0002 |
|
5,900 |
0,400 |
4,400 |
8,631 |
50,923 |
7,333 |
0,041 |
18,031 |
19,806 |
20000,000 |
0,0003 |
|
6,000 |
0,100 |
4,500 |
8,631 |
51,786 |
7,500 |
0,039 |
17,075 |
17,553 |
20000,000 |
0,0001 |
|
|
|
|
|
|
|
|
|
|
|
0,022 |
Рис.6 Эпюры напряжений основания фундамента
участка стены
Определение напряжений и осадки основания под
колонной.
Таблица к определению напряжений и расчету осадок
|
H м. |
hi м. |
Zi м. |
Ƴi кН/м. |
ʛzg кПа. |
ξ |
α |
ʛzp˳ кПа. |
ʛzp̩ кПа. |
E кПа. |
Si м. |
|
1,650 |
0,000 |
0,000 |
13,192 |
21,767 |
0,000 |
0,000 |
428,2 |
- |
20000,000 |
0,000 |
|
2,050 |
0,400 |
0,400 |
13,192 |
27,044 |
0,800 |
0,800 |
349,136 |
388,668 |
20000,000 |
0,0062 |
|
2,450 |
0,400 |
0,800 |
13,192 |
32,320 |
1,600 |
0,499 |
217,774 |
283,455 |
20000,000 |
0,0045 |
|
2,500 |
0,050 |
0,850 |
13,192 |
32,980 |
1,700 |
0,422 |
183,951 |
200,862 |
20000,000 |
0,0004 |
|
2,900 |
0,400 |
1,250 |
13,875 |
40,238 |
2,500 |
0,243 |
106,050 |
145,001 |
20000,000 |
0,0023 |
|
3,300 |
0,400 |
1,650 |
13,875 |
45,788 |
3,300 |
0,153 |
66,663 |
86,357 |
20000,000 |
0,0014 |
|
3,700 |
0,400 |
2,050 |
13,875 |
51,338 |
4,100 |
0,104 |
45,279 |
55,971 |
20000,000 |
0,0009 |
|
4,100 |
0,400 |
2,450 |
13,875 |
56,888 |
4,900 |
0,075 |
32,513 |
38,896 |
20000,000 |
0,0006 |
|
4,500 |
0,400 |
2,850 |
13,875 |
62,438 |
5,700 |
0,056 |
24,549 |
28,531 |
20000,000 |
0,0005 |
|
4,900 |
0,400 |
3,250 |
13,875 |
67,988 |
6,500 |
0,044 |
19,093 |
21,821 |
20000,000 |
0,0003 |
|
5,300 |
0,400 |
3,650 |
13,875 |
73,538 |
7,300 |
0,035 |
15,275 |
17,184 |
20000,000 |
0,0003 |
|
5,500 |
0,200 |
3,850 |
13,875 |
76,313 |
7,700 |
0,031 |
13,638 |
14,456 |
20000,000 |
0,0001 |
|
5,900 |
0,400 |
4,250 |
8,631 |
50,923 |
8,500 |
0,026 |
11,129 |
12,383 |
20000,000 |
0,0002 |
|
6,000 |
0,100 |
4,350 |
8,631 |
51,786 |
8,700 |
0,025 |
10,692 |
10,911 |
20000,000 |
0,0000 |
|
|
|
|
|
|
|
|
|
|
|
0,018 |
Рис.7 Эпюры напряжений основания фундамента под
колонной
6. Конструктивные схемы
фундаментов
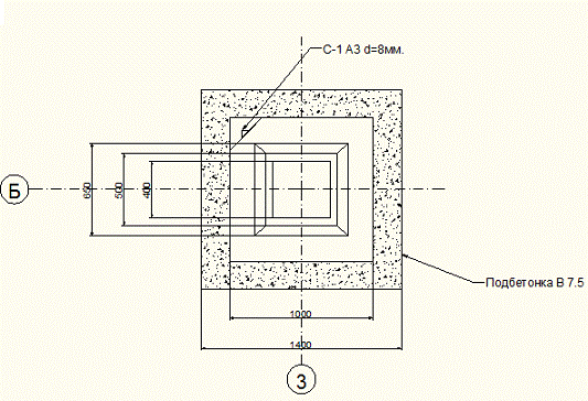
Под стену
Рис8 План фундамента участка стены
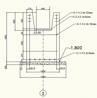
Рис. 9 Разрез фундамента участка стены
Под колонну
Рис10 План фундамента под колонной
Рис.11 Разрез фундамента под колонной
7. Проектирование
свайного фундамента
Рассчитаем параметры свайного фундамента, расположенного под колонной.
Расчет свайного фундамента по I группе предельных состояний
Назначение глубины заложения ростверка
Зададим отметку заложения ростверка такую же, какая была принята нами при расчете фундамента мелкого заложения.
Расчет свай по несущей способности
Назначим забивные сваи с размером поперечного сечения 300х300 мм. И длиной 6 метров. Длина выбрана так, чтобы можно было выполнить сваи стойки.
Для свай стоек несущая способность определяется по 2ум параметрам:
по грунту
Fd=cr*R*A
cr-коэффициент работы сваи в грунте принимаемый по СП 24.13330.2011 «Свайные фундаменты» равным 1
R - расчетное сопротивление грунта под нижним концом сваи. R=80000 кПа
А- площадь опирания сваи на грунт. А=0.3*0.3=0,09м₂
Fd=1*80000*0.09=7200кН
по материалу сваи
Fdm=c*Ψ*(cb*cb′*Rb′*Ab+a*Rsc*As)
c-коэффициент условий работы сваи равный 1 т.к. d сваи больше 20см.
Ψ-коэффициент продольного изгиба принимаем равным 1 т.к. низкий ростверк
cb-коэффициент работы бетона для забивных свай равный 1
cb′-коэффициент, зависящий от условия бетонирования для забивных равен 1
Rb′- сопротивляемость бетона одноосному сжатию. Бетон B25=14,5мПа
Аb - площадь бетона Ab=A-As=0.09-0.000803=0.089м₂
a=1
Rsc - расчетное сопротивление арматуры A400=355мПа
Аs=0,000803м
Fdm=1*1*(1*1*14500*0.089+1*355000*0.000803)=1575.6кН
Выбираем наименьшее значение:
Fd=1575.6кН
Определение допускаемой вдавливающей нагрузки(допускаемое
усилие на сваю F)по новому
СП расчетная нагрузка на сваю N
N=o*Fd/n*k
Fd-несущая способность сваи, определяемая расчетным методом(см. выше), или практическим по СНиП
k-коэффициент надежности по грунту. Принимаем равным 1.4 т.к. расчетный метод.
о-коэффициент условий работы учитывающий повышение грунтовых условий при применении свайных фундаментов. Принимаем равным 1 т.к. односвайный фундамент.
n-коэффициент по назначению или уровню ответственности. Принимаем равным 1.15, так как II группа ответственности.
N=1*1575.6/1.4*1.15=978.6кН.
Определение количества свай в плане.
n=Nd/N
Nd=(N1+Gp)*1.2
Gp - предварительная нагрузка от ростверка
N1=P=428.2кПа
Gp=f*Ap*m*dp
f=1.1
Ap-предполагаемая
площадь ростверка
Ар=Ni/(Pp-f*m*dp)
Pp- предполагаемое давление под подошвой ростверка Рр=N/(1.5*d)=428.2/(1.5*0.3) =2114.56кПа/м
Ар=428,2/(2114,6-1,1*22*1,65)=0,2м₂
m - усредненный удельный вес сваи и грунта. Принимаем равным 22кН/м.
Dp-глубина заложения ростверка равная 1650мм.
Gp=1.1*0.2*1.65*22=8кПа
Nd=(428.2+8)*1.2=523.4кПа
n=523.4/978.6=0.534
Выбираем количество свай равное 1.
Проверка фактических усилий на сваи.
Nmax<N
Nmin>0
N=Nd/n±Mxy/∑yi±Myx/∑xi
N=523.4кПа<978.6 верно
Условие расчета по несущей способности выполнено.
Расчет свайного фундамента по II группе предельных состояний(по деформации)
Определение размеров условного свайного фундамента.
Рис12 Схема условного фундамента под колонну
Lусл=d+2*k
K=lo*![]()
=4250мм.
£= φср/4
φ ср= (φ1*h1+ φ2h2)/(h1+h2)=(19*750+23*3500)/(750+3500)=22.29
£=22.29/4=5.57=4250*0.098=414.7мм.усл=414,7*2+300=1129,4мм.усл=lусл
Проверка давления под подошвой
условного свайного фундамента
P<Rусл
P=(N2+Gусл)/Aусл
N2=428.2кПа
Gусл=Аусл*dусл*Ƴmt
mt=20кН/м - усредненный вес грунта и фундамента
dусл=6150мм.
Аусл=bусл*lусл=1.28м
Gусл=1,28*6,15*20=156,9кПа
Р=(428,2+156,9)/1,28=457,1кПа
Rусл=Rс=80000кПа
Условие выполняется
Расчет на просадки делать не нужно так как скала не продавливается
Таким образом данный фундамент
удовлетворяет проверкам по несущей способности и по деформациям.
8.
Конструктивная схема фундамента
Рис13 План свайного фундамента
Рис14 Разрез свайного фундамента
Вывод
стена свайный фундамент глубина
Библиографический
список
1. СП 20.13.13330 2011 Нагрузки и воздействия (СНиП 2.01.07-85).
2. СП 22.13330. 2011 Основания зданий и сооружений (СНиП2.01.01-83).
. СП 24.13330 2011 Свайные фундаменты (СНиП 2.02.03-85).
. СНиП 23-01-99 Строительная климатология.
. ГОСТ 25100-95. Грунты. Классификация. - М.: Изд-во стандартов, 2002.
. Учебное пособие Толмачев. Рыжков Основания и фундаменты курсовой проект ЮУрГУ 1995г.