Принятое число прокладок ленты проходит при номинальном запасе прочности.
Сравниваем
с
наибольшим расчетным натяжением ленты
:
![]()
.
Зная ускорение, определяем
минимальное время пуска:
.
Определяем время пуска конвейера по
пусковым характеристикам электродвигателя привода:
Где
- коэффициент, учитывающий упругое
удлинение ленты [2,с.135];
- статический момент
электродвигателя
- общее окружное усилие
- частота вращения барабана
- средний пусковой момент
электродвигателя
- маховый момент движущихся частей
конвейера
где
- коэффициент приведения
вращающихся частей механизма привода к ротору двигателя;
- маховый
момент ротора электродвигателя (принимают по каталогу электродвигателя);
- общий КПД
механизмов привода;
-
номинальная частота вращения ротора двигателя;
- коэффициент, учитывающий, что
окружная скорость части вращающихся масс меньше скорости ленты;
- суммарная
масса вращающихся частей конвейера (роликоопоры верхней и нижней ветвей,
барабана) [1, т. 4.75].
, 27 > 16 с., следовательно,
условие соблюдается.
Максимальный прогиб ленты на грузовой и холостой ветвях.
Прогиб ленты грузовой ветви:
где [f] -
допустимый прогиб ленты грузовой ветви;
- минимальное натяжение после
загрузочного устройства. Так как условие не выполняется, то уменьшаем шаг
расстановки роликов: грузовой ветви lгр = 1,1 м;
холостой ветви lx = 2,5∙ lгр =2,5∙1,1
=2.75м; в зоне загрузки lз = 0,5∙
lгр = 0,5∙1,1
= 0,55 м. Делаем перерасчет, следовательно, условие соблюдено.
Прогиб ленты холостой ветви, где
,
Выбор муфты
Выбираем зубчатую муфту типа М3-1
Таблица 1 - Характеристика муфты
Условное
обозначение зубчатых муфт при заказе
d;
мм (предельное отклонение по Н7) от… до
d1;
мм (предельное отклонение по Н9) от… до
d2;
мм (предельное отклонение по Н7) от… до
l
, мм
D,
мм
e,
мм.
Крутящий
момент, кНм, не более
Угловая
скорость рад/сек.
Динамический
момент, кг·м2
Муфта
1-1600 (М3-1) 25…55
20,
30, 40
55
300
5
1,6
385
0,02
Рисунок 3 - Муфта зубчатая МЗ-1
5. Определение мощности привода
По каталогу уже выбран двигатель. Выбираем
двигатель
А-12-32-3 с N
= 30 кВт, n = 1500 об/мин.
Передаточное число редуктора:
Принимаем редуктор Ц2-350 с
передаточным числом i=40 и мощностью на тихоходном валу 24,4 кВт.
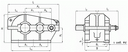
Рисунок 4 - Редуктор Ц2-350
Таблица 2 - Типоразмер редуктора
Ц2-350
Aт
А1
А2
А3
А4
B
В1
В2
В3
мм
400
198
335
475
810
526
450
526
334
H
H1
H2
h
L
L1
L2
M
d
n
мм
шт
705
320
95
35
1703
930
458
460
25
8
6. Расчет
и выбор тормоза
Тормоз для конвейеров выбирают по тормозному
моменту Мт на валу электродвигателя. Этот момент препятствует обратному
движению рабочего органа конвейера под действием силы тяжести перемещаемого
груза при отключении электрического питания. Требуемый тормозной момент на валу
электродвигателя:
Выбираем типоразмер тормоза: тормоз
ТКГ-300 ГОСТ 24.290.08-82, имеющий следующие параметры: Тт.н. = 800
Нм; Dт.ш. = 300 мм; Вк
= 140 мм; hшт тах = 50 мм; Lуст = 500 мм; ттор
= 80 кг. Типоразмер электрогидравлического толкателя - ТГМ-50.
Рис 5 - Тормоз типа ТКГ-300
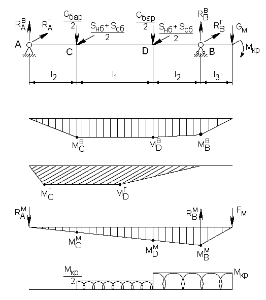
7. Расчет вала приводного барабана
Определяем силу, действующую со
стороны муфты на вал, вследствие неизбежной несоосности соединяемых валов
где Для зубчатых муфт расчетный диаметр
равен
Окружная сила на муфте:
Следовательно, нагрузка от муфты на
вал
Принимаем Составляем расчетную схему вала
(рис. 4), прикладывая к валу найденные ранее нагрузки, и определяем реакции
опор, задавшись длинами Реакции опор в горизонтальной
плоскости из условия равновесия
откуда откуда Реакции опор в вертикальной
плоскости из условия равновесия
откуда откуда Реакции опор от силы откуда откуда Определим изгибающие моменты в
характерных сечениях вала:
в сечении C:
в сечении D:
в сечении B:
Определим суммарные изгибающие и
эквивалентные моменты:
в сечении C:
в сечении D:
в сечении B:
Материал вала сталь 40ХН. Характеристики
материала [6, табл.8; с.90]:
Определяем диаметр вала в наиболее нагруженном
сечении:
С учетом ослабления сечения
шпоночными пазами увеличиваем сечение на 15%. Остальные диаметры назначаем
конструктивно по нормальному ряду размеров. В целях унификации принимаем
диметры вала в подшипниковых опорах одинаковыми и равными 90 мм. Диаметры вала
под ступицами также принимаем одинаковыми и равными 110 мм. Диаметр вала между
ступицами - 100 мм.
. Расчет подшипников вала приводного
барабана
Схема для расчета подшипников см.
рис. 6 данного курсового проекта.
Радиальная нагрузка на опору A:
Радиальная нагрузка на опору B:
Опорой приводного вала на раму
являются двухрядные сферические роликоподшипники. Расчет ведем по наиболее
нагруженному подшипнику. На подшипник действуют только радиальные усилия,
равные Предварительно принимаем роликовые радиальные
сферические двухрядные подшипники 1318 по ГОСТ 5720-75* С = 200 кН, Со
= 176 кН.
Определяем эквивалентную динамическую нагрузку
где Номинальная эквивалентная нагрузка
определяется по зависимости
где Расчетная долговечность проверяем по
динамической грузоподъёмности: где Проверяем выбранный подшипник по статической
грузоподъёмности:
. Расчет шпоночных соединений приводного
барабана
Основным для соединений с призматическими
шпонками является условный расчет на смятие.
Шпонка под ступицами приводного
барабана: для вала диаметром Если принять для упрощения, что
нормальные напряжения в зоне контакта распределены равномерно и плечо главного
вектора давления равно где Принимаем длину шпонки равную Проверку прочности шпонок на срез обычно не
проводят, так как это условие соблюдается при использовании стандартных сечений
шпонок.
Шпонка под зубчатой муфтой: для вала
диаметром Если принять для упрощения, что
нормальные напряжения в зоне контакта распределены равномерно и плечо главного
вектора давления равно где Принимаем длину шпонки равную Проверку прочности шпонок на срез обычно не
проводят, так как это условие удовлетворяется при использовании стандартных
сечений шпонок.
. Расчет концевого вала барабана
Рис. 7. Схема нагружения вала
Составляем расчетную схему вала
(рис. 7), прикладывая к валу найденные ранее нагрузки, и определяем реакции
опор, задавшись длинами Реакции опор в горизонтальной
плоскости из условия равновесия
откуда откуда Реакции опор в вертикальной
плоскости из условия равновесия
откуда откуда Определим изгибающие моменты в характерных
сечениях вала:
в сечении C:
в сечении D:
в сечении B:
Определим суммарные изгибающие и
эквивалентные моменты:
в сечении C:
в сечении D:
в сечении B:
Материал вала сталь 40ХН. Характеристики
материала [6, табл.8; с.90]:
Определяем диаметр вала в наиболее нагруженном
сечении:
С учетом ослабления сечения
шпоночными пазами увеличиваем сечение на 15%. Остальные диаметры назначаем
конструктивно по нормальному ряду размеров. В целях унификации принимаем
диметры вала в подшипниковых опорах одинаковыми и равными 80 мм. Диаметры вала
под ступицами также принимаем одинаковыми и равными 90 мм. Диаметр вала между
ступицами - 80 мм.
. Расчет подшипников вала концевого
барабана
Схема для расчета подшипников см.
рис. 5 данного курсового проекта.
Радиальная нагрузка на опору A:
Радиальная нагрузка на опору B:
Опорой приводного вала на раму
являются двухрядные сферические роликоподшипники. Расчет ведем по наиболее
нагруженному подшипнику. На подшипник действуют только радиальные усилия,
равные Предварительно принимаем двурядные
шарикоподшипники 111316 по ГОСТ 5720-75* средней серии. С = 110кН, Со
= 60кН. где Номинальная эквивалентная нагрузка
определяется по зависимости
где Расчетная долговечность проверяем по
динамической грузоподъёмности:
где Проверяем выбранный подшипник по
статической грузоподъёмности:
12. Расчет шпоночных соединений вала
концевого барабана
Основным для соединений с
призматическими шпонками является условный расчет на смятие.
Шпонка под ступицами приводного
барабана: для вала диаметром Если принять для упрощения, что
нормальные напряжения в зоне контакта распределены равномерно и плечо главного
вектора давления равно где Принимаем длину шпонки равную Проверку прочности шпонок на срез обычно не
проводят, так как это условие соблюдается при использовании стандартных сечений
шпонок
Список используемой литературы
1. Спиваковский А.О., Дьячков В.К.
Транспортирующие машины: Учеб. пособие для машиностроительных вузов.- 3-е изд.-
М.: Машиностроение, 1983.-487с.
. Конвейеры: Справ./ Ю.А. Пертен. -
М.: Машиностроение, 1984. - 367с.
. Зенков Р.Л., Ивашков И.И., Колобов
Л.Н. Машины непрерывного транспорта. - 2 -е изд., перераб. и доп. - М.:
Машиностроение, 1987. - 432 с.: ил.
,

- окружная сила на муфте;
- расчетный
диаметр.
.
,
и
. Реакции
опор от силы
определяем
отдельно, так как она меняет свое направление с течением времени.
,
,
,
,
из условия
равновесия
,
,
;
.
- запас прочности по статической
несущей способности.
. Принимаем
.
.
,
- коэффициент долговечности.
,
- кинематический коэффициент,
учитывающий снижение долговечности при неподвижном внутреннем кольце
подшипника;
-
коэффициент безопасности при нагрузке с незначительными толчками;
-
температурный коэффициент при
. Тогда
и
- коэффициент, учитывающий
вероятность безотказной работы;
- коэффициент, учитывающий
совместное влияние качества металла и условий эксплуатации;
- частота
вращения приводного вала
-
показатель степени для роликоподшипников.
, что удовлетворяет требованиям.
,
.
по ГОСТ 23360-78 предназначена
шпонка со следующими размерами: ширина шпонки
; высота шпонки
; глубина
паза на валу
; длина
шпонки
.
, то
,
- рабочая длина шпонки;
- глубина
врезания шпонки в ступицу колеса;
- допускаемое напряжение смятия для
шпонки, изготовленной из стали 45 [1, с. 89].
в
соответствии с длиной ступицы. Тогда
. По формуле (2) проверяем напряжения
в зоне контакта.
≤
,
по ГОСТ
23360-78 предназначена шпонка со следующими размерами: ширина шпонки
; высота
шпонки
; глубина
паза на валу
; длина
шпонки
.
, то
,
- рабочая длина шпонки;
- глубина
врезания шпонки в ступицу колеса;
- допускаемое напряжение смятия для
шпонки, изготовленной из стали 45 [1, с. 89].
в
соответствии с длиной ступицы. Тогда
. По проверяем напряжения в зоне
контакта.
≤
.
,
и
.
,
,
,
,
;
.
- запас прочности по статической
несущей способности.
. Принимаем
.
.
,
- коэффициент долговечности.
,
- кинематический коэффициент,
учитывающий снижение долговечности при неподвижном внутреннем кольце
подшипника;
-
коэффициент безопасности при нагрузке с незначительными толчками;
-
температурный коэффициент при
. Тогда
и
,
- коэффициент, учитывающий
вероятность безотказной работы;
- коэффициент, учитывающий
совместное влияние качества металла и условий эксплуатации;
- частота
вращения приводного вала
-
показатель степени для роликоподшипников.
, что удовлетворяет требованиям.
,
.
по ГОСТ 23360-78 предназначена
шпонка со следующими размерами: ширина шпонки
; высота шпонки
; глубина
паза на валу
; длина
шпонки
.
, то
,
- рабочая длина шпонки;
- глубина
врезания шпонки в ступицу колеса;
- допускаемое напряжение смятия для
шпонки, изготовленной из стали 45 [1, с. 89].
в
соответствии с длиной ступицы. Тогда
. По формуле проверяем напряжения в
зоне контакта.
≤
,