Материал: Расчет и проектирование сварной подкрановой балки

Внимание! Если размещение файла нарушает Ваши авторские права, то обязательно сообщите нам

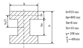
=  мм

= мм

Принимают =10 мм

 мм

Принимают =890 мм

Рисунок 2.2 Предварительно подобранное сечение балки

.9 Расчет ширины горизонтального пояса балки


Определяем ширину горизонтального пояса балки.

Требуемый момент сопротивления балки Wтр, мм определяют по формуле:

 (2.13)

 мм3

Требуемый момент инерции поперечного сечения балки Jтр, мм определяют по формуле:

Iтр= Wтр (2.14)тр= 2.8мм4

Осевой момент инерции вертикального листа Jxв, мм относительно оси X определяют по формуле:

в =  (2.15)в = 469, мм4

Осевые моменты инерции горизонтальных листов Jxг, мм определяют по формуле:

г = Iтр - Ixв (2.16)г = 1680 - 1095= 805мм4

Требуемую площадь поперечного сечения горизонтального пояса Аг определяют по формуле:

Аг= (2.17)

где  - расстояние от центра тяжести горизонтального листа до центра тяжести балки, мм

Аг - площадь поперечного сечения горизонтального листа, мм2


 мм

Аг=мм2

Ширину горизонтального пояса b, мм, определяют по формуле

 мм

Принимают b=198мм

Рисунок 2.3 - Проверочный профиль сечения балки

.10 Проверочный расчет подобранного сечения балки

.10.1 Определение наибольшего нормального напряжения в волокнах балки, наиболее удаленных от центральной оси

Наибольшее нормальное напряжение в волокнах балки наиболее удаленных от центральной оси , МПа определяют по формуле:


 (2.18)

где Ymax - расстояние от нейтральной оси до наиболее удаленных волокон балки, мм.- уточненное значение осевого момента инерции подобранного сечения балки, мм4.

= = мм=  (2.19)

где: y1 - расстояние от центра тяжести горизонтального пояса до центра тяжести сечения балки

=  ммх = 1271мм4

=191 МПа

.10.2 Определение касательного напряжения на уровне центра тяжести балки

Касательное напряжения на уровне центра тяжести балки в опорном его сечении, где поперечная сила имеет максимальное значение  н/мм2 определяют по формуле.

 (2.20)

где  - суммарная поперечная сила в опорном сечении балки, кН

 - статистический момент половины площади поперечного сечения балки относительно ее центра тяжести, мм3

н/мм2

Принимаем =26 н/мм2

.10.3 Определение эквивалентного напряжения в сечении балки

Эквивалентное напряжение определяется на уровне верхней кромки вертикального листа в зоне резкого изменения ширины поперечного сечения.

Нормальное напряжение н/мм2 определяют по формуле:

 (2.21)


Принимают =188 н/мм2

Касательное напряжение в тех же волокнах от поперечной силы определяют по формуле:

 (2.22)

где -Статический момент площади сечения горизонтального пояса относительно центра тяжести сечения балки, мм3.

=9.8мм3

 н/мм2

Эквивалентное напряжение ,н/мм2 определяют по формуле:

 (2.23)

 н/мм2

.11 Расчет балки на местную устойчивость


В сжатых поясах потеря устойчивости может быть связана с нормальными сжимающими напряжениями и комбинациями нормальных и касательных напряжений.

Чтобы обеспечить местную устойчивость сечения балки, приваривают ребра жесткости.

Рисунок 2.5- Расстановка ребер жесткости

a=1.5hв (2.24)

где: а - расстояние между ребрами жесткости, мм

=1.5 мм

Ширину ребра жесткости, вр, мм, определяют по формуле

 (2.25)

 мм

По конструктивным соображениям ширину ребра жесткости вр уменьшают.

Принимают вр=70 мм

Толщину ребер жесткости Sр, мм определяют по формуле:

рр=4,6 мм

Принимают Sр=4,6 мм

Нормальное напряжение в верхнем волокне вертикального листа (пояса) определены ранее

 н/мм2

Среднее касательное напряжение от поперечной силы в среднем сечении балки , н/мм2 определяют по формуле:

 (2.26)

 н/мм2

Рисунок 2.6 Местное влияние сосредоточенных сил.

Местное напряжение σт, н/мм2 вызванное сосредоточенной нагрузкой F определяют по формуле:

σт (2.27)

где: -коэффициент, учитывающий режим работы балки

Принимают = 0,8

 - условная длина, по которой проходит передача сосредоточенной нагрузки на вертикальный лист, мм:

 (2.28)

где  - осевой момент инерции горизонтального пояса совместно с приваренным к нему рельсом относительно оси, проходящей через их общий центр тяжести, мм

 (2.29)

где:  - площадь сечения горизонтального пояса, мм2

 - площадь сечения рельса, мм2

- координата центра тяжести горизонтального пояса, мм

 - координата центра тяжести рельса, мм

балка двутавровый подкрановый сечение

Рисунок 2,7- Определение центра тяжести горизонтального пояса и рельса

Аг=b×Sг

Аг=198 ×10=1980 мм2

мм2

мм

мм

мм

Момент сечения горизонтального пояса Iхг, мм4 и рельса относительно оси совпадающей с верхней кромкой пояса, Хг определяют по формуле:

 (2.30)

мм4

Осевой момент инерции сечения Iх01, мм, и рельса относительно оси, проходящий через их общий центр тяжести определяют по формуле:

где А = Аг+Ар

мм2

мм4

Условную длину Z0, мм определяют по формуле (2.27)

мм

Местное напряжение σm, н/мм определяют по формуле (2.26)

МПа

Местная устойчивость сечения балки гарантируется.

2.12 Расчёт поясных швов


Поясные швы соединяют горизонтальные листы с вертикальными. Рабочими напряжениями в поясных швах являются касательные напряжения τ, МПа.



Принимают К=5 мм

Касательные напряжения в нижних поясных швах τн МПа, определяют по формуле:

 (2.30)

Где

Q0Σ - расчётная поперечная сила в опорном сечении балки, кН.н - статистический момент нижнего горизонтального пояса относительно горизонтального пояса в сечении балки.х - уточненное значение осевого момента инерции подобранного сечения, мм4


мм3

н/мм2

Принимают =16 н/мм2

Рисунок 2.8 К расчету поясных швов.

Касательные напряжения в верхних поясных швах, при этом учитывают приваренный к данному поясу рельс τв, МПа определяют по формуле:

 (2.31)

де SВ - статистический момент сечения верхнего горизонтального пояса совместно с приваренным к нему рельсом, относительно центра тяжести сечения балки, мм2.

мм

мм3

н/мм2

К касательным напряжениям найденным в верхних поясных швах необходимо добавить касательные напряжения вызванные перемещающейся сосредоточенной нагрузкой τF МПа, определяют по формуле

 (2.32)

где n - коэффициент зависящий от характера обработки кромки вертикального листа,

Принимают n = 1.3

н/мм2

Принимают =75н/мм2

Условные результирующие касательные напряжения в верхних поясных швах τрез МПа, определяют по формуле:

 (2.33)

н/мм2

Принимают τрез= 85 н/мм2

 н/мм2

Принимают = 123н/мм2


Вывод: касательные напряжения в верхних и нижних поясных швах меньше допускаемых. Прочность швов гарантирована.

3. Конструирование опорных узлов балки

Опорные части балки конструируют в форме выпуклых плит. На одной из них балка имеет продольную подвижность, на другой она закреплена от продольного смещения болтами или штырями.