Материал: Расчет и проектирование протяжки для круглого отверстия

Внимание! Если размещение файла нарушает Ваши авторские права, то обязательно сообщите нам

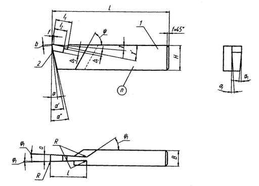
Рисунок 1.6 - Схема для определения длины протяжки от торца хвостовика до первого зуба

)        Выбираем конструктивные размеры хвостовой части протяжки по ГОСТ 4044-70. ; ; ; ;  ; ; ; ; ; ; .

Рисунок 1.6 - Основные размеры хвостовика

Длина переходного конуса равна 5…40 мм, принимаем . Диаметр передней направляющей принимаем равным диаметру предварительного отверстия заготовки с предельным отклонением по : ; длина передней направляющей до первого зуба . Длину шейки  принимаем конструктивно в зависимости от габаритов станка:

, (1.10)

,

принимаем .

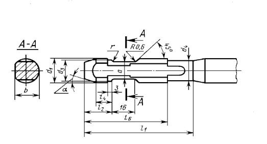
Диаметр задней направляющей протяжки должен быть равен диаметру протягиваемого отверстия с предельным отклонением по , прочие размеры задней направляющей даны в таблице 24 [4].

Рисунок 1.7 - Эскиз задней направляющей протяжки

Задний хвостовик протяжки делаем аналогично переднему с теми же размерами.

)        Определяем общую длину протяжки :

. (1.11)

Длина рабочей части:

, (1.12)

где  - количество черновых зубьев;

 - количество зачищающих зубьев.

.

Длина калибрующей части:

, (1.13)

.

Длина выглаживающих зубьев:

, (1.14)

.

Длина задней направляющей  принимается в зависимости от диаметра задней направляющей  (таблица 24 [4]). Этот диаметр равен диаметру протянутого отверстия:

,

выполненного с полем допуска , т.е. ; .

Длину заднего хвостовика принимаем .

Тогда

.

Принимаем .

.4     
Расчет силы резания и проверка протяжки на прочность

)        Определяем максимально допустимую силу резания :

, (1.15)

протяжка резание прочность конструктивный

где  - коэффициент, зависящий от свойств обрабатываемого материала и формы протяжки;

 - ширина срезаемого слоя, равная диаметру чернового режущего зуба, имеющего наибольший диаметр;

 - толщина срезаемого слоя (подъем на зуб );

 - показатель степени;

 - максимальное число зубьев, одновременно находящихся в работе;

 - поправочные коэффициенты соответственно на передний угол, на изнашивание инструмента и на СОЖ.

Для круглых протяжек, при работе ст. 30 . При переднем угле , ;  - для зубьев протяжки с острыми режущи кромками;  - при применении СОЖ; .

Тогда сила резания

.

Полученная сила  не должна превышать тяговую силу станка, приведенную в его паспортных данных. В данном случае тяговая сила станка равна 100000 Н, следовательно, обработка возможна.

)        Проверяем конструкцию протяжки на прочность.

Рассчитываем конструкцию на разрыв во впадине первого зуба по формуле:

, (1.16)

где площадь опасного сечения

;

напряжение в опасном сечении

.

Напряжение в опасном сечении  не должно превышать допустимого .

Приведем аналогичный расчет для сечения хвостовика ():

;

.

Полученное значение напряжения  также является допустимым. Оно не должно превышать допустимого .

)        Рассчитываем хвостовик на смятие:

, (1.17)

где  - опорная площадь замка

,

где  и  - размеры хвостовика.

.

Допустимое напряжение на смятие не должно превышать 600 МПа, что выполняется.

Для данных условий работы режущую часть протяжки изготавливают из стали Р9, а хвостовик - из стали 40Х.

.5      Выбор предельных отклонений на основные элементы протяжки и другие технические требования

)        Предельные отклонения на основные элементы протяжки и другие технические требования выбираем по ГОСТ 9126-76.

)        Центровые отверстия выполняем по ГОСТ 14034-74, форма В.

. Расчет и проектирование канавочного резца

.1 Исходные данные

Диаметр заготовки ;

Наименьший диаметр обработки резанием ;

Величина допуска на диаметр ;

Ширина нарезаемой канавки ;

Величина допуска на ширину канавки ;

Длина нарезания канавки от торца заготовки  мм;

Скругления в углах канавки  мм;

Марка обрабатываемого материала: сталь 30Х

Твердость материала: ;

Предел прочности материала: ;

Модель станка: станок токарный с ЧПУ 16К20Ф3;

Шероховатость ;

Глубина резания ;

Подача при черновом точении

Рисунок 2.1 - Эскиз обрабатываемой детали

.2 Разработка эскиза канавочного резца

Канавочный резец состоит из корпуса и рабочей части (рис. 2.2). Рабочая часть представляет собой пластину из твердого сплава, которая припаивается к корпусу резца. В качестве присоединительного элемента используют медные и латунные припои.

Рисунок 2.2 - Эскиз токарного канавочного резца

.3 Выбор марки материалов инструмента

Для режущей части выбираем титано-вольфрамовый твердый сплав Т15К6. В его состав входят карбиды титана и карбиды вольфрама в соединении с кобальтом. Химический состав твердого сплава Т15К6 приведен в таблице 1.

Таблица 1 - Химический состав твердого сплава Т15К6

Содержание элементов, %

TiC

WC

Co

15

79

6


Механические характеристики твердого сплава Т15К6:

твердость НRA 90;

предел прочности на изгиб .

Для корпуса выбираем конструкционную углеродистую сталь 40Х. Расшифровка марки стали 40Х: в стали содержится 0,40% углерода и менее 1,5% хрома. Химический состав стали 40Х приведен в таблице 2.

Таблица 2 - Химический состав стали марки 40Х

Содержание элементов, %

C

Si

Mn

Ni

S

P

Cr

Cu

Fe

0,36 - 0,44

0,17 - 0,37

0,5 - 0,8

до 0,3

до 0,035

до 0,035

0,8 - 1,1

до 0,3

около 97


Механические характеристики стали 40Х:

твердость НВ 217;

предел прочности ;

предел прочности на изгиб .

.4 Расчет конструктивных элементов канавочного резца

)        Расчет габаритных размеров корпуса

По ГОСТ 18884-73 выбираем исполнение 2. По таблице 2 в приложении определяем габаритные размеры корпуса в зависимости от наибольшего диаметра отрезки.

При наибольшем диаметре отрезки  габаритные размеры корпуса резца:

,

.

)        Выбор формы пластины

По ГОСТ 18884-73 по таблице 2 в приложении определяем обозначение пластины для выбранных габаритных размеров. Выбираем пластину 13612 ГОСТ 17163-90. Исполнение 2 пластины (рис. 2.3). В зависимости от ширины нарезаемой канавки принимаем габаритные размеры:

 мм,

 мм,

 мм.

Рисунок 2.3 - Эскиз пластины канавочного резца

Ориентировочная масса пластины № 13612 из твердого сплава Т15К6 .

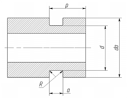
)        Выбор расположения пластины в корпусе

По ГОСТ 18884-73 по таблице 2 в приложении выбираем размеры гнезда под пластину (рис. 2.4). Для габаритных размеров корпуса :

,

.

По таблице 8.9 [3] для напаянных пластинок из твердого сплава принимаем криволинейную форму заточки передней поверхности резцов с отрицательной фаской типа V (рис. 2.5).

Рисунок 2.4 - Гнездо под пластину

Рисунок 2.5 - Эскиз расположения пластины в корпусе резца

)        Назначение геометрических параметров режущего клина

По таблицам 8.12, 8.13 и 8.14 [3] принимаем следующие значения углов:

главный передний угол: ;

главный задний угол: ;

вспомогательный задний угол: ;

угол наклона режущей кромки: ;

главный угол в плане: ;

вспомогательный угол в плане: ;

радиус скругления: .

)        Оформление передней поверхности пластины

Рисунок 2.6 - Эскиз точения канавки с сечением передней поверхности пластины