Материал: Расчет и проектирование электрической части тупиковой подстанции с заданными параметрами напряжения

Внимание! Если размещение файла нарушает Ваши авторские права, то обязательно сообщите нам

Расчет и проектирование электрической части тупиковой подстанции с заданными параметрами напряжения

Содержание

Задание на курсовой проект

Введение

1. Расчет мощности и выбор главных понизительных трансформаторов

1.1 Определение максимальных нагрузок (для каждой ступени напряжения)

1.2 Определение расчетной мощности подстанции

1.3 Выбор ТСН

1.4 Построение годового графика нагрузок подстанции

1.5 Расчет средней нагрузки и коэффициента заполнения графика

1.5.1 Продолжительность использования максимальной активной нагрузки

1.5.2 Наибольшее время работы в году с максимальной нагрузкой

1.6 Выбор силовых трансформаторов

1.7 Технико-экономический расчет трансформаторов (по приведенным затратам)

2. Выбор однолинейной схемы ПС

2.1 Схема РУ ВН

2.2 Схема РУ СН

2.3 Схема РУ НН

2.4 Схема собственных нужд на стороне низшего напряжения

3. Выбор линий электропередач

3.1 Определение типа, сечения и марки проводников

2.2 Выбор шин и линий 220 кВ. Гибкие шины

2.3 Выбор шин и линий 35 кВ

2.4 Выбор шин и линий 10 кВ

3. Расчёт токов КЗ

3.1 Составление расчётной схемы

3.2 Определение параметров схемы замещения

3.3 Расчёт токов КЗ

4. Выбор коммутационный аппаратуры, защитной аппаратуры и сборных шин

4.1 Выбор выключателей и разъединителей

4.2 Выбор предохранителей, трансформаторов тока и напряжения

4.3 Выбор ОПН

Заключение

Список использованной литературы

Задание на курсовой проект


Sкс МВА

Напряжение, кВ

Количество линий

Длина линий, км

Мощность МВт

cosφ

RГР, Ом·м

Тип РУВН подстанции

Тип двигателя, количество, мощность


UВН

UСН

UНН

ВН

СН

ННК

ННВ

LВН

LСН

LННК

LННВ

PСН

PНН

СН

НН




1325

220

35

10

2

8

16

12

2х115

21,2-42,2

0,99-1,42

8,2-13,5

36

30

0,81

0,82

220

Концевая

АН3-2-16-69 3х1,6 МВт


Введение


В наше время вся хозяйственная деятельность построена на использовании электрической энергии. Ни одно производство, ни одно предприятие не может функционировать, не будучи электрифицированным. Поэтому существует необходимость в строительстве новых электроустановок.

Комплекс взаимосвязанного оборудования и сооружений, предназначенный для производства ил и преобразования, передачи, распределения или потребления электрической энергии, называется электроустановкой.

Электроэнергия, вырабатываемая на электростанции, поступает на электрические подстанции, на которых происходит преобразование электроэнергии по напряжению, частоте или роду тока.

Электрические подстанции - это электроустановки, предназначенные для распределения электроэнергии (распределительные подстанции), преобразования электроэнергии одного напряжения в энергию другого напряжения с помощью трансформаторов (трансформаторные подстанции). По способу присоединения к сети подстанции делят на тупиковые, ответвительные, проходные и узловые.

Тупиковая подстанция - это подстанция, получающая электроэнергию от одной электроустановки по одной или нескольким параллельным линиям.

В данном курсовом проекте необходимо реализовать задачу расчета и проектирования электрической части тупиковой подстанции с напряжениями 220/35кВ.

1. Расчет мощности и выбор главных понизительных трансформаторов


1.1 Определение максимальных нагрузок (для каждой ступени напряжения)


Для стороны СН:


Для стороны НН:

,


Для компенсации реактивной мощности для стороны НН необходимо установка компенсирующих устройств. Для компенсации применим конденсаторные установки

  

Выбираем по справочнику конденсаторные установки (КУ):


Реактивная мощность с учётом компенсации:


Полная мощность с учётом компенсации:


Определим ,, (в %) для каждой ступени по графику. Результаты сведём в таблицу 1.1.

Таблица 1.1

мощность

интервал времени, ч


0-4

4-8

8-14

14-21

21-24

70

75

70

85

70

34

40

34

46

34

75

85

75

100

75


Рисунок 1 - Суточный график

Пересчитаем в именованные единицы 1 ступень для НН:


Для других ступеней расчёт производится аналогично. Полученные результаты сведём в таблицу 1.2.

Таблица 1.2 -  для стороны НН в именованных единицах

мощность

интервал времени, ч


0-4

4-8

8-14

14-21

21-24

21

22,5

21

25,5

21

4,4

5,2

4,4

6,02

4,4

24,55

27,82

24,55

32.73

24,55


Рисунок 1.1 - Суточный график для стороны НН

Пересчитаем в именованные единицы ступени стороны СН, результаты занесём в таблицу 1.3


Таблица 1.3 -  для стороны СН в именованных единицах

мощность

интервал времени, ч


0-4

4-8

8-14

14-21

21-24

25,2

27

25,2

30,6

25,2

8,86

10,4

8,86

11,99

8,86

33,33

37,8

33,33

33,33








Рисунок 1.2 - Суточный график для стороны СН

Пересчитаем в именованные единицы ступени стороны ВН, результаты занесём в таблицу 1.4

= = 81,04

Таблица 1.4 -  для стороны ВН в именованных единицах

мощность

интервал времени, ч


0-4

4-8

8-14

14-21

21-24

46,2

49,5

46,2

56,1

46,2

15,99

18,81

15,99

21,63

15,99

60,78

68,88

60,78

81,04

60,78








Рисунок 1.3 - Суточный график для стороны ВН

1.2 Определение расчетной мощности подстанции


При определении расчетной мощности ПС необходимо учесть мощность ТСН, которая составляет 0,5% от расчетной мощности. Также следует учесть коэффициент перспективы роста нагрузки на 10 лет.



1.3 Выбор ТСН


ТСН обычно присоединяется к шинам НН и применяется главным образом для освещения, подогрева масла в зимнее время, питанием оперативных цепей защиты и тд.


Исходя, из условий надежности выбираем 2 ТСН:

 =

Выбираем трансформатор ТМ-400/10/0,4. Параметры выбранного трансформатора представлены в таблице 1.5.

Таблица 1.5

Тип трансформатора         Мощность , кВА

Справочные данные


 



, кВ, обмоток,%, кВт, кВт, %







В

Н





ТМ-400/10

400

10

0,4

5,5

5,4

1,3

3


Проверим трансформатор по условию надёжности:

; 0,40,287 выполняется.

Коэффициент аварийной перегрузки:


1.4 Построение годового графика нагрузок подстанции


Годовой график строится на основе суточного и показывает длительность работы ПС в течение года с различными нагрузками.

Рассчитаем продолжительность ступеней:


Результаты сведем в таблицу 1.6.

Таблица 1.6 - Годовые нагрузки ПС

мощность

интервал времени, ч




0-2555

2555-4015

4015-8760

56,1

49,5

46,2

81,04

68,88

60,78


Рисунок 1.4 - Годовой график нагрузок

1.5 Расчет средней нагрузки и коэффициента заполнения графика


Площадь, ограниченная кривой годового графика активной нагрузки численно равна энергии, потребляемой ПС за год.


Коэффициент заполнения графика оценивает степень неравномерности работы ПС. Чем он ближе к 1, тем равномернее работает ПС. Рассчитаем этот коэффициент:


1.5.1 Продолжительность использования максимальной активной нагрузки



1.5.2 Наибольшее время работы в году с максимальной нагрузкой



1.6 Выбор силовых трансформаторов


Так как от ПС питаются потребители всех категорий и питание от системы имеется лишь со стороны ВН, то требуется установка не менее 2-х трансформаторов, т.к. помимо стороны НН и ВН имеется еще сторона СН, то трансформаторы выбираются 3-х фазные и 3-х обмоточные. Выбор осуществляется по максимальной мощности.

;

;

Рассмотрим вариант при

60,32

Выбираем: 2ТДТН-63000/230/38,5/11

Реальный коэффициент загрузки:


Рассмотрим вариант при

30,16

Выбираем: 3ТДТН-40000/230/38,5/11

Реальный коэффициент загрузки:


Параметры выбранных трансформаторов представлены в таблице 1.7.

Таблица 1.7 - Параметры трансформаторов

Тип трансформатора         Мощность , МВА

Справочные данные


 



, кВ, обмоток,%, кВт, кВт, %







ВН

СН

НН

В-С

В-Н

С-Н




ТДТН

63

230

38,5

11

12,5

24

10,5

320

74

1

ТДТН

40

230

38,5

11

11

22

9,5

220

54

0,55


1.7 Технико-экономический расчет трансформаторов (по приведенным затратам)


Для сравнения 2-х выбранных вариантов трансформаторов определим приведенные годовые затраты по формуле:

,

где  нормативный коэффициент экономической эффективности;

 норма амортизации отчислений;

 полные капитальные затраты с учётом стоимости оборудования

 затраты на ремонт, обслуживание и монтажные работы

 стоимость потерь электроэнергии в трансформаторе.


где  количество трансформаторов;

 дисконт;

 стоимость трансформатор по данным 1989 года;

тупиковая подстанция напряжение трансформатор

 коэффициент, учитывающий транспортно-заготовительные расходы связанные с приобретением оборудования;

 коэффициент, учитывающий затраты на строительство;

 коэффициент, учитывающий затраты на монтаж и отладку оборудования.


где Q=0,028 - коэффициент затрат для трансформатора.


где W - годовые потери энергии в трансформаторе;

 W=

где  - потери активной мощности в трансформаторе в режиме ХХ;

 потери активной мощности в трансформаторе в режиме КЗ.

Рассмотрим 1 вариант (2ТДТН-63000/230/38,5/11):

=17550 тыс. руб.;


Рассмотрим 2 вариант (3ТДТН-40000/230/38,5/11):

;

=


Так как затраты во втором варианте больше чем в 1 варианте, то выбираем вариант с 2 трансформаторами ТДТН-63000/230/38,5/11.

2. Выбор однолинейной схемы ПС


2.1 Схема РУ ВН


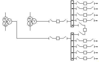
В нашем случае тип ПС тупиковая. Для РУ напряжения 220 кВ широко применяется схема "2 блока с выключателями и неавтоматической перемычкой со стороны линии" (Рисунок 2.1)

Применяется при наличии присоединений, не допускающих даже кратковременной потери напряжения при плановом выводе выключателей из работы, также позволяет производить ремонт первой системы шин, сохраняя в работе все присоединения.

Выбор схемы ВН можно обосновать наличием со стороны СН и НН потребителей первой и второй категории, а так же возможностью присоединения новых питающих и отходящих линий со стороны ВН, подключением новых нагрузок, без изменения схемы и без лишних капиталовложений.

Рисунок 2.1 - Схема РУ ВН

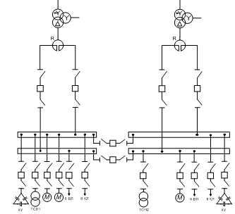
2.2 Схема РУ СН


При небольшом количестве присоединений (меньше 12) на напряжении 35 кВ применяют схему с одной системой шин, секционированной выключателем.

Выбор схемы СН можно обосновать небольшим количеством присоединений, дешевизной и простотой данной схемы, надежностью. А так же обеспечивается ограничение токов КЗ, так как трансформаторы работают на разные секции в нормальном режиме.

Рисунок 2.2 - Схема РУ СН

2.3 Схема РУ НН


Схема РУ НН зависит от числа присоединений (небольшое число, меньше 12) выбирается схема с одной системой шин секционированная выключателем. Если много присоединений, то берётся две системы шин (больше 12).

В нашем случае возьмём схему с двумя системами шин секционированные выключателями.

Выбор схемы НН можно обосновать большим количеством присоединений, благодаря секционированию и применению сдвоенных реакторов существенно ограничиваются токи КЗ. При повреждении на секции происходит ее селективное отключение, при этом обеспечивается минимальное количество отключенных потребителей, питание которой восстанавливается включением секционного выключателя с минимальной выдержкой времени.

Рисунок 2.3 - Схема РУ НН

2.4 Схема собственных нужд на стороне низшего напряжения


Мощность потребителей СН подстанции невелика, поэтому они питаются от сети 380 В, которая получает питание от понижающих трансформаторов.

Рисунок 2.4 - Схема собственных нужд

3. Выбор линий электропередач


3.1 Определение типа, сечения и марки проводников


Для данного варианта выберем конструкцию шин и ЛЭП.

РУ ВН 220 кВ выполняют обычно в виде ОРУ. Выберем вариант с гибкими шинами и ошиновкой проводом марки АС.

РУ СН 35 кВ также выполним в виде ОРУ с гибкими шинами проводом АС.

РУ НН обычно выполняется в виде ЗРУ. Применим жёсткие алюминиевые шины и ошиновку прямоугольного сечения.

Линии ВЛ 10 кВ - СИП-3;

КЛ 10 кВ - АВВБ (для ТСН и двигателей);

Схема СН: ВЛ 35 кВ - АС.

2.2 Выбор шин и линий 220 кВ. Гибкие шины


Связь проектируемой ПС с питающей системой осуществляется по двум ВЛ 220 кВ. Определим расчётный ток линий в нормальном режиме работы.

.

Определим наибольший ток ремонтного или послеаварийного режима:


Подойдёт провод АС 120/19: ; S= 120 мм2.

Однако, для устранения коронирующего эффекта, согласно ПУЭ  при U= 220 кВ должно составлять 240 мм2.

АС 240/39: ; S= 240 мм2, d= 21,6 мм.

Проверка по допустимому току: ;  - условие выполняется.

Проверка по условию короны:


где m = 0,82 - коэффициент учитывающий шероховатость поверхности провода;

;

 - условие выполняется.

2.3 Выбор шин и линий 35 кВ


Выбор шин:

Определим расчётный ток линий в нормальном режиме работы:

.

Определим наибольший ток ремонтного или послеаварийного режима:


Подойдёт провод АС 600/72: ; S= 600 мм2;

Проверка по допустимому току: ;  - условие выполняется.

Выбор линий 35 кВ:


Проверка по экономической плотности тока:


Подойдёт провод АС 95/16: ; S= 95 мм2.

Проверка по допустимому току::

 - условие выполняется.

2.4 Выбор шин и линий 10 кВ


Согласно ПУЭ, сечение жёстких шин по экономической плотности тока не проверяется. Определим расчётный ток на стороне НН с учётом распределения нагрузки на две системы шин.


Определим наибольший ток ремонтного или послеаварийного режима:


Примем алюминиевые шины прямоугольного сечения, с сечением полосы S= 800 мм2,.

Проверка по допустимому току:: ,  - условие выполняется.

Выбор жёсткой ошиновки 10 кВ:

Определим расчётный ток на стороне НН с учётом распределения нагрузки на четыре секции шин:


Проверка по допустимому току::


Примем алюминиевые шины прямоугольного сечения, с сечением полосы S= 250 мм2,.

 - условие выполняется.

Выбор кабельных линий 10 кВ:

Мощность на стороне НН с учётом того что она распределяется по двум системам шин равна:


Для определения расчётного тока каждой кабельной линии на стороне НН учтём мощность трёх синхронных двигателей установленных на ту же систему шин:

.


Проверка КЛ по экономической плотности тока:


По расчётному сечению соответствует кабель марки АПвВ с S= 50 мм2, . Проверим кабель по допустимому току:


 - условие выполняется.

Выбор ВЛ 10 кВ:

Для определения расчётного тока к каждой ВЛ на стороне НН учтём мощность одного синхронного двигателя установленного на ту же систему шин.


Проверка ВЛ по экономической плотности тока:


По расчётному сечению соответствует провод марки СИП - 3 с S= 50 мм2, .

Проверим провод по допустимому току:


 - условие выполняется.

Выбор КЛ для питания синхронных двигателей:

.


Проверка кабеля по экономической плотности тока:


По расчётному сечению соответствует кабель марки АПвВ с S= 70 мм2, .

Проверим кабель по допустимому току. Определим наибольший ток ремонтного или послеаварийного режимов при условии снижении U на 5%.

 - условие выполняется.

3. Расчёт токов КЗ


Расчёт токов КЗ производится для выбора и проверки уставок релейной защиты и автоматики, а также выбора и проверки параметров электрооборудования.

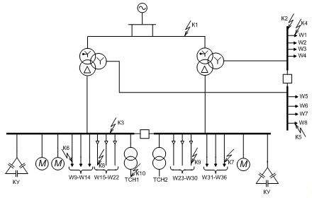
3.1 Составление расчётной схемы


Рисунок 4.1 - Расчётная схема

 

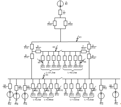
Составление схемы замещения:

 

Рисунок 4.2 - Схема замещения

Необходимо считать токи КЗ при разомкнутых секционных выключателях.

Выбор расчётных точек КЗ:

К1 - на шинах ВН;

К2 - на шинах СН;

К3 - на шинах НН;

К4 - на конце первой линии, подключённой к шинам СН;

К5 - на конце последней линии, подключённой к шинам СН;

К6 - на конце первой ВЛ, подключённой к шинам НН;

К7 - на конце последней ВЛ, подключённой к шинам НН;

К8 - на конце первой КЛ, подключённой к шинам НН;

К9 - на конце последней КЛ, подключённой к шинам НН;

К10 - на шинах собственных нужд.

3.2 Определение параметров схемы замещения


Расчёт производим в относительных единицах. За базисную мощность примем мощность КЗ питающей системы.


Определим базисные значения U для каждой ступени напряжения.

В целях упрощения расчётов для каждой ступени в расчётной схеме вместо её действительного U на шинах указывают среднее U.


Продление базисных значений токов для каждой ступени U.

 

Параметры системы:

 

Параметры ВЛ ВН:


где


где  соответствует проводу АС 240/39 [4].


 - т.к. длина у линий одинаковая. Параметры ВЛ СН:


 соответствует проводу АС 95/16 [4].

 

Параметры ВЛ НН:

 соответствует проводу СИП - 3 S=50 мм2 [4].

 

Параметры КЛ НН:

 


 соответствует проводу АПвВ S=50 мм2 [4].

Параметры силовых трансформаторов:

Данные трансформатора по напряжениям КЗ см. таблице 1.7.

 

Параметры КУ:

 


Т.к. на одной системе шин компенсация составляет 50%, то в формулу подставляем .

 

Параметры ТСН:

Исходные данные трансформатора см. в таблице 1.5.


Параметры СД:


Для синхронных двигателей ,  

3.3 Расчёт токов КЗ


Расчёт для минимального режима (секционные выключатели разомкнуты) точки КЗ К1.


7,25










Результаты расчётов токов КЗ в других точках приведены в таблице 4.1

Таблица 4.1 - Токи КЗ

Точка КЗ

, кА, кА


К1 К2 К3 К4 К5 К6 К7 К8 К9 К10

2,26 4,89 11,43 1,11 0,84 1,21 0,68 8,75 3,28 0,31

4,79 9,76 23,67 2,1 1,78 2,56 1,44 17,51 7,14 0,64


Проверка проводников на термическое действие тока КЗ.

Проверка шин 10 кВ:


где  - минимальное сечение по условию термической стойкости;

 - тепловой импульс тока КЗ;

 - функция, значение которой выбирается из справочника;- сечение проводника;

 

 - начальное значение периодической составляющей тока КЗ;

 - постоянная времени затухания апериодической составляющей тока КЗ;

 - время отключения тока КЗ.

 

 - условие выполняется.

Проверка КЛ 10 кВ:

Проверка для КЛ L = 0,99 км (точка К8)

 

 - условие выполняется.

Проверка для КЛ L = 1,42 км (точка К9)

 

 - условие выполняется.

Проверка ВЛ 10 кВ:

Проверка для ВЛ L = 8,2 км (точка К6)

 

 - условие выполняется.

Проверка для ВЛ L = 13,5 км (точка К7)

 

 - условие выполняется.

4. Выбор коммутационный аппаратуры, защитной аппаратуры и сборных шин


4.1 Выбор выключателей и разъединителей


В настоящее время рекомендовано устанавливать выключатели на напряжение 110 кВ и выше элегазовые, U=35 кВ - элегазовые или вакуумные, U=10 кВ - вакуумные.

Условия выбора выключателей и разъединителей:

. По напряжению установки:

.

. По длительному току:

.

. На симметричный ток отключения (только для выключателей).

. На электродинамическую стойкость:

;

где  - действительное значение периодической составляющей сквозного тока КЗ.

. На термическую стойкость:

 

где  - ток термической стойкости выключателя в кА,

 - тепловой импульс тока КЗ;

 

где

 - полное время отключения выключателя,

 - время действия основной релейной защиты,

.

Выбор аппаратуры на стороне ВН.

, (см. выбор шин ВН 220 кВ).

Выбираем элегазовый выключатель: ВГТ-1А1-220-40/3150 У1.

Проверка на термическую стойкость:

 

 - условие выполняется.

Выберем разъединитель: РДЗ-220/1000Н УХЛ1.

Проверка на термическую стойкость:

 - условие выполняется.

Результаты выбора оборудования приведены в таблице 5.1.

Таблица 5.1 - Выбор оборудования ВН

Условие выбора

Численное значение

Тип оборудования



выключатель

разъединитель



ВГТ-1А1-220-40/3150 У1.

РДЗ-220/1000Н УХЛ1.

    

    

    

   

 

Выбор аппаратуры на стороне СН.

Определим значение длительного тока на вводах СН.

 (см. выбор шин СН 35 кВ).

Выбираем элегазовый выключатель ВГТ-35-50/3150 У1.

Проверка на термическую стойкость:

 - условие выполняется.

Выберем разъединитель: РДЗ-35/1000Н УХЛ1.

Проверка на термическую стойкость:

 - условие выполняется.

Результаты выбора оборудования приведены в таблице 5.2

Таблица 5.2 - Выбор оборудования на вводах СН

Условие выбора

Численное значение

Тип оборудования



выключатель

разъединитель



ВГТ-35-50/3150 У1.

РДЗ-35/1000Н УХЛ1.

    

    

    

   


Можно выбрать такие же секционный выключатель и разъединитель как и на вводах СН.

Определим значение длительного тока линиях СН:

 (см. выбор ВЛ 35 кВ).

Выбираем такие же выключатели и разъединители как и на вводах СН.

Выбираем элегазовый выключатель ВГТ-35-50/3150 У1.

Проверка на термическую стойкость:

проверку выполняем по току КЗ выбирая наибольшему из точек К4 и К5.

 - условие выполняется.

Выберем разъединитель: РДЗ-35/1000Н УХЛ1.


  - условие выполняется.

Результаты выбора оборудования приведены в таблице 5.3

Таблица 5.3 - Выбор оборудования СН

Условие выбора

Численное значение

Тип оборудования



выключатель

разъединитель



ВГТ-35-50/3150 У1.

РДЗ-35/1000Н УХЛ1.

    

    

    

   


Выбор аппаратуры на стороне НН.

Выключатели на стороне НН выкатные, поэтому выбирать разъединитель не нужно.

Определим значение длительного тока на вводах НН.

 (см. выбор шин НН 10 кВ).

Найдём ток, который будет протекать через секционный выключатель:


делим на два т.к. каждая из двух систем шин делится на две секции.

Выберем вакуумный выключатель BB/TEL - 10 - 20/1600У2

Проверка на термическую стойкость:

 - условие выполняется.

Результаты выбора оборудования приведены в таблице 5.4

Таблица 5.4 - Выбор оборудования НН

Условие выбора

Численное значение

Тип оборудования



выключатель

разъединитель



BB/TEL - 10 - 20/1600У2

    

    

    

    


Выберем выключатели на линиях НН.

Определим длительный ток на линиях НН:

КЛ:

ВЛ:

КЛ для СД:

КЛ для ТСН: .

Выберем вакуумный выключатель BB/TEL - 10 - 12,5/630 У2.

Проверка на термическую стойкость:


КЛ:

 - условие выполняется.

ВЛ:

 - условие выполняется.

Результаты выбора оборудования приведены в таблице 5.5

Таблица 5.5 - Выбор выключателей для ВЛ и КЛ

Условие выбора

Численное значение

Тип оборудования



выключатель

разъединитель



BB/TEL - 10 - 12,5/630У2

    

    

    

    


4.2 Выбор предохранителей, трансформаторов тока и напряжения


Условия выбора:

. По напряжению установки

.

. По длительному току:

.

. На электродинамическую стойкость:

;

. На термическую стойкость:


Выбор аппаратуры на ВН:

Максимальный ток на ВН (см. п.3.1.):


На выключатели на вводе выбираем: ТВ - 220 - I - 1000/1 - У2 (может встраиваться в масленные или элегазовые выключатели).

Проверка на термическую стойкость:

 - условие выполняется.

Для силового трансформатора выбираем: ТВТ - 220 - I - 600/5 (используется для размещения на вводах внутри оболочек силовых трансформаторов).

На ремонтной перемычке выбираем: ТФНД - 220 - 1 - ХЛ

Таблица 5.6 - Выбор ТТ на ВН

Условие выбора

Численное значение

Тип оборудования



ТТ на выключатели

ТТ на трансформаторы

ТТ на ремонтную перемычку



ТВ - 220 - I - 1000/1 - У2

ТВТ - 220 - I - 600/5

ТФНД - 220 - 1 - ХЛ

   

   

   

   

   


Выбор аппаратуры на СН:

, (см. п.5.1.3).

На выключатели на вводе выбираем: ТВ - 35 - I - 1500/1 - У2.

Проверка на термическую стойкость:

 - условие выполняется.

Для силового трансформатора выбираем: ТВТ - 35 - I - 1000/5.

Для секционного выключателя выбираем: ТВ - 35 - II - 600/5.

Для линии выбираем: ТВ - 35 - II - 150/5.

Таблица 5.7 - Выбор ТТ на НН

Условие выбора

Численное значение

Тип оборудования



ТТ на выключатели на вводе

ТТ на трансформаторе

ТТ на секц. выключатель

ТТ на выключатели линии



ТВ - 35 - I - 1500/1 - У2.

ТВТ - 35 - I - 3000/5.

ТВ - 35 - II - 600/5.

ТВ - 35 - II - 150/5.

   

   

   

   

   

   


Выбор аппаратуры на НН:

, (см. п.5.1.4).

Для силового трансформатора выбираем: ТВТ - 10 - I - 5000/5.

Проверка на термическую стойкость:

 - условие выполняется.

Для секционных выключателей: ТЛ - 10 - 1 (предназначены для встраивания в КРУ).

Таблица 5.7 - Выбор ТТ на НН

Условие выбора

Численное значение

Тип оборудования



ТТ на трансформаторе

ТТ для выключателей

ТТ на КЛ



ТВТ - 10 - I - 5000/5.

ТЛ - 10 - 1

ТОЛ-10-100/5

    

   

   

   

Uном = 10 кВ Iном = 100 А i дин = 52 кА = 2000 кА2. с


Выбор ТТ на кабельные линии: ТОЛ-10-100/5. Используется для подачи напряжения в цепь релейной защиты при замыкании на землю какой-либо из жил трёхфазного кабеля.

Выбор ИТН.

Условия выбора: по напряжению установки

.

Измерительные трансформаторы напряжения выбираются по номинальному напряжению. Выбираем трансформаторы типа НАМИ. Так для стороны ВН выбираем трансформатор НАМИ - 220. Для СН - НАМИ - 35, для НН - НАМИ - 10. Для компенсаторных установок (КУ) выбираем трансформатор напряжения НОМ - 10.

Выбор предохранителей.

Условия выбора:

. По напряжению установки

.

. По длительному току:

.

. По току отключения:

.

Предохранители устанавливаются в цепях трансформаторов U присоединенных к шинам 10 - 35 кВ для ограничения токов КЗ.

Выберем предохранители:

ПКТ 101 - 35 - 20 - 8У3,ПКТ 101 - 10 - 20 - 8У3.

4.3 Выбор ОПН


Выбор ограничителей перенапряжения производим по номинальному напряжению сети.

Для ВН: ОПН - 220 УХЛ - 1;

для СН: ОПН - 35 УХЛ - 1;

для СН: ОПН - 10 УХЛ - 1.

.        Расчёт устройств заземления и молниезащиты

Расчёт устройства заземления.

Все металлические части электроустановок, нормально не находящиеся под напряжением, но могущие оказаться под напряжением из-за повреждения изоляции должны быть заземлены.

Заземлители:

.        Естественные - железобетонные фундаменты зданий, опор, отдельно стоящие молниеотводы и т.д.

2.      Искусственные:

a.       Вертикальные стержни: длина l=3-5 м, диаметр d=12-20 мм.

b.      Горизонтальные стальные полосы.