Министерство образования РБ
Учреждение образования «Гомельский государственный дорожно-строительный колледж имени Ленинского комсомола Белоруссии»
Специальность 2-42
Комиссия
преподавателей цикла «Электронные вычислительные средства»
Курсовой проект
по дисциплине: «Теоретические основы электротехники»
Тема:
«Расчет и анализ электрических цепей»
Исполнитель: учащийся группы ЭВС-22
Уласов Тахир Алимович
Руководитель проекта: преподаватель
Сухотская Ольга Дмитриевна
Гомель 2012
СОДЕРЖАНИЕ
ВВЕДЕНИЕ
. РАСЧЕТ И АНАЛИЗ ЭЛЕКТРИЧЕСКИХ ЦЕПЕЙ ПОСТОЯННОГО ТОКА
. РАСЧЕТ НЕЛИНЕЙНЫХ ЭЛЕКТРИЧЕСКИХ ЦЕПЕЙ ПОСТОЯННОГО ТОКА
. РЕШЕНИЕ ОДНОФАЗНЫХ ЛИНЕЙНЫХ ЦЕПЕЙ ПЕРЕМЕННОГО ТОКА
. РАСЧЕТ ТРЕХФАЗНЫХ ЛИНЕЙНЫХ ЦЕПЕЙ ПЕРЕМЕННОГО ТОКА
. ИССЛЕДОВАНИЕ ПЕРЕХОДНЫХ ПРОЦЕССОВ В ЭЛЕКТРИЧЕСКИХ ЦЕПЯХ
. ОХРАНА ТРУДА
. ОХРАНА ОКРУЖАЮЩЕЙ СРЕДЫ
. ЭНЕРГО - И МАТЕРИАЛО СБЕРЕЖЕНИЕ
ЗАКЛЮЧЕНИЕ
ЛИТЕРАТУРА
ВВЕДЕНИЕ
Тема данной курсовой работы: «Расчёт и анализ электрических цепей».
Курсовой проект, включает в себя 5 разделов:
)Расчёт электрических цепей постоянного тока.
)Расчёт не линейных цепей постоянного тока.
)Решение однофазных линейных электрических цепей переменного тока.
)Расчёт трёхфазных линейных электрических цепей переменного тока.
)Исследование переходных процессов в электрических цепях.
Каждое задание включает в себя построение диаграмм.
Задача курсового проекта изучить различные методы расчёта электрических цепей и на основании этих расчётов строить различного вида диаграмм.
В курсовом проекте используются следующие обозначения: R-активное сопротивление, Ом; L - индуктивность, Гн; C - ёмкость, Ф;XL, XC -реактивное сопротивление (ёмкостное и индуктивное), Ом; I - ток, А; U -напряжение, В; E - электродвижущая сила, В; ψu,ψi - углы сдвига напряжения и тока, град; P - активная мощность, Вт; Q - реактивная мощность, Вар; S - полная мощность, ВА; φ - потенциал, В; НЭ - нелинейный элемент.
1. РАСЧЕТ ЛИНЕЙНЫХ ЭЛЕКТРИЧЕСКИХ ЦЕПЕЙ
ПОСТОЯННОГО ТОКА
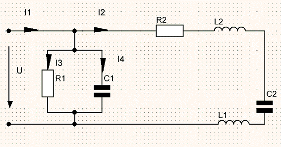
Для электрической цепи (рис.1) выполнить следующее:
) Составить на основе законов Кирхгофа систему уравнений для определения токов во всех ветвях схемы;
) Определить токи во всех ветвях схемы, используя метод контурных токов;
) Определить токи во всех ветвях схемы на основании метода узловых потенциалов;
) Составить баланс мощностей;
) Результаты расчётов токов по пунктам 2 и 3 представить в виде таблицы и сравнить;
) Построить потенциальную диаграмму для любого замкнутого контура, включающего в себя ЭДС.
Дано:
Е1=30 В; R4=42 Ом;
Е2=40 В; R5=25 Ом;
R1=16 Ом; R6=52 Ом;
R2=63 Ом; r01=3 Ом;
R3=34 Ом; r02=2 Ом;
R1’=R1+r01=16+3=19 Ом;
R2’=R2+r02=63+2=65 Ом.
Решение:
Выберем направление токов.
Выберем направление обхода контуров.
Составим систему уравнений по закону Кирхгофа:
I2=I4+I5=I3+I6=I4+I1=I1R1’+I5R5-I4R4=I2R2’+I5R5+I6R6=I4R4+I3R3+I2R2’
Рисунок 1. Схема электрической цепи постоянного
тока
Расчет электрических цепей методом контурных токов.
Расставим токи
Выберем направление контурных токов по ЭДС
Составим уравнения для контурных токов:
Ik1 ×(R1’+R4+R5)-Ik2×R4+Ik3![]()
R5’=E1×(R3+R+R2’)-Ik1×R4+Ik3×=E2×(R6+R2’+R5)+Ik1×R5+Ik2×R2’=E2
Подставим в уравнение численные
значения ЭДС и сопротивлений:
Ik1 ×86-Ik2×42-+Ik3×25=30
-Ik1 ×42+Ik2×141+Ik3×65=401 ×(25)+Ik2×65+Ik3×142=40
Решим систему матричным методом
(методом Крамера):
Δ= 
=8,834×105
Δ1= 
=5,273×105
Δ2= 
=4,255×105
Рассчитываем Ik :
Ik1=![]()
=0,591 А
Ik2=![]()
=0,482 A
Ik3=![]()
=-0,044 A
Выразим токи схемы через контурные:
I1 =Ik1=0,591 A
I2 =Ik2+Ik3=0,482+(-44)=0,438 A=Ik2=0,482A=-Ik1+Ik2=0,482-0,591=-0,109A=Ik1 + Ik3=0,591+(-0,044)=0,547A6 =Ik3=-44 A
Составим баланс мощностей для
заданной схемы:
Pис.=E1I1+E2I2=(30×91)+(40×38)=35,25 Вт
Рпр.=I12R1’+I22R2’+I32R3+I42R4+I52R5+I62R6=(91)2×16+(38)2×
63 + (82)2×
×34+(-09)2×42+(47)2×25+(44)×52=41,53 Втφ.
1 Расчет электрических цепей методом узловых потенциалов
Расставим токи
Расставим узлы
Составим уравнение для потенциалов:
φ4=0
φ1=(1⁄R3+1⁄R4+1⁄R1’)-φ2×(1⁄R3)-φ3-(1/R4)=E1⁄R1’
φ2×(1⁄R3+1⁄R6+1⁄R2’)-φ1×(1⁄R3)-φ3(1/R2’) =(-E2 ⁄R2’)
φ3×(1⁄R5+1⁄R4+1⁄R2’)-φ2×(1⁄R2’)-φ1×(1⁄R4)=E2⁄R2’
Подставим численные значения ЭДС и
сопротивлений:
φ4=0
φ1×0,104-φ2×0,029-φ3×0,023=1,57
φ1×0,029+φ2×0,063-φ3×0,015=(-0,61)
φ1×0,023-φ2×0,015+φ3×0,078=0,31
Решим систему матричным методом
(методом Крамера):
∆= 
=3,744×10-4
∆1= 
= (-7,803×10-3)
∆2= 
= (-0,457×10-3)
∆3= 
= 3,336×10-3
Рассчитываем φ :
φ1=![]()
=(-20,842)
φ2= ![]()
= (-21×103)
φ3= ![]()
= (-8,911)
φ4= 0
Находим токи :
I1= (φ4- φ1+E)1⁄R1’=0,482A
I2= (φ2-
φ3+E2)
⁄R2’=0,49A= (φ1- φ2)
⁄R3=(-0,64)A= (φ3-
φ1)
⁄R4=(-0,28)A= (φ3-
φ4)
⁄R5= 0,35A= (φ4- φ2) ⁄R6=(-0,023)A
Результаты расчёта токов двумя
методами представлены в виде свободной таблицы
Таблица 1 - Результаты вычислений токов двумя методами
|
Ток Метод |
I1 |
I2 |
I3 |
I4 |
I5 |
I6 |
|
МКТ |
0,591 |
0,438 |
0,48 |
-0,109 |
0,547 |
-0,044 |
|
МУП |
0,48 |
0,49 |
-0,64 |
-0,28 |
0,35 |
-0,025 |
Построим потенциальную диаграмму для любого
замкнутого контура включающий ЭДС.
Рисунок 3 - Контур электрической цепи
постоянного тока
Дано:
Е1=30 В; R4=42 Ом;
Е2=40 В; R5=25 Ом;
R1=16 Ом; R6=52 Ом;
R2=63 Ом; r01=3 Ом;
R3=34 Ом; r02=2 Ом;
R1’=R1+r01=16+3=19 Ом;
R2’=R2+r02=63+2=65 Ом.
Если ток совпадает по направлению с обходом
значит - , если совпадает с ЭДС значит +.
φ1= 0
φ2=φ1-I2R2’= 0 - 0,438 × 65 = - 28,47B
φ3=φ2+E2= - 28,47+40=11,53B
φ4=φ3-I4R4 = 11,58-(-4,57)=16,15B
φ4=φ4-I3R3
= 16,15-16,32=-0,17B
Строим потенциальную диаграмму, по оси абсцисс
откладываем сопротивление контура, а по оси ординат потенциалы точек с учётом
их знаков.
РАСЧЕТ НЕЛИНЕЙНЫХ ЭЛЕКТРИЧЕСКИХ ЦЕПЕЙ
ПОСТОЯННОГО ТОКА
Построить входную вольтамперную характеристику схемы нелинейной электрической цепи постоянного тока. Определить токи во всех ветвях схемы (рис.4) и напряжение на отдельных элементах используя полученные вольтамперные характеристики “а”, “в”.
Рисунок 3. Схема нелинейной электрической цепи.
Дано:
ВАХ НЭ1 R3 = 26 Ом
ВАХ НЭ2 U = 220В
НЭ1- а
НЭ2 - б
Строим характеристику линейного элемента:
![]()
, где
I - сила тока в данной цепи, А;
R -
сопротивление в данной цепи, Ом.
![]()
, где
U - напряжение в данной цепи, В;
I - сила ока в данной цепи, А.
Выберем значение кратное 50 :
U =![]()
= 4 A.
Так как нелинейный элемент 1(НЭ1) и нелинейный элемент 2(НЭ2) включены последовательно, то для нахождения общего тока нужно найти их суммарную величину. Для этого сложим графики нелинейных элементов вдоль оси напряжения - вправо.
Для нахождения токов на нелинейных элементах, найдём токи пересечения НЭ и R3
Для решения сложим вправо графики НЭ и R3
На оси напряжений ищем U=220В и Rэ
Ищем пересечения I c R
Ищем пересечения Ic c НЭ
Ищем пересечения напряжения U c НЭ1 и НЭ2
. РАСЧЕТ ОДНОФАЗНЫХ ЛИНЕЙНЫХ ЦЕПЕЙ
ПЕРЕМЕННОГО ТОКА
Рисунок 4. Схема однофазной линейной
электрической цепи переменного тока.
Дано:
Uм = 20В R1 = 15 Ом
Ψа = 90 град. C1 = 79,5 мкФ
R2 = 30 Ом C2=106мкФ
L2 = 127 млГн L1 = 15,9 мГн
Упростим схему.
Рисунок 5.Упрощенная схема однофазной линейной
электрической цепи переменного тока.
Расставим токи в цепи
Расчет реактивных сопротивлений элементов
электрической цепи
XL1=2πfL1=5
XL2=2πfL2=39=1/2πfL1=40,12=1/2πfL2=30
Определим полное сопротивление цепи:
Z1=R1+XL1=15,8e18,4i=Xc1=40e-90i=XL2=39e90i=R2+Xc2=42,4e-45i’=((Z3×Z4)/(Z3+Z4))+Z2=((39e90i×42,4e-45i)/(39e90i+42,4e-45i))+40e-90i=48,4e-17,3iэкв=(Z1×Z’)/(Z1+Z’)=15,8e18,4i×48,4e-17,3i/15,8e18,4i+48,4e-17,3i=12,3e9,8i
Определим общий ток:
Iобщ=U/Zэкв=20e-20i/12,3e9,8i=1,63e-29,8i
Определим токи
в
ветвях:
I1=U/Z1=20e-20i/15,8e18,4i=1,27e-38,4i=Iобщ-I1=1,63e-29,8i-1,27e-38i=0,4
I3=I2×Z4/Z3+Z4=0,4×42,4e-45i/39e90i+42,4e-45i=0,5e-2i4=I2-I3=0,4-0,5e-28,3i=0,25e113,5i
Составляем баланс активных и реактивных
мощностей: P=I2×R1+I22×R2=1,272×15+0,252×30=26,1
Вт
Q=I12×L1+(I32+XL2)-I42×Xc2-I22-Xc1=9,5Вар
S= UmeΨui×
I*=20e-20i×1,63e29,8i=32,6e9,8i=32,1+5,6iпр=P+Qi=26,1+9,5i
Определение действующих значений токов во всех ветвях электрической цепи
Iд=
Im/![]()
=1,27/![]()
=0,91Aд1=I1/![]()
=7/![]()
=0,91Aд2=I2/![]()
=0,4/![]()
=0,28Aд3=I3/![]()
=0,5/![]()
=0,36A
Iд4=I4/![]()
=0,25/![]()
=0,18A
Запишем мгновенные значения тока
источника
. РАСЧЕТ ТРЕХФАЗНЫХ ЛИНЕЙНЫХ ЦЕПЕЙ ПЕРЕМЕННОГО
ТОКА
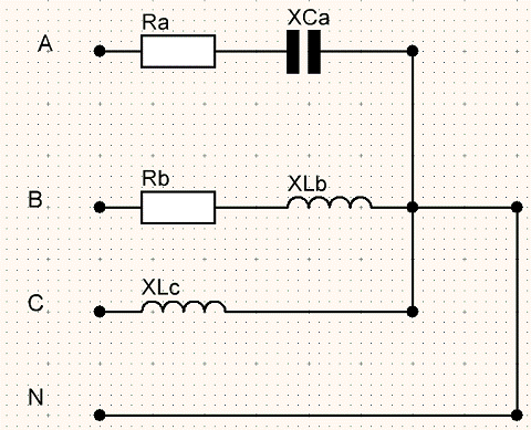
Рисунок 6. Трехфазная линейная электрическая цепь переменного тока
Дано:
Uл=380B ![]()
;
![]()
; ![]()
;![]()
XLC=500 OM XCA=480 OM
Расставим токи.
Определим фазные напряжения.
Uф=Uл=380
B=Uф=380
BВC=Uфе-120i
=380e-120i=Uфe120i=380e120i
Определим фазные
токи:
IAB=UAB/(RA+XCA)=380/(360+480e-90i)=380/600e-53,1i
=0,6353,1i=UBC/(XCB+XLB)=380e-120i/(650-90i+20090i)=380e-120i/450e-90i=4e-30i=UCA/XLC=380e120i/500e90i=0,76e30i
Определяем линейные
токи
:
IA=IAB-ICA=0,63e120i-0,76e30i=-0,28-0,12i=0,3e-156,8=IBC-IAB=0,84e-30i-0,63e53,1i=0,36-0,92i=1e-68,6i=ICA-IBC=0,76e30i-0,84e-30=-0,06+0,8i=0,8e94i
Определим ток
в
нейтрале
IN= IA+ IB +
IC==-0,28-0,12i+0,36-0,92i+(-0,06+0,8i)=0,02-0,4i
Баланс мощностей:
Активная мощность:
P=(IAB2×RAB)=0,632×360=142,88
Bт
Реактивная мощность:
Q=(-IA2×XCA)+IBC2×(XLB-XCB)+ICA2×XLC=-219,2
Вар
Полная мощность
= (UAB×
IAB*)+(UBC×IBC*)+(UCA×ICA*)=(380×0,63e-53,1i)+(380e-120i×0,84e30i)+(380e120i0,76e-30i)=239,4e-53,1+319,2e-90+288,8e90i=143,7-221,6i
Построение векторной диаграммы токов,
совмещенной с топографической векторной диаграммой напряжений
. ИССЛЕДОВАНИЕ ПЕРЕХОДНЫХ ПРОЦЕССОВ В
ЭЛЕКТРИЧЕСКИХ ЦЕПЯХ
Дано:
C=100 мкФ
R=2000 Oм U=300B
Рисунок 7. Схема цепи
Устанавливаем переключатели в положение 1.
Найдем ток в цепи
Быстрота заряда конденсатора зависит от параметров цепи и характеризуется постоянной времени заряда конденсатора.
На основании второго закона коммутации получены
законы, характеризующие напряжение и ток при заряде конденсатора:
Зарядный ток равен свободной составляющей, т.к. ток установившегося режима равен 0.
Вычислим значения напряжения на конденсаторе при
его заряде для значения времени t=0,τ,2
τ,3 τ3,4 τ,5 τ.