Определим несущую способность сечения с подобранной арматурой:
x=Rs*As/(Rb*b) = 365*308 /(13.05*200) = 43.073 ммu=Rb*b*x*(h0-0.5*x) =13,35*200* 43.073 *(370-0,5*43.073)=
=39.174*106 Н*мм >M02=36.535 *106Н*мм
Минимальная площадь арматуры АS= 308 мм дает μ=Аs/b*h = 308 /200*370=0.006> μmin=0,005
Прочность достаточна, арматура подобрана правильно.
3.4 Расчет прочности наклонных сечений
Проверке подлежат сечения балки у опор, где действуют наибольшие
поперечные силы от внешней нагрузки. Проверяем прочность балки по наклонной
полосе в сечении слева от первой промежуточной опоры, где действует наибольшая
поперечная сила Q=70.862 (кН).
Q<=0,3*φw1*φb1*Rb*b*h0,
φw1 принимаем равным 1 и φb1=1-0.01*Rb =01-0,01*13.05=0,8695
.862 < =0,3*1*0,8695*13.05*200*370
.862 (кН) < 251,90 (кН).
Прочность балки по наклонной полосе обеспечена при любой поперечной силе.
Для расчета прочности по наклонной трещине предварительно принимаем диаметр и шаг поперечных стержней в крайних четвертях пролёта по конструктивным требованиям:
По условиям сварки Øx>=1/4 Øпрод.
/4=5; принимаем Ø6 A-III. При 2-х каркасах Asw=57мм2 с Rsw=285 МПа.
Шаг поперечных стержней s1:
при hвб<=400мм s1<=hвб/2=200<=150 примем s1=150мм.
Интенсивность поперечного армирования
qsw=( Rsw* Аsw)/s1
qsw=(285*57)/150=108.3 (Н/см).
Тогда проекция наклонной трещины
с0=√φb2*Rbt*b*h02/q=√2*0,945*200*3702/108.3=691.247 мм
Для проекции наклонной трещины должны выполняться условия:
h0<c0<2h0
<691.247<740, для дальнейшего расчёта принимаем с0=691.247мм. Проекция наклонного сечения:
с=√φb2*Rbt*b*h02/q=√2*0,945*200*3702/14,763=1164.89 мм
Для проекции наклонного сечения должны выполняться условия:
с0<c<2.85h0
.247<1164.89<1232.1 верхнее значение не соблюдено, поэтому для дальнейшего расчёта принимаем с=3,33*370=1232,1мм
Тогда поперечное усилие воспринимаемое бетоном:
Qb =2*0,8695*200*3702/1232,1=44.423 *103 H<Q=70.862 *103 H
Qsw=qsw*cо=108.3*691.247=74.862*103 Н
Qu=Qb+Qsw=44.423*103+74.862*103=119.285*103Н>70.862 *103Н.
Балку армируют в пролетах сварными каркасами, которые состоят из рабочих
продольных стержней, определенных расчетом нормальных сечений на действие
положительных моментов, и поперечных, полученных расчетом наклонных сечений.
Верхние продольные стержни обычно назначают конструктивно диаметром 8...10 мм
для приварки поперечных. Однако при p/g≥2 их диаметр, возможно, придется
уточнить при построении эпюры материалов. Пролетные каркасы устанавливают
вертикально, при ширине балки bвт.б≥150 мм в сечении размещают
не менее двух каркасов. При расположении рабочих стержней в два ряда, верхний
может быть оборван в пролете для экономии стали. Каркасы доводят до граней
главных балок и соединяют с каркасами следующего пролета стыковыми стержнями
диаметром не менее половины рабочих стержней и не менее 10 мм. Стыковые стержни
заводят в пролеты за грани главных балок на расстояние не менее 15 диаметров
рабочей арматуры. Шаг s1,
полученный из расчета прочности наклонных сечений, принимают на концевых
участках балок длиной 1/4 пролета. На средней половине пролета, где поперечные
силы малы, арматуру можно поставить реже шагом s2, но не более 3/4 hвт.б и не более
500 мм. При этом для удобства сварки рекомендуется принимать s2, кратным s1. На промежуточных опорах
второстепенные балки лучше армировать сварными каркасами, расположенными
горизонтально в пределах ширины балки. При числе рабочих продольных стержней
более двух они могут иметь разную длину. Места обрывов пролетных рабочих
стержней, а также длину опорных каркасов определяют построением эпюры
материалов, которая представляет собой совмещение объемлющей эпюры изгибающих
моментов и моментов, соответствующих несущей способности нормальных сечений
балки с принятым армированием.
3.5 Построения эпюры материалов для второстепенной балки
Для построения эпюры материалов используем определенные ранее эпюру
огибающих моментов и значения Мu с принятым армированием пролетных и опорных
сечений, Точка пересечения линий, соответствующих уровню несущей способности, с
огибающей эпюрой называются точками теоретического обрыва, фактически стержни
обрываются с учетом их заделки в бетоне на величину, Формулы для расчета:
,
,
где Qi - поперечная сила в месте теоретического обрыва,- интенсивность поперечного армирования на этом участке балки,- диаметр обрываемого стержня,
Расчет моментов Мu
Первая от края опора:
- при 3 Ø 14 AIII As = 462 мм2
x=Rs*As/(Rb*b)=365*462 /(13.05*200)= 64.609 ммu=Rb*b*x*(h0-0,5*x)=13.05*200*64.609*(370-0,5*64.609)=
=56.946*106 Н*мм
при 2 Ø 14 AIII As = 308 мм2
x=Rs*As/(Rb*b) =365*308 /(13,05*200) = 43,07 ммu=Rb*b*x*(h0-0,5*x) =13,05*200*43,07 *(370-0,5*43,07) =
=39,17*106 Н*ммmax ={20*14 мм =280 мм; 50.596 кН/(2·0,1083кН/мм)+5·14 мм =303.591 мм}=310 ммmax ={20·14 мм =280 мм; 62.784 кН/(2·0,1083кН/мм)+5·14 мм =359.862 мм}=360 ммmax ={20·14 мм =280 мм; 46.364 кН/(2·0,1083кН/мм)+5·14 мм =284.054мм}=290 ммmax ={20·14 мм =280 мм; 34.443 кН/(2·0,1083кН/мм)+5·14 мм =229.019 мм}
w4 =280 мм
Средняя опора:
- при 2 Ø 14 AIII As = 308 мм2
x=Rs*As/(Rb*b) =365*308 /(13,05*200) = 43,07 ммu=Rb*b*x*(h0-0,5*x) =13,05*200*43,07 *(370-0,5*43,07) =
=39,17*106 Н*ммmax ={20*14 мм =280 мм; 37.997 кН/(2·0,1083кН/мм)+5·14 мм = 245.423 мм}
w5 =280 мм
- для 2-х конструктивных стержней Ø 8 As =101 мм2
x = Rs As /(Rb b ) = 365*101 / (13,05·200 ) = 14,12 мм,u=Rb*b*x*(h0-0,5*x)=
200*13,05*14,12 ( 370 - 0,5*14,12) = 13,38 кН м
Рис.11
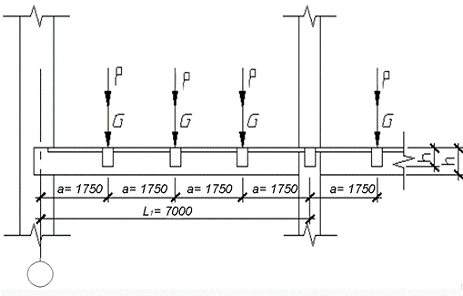
4.Расчет и конструирование главной балки
.1 Назначение расчетной схемы. Статический расчет
Расчетной схемой главной балки монолитного ребристого перекрытия
рассматриваем многопролетную неразрезную балку, загруженную сосредоточенными
силами в местах опирания второстепенных балок.
Рис.12
Исходные данные принимаем в соответствии с ранее рассмотренными:
L1= 7, a=1750 мм, bгб=300мм, hгб=600мм, l01 = 7000-250+380/2= 6940 мм, l02= 6600 мм.
Rb=13.05 МПа (при γb2=0,9) , Rbt=0,945 МПа, Rs=365 МПа(A - III).
Нагрузки и воздействия.
Распределённая погонная нагрузка от собственного веса ребра гл. балки gб, выступающего под плитой:
gб=(hгб - hпл.)*bгб*1*25*γf =(0,6-0,06)*0,3*1*25*1,1= 4.455 кН/м
Тогда расчетные значения силы, передаваемые второстепенными балками с грузовой площади а*l2 =1.75* 5.4= 9.45 м2:
постоянная
G= ((gб*a+g вт.б.)*l2+gг.б.*а)*γn =((2.85*1.75+ 1.87)* 6.7+ 4.455*1.75)*0,95= 42.585 кН
- временная
P=p*a*l2*γn = 9.6*1.75* 5.4*0,95= 86.184 кН
полная
G+P = 42.585 + 86.184 = 128.769 кН
При проектировании главной балки необходимо иметь объемлющую эпюру изгибающих моментов, для построения которой требуется рассмотреть эпюры изгибающих моментов для всех возможных случаев загружения и, совместив их, очертить наружные контуры эпюр. Построение изгибающих эпюр существенно ускоряется при использовании таблиц Улицкого.
Определяем максимальные пролетные и минимальные опорные изгибающие моменты:
в крайнем пролете
М1 =0,345* 128.769 * 6.94= 308.313 кН*м
на промежуточных опорах
M01 =-0,278* 128.769 * 6.6=- 236.266 кН*м
в средних пролетах
M2 =0,222* 128.769 *6.6= 188.673 кН*м
Qб=G+P=128.769 кН
Тогда реакция крайней промежуточной опоры(на стене):
QA=Qб+(Mопi+1 - Mопi)/l01 =128.769 +( - 236.266- 0)/ 6.94= 94.725 кН
Реакция первой промежуточной опоры (колонны) слева:
QБлев=Qб - (Mопi+1 - Mопi)/l01=128.769 - ( - 236.266- 0)/ 6.94=162.814 кН
Реакция первой промежуточной опоры (колонны) справа:
QБпр=162.814 кН при полном загружении
Определяем моменты, действующие в сечениях балки по грани колонны:
Мтр=М01 - Q*hк/2, где hк - высота сечения колонны.
В первом пролете
Мтр1 =236.266- 162.814*0,4/2=203.703 кН*м
Во втором пролете
Мтр2 =236.266- 42.585 *0,4/2= 227.749 кН*м
По большему моменту проверяем достаточность принятых ранее размеров сечения главной балки. На опорах балка работает с прямоугольным сечением.
Подбираем арматуру на опоре (прямоугольное сечение).

Вычислим коэффициент
α м =(Мтр2)/(Rb* b * h²0) = 227.749 *106/(13.05*300*5502)= 0.192
Относительная высота сжатой зоны
ξ=x/h0=1-√1-2*α м =1-√1-2* 0.192= 0.216<ξR=0,623
x= ξ*h0 = 0.216*550= 118.545 мм
Определяем требуемую площадь сечения растянутой арматуры:
Аs= (Rb*b*x)/Rs
Аs = (13.05*300* 118.545)/365= 1271.521 (мм²).
Принимаем над промежуточными опорами 2 Ø 22 A - III As=982 мм2 и 2 Ø 20 A - III As=760 мм2 . As= 760+ 628= 1388 мм2.
Тогда при минимальных защитных слоях и расстояниях между рядами a =20+22+20/2= 52 мм, h0=h - a=600 - 52 = 548мм.
Определим несущую способность сечения с подобранной арматурой:
x=Rs*As/(Rb*b) =365* 1388/13.05*300= 129.405 ммu=Rb*b*x*(h0-0,5*x) =13,05*300* 129.405*( 548 -0,5* 129.405)=
= 244.848*106 Н*мм >M1= 227.749 *106Н*мм
Прочность достаточна, арматура подобрана правильно.
Подбираем арматуру в первом пролете (тавровое сечение).
Рис.14
При положительных моментах балка работает тавровым сечением. Свесы полки, вводимые в расчёт в каждую сторону от ребра, не должны превышать 1/6 пролёта главной балки. Тогда расчетная ширина полки bf’<=l0/3+bгб = 6600/3+300= 2500=> bf’= 2500 мм. Предполагая двурядное расположение арматуры по высоте, принимаем h0= 550 мм.
Определим граничный момент при х=hf’
Mтр.=Rb*b’f*hf’*(h0-0,5*hf’) =13.05* 2500* 60 *(550-0,5* 60)=
= 1017.9*106 Н*м>M1= 308.313 *106 Н*м
Сжатая зона не выходит за пределы полки. Подбираем арматуру в первом пролёте.
Вычислим коэффициент
α м =М1/(Rb* bf’ * h²0)
α м = 308.313 *106/(13.05* 2500*5502)= 0.031
Относительная высота сжатой зоны
ξ=x/h0=1-√1-2*α м =1-√1-2* 0.031= 0.032<ξR=0,623
x= ξ*h0 = 0.032*550 = 17.459 мм<60мм
Определяем требуемую площадь сечения растянутой арматуры:
Аs= (Rb* bf’*x)/Rs
Аs = (13.05* 2500* 17.459)/365= 1560.573 (мм²).
Принимаем для первого пролета 2 Ø 25 A - III с площадью As=982 мм2 и 2 Ø 22 A - III с площадью As=760 мм2. As= 982 + 760 = 1742 мм2.
Тогда при минимальных защитных слоях и расстояниях между рядами a =20+22+25/2=54.5 мм, h0=h - a=600 - 54.5 = 545.5 мм.
Определим несущую способность сечения с подобранной арматурой:
x=Rs*As/(Rb*b’f) =365*1742/13.05*2500=19.489 мм<hпл=60мм
Mu=Rb*b’f*x*(h0-0,5*x) =13.05*2500*19.489 *(545.5 -0,5*19.489) =
=340.649*106 Н*мм >M1=308.313 *106Н*мм
Прочность достаточна, арматура подобрана правильно.
Подбираем арматуру во втором пролёте.
Рис.15
Принимая по аналогии с первым пролётом h0=550 мм,
Вычислим коэффициент
α м =М2/(Rb* bf’ * h²0)
α м =188.673 *106/(13.05* 2500*550 ²)= 0.0191
Относительная высота сжатой зоны
ξ=x/h0=1-√1-2*α м =1-√1-2*0.0191=0.019<ξR=0,623
x= ξ*h0 =0.019*550=10.617 мм
Определяем требуемую площадь сечения растянутой арматуры:
Аs= (Rb* bf’*x)/Rs
Аs = (13.05* 2500*10.617)/365=949 (мм²).
Принимаем для второго пролета 4 Ø 18 A - III с площадью As= 1018 мм2
Тогда при минимальных защитных слоях и расстояниях между рядами a =20+18+18/2=47 мм, h0=h - a=600 - 47= 553 мм.
Определим несущую способность сечения с подобранной арматурой:
x=Rs*As/(Rb*b’f) =365*1256 /13.05* 2500=11.389 мм<hпл=60мм
Mu=Rb*b’f*x*(h0-0,5*x) =13.05* 2500*11.389*(553-0,5*11.389)=
=203.362*106 Н*мм >M2=188.673 *106Н*мм
Прочность достаточна, арматура подобрана правильно.
4.2 Расчет прочности наклонных сечений
Расчет по прочности наклонных сечений главной балки выполняем у опор, где действуют наибольшие поперечные силы. При этом учитываем, что в опорных сечениях полка расположена в растянутой зоне бетона (рис. 7) и поэтому сечения рассматриваем как прямоугольные, принимая коэффициент φf = 0.
Проверяем прочность балки по наклонной полосе на сжатие слева от первой
промежуточной опоры, где действует наибольшая поперечная сила Q=162.814*103
Н, по условию
,
где
−
коэффициент, зависящий от степени насыщения ребра балки поперечной арматурой и
слабо влияющий на результат поверки, можно принять равным 1. Тогда
,3*4*0,8695*13,05*300*550=561.675*103Н > Q=162.814*103 Н
Прочность балки по наклонной полосе обеспечена при любой поперечной арматуре. Для расчета прочности по наклонной трещине предварительно принимаем диаметр и шаг поперечных стержней в крайних четвертях пролета по конструктивным требованиям: по условиям сварки диаметр хомутов принимается Øх≥ 1/4Øпрод.
/4=6.25 принимаем Ø 8 A - III. При двух каркасах Аsw =101 мм2 с Rsw = 285 МПа (СНиП 2.03.01-84*).
Принимаем
Интенсивность
поперечного армирования:
Несущая
способность по поперечной силе в опасном наклонном сечении, воспринимаемая
хомутами и бетоном:
где φb2=2 (для тяжелого бетона) − эмпирический коэффициент, принимаемый в зависимости от вида бетона;
φf −
коэффициент, учитывающий влияние свесов
Несущая
способность по поперечной силе в опасном наклонном сечении, воспринимаемая
хомутами и бетоном должна превышать расчетную наибольшую поперечную силу, т. е.
:
.814∙103 Н < 183.639∙103 Н
Прочность балки по наклонной трещине обеспечена.
Сосредоточенная
сила от второстепенных балок (G+P) передается на главную в пределах высоты их
сечения (рис. 12), поэтому необходимо выполнить расчет на отрыв (скол) бетона.
В местах опирания второстепенных балок ставится дополнительная поперечная
арматура в виде хомутов или сварных сеток, вертикальные стержни которых
работают как подвески.
Рисунок
16. Передача нагрузки с второстепенной балки на главную
Длина
зоны, в пределах которой учитывается эта арматура, определяется по формуле:
Здесь
условно принято, что сила (G+P) передается второстепенными балками на главную
через сжатую зону х=bВБ. При двух сетках, устанавливаемых у боковых
граней главных балок, каждая из них на длине S должна иметь площадь подвесок:
Устанавливаем
у боковых граней главных балок сетки с вертикальными подвесками 7 Ø 6 А- III с шагом 150 мм с суммарной площадью As=198
мм2 в каждой.
4.3 Конструирование главной балки
Главные балки в пролетах армируют сварными каркасами аналогично второстепенным, но число каркасов может быть больше двух. Плоские каркасы поперечными горизонтальными стержнями объединяют в пространственные. Два плоских каркаса доводят до опор, а третий (средний) обрывают по эпюре материалов. При двух каркасах с двумя рядами стержней обрывают стержни второго ряда. В любом случае до опоры нужно доводить не менее 50% от площади арматуры в пролете. Опорные зоны армируются вертикальными каркасами, которые пропускаются между арматурой колонны, длина этих каркасов также определяется по эпюре материалов.