Материал: Расчет электроснабжения цеха

Внимание! Если размещение файла нарушает Ваши авторские права, то обязательно сообщите нам

соблюдение соответствующих расстояний до токоведущих частей или путем закрытия, ограждения токоведущих частей;

применение блокировки аппаратов и ограждающих устройств для предотвращения ошибочных операций и доступа к токоведущим частям;

применение предупреждающей сигнализации, надписей и плакатов;

использование средств защиты и приспособлений, в том числе для защиты от воздействия электрического и магнитного полей в электроустановках, в которых их напряженность превышает допустимые нормы.

Электроустановки в отношении мер электробезопасности разделяются на:

электроустановки напряжением выше 1 кВ в сетях с глухозаземленной или эффективно заземленной нейтралью (см. 1.2.16);

электроустановки напряжением выше 1 кВ в сетях с изолированной или заземленной через дугогасящий реактор или резистор нейтралью;

электроустановки напряжением до 1 кВ в сетях с глухозаземленной нейтралью;

электроустановки напряжением до 1 кВ в сетях с изолированной нейтралью.

В отношении опасности поражения людей электрическим током различаются:

помещения без повышенной опасности, в которых отсутствуют условия, создающие повышенную или особую опасность (см. пп. 2 и 3);

помещения с повышенной опасностью, характеризующиеся наличием в них одного из следующих условий, создающих повышенную опасность:

сырость или токопроводящая пыль (см. 1.1.8 и 1.1.11);

токопроводящие полы (металлические, земляные, железобетонные, кирпичные и т.п.); высокая температура (см. 1.1.10); возможность

одновременного прикосновения человека к металлоконструкциям зданий, имеющим соединение с землей, технологическим аппаратам, механизмам и т.п., с одной стороны, и к металлическим корпусам электрооборудования (открытым проводящим частям), с другой;

особо опасные помещения, характеризующиеся наличием одного из следующих условий, создающих особую опасность:

особая сырость (см. 1.1.9); химически активная или органическая среда (см. 1.1.12); одновременно два или более условий повышенной опасности (см. 1.1.13, п. 2);

территория открытых электроустановок в отношении опасности поражения людей электрическим током приравнивается к особо опасным помещениям.

Для защиты от поражения электрическим током в случае повреждения изоляции должны быть применены по отдельности или в сочетании следующие меры защиты при косвенном прикосновении:

защитное заземление;

автоматическое отключение питания;

уравнивание потенциалов;

выравнивание потенциалов;

двойная или усиленная изоляция;

сверхнизкое (малое) напряжение;

защитное электрическое разделение цепей;

изолирующие (непроводящие) помещения, зоны, площадки

Для электроустановок напряжением до 1 кВ приняты следующие обозначения:

система TN - система, в которой нейтраль источника питания глухо заземлена, а открытые проводящие части электроустановки присоединены к глухозаземленной нейтрали источника посредствомнулевых защитных проводников;

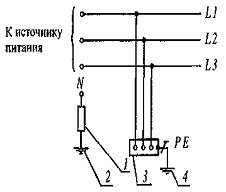
Cистема TN-С - система TN, в которой нулевой защитный и нулевой рабочий проводники совмещены в одном проводнике на всем ее протяжении (рис. 1);

Рис. 1. Система TN-C переменного тока. Нулевой защитный и нулевой рабочий проводники совмещены в одном проводнике:

- заземлитель нейтрали (средней точки) источника питания;

- открытые проводящие части;

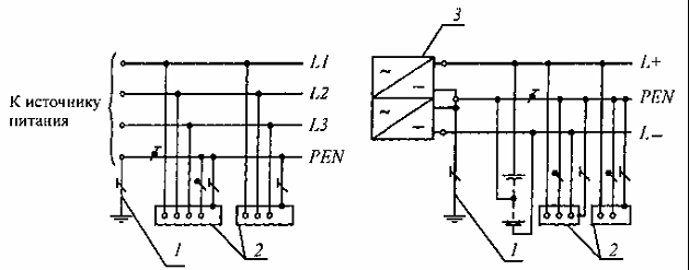
Cистема TN-S - система TN, в которой нулевой защитный и нулевой рабочий проводники разделены на всем ее протяжении (рис. 2);

Рис. 2. Система TN-S переменного тока Нулевой защитный и нулевой рабочий проводники разделены на всём её протяжении.

заземлитель нейтрали источника переменного тока;

- открытые проводящие части;

Система TN-C-S - система TN, в которой функции нулевого защитного и нулевого рабочего проводников совмещены в одном проводнике в какой-то ее части, начиная от источника питания (рис. 3);

Рис. 3. Система TN-C-S переменного тока. Нулевой защитный и нулевой рабочий проводники совмещены в одном проводнике в части системы:

- заземлитель нейтрали источника переменного тока;

- открытые проводящие части;

Система IT - система, в которой нейтраль источника питания изолирована от земли или заземлена через приборы или устройства, имеющие большое сопротивление, а открытые проводящие части электроустановки заземлены (рис. 4);

Рис. 4. Система IT переменного тока. Открытые проводящие части электроустановки заземлены. Нейтраль источника питания изолирована от земли или заземлена через большое сопротивление:

- сопротивление заземления нейтрали источника питания (если имеется); 2 - заземлитель; 3 - открытые проводящие части; 4 - заземляющее устройство электроустановки;

- Система ТТ - система, в которой нейтраль источника питания глухо заземлена, а открытые проводящие части электроустановки заземлены при помощи заземляющего устройства, электрически независимого от глухозаземленной нейтрали источника (рис. 5).

Рис. 5. Система ТТ переменного тока. Открытые проводящие части электоро установки заземлены при помощи заземления, электрически независимого от заземлителя нейтрали: 1 - заземлитель нейтрали источника переменного тока, 2- открытые проводящие части, 3 - заземлитель открытых проводящих частей.

Первая буква - состояние нейтрали источника питания относительно земли: Т - заземленная нейтраль; I - изолированная нейтраль

Вторая буква - состояние открытых проводящих частей относительно земли: Т - открытые проводящие части заземлены, независимо от отношения к земле нейтрали источника питания или какой-либо точки питающей сети;- открытые проводящие части присоединены к глухозаземленной нейтрали источника питания.

Последующие (после N ) буквы - совмещение в одном проводнике или разделение функций нулевого рабочего и нулевого защитного проводников:- нулевой рабочий (N ) и нулевой защитный (РЕ ) проводники разделены;

С - функции нулевого защитного и нулевого рабочего проводников совмещены в одном проводнике (PEN проводник);- нулевой рабочий (нейтральный) проводник;

РЕ - защитный проводник (заземляющий проводник, нулевой защитный проводник, защитный проводник системы уравнивания потенциалов);- совмещенный нулевой защитный и нулевой рабочий проводники.

В соответствии с Межотраслевыми Правилами по охране труда (правила безопасности) при эксплуатации электроустановок:

Организационными мероприятиями, обеспечивающими безопасность работ в электроустановках, являются:

оформление работ нарядом, распоряжением или перечнем работ, выполняемых в порядке текущей эксплуатации;

допуск к работе;

надзор во время работы;

оформление перерыва в работе, перевода на другое место, окончания работы.

Ответственными за безопасное ведение работ являются:

выдающий наряд, отдающий распоряжение, утверждающий перечень работ, выполняемых в порядке текущей эксплуатации;

ответственный руководитель работ;

допускающий;

производитель работ;

наблюдающий;

члены бригады.

Технические мероприятия, обеспечивающие безопасность работ со снятием напряжения

При подготовке рабочего места со снятием напряжения должны быть в указанном порядке выполнены следующие технические мероприятия:

произведены необходимые отключения и приняты меры, препятствующие подаче напряжения на место работы вследствие ошибочного или самопроизвольного включения коммутационных аппаратов;

на приводах ручного и на ключах дистанционного управления коммутационных аппаратов должны быть вывешены запрещающие плакаты;

проверено отсутствие напряжения на токоведущих частях, которые должны быть заземлены для защиты людей от поражения электрическим током;

установлено заземление (включены заземляющие ножи, а там, где они отсутствуют, установлены переносные заземления);

вывешены указательные плакаты «Заземлено», ограждены при необходимости рабочие места и оставшиеся под напряжением токоведущие части, вывешены предупреждающие и предписывающие плакаты.

В соответствии с Правилами технической эксплуатации электроустановок потребителей

Эксплуатацию электроустановок должен осуществлять подготовленный электротехнический персонал.

Электротехнический персонал предприятий подразделяется на:

административно-технический;

оперативный;

ремонтный;

оперативно-ремонтный.

В соответствии с Межотраслевой инструкцией по оказанию первой помощи при несчастных случаях на производстве:

Правила освобождения от действия электрического тока: при напряжении выше 1000 В следует:

надеть диэлектрические перчатки, резиновые боты или галоши;

взять изолирующую штангу или изолирующие клещи;

замкнуть провода ВЛ 6 - 20 кВ накоротко методом наброса согласно специальной инструкции;

сбросить изолирующей штангой провод с пострадавшего;

оттащить пострадавшего за одежду не менее чем на 8 метров от места касания проводов земли или от или от оборудования, находящегося под напряжением.

Нельзя! Приступать к оказанию помощи, не освободив пострадавшего от действия электрического тока.

Главная задача - как можно быстрее спустить пострадавшего с высоты, чтобы приступить к оказанию помощи в более удобных и безопасных условиях (на земле, на площадке).

Нельзя! Тратить время на оказания помощи на высоте.

Правила перемещения в зоне «шагового» напряжения:

В радиусе 8 метров от места касания земли электрическим проводом можно попасть под «шаговое» напряжение.

Передвигаться в зоне шагового напряжения следует в диэлектрических ботах или галошах, либо «гусиным шагом» - пятка шагающей ноги, не отрываясь от земли, приставляется к носку другой ноги.

Нельзя! - Приближаться бегом к лежащему проводу.

Отрывать подошвы от поверхности земли и делать широкие шаги.

Перечень используемой литературы

1.  Провила устройства электроустановок (ПУЭ), Н: «Сибирское университетское издательство», 2008.

2.      Правила технической эксплуатации электроустановок потребителей (ПТЭЭП), М : ИКЦ «Март», 2003.

.        Межотраслевые правила по охране труда (правила безопасности) при эксплуатации электроустановок потребителей, СПБ., «Гидрометеоиздат», 2001.

.        Межотраслевая инструкция по оказанию первой помощи при несчастных случаях на производстве, М.:: «Издательство НЦ ЭНАС», 2001

.        Изменения и дополнения к межотраслевым правилам по охране труда (правила безопасности) при эксплуатации электроустановок М.: «Издательство НЦ ЭНАС», 2003

.        Зимин Е. Н. Преображенский В. И.. Чувашев И. М. «Электрооборудование промышленных предприятий и установок», М.: - «Энергоиздат», 1981.

.        Липкин Б. Ю. «Электрооборудование промышленных предприятий и установок», М : «Высшая школа», 1972.

.        Мясковский И. Г. «Электрооборудование заводов строительных материалов», М.: «Стройиздат», 1981.

.        Кочетов В. С. «Автоматизация производственных процессов в промышленности строительных материалов», Л,: «Стройиздат», 1986.

.        Кнорринг С. М. «Справочная книга для проектирования электрического освещения», М.: «Энергия» 1976.

.        Айзенберг Ю. Б. «Справочная книга по светотехнике», М.: «Знергоатомиздат», 1983.

.        Барыбин Ю. Т. «Справочник по проектированию электрических сетей и электрооборудования», М.: «Знергоатомиздат», 1991.

.        СниП 23-05-95; Нормы проектирования. Естественное и искусственное освещение, М.: Стройиздат, 1996

.        Г0СТ2.709-72, Г0СТ2.701-84, Г0СТ21.641-88, Г0СТ2.710-81

.        Методические пособия по курсовому и дипломному проектированию по электрооборудованию и электроосвещению, 2011. ВФК.

.        Сборник расчетных формул мощностей двигателей, приводов механизмов, 2011. ВФК.

.        Сборник технических данных по электрооборудованию и кабельной продукции, 2012. ВФК

.        Методические рекомендации по содержанию основных разделов и оформлению курсовых и дипломных проектов по специальности 140448, ВФК 2011

.        Электротехнический справочник Т2.Кн2 под ред. Грудинского и др., М.:: «Энергия», 1972

.        Коновалова Л. П. Рожков ЛМ. «Электроснабжение промышленных предприятий и установок», М.: - «Знергоатомиздат», 1989

.        Липкин Б. Ю. «Электроснабжение промышленных предприятий и установок», М.: «высшая школа», 1990

22. Электротехнический справочник /Под ред.В.Г.Герасимова и др. т.3., кн.2., -М: Энергоатомиздат, 1988.

23. Каталог электротехнической продукции Международной электротехнической компании «ИЭК» 7 издания 2011 г.