Материал: Расчет балки

Внимание! Если размещение файла нарушает Ваши авторские права, то обязательно сообщите нам

Расчет балки

Министерство образования и науки Российской Федерации

Южно-уральский государственный университет

заочный инженерно-экономический факультет

Контрольная работа

по предмету «Строительная механика»



Выполнил

Ильиных Артём Олегович

гр. ЗФ-432

Проверил: Сбитнев В.Ф

Задача №1


Для балки требуется:

. Произвести кинематический анализ

. Составить поэтажную схему

. Изобразить систему в расчлененном виде, раздвинув элементы и показав все нагрузки, опорные реакции и усилия взаимодействия в шарнирах.

. Рассматривая равновесие каждого элемента, начиная с самого второстепенного, определить опорные реакции и усилия взаимодействия в шарнирах.

. Построить эпюры поперечных сил и изгибающих моментов.

. Построить линии влияния M, Q для указанных сечений балки.

. По линиям влияния вычислить величины внутренних усилий, возникающих от заданных нагрузок, и сравнить с полученными на эпюрах.

. Установить невыгодное загружение линий влияния изгибающих моментов нагрузкой, показанной на рис. 2

. Вычислить наибольшие значения (max и min) изгибающих моментов.


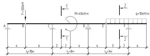
Дано: F=100 кН; q=10 кН/м; M=40 кН∙м; l1=10 м; l2=8 м; l3=9м.

.        Кинематический анализ балки..     Определяем степень свободы балки

 

где D - количество дисков;

Ш - количество шарниров;

С - количество связей.

b.      Производим структурный анализ..        Балка геометрически неизменяема. Доказательство:

·        Балка BCDE закреплена тремя связями, т.е. жестко связана с землей; следовательно, она вместе с землей образует геометрически неизменяемую систему (диск);

·        К этому диску присоединяется балка AB с помощью шарнира B и связи A, не проходящей через шарнир B; это новый диск;

·        К этому диску присоединяется балка EF с помощью шарнира E и связи F, не проходящей через шарнир E; снова получилась геометрически неизменяемая конструкция.

Итак, заданная балка статически определима и геометрически неизменяема.

.        Поэтажная схема.        Балка BCDE - главная; ставим ее на первый этаж..         Балка AB имеет всего одну опорную связь, две другие она получает в виде шарнира B (шарнир эквивалентен двум связям), опираясь на балку BCDE; т.е. балка AB зависит от балки BCDE и является «второстепенной» по отношению к ней; ставим ее на балку BCDE (на 2-й этаж)..     Балка EF имеет всего одну опорную связь, две другие она получает в виде шарнира E (шарнир эквивалентен двум связям), опираясь на балку BCDE; т.е. балка EF зависит от балки BCDE и является «второстепенной» по отношению к ней; ставим ее на балку BCDE (на 2-й этаж).

.        Расчет отдельных балок.      Балка AB


Находим реакции опор.

Предположим, что сила F действует на балку BCDE, тогда балка AB не испытывает никаких нагрузок, следовательно все реакции равны нулю.

 

 

 

Балка EF


Находим реакции опор

На эту балку действует равномерно распределенная нагрузка q.

 

 

 

 

 

 

 

 

b.      Балка BCDE


c.       Находим реакции опор

 

 

 

 

 

 

 

 

4.      Строим эпюры поперечных сил и изгибающих моментов, а так же линии влияния M и Q для указанных сечений балки



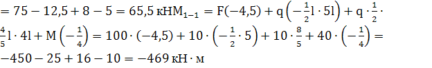
.        Определяем внутренние усилия по линиям влияния.        Сечение 1-1

 

b.      Сечение 2-2

 

6.      Определяем невыгодное загружение линий влияния


Линия влияния M1-1.  Максимальное значение

1)  Попытка 1. Пусть критической будет сила F1. Тогда


2)  Попытка 2. Пусть критической будет сила F2. Тогда

 

3)  Попытка 3. Пусть критической будет сила F3. Тогда

 

b.      Минимальное значение

) Попытка 1. Пусть критической будет сила F1. Этот случай уже рассмотрен. M1-1= −120 кН∙м

2) Попытка 2. Пусть критической будет сила F2. Тогда

 

4)  Попытка 3. Пусть критической будет сила F3. Тогда

 

Линия влияния M2-2

a.       Максимальное значение

) Очевидно, что наибольший положительный момент M2-2 возникает, когда над вершиной (6/5) будет находиться сила F3. Тогда

 

b.      Минимальное значение

1)  Попытка 1. Пусть критической будет сила F1. Тогда

 

2)  Попытка 2. Пусть критической будет сила F2. Тогда

 

3)  Попытка 3. Пусть критической будет сила F3. Тогда

 


Итак:

 

Задача №2

балка нагрузка изгибающий поперечный

Для фермы требуется:

.        Произвести кинематический анализ;

.        Аналитически вычислить усилия в перечеркнутых стержнях от нагрузки F;

.        Для этих же стержней построить линии влияния усилий;

.        Вычислить по линиям влияния усилия от заданной нагрузки F и сравнить их с усилиями, полученными из аналитического расчета.


Дано: F=50 кН; a=3 м; b=2,1 м.

.        Кинематический анализ фермы

Степень свободы определяем по формуле

 

где У - количество узлов в ферме,

С - число стержней,

С0 - количество опорных связей.

Структурный анализ

a.       Элементы (диски) фермы 1-2, 1-4 и 2-4 соединены между собой тремя шарнирами 1, 2 и 4, не лежащими на одной прямой; это диск;.      К этому диску крепится при помощи двух связей (стержней) 1-3 и 3-4 шарнир 3; это снова диск;.     далее, аналогично к этому диску последовательно присоединяются друг за другом шарниры 6, 5, 8 и т.д., образуя все новые и новые диски;.     затем диск-ферма крепится к основанию тремя связями в узлах 4 и 14, не пересекающимися в одной точке.

Итак, заданная ферма статически определима, геометрически неизменяема и неподвижна, т.е. может воспринимать любую нагрузку.

.        Определяем опорные реакции

 

 

3.      Определение усилий в стержнях фермы аналитическим методом.      Стержень 7-8: используем способ вырезания узла

Вырезаем узел 7 и проецируем все силы на ось Y, получаем:

; тогда


b.      Стержень 8-10: Используем способ моментной точки. Для этого стержня моментной точкой является узел 9. Получаем:

 


c.       Стержень 3-4: Используем способ моментной точки. Моментная точка для этого узла указана на рисунке. Получаем:

 

 


d.      Стержень 8-5. Используем способ моментной точки. Моментная точка этого узла совпадает с предыдущим. Получаем:

 



4.      Строим линии влияния


.        Определяем усилия в стержнях по линиям влияния.         Стержень 7-8: .   Стержень 8-10:

 

c.       Стержень 3-4:

 

d.      Стержень 8-5:

 

6.      Сравниваем усилия, полученные аналитическим методом и с помощью линий влияния.    Стержень 7-8: 50 кН = 50 кН. Значения полностью совпадают..         Стержень 3-4:

 

c.       Стержень 8-10:


 

Итак, усилия полученные разными способами либо полностью совпадают, либо имеют расхождения в пределах допустимых значений.