Материал: Протоколы измерений к лабораторным ЭиЭ2 2019

Внимание! Если размещение файла нарушает Ваши авторские права, то обязательно сообщите нам

Протокол измерений к лабораторной работе 1

«Переходные процессы в R-C- и R-L-цепях»

 

 

 

 

Вход 1

 

 

ФУНКЦИО-

 

 

C

осциллографа

mu

___ В дел.;

НАЛЬНЫЙ

 

 

 

 

 

C

 

 

 

 

 

muR ___ В дел.;

ГЕНЕРАТОР

 

uC

 

 

 

u

 

uR

R

 

mt

___ мс дел.;

 

 

 

 

 

 

 

 

 

 

Вход 2

mi

___ А дел.

 

 

 

 

 

 

 

 

 

 

 

(inv)

осциллографа

 

 

Рис. 1.3. Схема R-C-цепи

 

 

 

 

 

 

Вход 1

 

 

L

 

 

Rк

осциллографа

mu

___ В дел.;

 

 

 

 

ФУНКЦИО-

 

 

 

 

 

 

к

НАЛЬНЫЙ

uк

 

 

 

 

muR ___ В дел.;

 

 

 

 

 

 

ГЕНЕРАТОР

 

uR

 

 

 

 

 

 

 

 

 

 

u

 

 

R

 

m ___ мс дел.;

 

 

 

 

 

t

 

 

 

 

 

 

Вход 2

mi

___ А дел.

 

 

 

 

(inv)

осциллографа

 

 

 

 

 

 

 

 

Рис. 1.4. Схема R-L-цепи

 

 

Цепь включается на напряжение U ____ В.

Переходный процесс в R-C-цепи

Параметры цепи: R = 10 Ом, С _____ мкФ. Постоянная времени цепи τRC = RC = _______ с.

Частота следования импульсов fRC = 0,1/τRC = ________ Гц.

Переходный процесс в R-L-цепи

Параметры цепи: L = ____ мГн, Rк = _____ Ом, R = 10 Ом. Постоянная времени цепи τRL = L/(Rк + R) = _______ с. Частота следования импульсов fRL = 0,1/τRL = _________ Гц.

Осциллограммы напряжений uC(t) и uR(t); uк (t) и uR(t).

Работу выполнили: Работу проверил:

Протокол измерений к лабораторной работе 2

«Переходный процесс в R-L-C-цепи»

Входное напряжение: U ___ В,

 

f

 

____ Гц.

 

 

 

 

 

 

 

 

 

Параметры элементов: С ___ мкФ; L ____ мГн; R к

____ Ом.

 

 

 

 

 

 

 

 

 

 

 

 

 

 

 

 

 

 

 

 

 

 

 

 

 

 

 

 

 

 

Критическое сопротивление R кр

 

2 L / C ______________ Ом.

 

 

 

 

 

 

 

 

 

 

 

 

 

 

 

 

 

 

 

 

 

 

 

 

 

 

 

Вход 1

 

 

 

 

 

 

 

 

 

 

 

 

Rк

 

 

L

 

 

 

 

 

C

 

 

 

 

осциллографа

 

 

 

 

 

 

 

 

 

 

 

 

 

 

 

 

 

 

 

 

 

 

 

 

 

 

ФУНКЦИОНАЛЬНЫЙ

 

 

 

 

 

 

 

 

 

 

 

 

 

 

 

 

 

 

 

 

 

 

 

 

 

 

 

 

 

 

 

 

 

 

 

 

 

 

 

 

 

 

 

 

 

 

 

 

 

 

 

 

 

 

 

 

 

 

ГЕНЕРАТОР

 

 

 

 

 

 

 

 

 

 

 

 

 

 

 

 

 

R

 

 

 

 

 

 

 

 

 

 

 

 

 

 

 

 

 

 

 

 

 

 

 

 

 

 

 

 

 

 

 

 

 

 

Вход 2

 

 

 

 

 

 

 

 

 

 

 

 

 

 

 

 

 

 

 

 

 

 

 

 

 

 

 

 

 

 

 

 

 

 

 

 

 

 

 

 

 

 

 

 

 

 

 

 

 

 

 

 

 

 

 

 

 

 

 

 

 

 

 

 

 

 

 

 

 

 

 

 

 

 

 

 

 

 

 

 

 

 

 

 

 

 

 

 

(inv)

 

 

осциллографа

 

 

 

 

 

 

 

 

 

 

 

 

 

 

 

 

 

 

 

 

 

 

 

 

 

 

 

 

 

 

 

 

 

 

 

 

 

 

 

 

 

 

 

 

 

 

 

 

 

 

 

 

 

 

 

 

 

 

 

 

 

 

 

 

 

 

Рис. 2.5. Схема исследуемой цепи

 

 

 

 

 

 

 

 

 

 

 

 

 

 

 

 

 

 

 

 

 

 

 

 

 

 

 

 

 

 

 

 

 

 

 

 

Т а б л и ц а 2.1

Результат определения корней характеристического уравнения

 

 

 

 

 

 

 

 

 

 

 

 

 

 

 

 

 

Название

 

 

 

 

По осциллограммам

 

 

 

По результатам расчета

 

 

 

 

 

 

 

 

 

 

 

 

 

 

 

 

 

 

 

 

 

 

 

 

 

 

 

 

 

 

 

 

режима

 

 

 

параметр

 

 

 

значение

 

 

 

 

 

параметр

значение

 

 

 

 

 

 

 

 

 

 

 

 

 

 

 

 

 

 

 

 

 

 

 

 

 

 

 

 

 

 

 

 

 

 

 

 

 

 

Апериодический

 

 

 

 

 

 

t1

 

 

 

 

 

____ мс

 

 

 

 

 

 

 

 

 

 

 

 

 

 

 

 

 

 

 

 

 

 

 

 

 

 

 

 

 

 

 

τ1 = t1 / 0,693

 

____ мс

 

 

 

 

τ1 = 1 / |р1|

____ мс

 

 

 

 

 

 

 

 

 

 

 

 

 

 

 

 

 

 

 

 

 

 

 

 

 

 

 

 

 

 

 

 

 

 

 

 

 

 

 

 

 

 

 

 

 

 

 

 

 

 

 

 

 

 

 

 

 

 

τ2 = 1 / |р2|

____ мс

 

 

 

 

 

 

 

 

 

 

 

 

 

 

 

 

 

 

 

 

 

 

 

 

 

 

 

p1 = –1 / τ1

 

 

 

____ с–1

 

 

 

 

 

 

p1

 

____ с–1

 

 

 

 

 

 

 

 

 

 

 

 

 

 

 

 

 

 

 

 

 

 

 

 

 

 

 

 

 

 

p2

 

____ с–1

Колебательный

 

 

 

 

 

 

Tсв

 

 

 

 

 

____ мс

Tсв = 2π / ωсв

____ мс

 

 

 

 

 

 

 

 

 

 

 

 

 

 

 

 

 

 

 

 

 

 

 

ωсв = 2π / Tсв

 

____ рад/с

 

 

 

 

 

 

ωсв

____ рад/с

 

 

 

 

 

 

 

 

 

 

 

 

 

 

 

 

 

 

 

 

 

 

 

 

 

 

 

 

 

 

 

 

 

 

1

ln

U 1 m

 

____ с–1

 

 

 

 

 

 

δ

 

 

____ с–1

 

 

 

 

 

 

 

 

 

 

 

 

 

 

 

 

 

 

 

 

 

 

 

 

 

 

 

Tс в

U 2 m

 

 

 

 

 

 

 

 

 

 

 

 

 

 

 

 

 

 

 

 

 

 

 

 

 

 

 

 

U1m

 

 

 

 

 

____ В

 

 

 

 

 

 

 

 

 

 

 

 

 

 

 

 

 

 

 

 

 

 

 

 

 

 

 

 

 

 

 

 

 

 

 

 

 

 

 

 

 

 

 

U2m

 

 

 

 

 

____ В

 

 

 

 

 

 

 

 

 

 

 

 

 

 

 

 

 

 

 

 

 

 

 

 

Осциллограммы u С ( t )

 

и u R ( t ) с масштабами m u

 

, m u

 

и mt для аперио-

 

 

 

 

 

 

 

 

 

 

 

 

 

 

 

 

 

 

 

 

 

 

 

 

 

 

 

 

C

 

R

 

дического и колебательного режимов прилагаются к протоколу измерений.

Работу выполнили: Работу проверил:

Протокол измерений к лабораторной работе 3

«Нелинейные цепи постоянного тока»

 

I

 

PA1

 

 

 

 

 

 

 

 

 

Полярность

UZ4

 

 

 

измерительных

 

 

PV

 

приборов:

U

 

н.э.

желтый – (+);

 

 

= 0...12 B/0,5 A

 

 

 

черный – (–);

 

 

 

красный – (+)

 

 

 

 

Рис. 3.4. Схема измерения статической ВАХ

Т а б л и ц а 3.1

Результаты измерений статических ВАХ элементов

 

I, мА

10

20

 

 

30

 

40

 

 

 

 

50

 

 

 

60

 

 

 

 

 

70

 

80

 

 

 

 

 

 

 

 

 

 

 

 

 

 

 

 

 

 

 

 

 

 

 

 

 

 

 

 

 

 

 

 

 

 

 

 

 

 

 

 

 

 

 

 

 

 

 

 

 

 

 

 

 

 

U н .э .1 (UR1), В

 

 

 

 

 

 

 

 

 

 

 

 

 

 

 

 

 

 

 

 

 

 

 

 

 

 

 

 

 

 

 

 

 

 

 

 

 

 

 

 

 

 

 

 

 

 

 

U н .э .2 (UHL), В

 

 

 

 

 

 

 

 

 

 

 

 

 

 

 

 

 

 

 

 

 

 

 

 

 

 

 

 

 

 

 

 

 

 

 

 

 

 

 

 

 

 

 

 

 

 

 

U R (UR4), В

 

 

 

 

 

 

 

 

 

 

 

 

 

 

 

 

 

 

 

 

 

 

 

 

 

 

 

 

 

 

 

 

 

 

 

 

 

 

 

 

 

 

 

 

 

 

 

 

 

 

 

 

 

 

 

 

 

 

 

 

 

 

 

 

 

 

 

 

 

 

 

 

 

 

 

 

 

 

 

 

 

 

 

 

 

 

 

 

 

 

 

 

 

 

 

 

 

 

 

 

 

 

 

 

 

 

 

 

 

 

 

 

 

 

 

 

 

 

 

 

 

 

 

 

 

 

 

 

 

 

 

 

 

 

 

 

 

 

 

 

 

 

 

 

 

 

 

Т а б л и ц а 3.2

 

Результаты эксперимента и графического расчета

 

 

 

 

 

 

 

 

 

 

 

 

 

 

 

 

 

 

 

 

 

 

 

 

 

 

 

 

 

 

 

 

 

 

 

 

 

 

 

 

 

 

 

 

 

 

 

 

 

 

 

 

 

Способ определения

 

 

 

 

 

U, В

 

 

 

 

U1, В

 

 

 

U2, В

 

I1, мА

 

 

I2, мА

 

I3, мА

 

Опыт

 

 

 

 

 

 

 

 

 

 

 

 

 

 

 

 

 

 

 

 

 

 

 

 

 

 

 

 

 

 

 

 

 

 

 

 

 

 

 

 

 

 

 

 

 

 

 

 

 

 

 

 

 

 

 

 

 

 

 

 

 

 

 

 

 

 

 

 

 

 

 

 

 

 

 

 

 

 

 

 

 

 

 

 

 

 

 

 

 

 

 

 

 

 

 

 

 

 

 

 

 

Графический расчет

 

 

 

 

 

 

 

 

 

 

 

 

 

 

 

 

 

 

 

 

 

 

 

 

 

 

 

 

 

 

 

 

 

 

 

 

 

 

 

 

 

 

 

 

 

 

 

 

 

 

 

 

 

 

 

 

 

 

 

 

 

 

 

 

 

 

 

 

 

 

 

 

 

 

 

 

 

 

 

 

 

 

 

 

 

 

 

 

 

 

 

 

 

 

 

 

 

 

 

 

 

 

 

 

 

 

 

 

 

 

 

 

 

 

 

 

 

 

 

 

 

R1 (н.э.1)

 

 

 

 

 

 

 

 

 

 

 

 

 

 

 

 

 

 

 

 

 

 

 

 

 

 

 

 

 

PA1

 

 

 

 

 

 

I1

 

 

 

 

 

 

 

 

 

 

 

 

 

 

 

 

 

 

 

 

 

 

 

 

 

 

 

 

 

 

 

 

 

 

 

 

 

 

 

 

 

 

 

 

 

 

 

 

 

 

 

 

 

 

 

 

 

 

 

 

 

 

 

 

 

 

 

 

 

 

 

 

 

 

 

 

 

 

 

 

 

 

 

 

 

 

 

 

 

 

 

 

 

 

 

 

 

 

 

 

 

 

 

 

 

 

 

 

 

 

 

 

 

 

 

 

 

 

 

 

 

 

 

 

 

 

 

 

 

 

 

 

 

 

 

 

 

 

 

 

 

 

 

 

 

 

 

 

 

 

 

 

 

 

 

 

 

 

 

 

 

 

 

 

 

 

 

 

 

 

 

 

 

 

 

 

 

 

 

 

 

 

 

 

 

 

 

 

 

 

 

 

 

 

 

 

 

 

 

 

 

 

 

 

 

 

 

U1

I1

 

 

 

 

 

 

 

 

 

 

 

 

 

 

 

 

 

 

 

 

 

 

 

 

 

 

 

 

 

 

 

 

 

 

 

 

 

 

 

 

 

 

 

 

 

 

 

 

 

 

 

 

 

 

 

 

 

 

 

 

 

 

 

 

 

 

 

 

 

 

 

 

 

 

 

 

 

 

 

UZ4

 

 

 

 

 

 

 

 

 

 

 

 

 

 

PA2

 

 

 

 

PA3

 

 

 

 

 

 

 

 

 

 

 

 

 

 

 

 

 

 

 

 

 

 

 

 

 

 

 

 

 

 

 

 

 

 

 

 

 

 

 

 

 

 

 

 

 

 

 

 

 

 

 

 

 

 

 

 

U

 

 

 

 

 

 

 

 

 

 

 

PV

 

 

 

 

 

 

 

 

 

 

 

 

 

U23 I3

 

 

 

 

 

 

 

 

 

 

 

 

 

 

 

 

 

 

 

 

 

 

 

 

 

 

 

 

 

 

 

 

 

 

 

 

 

 

 

 

 

 

 

 

 

 

 

 

 

 

 

 

 

 

 

 

 

 

 

 

 

 

 

 

 

 

 

 

 

 

 

 

 

 

 

 

 

U23 I2

 

 

 

 

 

 

 

 

 

 

R4

 

 

 

 

 

= 0...12 B/0,5 A

 

 

 

 

 

 

 

 

 

 

 

 

 

 

 

 

 

 

 

 

 

 

 

 

 

 

 

 

 

HL

 

 

 

 

 

 

 

 

 

 

 

 

 

 

 

 

 

 

 

 

 

 

 

 

 

 

 

 

 

 

 

 

 

 

 

 

 

 

 

 

 

 

 

 

 

 

 

 

 

 

 

 

 

 

 

 

 

 

 

 

 

 

 

 

 

 

 

 

 

 

 

 

 

 

 

 

 

 

 

 

 

 

 

 

 

 

 

 

 

 

 

 

 

 

 

 

 

 

 

 

 

 

 

 

 

 

 

 

 

 

 

 

 

 

 

 

 

 

 

 

 

 

 

 

 

 

 

 

 

 

 

 

 

 

 

 

 

 

 

 

 

 

 

 

 

 

 

 

 

 

 

 

 

 

 

 

 

 

 

 

 

(R)

 

 

 

 

 

 

 

 

 

 

 

 

 

 

 

 

 

 

 

 

 

 

 

 

 

 

 

 

 

 

 

 

 

 

(н.э.2)

 

 

 

 

 

 

 

 

 

 

 

 

 

 

 

 

 

 

 

 

 

 

 

 

 

 

 

 

 

 

 

 

 

 

 

 

 

 

 

 

 

 

 

 

 

 

 

 

 

 

 

 

 

 

 

 

 

 

 

 

 

 

 

 

 

 

 

 

 

 

 

 

 

 

 

 

 

I2

 

 

 

 

 

 

 

I3

 

 

 

 

 

 

 

 

 

 

 

 

 

 

 

 

 

 

 

 

 

 

 

 

 

 

 

 

 

 

 

 

 

 

 

 

 

 

 

 

 

 

 

 

 

 

 

 

 

 

 

 

 

 

 

 

 

Рис. 3.5. Схема исследуемой электрической цепи

Работу выполнили: Работу проверил:

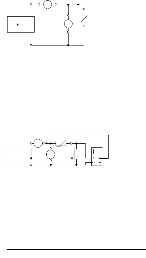
Протокол измерений к лабораторной работе 4

«Инерционные и безынерционные нелинейные элементы»

 

 

 

 

 

 

 

+ (–)

 

 

 

 

 

 

PA

 

 

 

 

 

 

 

 

 

 

I

 

 

 

 

 

 

 

 

 

 

 

 

 

 

 

 

 

 

 

 

 

 

 

 

 

 

 

 

 

 

 

 

 

 

 

 

 

 

 

 

 

 

 

 

 

 

 

 

 

 

 

 

 

 

 

 

 

 

 

ж

ч

 

 

 

 

 

 

 

к

 

 

 

 

 

 

 

 

 

 

 

 

 

 

 

 

 

 

=

 

 

 

 

 

 

 

 

 

 

 

 

 

 

 

 

 

 

 

 

 

 

UZ4

 

 

 

 

 

 

 

 

 

к

 

 

 

 

 

 

 

 

 

 

 

 

 

HL

 

 

 

 

 

 

 

 

 

 

 

 

 

 

 

 

 

 

 

 

 

 

 

 

 

 

 

 

 

 

 

 

 

 

 

 

 

 

 

 

 

 

 

 

 

 

 

 

 

 

 

 

 

 

 

 

 

 

 

 

 

 

 

 

 

 

 

 

 

 

 

U

 

 

 

 

 

 

 

 

 

=

 

PV

 

 

 

 

 

 

(R1)

 

 

 

 

 

 

 

 

 

 

 

 

 

 

 

 

 

 

 

 

 

 

 

 

 

 

 

 

 

 

 

 

 

 

 

 

 

 

 

 

ч

 

 

 

 

 

 

 

 

 

 

 

= 0...12 B/0,5 A

 

 

 

 

 

 

 

 

 

 

 

 

 

 

 

 

 

 

 

 

 

 

 

 

 

 

 

 

 

 

 

ч

 

 

 

 

 

 

 

 

 

 

 

 

 

 

 

 

 

 

 

 

 

 

 

 

 

 

 

 

 

 

 

 

 

 

 

 

 

 

 

 

 

 

 

 

 

 

 

 

 

 

 

 

 

 

 

 

 

 

 

 

 

 

 

 

 

 

 

 

 

 

 

R=5 Ом

 

 

 

 

 

 

 

 

 

 

 

 

 

 

 

 

 

 

 

 

 

 

 

 

 

 

 

 

 

 

 

 

 

 

 

 

 

 

 

 

 

 

 

 

 

 

 

– (+)

 

 

 

 

 

 

 

 

 

 

 

 

 

 

 

 

 

 

 

 

 

 

 

 

 

 

 

 

 

 

 

 

 

 

 

 

 

 

 

 

 

 

 

 

 

 

 

 

 

 

 

 

 

 

 

 

 

 

 

 

 

 

 

 

 

 

 

 

 

Рис. 4.2. Схема измерения вольт-амперной характеристики

 

 

 

 

 

 

 

 

 

 

 

 

 

 

 

 

 

 

 

 

 

 

 

 

 

 

 

 

 

 

 

 

 

 

 

 

 

 

 

Т а б л и ц а 4.1

Экспериментальные вольт-амперные характеристики элементов

 

 

 

 

 

 

 

 

 

 

 

 

 

 

 

 

 

Инерционный нелинейный элемент HL

 

 

 

 

 

 

 

 

 

 

 

 

 

 

 

 

 

 

 

 

 

 

 

 

I, мА

 

0

10

 

20

 

 

30

 

 

 

40

 

50

 

60

 

70

80

90

U, В

 

0

 

 

 

 

 

 

 

 

 

 

 

 

 

 

 

 

 

 

 

 

 

 

 

 

 

 

 

 

 

 

 

 

 

 

 

 

 

 

Безынерционный НЭ R1 при прямой полярности подключения

 

I, мА

 

0

10

 

20

 

 

30

 

 

 

40

 

50

 

60

 

70

80

90

U, В

 

0

 

 

 

 

 

 

 

 

 

 

 

 

 

 

 

 

 

 

 

 

 

 

 

 

 

 

 

 

 

 

 

 

 

 

 

 

 

 

Безынерционный НЭ R1 при обратной полярности подключения

 

I, мА

 

0

–10

 

 

 

–20

 

–30

 

 

–40

 

 

–50

 

 

 

–60

 

–70

–80

–90

U, В

 

0

 

 

 

 

 

 

 

 

 

 

 

 

 

 

 

 

 

 

 

 

 

 

 

 

 

 

 

 

 

 

 

 

 

 

 

 

 

UZ3

0...9 B/0,5 A

 

i

к HL (R1)

ч

 

 

 

PA

 

 

 

 

u

~

 

uR

 

ЭО

~

PV

R

 

Вх.1 Вх.2

Рис. 4.3. Схема подключения осциллографа

Инерционный нелинейный элемент HL:

Осциллограммы u(t), i(t) и i(u) при I1 = ___ мА и I2 = ___ мА приложены к

протоколу; m u __ В/дел.; m u

= __ В/дел.; m i = __ мА/дел.; m t =__ мс/дел.

 

R

Безынерционный нелинейный элемент R1:

Осциллограммы u(t), i(t) и i(u) при U = ___ В, I = ___ мА приложены к про-

токолу; m u __ В/дел.; m u R = __ В/дел.; m i = __ мА/дел.; m t =__ мс/дел. По осциллограмме i(t): imax = ___ мА, imin = ___ мА.

Работу выполнили: Работу проверил:

Протокол измерений к лабораторной работе 5

«Периодический процесс в нелинейной цепи переменного тока»

Вх.1

VD1

ФУНКЦИОНАЛЬНЫЙ

 

 

ГЕНЕРАТОР

 

 

Частота

 

PV1

R2

Амплитуда

 

Форма

Выход

u

 

 

 

 

Вх.2 (inv)

Рис. 5.4. Схема для получения динамической ВАХ диода

 

 

 

Вх.1

 

 

 

VD1

ФУНКЦИОНАЛЬНЫЙ

 

Вх.2

 

 

ГЕНЕРАТОР

 

 

Частота

 

PV1

R2

Амплитуда

 

Форма

Выход

u

 

Рис. 5.5. Получение зависимостей u(t) и i(t) в цепи с диодом и резистором

Вх.1

 

 

 

VD1

ФУНКЦИОНАЛЬНЫЙ

 

L

Вх.2

 

Rк

ГЕНЕРАТОР

 

 

 

Частота

PV1

 

R2

Амплитуда

 

Форма Выход

u

 

 

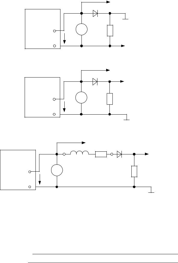
Рис. 5.6. Получение зависимостей u(t) и i(t) в цепи с диодом и катушкой индуктивности

U =_____ В; f = ____ Гц; L = ____ мГн; Rк = ____ Ом; R2 = ____ Ом.

По осциллограмме для схемы рис. 5.6:

Um = ___ В; imax = ___ мА; t1 = ___ мс; T = ___ мс.

Работу выполнили: Работу проверил: