Материал: Производство сжиженного природного газа

Внимание! Если размещение файла нарушает Ваши авторские права, то обязательно сообщите нам

Производство сжиженного природного газа

Введение


Природный газ является одним из важнейших видов топлива, занимая значимое место в структуре потребления наравне с нефтью и углем.

Основными потребителями природного газа являются такие отрасли как промышленность и производство электроэнергии (44% и 31% соответственно). Другими важными сферами его потребления является коммунально-бытовой сектор и транспорт.

В последние годы в мировой экономике и в структуре потребления первичных энергоносителей произошли существенные изменения. Наиболее важным из них можно назвать растущее значение природного газа, энергетическая и экологическая эффективность которого предопределяет его роль как доминирующего энергоресурса XXI века. Так, если за последние 20 лет мировое потребление энергии выросло на 48%, то газа - на 70%, в то время как нефти - на 33%, угля - на 46%.

С развитием технологий и ежегодно растущими объемами потребления природного газа в России было налажено производство сжиженного природного газа (СПГ). Газ в сжиженном состоянии имеет следующие преимущества по сравнению с другими видами топлива :

·    Сжижение природного газа увеличивает его плотность в 600 раз, что упрощает транспортировку и хранение;

·        Появляется возможность создания запасов и их использования по мере необходимости;

·        В своей жидкой форме сжиженный природный газ не имеет способность взрываться или воспламеняться;

·        Возможность газификации удаленных объектов

·        Экономия денежных средств на покупку топлива, так как цена эквивалентного количества сжиженного газа ниже, чем бензина или дизельного топлива;

·        Высокая энергоемкость и большое октановое число;

·        Наиболее экологически чистое топливо.

Сжиженный природный газ (СПГ) - криогенная жидкость с содержанием метана не менее 86% об. (ТУ 05-03-03-85) и температурой кипения от минус 162°С - является перспективным энергоносителем и обеспечивает экономическую и экологическую эффективность по отношению к другим видам топлива.

Сжиженный природный газ (СПГ), по мнению экспертов-энергетиков, - один из наиболее перспективных видов топлива. Природный газ уже получил титул топлива XXI века, поскольку его запасы по сравнению с запасами нефти достаточно велики. Динамика роста мирового рынка СПГ составляет примерно 7% в год. Ожидается, что к 2020 г. этот показатель удвоится и достигнет 14%. В настоящее время наблюдается увеличение объемов международной торговли сжиженным природным газом, на его долю приходится свыше 24% мировых внешнеторговых поставок природного газа.

По прогнозам, объем мировой торговли сжиженным природным газом может возрасти к 2010 году до 150 млрд. м3 и более. Уже сейчас в США и странах Западной Европы доля СПГ в общем газопотреблении составляет более 20%. Япония импортирует до 85% (45 млрд. м3) природного газа в сжиженном состоянии.

Крупнейшие мощности по производству сжиженного природного газа в настоящее время сосредоточены в Юго-Восточной Азии, однако наиболее динамичное их расширение наблюдается в Африке и на ближнем Востоке. Россия пока в этих списках не значится, хотя с началом нового тысячелетия интерес к использованию СПГ в нашей стране постоянно растет.

В данной работе мы познакомимся с историей развития рынка сжиженного природного газа, с его современным состоянием и перспективами развития, рассмотрим технологию производства и транспортировки СПГ, а также рассмотрим перспективные проекты по созданию заводов по сжижению газа в России.

История производства сжиженного природного газа


Первый в истории завод по сжижению природного газа был построен в 1905 году, функционировать он начал пять лет спустя. Завод носил экспериментальный характер и не подходил для коммерческого использования. Лишь в 1941 году, в Огайо, был построен первый полноценный завод СПГ, что стало началом развития этого сегмента рынка энергоносителей. Однако завод проработал немногим более трех лет, когда страшная катастрофа прекратила его существование. Произошел разрыв резервуара, и 4000 кубометров сжиженного газа вытекло, испарилось и вспыхнуло. При аварии погибло 128 человек, 400 было ранено. Четыре дня бушевал пожар. Он причинил огромный материальный ущерб.

В 1959 году в Луизиане был создан первый танкер, пригодный для транспортировки СПГ. Это позволило доставлять сжиженный природный газ потребителям за пределы США (первым импортером СПГ стала Япония в конце 1960-х гг.).

Начало применения СПГ в нашей стране относится к 50-м годам прошлого века, в 1954 г. на Московском заводе сжижения природного газа ввели в эксплуатацию установку, рассчитанную на производство 25 тыс. тонн СПГ в год. Тогда же был предпринят опыт применения жидкого метана для газоснабжения сельских районов и топлива для автомобильного и железнодорожного транспорта. Впоследствии интерес к СПГ заметно снизился, сначала из-за открытия месторождения природного газа в Западной Сибири и строительства магистральных газопроводов, а затем из-за сложной экономической ситуации конца 80-х и 90-х годов.

В 2006 году, в поселке Пригородное, на острове Сахалин, в рамках проекта «Сахалин-2», началось строительство первого российского СПГ завода. Его запуск был произведен 18 февраля 2009 года. Строительство этого масштабного объекта началось в августе 2003 года. В период наибольшей интенсивности строительных работ в них было задействовано около 10 тысяч рабочих и специалистов из более чем 40 стран. На построенном на Сахалине заводе СПГ используется специально разработанная технология сжижения газа с применением двойного смешанного хладагента, повышающая энергоэффективность производства за счет использования преимуществ холодного сахалинского климата.

Повышенный спрос на СПГ привел к тому, что продукция предприятия была законтрактована на основе долгосрочных договоров (сроком действия от 20 лет и более) еще до окончания строительства объекта. Заказчиками выступили Япония, Южная Корея и Северная Америка. Реализация этого проекта позволила начать регулярные поставки российского СПГ на рынки стран Азиатско-Тихокеанского региона.

Плановой мощностью завода «Сахалин-2» должно было стать производство 9,6 миллиардов м3 СПГ. В 2009 году предприятие произвело 5,5 миллиардов м3. В 2010 году производство было увеличено почти вдвое, и составило более 10 миллиардов м3.

Следующим шагом развития сферы производства сжиженного природного газа в России станет создание СПГ-проекта на базе месторождений полуострова Ямал.

ОАО «Газпром» в рамках стратегии развития компании ставит перед собой цель добиться производства 80-90 миллионов тонн сжиженного природного газа в год, что при текущих темпах развития производства в других странах, составит около 20% мирового рынка. Развитие производства по выработке СПГ стало одним из приоритетных направления развития промышленности в России.

Технология производства сжиженного природного газа


Крупномасштабное производство сжиженного природного газа

Преобразование природного газа в жидкое состояние осуществляется в несколько этапов. Сначала удаляются все примеси - прежде всего, двуокись углерода, а иногда и минимальные остатки соединений серы. Затем извлекается вода, которая в противном случае может превратиться в ледяные кристаллы и закупорить установку сжижения.

Как правило, в последнее время для комплексной очистки газа от влаги, углекислого газа и тяжелых углеводородов используют адсорбционный способ глубокой очистки газа на молекулярных ситах.

Следующий этап - удаление большинства тяжелых углеводородов, после чего остаются главным образом метан и этан. Затем газ постепенно охлаждается, обычно с помощью двухцикличного процесса охлаждения в серии теплообменников (испарителей холодильных машин). Очистка и фракционирование реализуются, как и основная доля охлаждения, под высоким давлением. Холод производится одним или несколькими холодильными циклами, позволяющими снизить температуру до -160°С. Тогда он и становится жидкостью при атмосферном давлении.

сжиженный природный газ производство

Рисунок 1.Процесс сжижения природного газа (получение СПГ)

Сжижение природного газа возможно лишь при охлаждении его ниже критической температуры. Иначе газ не сможет быть превращен в жидкость даже при очень высоком давлении. Для сжижения природного газа при температуре, равной критической (Т = Т кр), давление его должно быть равным или больше критического, т. е. Р > Ркт. При сжижении природного газа под давлением ниже критического (Р < Ркт) температура газа также должна быть ниже критической.

Для сжижения природного газа могут быть использованы как принципы внутреннего охлаждения, когда природный газ сам выступает в роли рабочего тела, так и принципы внешнего охлаждения, когда для охлаждения и конденсации природного газа используются вспомогательные криогенные газы с более низкой температурой кипения (например кислород, азот, гелий). В последнем случае теплообмен между природным газом и вспомогательным криогенным газом происходит через теплообменную поверхность.

При промышленном производстве СПГ наиболее эффективными являются циклы сжижения с использованием внешней холодильной установки (принципы внешнего охлаждения), работающей на углеводородах или азоте, при этом сжижается почти весь природный газ. Широкое распространение получили циклы на смесях хладагентов, где чаще других используется однопоточный каскадный цикл, у которого удельный расход энергии составляет 0,55-0,6 кВт' ч/кг СПГ.

В установках сжижения небольшой производительности в качестве холодильного агента используется сжижаемый природный газ, в этом случае применяют более простые циклы: с дросселированием, детандером, вихревой трубой и др. В таких установках коэффициент сжижения составляет 5-20 %, а природный газ необходимо предварительно сжимать в компрессоре.

Сжижение природного газа на основе внутреннего охлаждения может достигаться следующими способами:

• изоэнтальпийным расширением сжатого газа (энтальпия i = const), т. е. дросселированием (использование эффекта Джоуля-Томсона); при дросселировании поток газа не производит какой либо работы;

• изоэнтропийным расширением сжатого газа (энтропия S-const) с отдачей внешней работы; при этом получают дополнительное количество холода, помимо обусловленного эффектом Джоуля-Томсона, так как работа расширения газа совершается за счет его внутренней энергии.

Как правило, изоэнтальпийное расширение сжатого газа используется только в аппаратах сжижения малой и средней производительности, в которых можно пренебречь некоторым перерасходом энергии. Изоэнтропийное расширение сжатого газа используется в аппаратах большой производительности (в промышленных масштабах).

Сжижение природного газа на основе внешнего охлаждения может достигаться следующими способами:

• использованием криогенераторов Стирлинга, Вюлемье-Такониса и т.д; рабочими телами данных криогенераторов является, как правило, гелий и водород, что позволяет при совершении замкнутого термодинамического цикла достигать температуры на стенке теплообменника ниже температуры кипения природного газа;

• использованием криогенных жидкостей с температурой кипения ниже, чем у природного газа, например жидкого азота, кислорода и т. д.;

• использованием каскадного цикла с помощью различных холодильных агентов (пропана, аммиака, метана и т. д.); при каскадном цикле газ легко поддающийся сжижению путем компримирования, при испарении создает холод, необходимый для понижения температуры другого трудносжижаемого газа.

После сжижения СПГ помещается в специально изолированные резервуары хранения, а затем загружается в танкеры-газовозы для транспортировки. За это время транспортировки небольшая часть СПГ неизменно «выпаривается» и может использоваться в качестве топлива для двигателей танкера. По достижении терминала потребителя сжиженный газ разгружается и помещается в резервуары хранения.

Прежде чем пустить СПГ в употребление, его вновь приводят в газообразное состояние на станции регазификации. После регазификации природный газ используется так же, как и газ, транспортируемый по газопроводам.

Приемный терминал СПГ - менее сложное сооружение, чем завод сжижения, и состоит главным образом из пункта приема, сливной эстакады, резервуаров хранения, установок обработки газов испарения из резервуаров и узла учета.

Технология сжижения газа, его транспортировки и хранения уже вполне освоена в мире. Поэтому производство СПГ - довольно стремительно развивающаяся отрасль в мировой энергетике.

Маломасштабное производство сжиженного природного газа

Современные технологии позволяют решить проблему автономного энергоснабжения небольших промышленных, социальных предприятий и населенных пунктов путем создания энергетических объектов на базе мини-энергетики с использованием СПГ.

Автономные объекты мини-энергетики с применением сжиженного природного газа не только помогут ликвидировать проблему энергообеспечения отдаленных регионов, но и являются альтернативой для прекращения зависимости потребителей от крупных поставщиков электрической и тепловой энергии. На данный момент маломасштабное производство СПГ является привлекательной сферой для инвестиций в объекты энергетики со сравнительно коротким сроком окупаемости капитальных вложений.

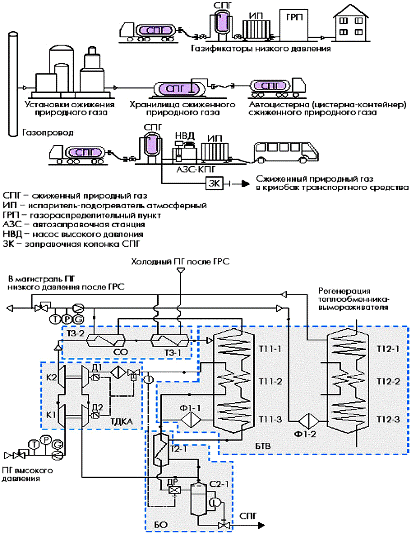
Существует технология сжижения природного газа с использованием энергии перепада давления газа на ГРС с внедрением детандер-компрессорных агрегатов, реализованная на ГРС "Никольская" (Ленинградская область). Расчетная производительность установки по СПГ равна 30 тоннам в сутки.

Установка сжижения природного газа состоит из блока теплообменников вымораживателей, системы охлаждения компримированного газа, блока сжижения, двухступенчатого турбодетандер-компрессорного агрегата, автоматизированной системы контроля и управления работой установки (АСКУ), арматуры, в том числе управляемой, и КИП.

Рисунок 2. Схема установки сжижения ПГ

Принцип работы установки заключается в следующем (рис.2).

Природный газ с расходом 8000 нм3/ч и давлением 3,3 МПа поступает на турбокомпрессоры К1 и К2, работающие на одном валу с турбодетандерами Д1 и Д2.

В установке по сжижению природного газа в связи с достаточно высокой чистотой природного газа (содержание СО2 не более 400 ррm) предусматривается только осушка газа, которую с целью снижения стоимости оборудования предусмотрено проводить способом вымораживания влаги.

В 2-х ступенчатом турбокомпрессоре давление газа повышается до 4,5 МПа, затем сжатый газ последовательно охлаждается в теплообменниках Т3-2 и Т3-1 и поступает в вымораживатель, состоящий из 3-х теплообменников Т11-1, Т11-2 и Т11-3 (или Т12-1, Т12-2 и Т12-3), где за счет использования холода обратного потока газа из теплообменника Т2-1 происходит вымораживание влаги. Очищенный газ после фильтра Ф1-2 разбивается на два потока.

Один поток (большую часть) направляют в вымораживатель для рекуперации холода, а на выходе из вымораживателя через фильтр подают последовательно на турбодетандеры Д1 и Д2, а после них направляют в обратный поток на выходе из сепаратора С2-1.

Второй поток направляют в теплообменник Т2-1, где после охлаждения дросселируют через дроссель ДР в сепаратор С2-1, в котором производят отделение жидкой фазы от его паров. Жидкую фазу (сжиженный природный газ) направляют в накопитель и потребителю, а паровую фазу подают последовательно в теплообменник Т2-1, вымораживатель Т11 или Т12 и теплообменник Т3-2, а после него в магистраль низкого давления, расположенную после газораспределительной станции, где давление становится равным 0,28-0,6 МПа.