Материал: Производство серной кислоты при повышенном давлении

Внимание! Если размещение файла нарушает Ваши авторские права, то обязательно сообщите нам

Производство серной кислоты при повышенном давлении

Российский химико-технологический университет им. Д.И. Менделеева

Кафедра общей химической технологии










Курсовая расчетная работа по теме:

«Производство серной кислоты при повышенном давлении»










Москва 2014

Задание

Схема функционирует под общим давлением 0,6 МПа.

Воздух после сушильной башни поступает в контактный аппарат 4 с температурой 30ºС. Степень сгорания серы принята равной 100%.

Степень превращения диоксида серы в контактных аппаратах 4 и 5 по заданию составляет 0,96 и 0,98 соответственно.

В абсорберах 6 и 7 происходит полное поглощение серного ангидрида.

Производительность 100%-ой серной кислоты: 1300 т/сутки.

Массовое соотношение серная кислота: олеум = 5:1.

Содержание свободногоSO3 в олеуме: 6%.

Парциальное давление водяных паров в воздухе 3,2 КПа.

Концентрация диоксида серы на выходе из печи 13,4% об.

Концентрация орошающей кислоты в сушильной башне 92,4% масс.

Концентрация орошающей кислоты в моногидратном абсорбере 98,7% масс.

Задание:

исходя из технологической схемы производства серной кислоты, составить ее операторную схему;

найти аналитическое выражение для расчета общей степени превращения диоксида серы по ее значениям для 1-ой и 2-ой степеней контактирования;

рассчитать материальный баланс ХТС производства серной кислоты в целом;

составить материальные балансы для 1-ой и 2-ой ступеней контактирования, для этого определить:

объем и состав газовой смеси перед 1-ой ступенью;

объем и состав газовой смеси на выходе из нее;

количество и состав газа после 2-ой ступени;

составить материальный баланс сушильной башни, определить:

количество паров воды в воздухе, поступающем на сушку;

потоки олеума и кислоты, поступающие из абсорберов 6 и 7 в сборник сушильной башни;

количество воды, направляемой в сборник кислоты сушильной башни для разбавления кислоты до заданной концентрации;

потоки кислоты, поступающей в сборники абсорберов из сборника сушильной башни;

составить материальный баланс абсорбционного отделения. Для этого определить:

количество серного ангидрида, поглощаемого в абсорберах;

потоки олеума и кислоты, поступающие из сборников абсорберов в сборник сушильной башни и из сборника сушильной башни в сборники абсорберов;

рассчитать объем и состав выхлопных газов.

Введение

Среди многих сотен тысяч органических соединений, известных в настоящее время, серной кислоте принадлежит особая роль.

Широкий спектр применения серной кислоты, прежде всего, обусловлен ее физическими и химическими свойствами. Серная кислота - бесцветная едкая тяжелая маслообразная жидкость без запаха, смешивается с водой в любых соотношениях. Эта кислота гигроскопична, то есть способна поглощать влагу из воздуха. При обычной температуре она не летуча и не имеет запаха. Серная кислота взаимодействует почти со всеми металлами. Скорость этого взаимодействия зависит от природы металла, концентрации кислоты и температуры.

На поглощении воды серной кислотой основана осушка газов.
Серную кислоту выпускают нескольких сортов, в зависимости от того, для производства какого продукта она требуется. Например, для производства медицинских препаратов, особо чистых реактивов, для заливки аккумуляторов требуется чистая кислота. В других случаях для производства подойдет менее чистая серная кислота, так называемое купоросное масло. Сернокислотная промышленность выпускает олеум, используемый при производстве некоторых органических препаратов и взрывчатых веществ. Олеум представляет собой раствор серного ангидрида в серной кислоте.
В современном мире многие отрасли промышленности такие как, металлургия, нефтяная промышленность, производство удобрений, микроэлектронное производство, тонкие химические технологии - немыслимы без применения серной кислоты.

Например, большое количество серной кислоты используется для получения фосфорных и азотных удобрений. В металлургии серную кислоту применяют для обнаружения микротрещин в готовой продукции, а также серную кислоту используют в цехах гальванопокрытий. Также серная кислота необходима для переработки различных руд и ископаемых. Большое количество серной кислоты требуется нефтеперерабатывающей промышленности для очистки нефти и ее различных фракций. В органическом синтезе концентрированная серная кислота - необходимый компонент при получении многих красителей и лекарств.

1. Теоретическая часть

.1 Производство серной кислоты

Сырьевая база производства серной кислоты - это серосодержащие соединения, из которых с помощью обжига можно получить диоксид серы. В промышленности около 80% серной кислоты получают из природной серы и железного колчедана. Иногда в качестве сырья используют отходящие газы цветной металлургии, получаемые при обжиге сульфидов цветных металлов и содержащие диоксид серы, а в некоторых производствах применяют сероводород, образуемый при сероочистке в нефтепереработке. При получении серной кислоты из отходящих газов стадия обжига входит в состав другого производства.

Химическая схема производства серной кислоты из серы включает следующие стадии:

S + O2 =>SO2 + Qр (1)+ 1/2 O2<=> SOз + Qр (2)

SOз + H2O<=>H2SO4 + Qр (3)

Минеральное сырье содержит примеси, поэтому функциональная схема включает еще стадию очистки газа после его обжига. Сера - легкоплавкое вещество с температурой плавления 386 К. Перед сжиганием ее расплавляют, используя пар, получаемый при утилизации теплоты горения. Расплавленная сера отстаивается и фильтруется для удаления имеющихся в природном сырье примесей, затем насосом подается в печь сжигания.

При горении серы по реакции 1 часть кислорода эквимолярно переходит в диоксид серы, поэтому суммарная концентрация О2 и SO2постоянна и равна концентрации кислорода Со в исходном газе (а+b = Со), так что при сжигании серы в воздухе:
= 0,21 - a.

Описание технологического процесса, функциональная и операторная схемы.

серный кислота диоксид производство

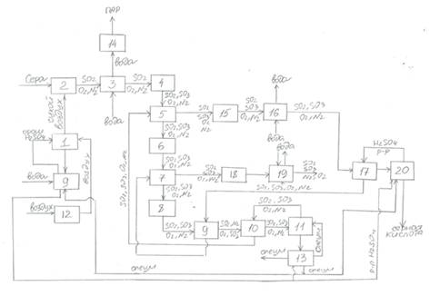
Рис. 1 - Технологическая схема производства серной кислоты при повышенном давлении

Расправленная сера подается с потоком воздуха в печь 2 , где сжигается до диоксида серы.

Сернистый газ охлаждается в котле-утилизаторе 3 и направляется в контактный аппарат 4, где на катализаторе осуществляется процесс окисления SO2 в SO3 методом двойного контактирования с промежуточной абсорбцией SO3 в абсорбере 6.

Трехслойный контактный аппарат 4 составляет первую ступень контактирования. Нагретый за счет химической реакции газ после прохождения каждого из трех слоев катализатора охлаждается в теплообменнике 8.

Газ после первой ступени освобождается от SO3 в абсорбере 6.

Контактный аппарат 5 представляет собой вторую ступень контактирования - в ней происходит доокисление непрореагировавшего SO2.

После доокисления газовая смесь охлаждается в экономайзере 13 и поступает в моногидратный абсорбер 7.

Сушка атмосферного воздуха нагнетаемого компрессором 10 производится в сушильной башне 1 орошаемой концентрированной серной кислотой.

После абсорбера 7 газ подогревается в теплообменнике 8, после чего отправляется на газовую турбину 12 и затем в экономайзер 13.

Продукция в виде олеума и моногидрата отбирается из абсорберов 6 и 7.

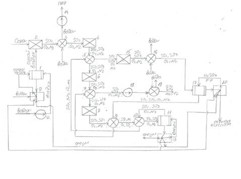
Рис. 2 - Структурная схема производства серной кислоты при повышенном давлении: 1 - сушильная башня; 2 - печь для сжигания серы; 3- котел-утилизатор; 4,6,8,15 - контактный аппарат; 5,7,9,10 - теплообменники; 11 - олеумный абсорбер; 12 - компрессор; 9,13,20 - сборники; 14 - паровая турбина; 16,19 - экономайзеры; 17 - моногидратный абсорбер; 18 - газовая турбина

Рис. 3 - Операторная схема производства серной кислоты при атмосферном давлении:1 - сушильная башня; 2 - печь для сжигания серы; 3- котел-утилизатор; 4,6,8,15 - контактный аппарат; 5,7,9,10 - теплообменники; 11 - олеумный абсорбер; 12 - компрессор; 9,13,20 - сборники; 14 - паровая турбина; 16,19 - экономайзеры; 17 - моногидратный абсорбер; 18 - газовая турбина

Основные этапы сернокислого производства.

Процесс производства серной кислоты из элементарной серы состоит из следующих основных этапов:

. Подготовка сырья: очистка и плавление серы; очистка, сушка и дозировка воздуха;

. Сжигание серы:

+ O2 = SO2 (1).

Процесс ведут с избытком воздуха. Выделяется очень большое количество теплоты ΔН = -362,4 кДж/моль

. Контактное окисление SO2 в SO3:

SO2+ 0,5O2 = SO3 (2).

на ванадиевом катализаторе при температуре 420-550˚C, тепловой эффект реакции при 500˚C составляет 94,23 кДж/моль;

4. Абсорбция SO3:

SO3 + H2O = H2SO4 (3).

Абсорбционная колонна орошается 98,6% H2SO4. Перед отправкой на склад кислота разбавляется до ~ 93%

2. Расчетная часть

.1 Материальный баланс процесса


Воздух (N2,O2)

Рис. 4

Расчет производительности серной кислоты (кмоль/ч).

Производительность по 100% серной кислоте - 1300 т/сутки.

Тогда:

П(т/сутки)=П*1000/(кол-во часов в сутки)=П(кг/ч).

П (с.к.) = 1 300 000 / 24 = 54 166,667 кг/ч.

П (с.к.) (кмоль/ч) =( П (с.к.) кг / ч ) / (М (с.к.) кг / кмоль).

М (с.к.) = 2 + 32 + 64 = 98 кг / кмоль.

П (с.к.) = 54 166,667/98 = 552,721 кмоль /ч.


Рассчитаем количество получившегося олеума:


где n - массовое соотношение кислоты и олеума


На основании этих данных, а также зная степени превращения и абсорбции мы можем рассчитать количество серы, необходимое для получения продуктов. Примем, что вся сера сгорает полностью:


По реакциям, проходящим, видим, что стехиометрические соотношения одинаковы и равны единице:

S + O2 = SO2+ O2 = SO3

SO3 + H2O = H2SO4

Составим уравнение, где x - это кол-во серы (сернистого газа, так как окисление серы до диоксида происходит 100%).:

После 1ой ступени окисления поток:


После абсорбции в олеумном абсорбере:


После 2ой ступени окисления:


После абсорбции в моногидратном абсорбере:


Общее аналитическое выражение для расчета общей степени превращения сернистого газа:


Найдём количество серы, затраченное на образование олеума и серной кислоты. Олеум состоит из SO3 и серной кислоты. Содержание SO3в олеуме 6%:


Количество серы, затраченное на образование товарной кислоты:


Общее количество серы, затраченное на образование товарных продуктов:



Доля серы, потерянная в отходящих газах:


Зная количество серы, рассчитаем количество воздуха, необходимое для её сжигания. По уравнению реакции окисления найдём количество затраченного кислорода:

+ O2 = SO2


Концентрацию кислорода в сернистом газе можно найти по уравнению:


Количество кислорода, оставшегося после реакции:


Определим поток сухого воздуха.

Для этого составим пропорцию:


Определим количество воды в воздухе до осушки.


Количество влажного воздуха:


Часть поступившего кислорода также уйдёт на окисление диоксида серы в триоксид серы. Рассчитаем это количество оставшегося кислорода после 1-ой ступени окисления с учётом степени превращения диоксида серы:

+ O2 = SO3



Рассчитаем кислород, оставшийся после 2ой ступени окисления. Для этого рассчитаем количество диоксида серы, идущего на эту стадию:


Кол-во азота не меняется в ходе реакции.


Найдём количество воды, поступающей в систему из крана, для этого сложим поступающие потоки и вычтем исходящие: