Существует много разновидностей и модификаций магистральных, которые с учётом степени надёжности делят на две группы: одиночные магистрали и схемы с двумя и более сквозными магистралями. Одиночные магистрали без резервирования допускаются только для потребителей III категории. Схемы с двумя и более сквозными магистралями имеют высокую надёжность и могут применяться для потребителей любой категории надёжности.
При магистральных схемах питание цеховых подстанций на вводе к
трансформатору устанавливают более дешёвую коммутационную аппаратуру. Применяем
смешанную схему, сочетающую преимущества радиальной и магистральной схем.
4. Автоматизированное проектирование внутризаводской электрической сети
Для проектирования внутризаводской электрической сети используем диалоговую учебно-исследовательскую САПР внутризаводского электроснабжения на базе персонального компьютера. Данная САПР позволяет проектировать сети 6-20 кВ промышленных предприятий. Обеспечивает в режиме диалога оптимизацию выбора количества, размещения и типоразмеров трансформаторных подстанций 6-20/0,38-0,66 кВ, отыскание оптимального варианта схемы и конфигурации электрической сети 6-20 кВ, расчёт наивыгоднейшего распределения компенсирующих устройств по узлам сети и на стороне ВН и НН, выбор экономичных сечений линий распределительной сети и их оптимизацию с учётом ограниченного набора сечений, расчёт токов К.З. в узлах сети 6-20 кВ и на стороне первичного напряжения ГПП, расчёт потерь напряжения и определение годовых приведённых затрат на спроектированную распределительную сеть.
Система реализована на языке QW-BASIC и имеет аварийную структуру: резидентный (головной модуль) TD управляет загрузкой рабочих модулей.
Вся работа системы осуществляется в режиме диалога, то есть пользователь на всех этапах активно управляет процессом проектирования.
Предусмотрено выполнение следующих модулей:
ОТ®ТП®ОС®СХ®ОП®СП®КЗ®ПН®ТЭ
Указанная последовательность должна сохранятся при выполнении данных модулей. Характеристика этих модулей дана в пунктах 4.3-4.9.
Также предусмотрены сервисные модули ПП, ЗП, ЧТ, которые могут быть выполнены на любом этапе проектирования.
Модуль ПП - предназначен для просмотра и печати данных, выводимых группами (см. прил. 2 и 3).
Модуль ЗП - предназначен для записи всех данных решаемой задачи в дисковый файл при прерывании работы.
Модуль ЧТ - предназначен для чтения из дискового файла в оперативную
память ЭВМ всех данных, ранее записанных модулем ЗП.
.1 Подготовка исходных данных и выбор местоположения ГПП
Имеется генплан предприятия (см. 1004.058…..ГЧ03), а также данные по потребителям (см. табл. 4.1 и табл. 4.2).
Исходные данные по заводу представлены в таблице 4.1,
где: S PTз - суммарная расчетная нагрузка завода, включающая в себя и мощность всех синхронных двигателей.
NC - количество высоковольтных синхронных двигателей типа СДН установленных в компрессорной завода, напряжением 10 кВ, скорость вращения 1000 об/мин, cos jн=0,9.
NC - количество синхронных двигателей.
PH - мощность синхронных двигателей.
L - удаленность от завода источника питания.
SK - мощность короткого замыкания на шинах 110 кВ районной подстанции.
TGH - тангенс угла нагрузки на границе предприятия и энергосистемы.
|
Количество цехов |
S PTз, МВ×А |
NC, шт. |
PH, кВт |
L, км |
SK, МВ×А |
TGH |
|
9 |
32 |
4 |
1600 |
14 |
1400 |
0,11 |
Источником питания завода служит районная подстанция. Питание осуществляется двумя воздушными одно-цепными линиями электропередачи напряжением 110 кВ. Главная понизительная подстанция находится у нижней границе завода.
Исходные данные по цехам завода представлены в таблице 4.2,
где: I - номер цеха (группы электроприёмников);
PT, QT - расчётные (среднесменные) мощности электроприёмников НН цеха; кВт, квар соответственно;
X, Y - координаты вводного шкафа или центра нагрузок электроприёмников цеха; м (в натуральных метрах);
MT - минимальное количество устанавливаемых в цехе подстанций;
KZ - коэффициент загрузки их трансформаторов.
Номер категории определяет количество MT устанавливаемых в цехе подстанций, а также максимальное
значение коэффициента KZ
загрузки их трансформаторов.
|
№ цеха |
Наименование |
PT, кВт |
QT, квар |
X,м |
Y,м |
Категория |
MT |
KZ |
|
1 |
Сборочный |
3400 |
2550 |
120 |
340 |
2 |
2 |
0,8 |
|
2 |
Тарный |
600 |
450 |
310 |
340 |
3 |
1 |
0,9 |
|
3 |
Компрессорный |
400 |
300 |
555 |
335 |
1 |
2 |
0,6 |
|
4 |
Сварочный |
4000 |
3000 |
115 |
210 |
2 |
2 |
0,8 |
|
5 |
Литейный |
6000 |
4500 |
340 |
210 |
1 |
2 |
0,6 |
|
6 |
Термический |
5000 |
3750 |
570 |
210 |
2 |
2 |
0,8 |
|
7 |
Штамповочный |
4500 |
3380 |
115 |
70 |
2 |
2 |
0,8 |
|
8 |
Гальванический |
2000 |
1500 |
340 |
70 |
2 |
2 |
0,8 |
|
9 |
Инструментальный |
700 |
530 |
565 |
70 |
3 |
1 |
0,9 |
.2 Определение оптимального местоположения ГПП
ГПП - это подстанция, получающая питание непосредственно от энергосистемы и распределяющая электроэнергию на более низком напряжении по всему предприятию. Выбор местоположения ГПП рекомендуется производить путём определения центра электрических нагрузок. Он определяется по правилам нахождения центра тяжести плоского тела.
Определены координаты центров электрических нагрузок цехов (см. табл.
4.3).
Таблица 4.3 Мощности и координаты центров электрических нагрузок цехов
I
Si, кВ×А
Xi, м
Yi, м
1
4250
120
340
2
721
310
340
3
500
555
335
4
5000
115
210
5
7500
340
210
6
6250
570
210
7
5628
115
70
8
2500
340
70
9
878
565
70
Координаты условного центра электрических нагрузок завода определены по
формулам:
где: Si - полная мощность цеха;
Xi и Yi - координаты центра нагрузок;
i -
номер цеха.
Выбрано место расположения ГПП руководствуясь следующими факторами:
1. Возможностью размещения ГПП на линии
соединяющей источник питания и центр электрических нагрузок.
2. Удобство подхода воздушной линии ЛЭП
110 кВ.
3. Учёт "розы ветров"
(наиболее вероятное направление ветра со стороны ГПП на территорию
предприятия).
Итак, приняты следующие координаты ГПП: X0=433 м; Y0=375 м. Такое местоположение ГПП
позволяет снизить затраты на распределительную сеть, а также учтена перспектива
развития предприятия.
.3 Оптимизация числа, мощности и выбор местоположения цеховых ТП
Оптимизацию выполнена с помощью модуля ОТ. Он предназначен для
определения расчётных затрат на ТП и кабельные линии 10 кВ и 0.4 кВ для
различных вариантов размещения, количества и мощности ТП, формируемых
автоматически и "вручную" и выбора варианта с наименьшими расчётными
затратами. Исходные данные:
N -
количество цехов (групп электроприёмников); N=9;
I, PT(I), QT(I), X(I), Y(I), MT(I), KZ(I) - смотрите п.4.1;(I), YC(I) - координаты ТП. Условно
принимаем, что координаты ТП совпадают с координатами центра электрических
нагрузок цеха. То есть XC(I)=X(I) и YC(I)=Y(I).
Параметры электрической цепи:
ZB=0,93
руб./м - начальная стоимость кабеля НН, не зависящая от сечения;
ZH=0,028
руб./м - стоимость сечения кабеля;
Эти величины выбираются в зависимости от типа кабеля и способа прокладки
в предположении, что капиталовложения линейно зависят от сечения, например, по
справочнику для сечения F1 и F2 капиталовложения К1 (руб./м) и К2
(руб./мм2×м) соответственно.
где: MA=1 - код материала кабеля НН;
UB=0,4
кВ - среднее напряжение сети НН;
GK=1,8
руб./м - начальная стоимость кабеля 10 кВ;
HK=0,022
руб./мм2×м - стоимость сечения кабеля 10 кВ;
MM=1 -
код материала кабеля высокого напряжения (алюминий);
U=10,5
кВ - среднее напряжение сети ВН;
CO=100
руб./кВт×год - стоимость электроэнергии.
После ввода исходных данных в ЭВМ рассчитывается затраты для
автоматически формируемых вариантов количества и размещения ТП, а также поиск
оптимального варианта. Алгоритм исключения работает следующим образом: первый
вариант - все намеченные ТП установлены на своих местах. Последующие варианты
получаются путём поочерёдного исключения наименее полезной ТП. Последний
вариант имеет всего одну ТП.
Сформирован ряд вариантов с различными типами трансформаторов и
оптимизирован с помощью алгоритма. Выбраны оптимальные варианты и сведены в
таблицу 4.4:
где: Sном - мощность выбранных
трансформаторов;
ЗА - общие расчётные затраты по варианту, руб./год.
Наиболее экономичным является вариант № 9, поэтому для ТП цехов приняты
трансформаторы с мощностью 1000 и 2500 кВ×А.
Таблица 4.4 Затраты для вариантов мощности КТП
Номер варианта
Sном, кВ×А
Затраты ЗА, руб.
1
630
129655
2
1000
99657
3
1600
95900
4
2500
87807
5
630, 1000 6
630, 1600
93505
7
630, 2500
84208
8
1000, 1600
92483
9
1000, 2500
81982
10
1600, 2500
84194
.4 Распределение ТП и подготовка данных по участкам цехов завода
В таблице 4.5 ТП распределены между двумя трансформаторами ГПП, при
соблюдении равенства их загрузки.
Таблица 4.5 Распределение КТП между трансформаторами ГПП
№ цеха
NT
Sном, кВ×А
NT для 1Т
NT для 2Т
1
2
2500
1
1
2
1
1000
1
-
3
2
1000
1
1
4
3
2500
2
1
5
5
2500
2
3
6
3
2500
2
1
7
3
2500
1
2
8
2
2500
1
1
9
1
1000
-
1
Итого:
9х2500+2х1000
9х2500+2х1000
Модуль ТП - модуль ввода исходных данных по подстанциям. Он не является
альтернативным по отношению к модулю ОТ, то есть при проектировании должны
выполнятся оба.
В этом модуле вводим низковольтные нагрузки, количество и номинальные
мощности ТП, а также некоторые параметры электрической сети 6 - 20 кВ.
Цеховые ТП на заводе питаются по магистральной схеме. Для правильного
формирования магистралей необходимо цеха разбить на участки, обслуживаемые
одной КТП. На чертеже ген.плана (см. рис. 1) показано разбиение цехов на участки,
где определены координаты местоположения КТП в каждом из них.
Нагрузки участков определяются как доли нагрузок цеха, пропорциональные
числу находящихся на участке КТП:
Данные по участкам занесены в таблицу 4.6.
Таблица 4.6 Исходные данные по участкам цехов
№ участка
P,кВт
Q,квар
SНОМ, кВ×А
NT, шт.
XC,м
YC,м
Для первой половины завода
1
1700
1275
2500
1
75
300
2
600
450
1000
1
310
300
3
200
150
1000
1
550
300
4
1333
1000
2500
1
50
260
5
1333
1000
2500
1
180
260
6
1200
900
2500
1
290
260
7
1200
900
2500
1
390
260
8
1666
1250
2500
1
500
260
9
1666
1250
2500
1
635
260
10
1500
1127
2500
1
115
120
11
1000
750
2500
1
295
120
Для второй половины завода
1
1700
1275
25001
1
165
300
2
200
150
1000
1
560
300
3
1333
1000
2500
1
115
260
4
1200
900
2500
1
280
260
5
1200
900
2500
1
340
260
6
1200
900
2500
1
400
260
7
1666
1250
2500
1
570
260
8
1500
1127
2500
1
50
120
9
1500
1127
2500
1
180
120
10
1000
750
2500
1
385
120
11
700
530
1000
1
565
120
.5 Построение экономичной схемы внутризаводской электрической сети
Построение схемы осуществлено с помощью модуля ОС - модуль оптимизации
сети, предназначенного для нахождения наиболее экономичного варианта схемы и
конфигурации распределительной сети 10 кВ. Этот модуль выдаёт те же результаты,
что и модуль СХ, поэтому при работе с системой достаточно выполнить один из
них.
Исходные данные:
KN=15
(15) - количество узлов сети 10 кВ для первой половины завода (в скобках для
второй);
I -
номер узла;
R(I) - активное сопротивление
сосредоточенного элемента включённого в узел (принимаем R(I)=0);
PA(I), QA(I) - расчетные
мощности асинхронной нагрузки 10 кВ в узле, кВт, квар (PA(I)=0; QA(I)=0);
PH(I) - активная номинальная мощность
одного синхронного двигателя 10 кВ в узле, кВт (PH(I)=0);
D1, D2 - номинальные потери активной
мощности на выработку реактивной в СД, кВт;
N(I) - количество однотипных синхронных
двигателей в узле (N(I)=0).
Также вводим параметры СД и трансформатора ГПП из таблицы 4.7:
Таблица 4.7 Исходные данные по узлам РП и ГПП
№ узла
R,Ом
PA, кВт
QA, квар
PH, кВт
D1, кВт
D2, кВт
N, шт.
XC,м
YC,м
Для первой половины завода
12
-
-
-
1600
7,58
7,56
2
505
320
13
0,021
-
-
-
-
-
-
433
375
14
0,021
-
-
-
-
-
-
433
375
15
-
-
-
-
-
-
-
433
375
Для второй половины завода
12
-
-
-
1600
7,58
7,56
2
505
320
13
0,021
-
-
-
-
-
-
433
375
14
0,021
-
-
-
-
-
-
433
375
15
-
-
-
-
-
-
-
433
375
Задача поиска оптимальной конфигурации сети формируется следующим
образом: на местности имеется множество узлов-потребителей с известными
мощностями и один узел-источник (корневой узел) с неограниченной мощностью.
Требуется соединить корневой узел со всеми узлами-потребителями сетью
древовидной структуры, имеющей минимальные приведённые затраты. Для решения
поставленной задачи имеется 4 алгоритма:
М - алгоритм минимальной длины;
З - алгоритм зон;
Д - алгоритм динамического программирования;
В - вариант пользователя. aå=åai=min
где: ai - длина линии питающей узел i;
n -
количество узлов.
Алгоритм М может построить сеть, имеющую возвраты потоков мощности,
приводимые к возрастанию затрат.
Алгоритм З также формирует сеть минимальной длины, но с учетом запрета на
возврат потоков мощности.
Алгоритм Д, построенный на принципе динамического программирования,
формирует сеть с минимальными приведёнными затратами:
ЗА=å(С+D×Si)=min
где: C и D - коэффициенты линейной математической модели затрат на ЛЭП;
Si - мощность передаваемая по линии i.
Все алгоритмы при поиске минимума не учитывают затрат на РП 6-20 кВ,
устанавливаемые в узлах, имеющих более одной отходящей линии.
Четвёртый метод - формирование сети самим пользователем (алгоритм В)
позволяет оценить затраты на сеть и сравнить различные её варианты, полученные
в режиме графического диалога. Схема сети задаётся и вводится её графом. На
экране изображается тип сети и пользователю предлагается внести изменения.
Результатами расчётов являются таблицы параметров электрической сети (см.
табл. 4.8), полученных с помощью различных алгоритмов, имеющие следующие
колонки:
NK -
номер корневого узла;
LL -
суммарная длина линии 6-20 кВ; м;
ЗЛВ - расчётные затраты на линию 6-20 кВ, руб./год;
ЗРУ - расчётные затраты на ячейки распредустройст 6-20 кВ, руб./год;
ЗА - общие расчётные затраты по варианту, руб./год;
Таблица 4.8 Показатели вариантов схем сети 10 кВ
Алгоритм расчёта
NK
LL
ЗЛВ
ЗРУ
ЗА
Для первой половины завода
М
15
1282
5091
5720
10811
З
15
1365
4519
6292
10811
Д
15
1558
3895
8580
12475
В
15
2251
3947
8008
11955
Для второй половины завода
М
15
1304
5591
6292
11883
З
15
1502
5086
6292
11378
Д
15
1522
4251
9752
13403
В
15
2232
4369
7436
11805
Распределительные устройства устанавливаются автоматически в узлах,
имеющих электродвигатели 6-10 кВ или более одной отходящей линии. Количество
ячеек в них равно количеству отходящих линий плюс одна вводная. Приведённые
затраты на ячейки определяются по формуле:
ЗРУ=Кн×Кяч×n
где: Кн - нормативный коэффициент окупаемости
капиталовложений, 1/год;
Кяч - стоимость ячейки в рублях;
n -
количество ячеек в сети.
При построении схемы распределительной сети 10 кВ по алгоритмам М, З и Д
не учитываются следующие рекомендации, обеспечивающие необходимую надёжность
схемы: рекомендуется питать от одной магистрали не более двух трансформаторов
2500 кВ×А или не более трех трансформаторов
1000 кВ×А.
Схемы распределительной сети 6-20 кВ скорректированные с целью
выравнивания активных нагрузок расщеплённых частей обмотки НН ТРО ГПП
представлены на рис. 1.
Рис.1. Окончательные варианты графов сети
.6 Оптимизация размещения компенсирующих устройств
Оптимизация размещения компенсирующих устройств осуществлена с помощью
модуля ОП - модуля оптимизация размещения компенсирующих устройств. В этом
модуле осуществляется поиск оптимального варианта размещения конденсаторных
батарей 0,4 кВ, 6-20 кВ и загрузки имеющихся синхронных двигателей реактивной
мощностью.
Для оптимизации необходимо рассчитать удельную стоимость передачи
реактивной мощности. Затраты в энергосистеме Зэ (руб.) на генерацию
и передачу реактивной мощности (Qэ) в сеть промышленного предприятия
определяются квадратичной зависимостью:
где: ZE1 - удельная стоимость выработки
реактивной мощности (ZE1=0,65
руб./квар, так как не зависит от параметров питающей сети);
ZE2 -
удельная стоимость передачи реактивной мощности определяемая по формуле
(руб./Мвар2):
где: RЛЭП - сопротивление питающей линии,
приведённое к стороне 10,5 кВ, Ом;
RT=0,021/2=0,0105
Ом - сопротивление трансформатора ГПП от конца ЛЭП до корневого узла (для ТРО
это RT/2 из табл. 4.9).
Таблица 4.9 Электрические параметры
трансформатора ТРДН
Sном, кВ×А
ΔРк, кВт
UкВН1, %
UкВН, %
RT, Ом
RT*
XT*
XS*
25000
120
20
10,5
0,021
0,019
0,04
0,760
Расчётный ток ЛЭП определим из суммарной нагрузки завода:
С учётом экономической плотности тока 1,1 А/мм2 получено
экономическое сечение F=I/j=84/1,1=76 мм2, принимаем ближайшее наименьшее
стандартное сечение F=70 мм2.
С учётом удельного сопротивления алюминиевых проводов, получено удельное
активное сопротивление ЛЭП: Rо=ρ/F=31,5/70=0,45 Ом/км.
Найдено сопротивление ЛЭП приведённое к стороне 10,5 кВ6
После ввода данных произведён спуск к минимуму целевой функции затрат.
Затем, исключены КБ малой мощности и на НН в цехах, и на ВН в РП и на ГПП,
минимизированы затраты на КБ. Полученные значения округлены до ближайших
стандартных значений (см. прил. 2,3).
Выбраны стандартные конденсаторные батареи (см. прил. 2,3).
.7 Оптимизация сечений линий
Оптимизацию сечений линий проведена с использованием модуля СП,
предназначенного для выбора сечений кабельных линий 10 кВ и ЛЭП ВН по нагреву
током послеаварийного режима, и по расчётным затратам.
ML -
код материала проводника ЛЭП ВН (ML=1
для алюминия);
XO -
удельное реактивное сопротивление ЛЭП ВН (XO=0,4 Ом/км);
DL -
длина ЛЭП ВН (DL=14 км);
DE -
экономическая плотность тока для ЛЭП ВН (DE=1,1 А/мм2);
UL -
номинальное напряжение ЛЭП ВН (UL=110
кВ);
MP -
способ прокладки кабелей сети 10 кВ (MP=1 в земле).
Для каждой ЛЭП распределительной сети принята нагрузка линии в
послеаварийном режиме вдвое большая, чем в нормальном режиме (S2=200%). Для каждой ЛЭП повторяется
следующая операция расчёта и выбора сечения. В начале определяется ток
нормального режима:
где: PT и QT - нагрузка линии в нормальном режиме (из модуля ОП);
U -
номинальное напряжение.
Ток послеаварийного режима:
Сечение по нагреву определяются путём перебора длительно допустимых токов
Iдд кабелей до достижения условия:
где: nк - количество параллельно проложенных кабелей;
Кп - поправочный коэффициент на количество проложенных в земле
кабелей:
Кп=1-0,0917×( nк-1)+0,0017×( nк-1)2
В процессе технико-экономического расчёта повторяется определение
расчётных затрат для увеличивающихся стандартных сечений, начиная с сечения
выбранного по нагреву.
Расчёты выполняются до тех пор, пока очередные затраты не станут больше
затрат ближайшего меньшего сечения. Таким образом отыскивается минимум затрат
на ЛЭП в функции сечёния.
Затем выполняем оптимизацию количества используемых сечений, которая
заключается в определении сечений всех линий сети из ограниченного набора, при
обеспечении минимума приведённых затрат и при соблюдении условий допустимого
нагрева кабелей.
Оптимизация начинается с ввода максимально допустимого количества сечений
NF (принимаем NF=2), после чего автоматически формируются варианты количества
сечений от 1 до NF. Для каждого из
этих вариантов производится выбор сечений линий из ограниченного набора.
Например, при М=1 выбирается лишь одно сечение для всех линий и оптимизация
заключается в выборе этого сечения из всего набора стандартных и в выборе числа
параллельно проложенных кабелей. При М=2 производится перебор всех возможных
сочетаний по два из всего набора стандартных сечений; для каждой линии
выбирается наивыгоднейшее сечение из двух и отыскивается глобальный минимум
затрат.
Рассчитаны затраты для пяти сечений, они приведены в табл. 4.10:
где: М - количество сечений;
ЗА - годовые расчётные затраты, руб./год.
Исходя из соображений унификации приняты два стандартных сечения 150 мм2
и 240 мм2. Результаты выбора кабельных линий оформлены в таблице
4.10.
Для питающей ЛЭП 110 кВ рассчитано три сечения:
1. По нагреву, с учётом нагрузки в
послеаварийном режиме: F=35
мм2;
2. По экономической плотности тока: F=70 мм2;
3. По условиям короны: F=70 мм2.
Выбрано сечение по экономической плотности тока, т.е. F=70 мм2 и получено:
KK=1 -
количество проводов в фазе;
RL=6,3
Ом - активное сопротивление ЛЭП;
XL=5,6
Ом - реактивное сопротивление ЛЭП.
Таблица 4.10
Результаты оптимизации
сечений линии 1
4112 (4897)
185 (150)
2
4021 (4722)
150 240 (150 240)
5
3985 (4710)
-
.8 Расчёт токов короткого замыкания
Прибегнем к модулю КЗ. Он предназначен для определения действующего значения
начального периодического тока К.З. на стороне высшего напряжения ГПП и в узлах
сети 10 кВ. Рассчитываются два значения этих токов - с учётом и без учёта
подпитки от электродвигателей 10 кВ. Рассматриваются такие термически
устойчивые сечения кабельных линий для выдержки времени защиты DT.
Исходные данные:
SK=1400
МВ×А - мощность К.З. на шинах подстанции
энергосистемы;
SB=100
МВ×А - базисная мощность;
XT=0,04
- оптимальное базисное реактивное сопротивление от конца ЛЭП ВН до корневого
узла. Корневой узел - это шины вторичного напряжения ГПП, поэтому XT - сопротивление трансформатора (см.
табл. 4.9);
RT=0,019
- то же, но активное сопротивление;
X0=0,08
Ом/км - удельное реактивное сопротивление кабельных ЛЭП сети 10 кВ. Результаты
расчёта токов К.З. приведены в приложении 2,3.
.9 Определение потерь напряжения
Модуль предназначен для определения потерь напряжения в процентах от
нормального режима, от корневого узла, до всех узлов сети с выделением узлов,
имеющих минимальные и максимальные потери, дополнительных данных не требуется.
Из расчетов видно, что потери напряжения в узлах сети не превышают допустимых
значений: max = 0,1855, а min = 0 (для первой половины завода), max = 0,264, а min = 0 (для второй половины завода).
.10 Технико-экономический расчёт в СЭС
Используем модуль ТЭ, предназначенный для определения суммарных расчетных
затрат на спроектированную СЭС. Суммарные расчётные затраты вычислены по
формуле:
ЗΣ=ЗВ+ЗП+ЗН+ЗД+ЗС+ЗТ+ЗР
где: ЗВ - расчётные затраты на КБ 10 кВ;
ЗП - стоимость потерь электроэнергии в цеховых
трансформаторах;
ЗН - расчётные затраты на КБ 0,4 кВ;
ЗД - стоимость потерь электроэнергии в СД;
ЗС - расчётные затраты на шины заводской распределительной
сети 10 кВ;
ЗТ - ежегодные отчисления от стоимости цеховых ТП;
ЗР - ежегодные отчисления от стоимости ячеек РУ 10 кВ.
В приложениях 2. и 3. приведены затраты отдельно по двум половинам
завода.
5. Выбор числа и мощности силовых трансформаторов ГПП
Критерием при выборе трансформаторов является надёжность
электроснабжения, расход цветного металла и требуемая трансформаторная
мощность. Наиболее часто ГПП промышленных предприятий выполняются
двухтрансформаторными.
Оптимальный вариант выбирается на основе сравнения капиталовложений и
годовых эксплутационных расходов. Выбор мощности трансформаторов ГПП
производится на основании расчётной нагрузки предприятия в нормальном режиме
работы с учётом режима энергоснабжающей организации по реактивной мощности. В
послеаварийном режиме (при отключении одного трансформатора) для надёжного
электроснабжения предусматривается питание потребителей от оставшегося в работе
трансформатора. Выбор номинальной мощности осуществляем по полной расчётной
мощности:
где: PР - расчётная активная мощность предприятия (см. прил.
2 и 3);
QЭ - реактивная мощность, передаваемая
из энергосистемы в период максимальных нагрузок (см. прил. 2 и 3).
Номинальная мощность трансформатора ГПП:
Итак, принимаем к установке два трансформатора: ТРДН 25000/110/10-10.
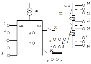
6. Компоновка ГПП
Схему ГПП выбирают с учётом установленной мощности потребителей
электроэнергии и категории их надёжности, характера электронагрузок и
размещения их на предприятие, а также производственных, архитектурно
строительных и эксплуатационных требований. В общем случае схемы ГПП включает в
себя два понизительных трансформатора, РУ высокого и низкого напряжения.
Наиболее простой и экономичной является схема подстанции без сборных шин
на ВН. Такая схема основана на блочном принципе и рекомендуется к применению на
все напряжения. Примем к установке РУ 110 кВ, выполненное на упрощенной схеме
двух блоков "линия 110 кВ - трансформатор", с установкой цепях
трансформаторов выключателей. Перед выключателем со стороны воздушной линии 110
кВ учитываются ремонтные разъединители.
Поскольку в качестве силовых трансформаторов ГПП применены трансформаторы
с расщеплённой обмоткой НН, то для РУ 10кВ используем схему с двумя
секционированными системами шин. Применение секционного выключателя
обеспечивает АВР, что позволяет использовать такую схему для потребителей
первой категории по надёжности и упростить схему первичной коммутации и
релейную защиту на вводах.
Конструктивное исполнение ГПП определяется принятой схемой и условиями
окружающей среды. Так как окружающая среда нормальная, то РУ 110 кВ выполняются
открытыми. Силовые трансформаторы ГПП также устанавливаются открыто.
Для РУ 10 кВ используем комплектные РУ (КРУ) в выкатном исполнении. КРУ
состоит из закрытых шкафов с встроенными в них аппаратами, измерительными,
защитными вспомогательными устройствами. Заводы изготовители выпускают
несколько серий КРУ. Сейчас наиболее широкое применение получают КРУ с
вакуумными выключателями, которые по своим техническим параметрам и габаритам
подходят для большинства промышленных установок.
Конструкция шкафов серий КРУ рассчитана на установку внутри помещений.
Для открытой установки вне помещений выпускают КРУ серии КРУН. Шкафы этих
устройств имеют уплотнения, обеспечивающие защиту аппаратуры от загрязнения.
Разработка проекта ГПП включает в себя выбор схемы и компоновку её конкретными
типовыми конструкциями КРУ. КРУ выбирают с учётом номинальных параметров
установленного электрооборудования, которые должны быть не менее расчётных
значений.
7. Система контроля и измерений на ГПП
Контроль за режимом работы основного и вспомогательного оборудования на
подстанциях осуществляется с помощью контрольно-измерительных приборов (КИП). В
зависимости от характера объекта и структуры его управления объём контроля и
место установки контрольно-измерительной аппаратуры могут быть различными.
В зависимости от особенностей режима работы даже на аналогичных
присоединениях количество КИП может быть различным.
На проектируемой ГПП устанавливаем следующие КИП:
1. В каждой цепи НН понизительного
трансформатора:
-амперметр;
ваттметр;
счётчик активной энергии;
счётчик реактивной энергии;
2. На каждой секции шин 10кВ:
-вольтметр для измерения междуфазного напряжения;
вольтметр с переключателем для измерения трёхфазных напряжений;
3. В цепи секционного выключателя:
-амперметр;
4. В цепи отходящих линий 10кВ:
-амперметр;
5. В цепи ТСН со стороны НН:
-амперметр и счётчик активной энергии;
6. В цепи КБ ВН:
-амперметр и счётчик реактивной энергии.
8. Расчёт токов К.З. на стороне 110 кВ
Р и с. 2. Расчётная схема замещения.
Определено сопротивление элементов схемы замещения (в именованных
единицах):
Энергосистема:
где: UБ - базисное напряжение;
SК - мощность К.З. на шинах подстанции
энергосистемы (см. табл. 4.1).
Воздушная ЛЭП:
xл=5,6 Ом
rл=6,3 Ом
Определено полное сопротивление:
рез=rл=6,3 Ом
xрез=5,6+9,4=15 Ом
Учёт активного сопротивления следует проводить в случае выполнения
условия: Определено начальное значение периодической составляющей тока К.З. в
точке К:
Определяем значение ударного тока К.З. в точке К:
где: Ку - ударный коэффициент, зависящий от постоянной времени
затухания апериодической составляющей тока К.З.:
где: 0,01 с - время после начала К.З, когда имеет место ударный ток;
Та - постоянная времени затухания апериодической составляющей
тока К.З.:
9. Выбор и проверка силовой аппаратуры
.1 Выбор выключателей
При выборе выключателей необходимо учесть 12 различных параметров, но так
как заводы-изготовители гарантируют определённую зависимость параметров,
например: Iвкл.ном≥Iоткл.ном; iвкл.ном≥1,8×√2×Iоткл.ном ; допустимо
производить выбор выключателей по важнейшим параметрам:
по напряжению установки: Uуст≤Uном;
по длительному току: Iнорм≤Iном; Iмах≤Iном;
где: Iмах - максимальный рабочий ток цепи в
которой установлен выключатель. Этот ток определяется исходя из форсированного
режима работы цепи. Такой режим возможен в следующих случаях:
1. При отключении одной из резервирующих
друг друга параллельных линий;
2. При перегрузке трансформатора сверх
его номинальной мощности;
3. При отключении на ремонт одного из
двух трансформаторов.
Кроме того, выключатели проверяются по отключающей способности. В первую
очередь производится проверка на симметричный ток отключения по условию:
n.τ≤Iоткл.ном
где: In.τ - периодическая составляющая тока
К.З.;
Iоткл.ном - наибольший ток К.З. (действующее
значение), который выключатель способен отключить при напряжении, равном
наибольшему рабочему напряжению при заданных условиях восстанавливающегося
напряжения и заданном цикле операций.
Затем проверяется возможность отключения апериодической составляющей тока
К.З.:
где: iаτ - апериодическая составляющая тока
К.З. в момент расхождения контактов;
τ - наименьшее время от начала К.З. до
момента расхождения контактов;
τ=tз.min+tсв;
здесь: tз.min - минимальное время действия
релейной защиты;
tсв - собственное время отключения
выключателя (интервал времени от момента подачи команды на отключение до
момента прекращения соприкосновения дугогасительных контактов);
iа.ном - номинальное допускаемое значение
апериодической составляющей в отключённом токе для времени τ;
βн - нормированное значение содержания апериодической
составляющей в отключаемом токе в % (по каталогу).
По включающей способности проверка производится по условию:
у≤iвкл; Iп.о≤Iвкл;
где: iу - ударный ток К.З. в цепи выключателя;
Iп.о - начальное значение периодической
составляющей тока К.З. в цепи выключателя;
Iвкл - номинальный ток включения
(действующее значение периодической составляющей). Это ток К.З. который
выключатель с соответствующим приводом способен включить без приваривания
контактов и других повреждений, при номинальном напряжении и заданном цикле (по
каталогу);
iвкл - наибольший пик тока включения (по
каталогу). Заводом-изготовителем соблюдается условие:
где: Ку=1,8 - ударный коэффициент, нормированный для
выключателей. Проверка по двум условиям необходима потому, что для конкретной
системы Ку может быть более 1,8. На электродинамическую стойкость
выключатель проверяется по предельным сквозным токам К.З.:
Iп.о≤Iдин; iу≤iдин;
где: iдин - наибольший ток электродинамической
стойкости (по каталогу); Iдин - действующее значение периодической
составляющей предельного сквозного тока К.З.
На термическую стойкость выключатель проверяется по тепловому импульсу
тока К.З.:
где: Вк - тепловой импульс тока К.З.;
Та - постоянная времени цепи К.З. (см. п.8);
tоткл - время отключения выключателя
(время действия тока К.З.);
tоткл=tр.з+tоткл.в
где: tр.з - время действия основной релейной
защиты данной цепи;
tоткл.в - полное время отключения
выключателя (интервал времени от подачи команды на отключение до момента
погасания дуги на всех полюсах);
Iтерм - среднеквадратичное значение тока
за время его протекания (ток термической стойкости по каталогу);
tтерм - длительность протекания тока
термической стойкости (по каталогу).
Выбор и проверка выключателей 110 кВ (сторона ВН ГПП) осуществлена по
максимальному рабочему току:
Расчётные токи К.З.:
п.о=4,08 кА; iу=7,34 кА
τ=0,01+0,05=0,06 с
Тепловой импульс тока К.З.:
откл=3,6+0,08=3,68 с
Вк=4,082×(3,68+0,0066)=61,3 кА2×с
По справочнику выбран выключатель типа: ВМТ-110Б-20/1000УХЛ1 выключатель
наружной установки, маломасляный, трехполюсный, номинальное напряжение 110 кВ,
категория изоляции Б, номинальный ток отключения 20 кА, номинальный ток 1000 А,
для работы в районах с умеренным и холодным климатом (УХЛ), для работы на
открытом воздухе (1). Расчётные и каталожные данные сведены в таблицу 9.1:
Таблица 9.1 Расчётные и каталожные данные по выключателю
ВМТ-110Б-20/1000УХЛ1
Условия
Расчётные данные
Каталожные данные
Uуст≤Uном
Uуст=110
кВ
Uном=110
кВ
Iмах≤Iном
Iмах=175,7
А
Iном=1000
А
Inτ≤Iоткл.ном
Inτ=3,65 кА
Iоткл.ном=20
кА
iaτ≤iа.ном
iaτ=6,46 кА
iа.ном=7,07
кА
iу≤iдин
iу=7,34
кА
iдин=52
кА
Iп.о≤Iдин
Iп.о=4,08
кА
Iдин=20
кА
Вк≤I2терм×tтерм
Вк=61,3 кА2×с
I2терм×tтерм=202×3=1200 кА2×с
Выбор и проверку выключателей 10 кВ (сторона НН ГПП) осуществлена по
максимально возможным значениям токов нагрузки и К.З. для каждого выключателя:
Вводной выключатель ГПП:
Выбран: ВБЭК-10/1000УХЛ2 - выключатель вакуумный, внутренней установки, с
электромагнитным приводом, номинальное напряжение 10 кВ, номинальный ток 1000
А, номинальный ток отключения 20 кА, для работы в районах с умеренным климатом,
для работы в закрытых помещениях с естественной вентиляцией.
τ=0,01+0,07=0,08 с
по Ку определено Та=0,02 с;
tоткл=3,1+0,095=3,195 с
Вк=4,082×(3,195+0,02)=53,5 кА2×с
Таблица 9.2 Расчётные и каталожные данные по выключателю ВБЭК-10/1000УХЛ2
УсловияРасчётные данныеКаталожные
данные
Uуст≤Uном
Uуст=10
кВ
Uном=10
кВ
Iмах≤Iном
Iмах=962,25
А
Iном=1600
А Inτ=4,08 кА
Iоткл.ном=20
кА
iaτ≤iа.ном
iaτ=0,8 кА
iа.ном=4,5
кА
iу≤iдин
iу=7,34
кА
iдин=52
кА
Iп.о≤Iдин
Iп.о=4,08
кА
Iдин=20
кА
Вк≤I2терм×tтерм
Вк=53,5 кА2×с
I2терм×tтерм=202×8=3200 кА2×с
Выключатель на РП со стороны ГПП:
PL11(1) + PL11(2) = 2760+2760=5520 кВт (см. прил. 2 и
3).
QL11(1) + QL11(2) = -345-315=-660 квар (см. прил. 2 и
3).
Принимается к установке выключатель BB/TEL-10/630;
Секционный выключатель РП:
Принимается к установке выключатель BB/TEL-10/630УХЛ2;
Выбран: BB/TEL-10/630УХЛ2 - выключатель вакуумный, внутренней
установки, с электромагнитным приводом, номинальное напряжение 10 кВ,
номинальный ток 630 А, номинальный ток отключения 20 кА, для работы в районах с
умеренным климатом, для работы в закрытых помещениях с естественной
вентиляцией.
откл=2,1+0,095=2,195 с
Вк=4,082×(2,195+0,02)=36,87 кА2×с
Остальные расчётные и каталожные данные аналогичны данным таблицы 9.2.
Для остальных выключателей все условия выбора также выполняются, так как
они работают в более лёгких условиях, поэтому выбор осуществлён по току
максимальной нагрузки.
Отходящие линии:
где: Sном.тр - номинальная мощность
трансформатора КТП с наибольшим значением (2500 кВ×А).
На всех отходящих линиях ГПП и РП приняты к установке выключатели типа: BB/TEL-10/630УХЛ2.
Секционный выключатель ГПП:
принят к установке выключатель: BB/TEL-10/630.
СД компрессорной:
где: N - количество СД установленных в
компрессорной;
принят к установке выключатель: BB/TEL-10/630УХЛ2.
.2 Выбор разъединителей
Выбор разъединителей производится:
по напряжению установки: Uуст≤Uном;
по длительному току: Iнорм≤Iном; Iмах≤Iном;
по конструкции, роду установки;
по электродинамической стойкости iу≤iпр.с; Iп.о≤Iпр.с;
где: iпр.с, Iпр.с - предельный сквозной ток К.З. (амплитуда и действующее
значение);
по термической стойкости: Выбраны по справочнику разъединители 110 кВ: РНД 3.1-110/1000У1 и РНД
3.2-110/1000У1 - разъединитель наружной установки, двухполюсный с заземляющими
ножами, 1(2) - число заземляющих ножей, номинальное напряжение 110 кВ, номинальный
ток 1000 А, для работы в районах с умеренным климатом на открытом воздухе.
Таблица 9.3 Расчётные и каталожные данные по разъединителю РНД
3.1-110/1000У1
Условия
Расчётные данные
Каталожные данные
Uуст≤Uном
Uуст=110
кВ
Uном=110
кВ
Iмах≤Iном
Iмах=175.7
А
Iном=1000
А
iу≤iпр.с
iу=7,34
кА
Iпр.с=52
кА
Вк≤I2терм×tтерм
Вк=36,87 кА2×с
I2терм×tтерм=31,52×4=3969 кА2×с
Разъединитель для ТСН:
принят разъединитель типа: РВЗ-10/400У3 - разъединитель наружной
установки, с заземляющим ножом, номинальное напряжение 10 кВ, номинальный ток
400 А, для работы в районах с умеренным климатом на открытом воздухе.
Таблица 9.4 Расчётные и каталожные данные по разъединителю РВЗ-10/400У3
Условия
Расчётные данные
Каталожные данные
Uуст≤Uном
Uуст=10
кВ
Uном=110
кВ
Iмах≤Iном
Iмах=7.7
А
Iном=1000
А
iу≤iпр.с
iу=7,34
кА
Iпр.с=41
кА
Вк≤I2терм×tтерм
Вк=53,5 кА2×с
I2терм×tтерм=1024 кА2×с
.3 Выбор заземлителей
В сетях 110 кВ и выше определяющим в выборе способа заземления нейтрали
является фактор стойкости изоляции. Здесь применяется эффективное заземление
нейтрали, при котором во время однофазных замыканий напряжение неповреждённых
фаз относительно земли равно примерно 0.8 междуфазного напряжения в нормальном
режиме работы.
ЗОН-110М-IIУ3 - заземлитель
однополюсный, наружной установки, номинальное напряжение 110 кВ,
модернизированный, вариант исполнения (II), для работ в районах с умеренным климатом, на открытом
воздухе, для заземления нейтрали силовых трансформаторов.
Заземлитель имеет следующие параметры:
ном=400 А; iдин=16 кА; Iтер=6,3 кА; tтер=3 с
Проверка на температурную стойкость:
где: tп - заземлителем этого типа осуществляется заземление
нейтрали время действия тока К.З. (время отключения):
п=
tр.з+ tоткл.в=0,1+0,08=0,18 с
.4 Выбор разрядников
Одним из недостатков сетей с эффективно заземлённой нейтралью является
значительный ток однофазного К.З., который при большом количестве заземлённых
нейтралей трансформаторов, а также в сетях с автотрансформаторами может
превышать токи трёхфазного К.З. Для уменьшения токов однофазного К.З. нейтрали
части трансформаторов могут быть разделены. Так как изоляция нулевых выводов
обычно не рассчитывается на полное напряжение, то в режиме разделения нейтрали
необходимо снизить возможное перенапряжение путём присоединения вентильных
разрядников к нулевой точке трансформатора.
Выбран разрядник типа: РВС-15У1 и РВС-35У1 - разрядник вентильный
станционный, номинальное напряжение 15(35) кВ, для работы в районах с умеренным
климатом на открытом воздухе, для защиты от атмосферных перенапряжений изоляции
электрооборудования переменного тока.
Для защиты от атмосферных перенапряжений изоляции электрооборудования
переменного тока частотой 50 Гц принят разрядник: РВО-10У1
разрядник вентильный облегчённый.
.5 Выбор предохранителей
Для защиты от сверхтоков применены плавкие предохранители серии ПК с
мелкозернистым наполнителем, обладающие значительным токоограничивающим
эффектом.
Выбор предохранителей производится:
по напряжению установки: Uуст≤Uном;
по длительному току: Iнорм≤Iном; Iмах≤Iном;
по конструкции, роду установки;
по току отключения Iп.о≤Iотк;
где: Iотк - предельный отключающий ток
(симметричная составляющая).
Выбор предохранителя для ТСН:
Принят: ПКТ101-10-8-12.5У3 предохранитель кварцевый для защиты силовых
трансформаторов и линий, 1 - с ударным приводом, 01 - конструкция контактов,
номинальное напряжение 10 кВ, номинальный ток 8 А, номинальный ток отключения
12,5 кА, для работы в районах с умеренным климатом в закрытых помещениях с
естественной вентиляцией.
Сведём расчетные и каталожные данные в таблицу 9.5:
Таблица 9.5 Расчётные и каталожные данные по предохранителю
ПКТ101-10-8-12.5У3
Условия
Расчётные данные
Каталожные данные
Uуст≤Uном
Uуст=10
кВ
Uном=10
кВ
Iмах≤Iном
Iмах=7.7
А
Iном=8 А
Iп.о≤Iотк
Iп.о=4,08
кА
Iотк=12,5
кА
Выбор предохранителя для ТН:
Принят предохранитель для ТН: ПКН001-10У3 - предохранитель кварцевый, 0 -
ударное устройство отсутствует, 01 - конструкция контактов, номинальное
напряжение 10 кВ, для работы в районах с умеренным климатом в закрытых
помещениях с естественной вентиляцией.
.6 Выбор трансформаторов тока
Трансформаторы тока выбирают:
по напряжению установки: Uуст≤Uном;
по току: Iнорм≤I1.ном; Iмах≤I1.ном; номинальный ток должен быть ближе к рабочему току
установки, так как недогрузка первичной обмотки приводит к увеличению
погрешностей.
по конструкции и классу точности;
по электродинамической стойкости: iу≤iдин;
по термической стойкости: Вк≤I2терм×tтерм;
по вторичной нагрузке: z2≤z2.ном; где z2 - вторичная нагрузка ТТ; z2.ном - номинальная допускаемая нагрузка
ТТ в выбранном классе точности.
Индуктивное сопротивление токовых цепей невелико, поэтому z2≈r2, вторичная нагрузка состоит из сопротивления
приборов - rприб, соединительных проводов - rпр, переходного сопротивления контактов
- rк:
2
= rприб+ rпр+ rк
где: Sприб - мощность потребляемая приборами;
I2 - вторичный номинальный ток прибора.
Сопротивление контактов принимается 0,05 Ом при двух-трёх приборах и 0,1
Ом при большем числе приборов. Чтобы ТТ работал в выбранном классе точности,
необходимо выдержать условия:
приб+rпр+rк≤ z2.номпр= z2.ном-rприб-rк
зная rпр - можно определить сечение
соединительных проводов:
где: ρ - удельное сопротивление материала провода (для алюминия ρ=0,0283
мОм×мм);
lр - расчётная длина, зависящая от
схемы соединения ТТ.
для схемы включения ТТ в в неполную звезду:
где: l - длина соединительных проводов от
ТТ до приборов (в один конец).
Выбор ТТ для ввода ГПП 10 кВ:
Принят ТТ типа ТЛ10-IУ3 -
трансформатор тока для внутренней установки с литой изоляцией, номинальное
напряжение 10 кВ; I - конструктивный
вариант, для работы в районах с умеренным климатом в закрытых помещениях с
естественной вентиляцией:
ТТ имеет две вторичные обмотки: 0,5/10Р:
,5 - для КИП (контрольно-измерительные приборы);
Р - для релейной защиты.
I2.ном=5 А - для этого и всех других ТТ.
Таблица 9.6 Расчётные и каталожные данные по ТТ ТЛ10-IУ3
Условия
Расчётные данные
Каталожные данные
Uуст≤Uном
Uуст=10
кВ
Uном=10
кВ
Iмах≤Iном
Iмах=962,25
А
Iном=2000
А
iу≤iдин
iу=7,34
кА
Iдин=128
кА
Вк≤I2терм×tтерм
Вк=53,5 кА2×с
I2терм×tтерм=4800 кА2×с
Проверка по вторичной нагрузке:
=40 м
Наиболее загружен ТТ к которому подключены расчётные счетчики учёта
электроэнергии (см. п.7). Мощность потребляемая приборами:
Таблица 9.7 Счётчики подключённые к ТТ
Тип прибора
Фаза
Марка прибора
Класс точности
А
С
Счётчик активный
2,5 В×А
2,5 В×А
СА4У-И672М
2
Счётчик реактивный
2,5 В×А
2,5 В×А
СР4У-И673М
2
Итого
5 В×А
5 В×А
z2.ном=0,8 Ом
rпр= z2.ном-rприб- rк=0,8-0,2-0,05=0,55 Ом
Принято стандартное сечение: F=4 мм2. Выбран кабель АКВРГ - контрольный кабель с
алюминиевыми жилами, с резиновой изоляцией, поливинилхлоридной оболочкой, без
защитного покрова.
Выбор секционного ТТ:
Принят ТТ типа ТПЛК-10У3 - трансформатор тока проходной, с литой
изоляцией, номинальное напряжение 10 кВ, для работы в районах с умеренным
климатом, в закрытых помещениях с естественной вентиляцией.
Таблица 9.8 Расчётные и каталожные данные по ТТ ТПЛК-10У3
Условия
Расчётные данные
Каталожные данные
Uуст≤Uном
Uуст=10
кВ
Uном=10
кВ
Iмах≤Iном
Iмах=481
А
Iном=1000
А
iу≤iдин
iу=8 кА
Iдин=74,5
кА
Вк≤I2терм×tтерм
Вк=53,5 кА2×с
I2терм×tтерм=4800 кА2×с
Исполнение вторичных обмоток аналогично ТТ на вводе ГПП. К ТТ подключён
амперметр:
z2.ном=0,4 Ом;
rпр= z2.ном-rприб- rк=0,4-0,02-0,05=0,33 Ом;
выбран кабель АКВРГ с жилами 6 мм2.
Выбор ТТ отходящих линий:
Принят ТТ типа ТПЛК-10У3 по значениям Imax, так как выбор по Uном и iдин аналогичен, а значение Вк значительно меньше I2терм×tтерм.
Рассчитано сечёние проводов:
принят кабель АКВРГ с сечением 4 мм2 (сечение меньше выбрать
нельзя по условиям механической прочности).
Выбор ТТ стороны ВН:
Принят ТТ для дифференциальной защиты трансформатора ГПП: ТФЗМ-110Б-IУ3 (см.табл.9.9).
Таблица 9.9 Расчётные и каталожные данные по ТТ ТФЗМ-110Б-IУ3
Условия
Расчётные данные
Каталожные данные
Uуст≤Uном
Uуст=110
кВ
Uном=110
кВ
Iмах≤Iном
Iмах=175,7
А
Iном=400
А
iу≤iдин
iу=7,34
кА
Iдин=84
кА
Вк≤I2терм×tтерм
Вк=61,3 кА2×с
I2терм×tтерм=768 кА2×с
.7 Выбор трансформаторов напряжения
Трансформаторы напряжения выбираются:
по напряжению установки: Uуст≤Uном;
по конструкциям и схеме соединения обмоток;
по классу точности;
по вторичной нагрузке: S2.Σ≤Sном, где Sном - номинальная мощность в выбранном классе
точности, S2.Σ - нагрузка всех измерительных
приборов и реле, присоединённых к ТН.
Выбран ТН типа: НТМИ-10-66У3 - трансформатор напряжения трехфазный с
естественным масляным охлаждением для измерительных цепей, номинальное
напряжение 10 кВ, 66 - год разработки, для работы в районах с умеренным
климатом в закрытых помещениях с естественной вентиляцией. Перечень необходимых
измерительных приборов в таблице
Таблица 9.10 Расчётные и каталожные данные по ТН НТМИ-10-66У3
Тип прибора
Марка прибора
Sодн.обм В×А
Число обмоток
cos φ
sin φ
Число приборов
P, Вт
Q, вар
Вольтметр
Э-351
3
1
1
0
2
6
0
Ваттметр
Д-335
3
2
1
0
1
3
0
Счётчик активный
СА4У-И672М
2
2
0,38
0,925
1
4
9,7
Счётчик реактивный
СА4У-И673М
2
2
0,38
0,295
4
16
38,8
Итого
29
48,5
Вторичная нагрузка трансформатора:
ном=120 В×А в
классе точности 0,5,
Номинальные напряжения обмоток: первичной: 10000 В; основной вторичной:
100 В; дополнительной вторичной: 100/√3 В; предельная мощность 1000 В×А; схема соединения обмоток: Y0/Y0/Δ (разомкнутый треугольник).
Для соединения ТН с приборами принят кабель АКВРГ с жилами 4 мм2
по условиям механической прочности.
.8 Выбор высокочастотного заградителя
Выбран заградитель типа: ВЗ-630-0.5У1 - высокочастотный заградитель,
номинальный ток 630 А, номинальная индуктивность 0,5 мГн, для работы в районах
с умеренным климатом на открытом воздухе.
10. Релейная защита и автоматика
Распределительные электрические сети являются важным звеном в системе
производства, передачи и потребления электрической энергии. Большое значение
для надежной работы электрических сетей имеет правильный выбор и настройка
устройств релейной защиты и противоаварийной автоматики (РЗА).
Защита предусмотрена для воздушных и кабельных линий, двигателей,
трансформаторов ГПП и КТП.
.1 Защита кабельных линий 10 кВ
В соответствии с правилами устройства электроустановок (ПУЭ) для линий
напряжением выше 1000В предусматриваются защиты от следующих видов повреждений:
многофазных коротких замыканий;
однофазных замыканий на землю.
Защита от многофазных К.З. на выполняется либо одноступенчатой (МТЗ),
либо двухступенчатой (токовая отсечка без выдержки времени и МТЗ). Защита
должна быть , как правило, в двухфазном двухрелейном исполнении (фазы А и С).
МТЗ применяется в случаях, не требующих быстрого отключения линии при
многофазный К.З. на ней, выполняется с независимой характеристикой времени
(РТ-40) и с зависимой (РТ-80).
Двухступенчатая токовая защита применяется на одиночных линиях с
односторонним питанием, когда требуется быстрое отключение К.З. в начале линии.
Токовая отсечка (первая ступень) и МТЗ (вторая ступень) выполняются с
использованием реле тока типа РТ-40. Защита действует на отключение выключателя
с питающей стороны линии.
Защита от замыканий на землю выполняется в виде селективной защиты
(устанавливающей поврежденное направление) с действием на сигнал (кроме
случаев, когда условия техники безопасности требуют отключения) с
использованием трансформаторов тока нулевой последовательности (УСЗ-3).
.2 Защита электрических двигателей
В соответствии с ПУЭ для двигателей 3-10 кВ применяются следующие виды
защиты:
от К.З. в обмотке статора;
от однофазных замыканий обмотки статора на землю;
от перегрузки;
от потери питания ;
для синхронных двигателей дополнительно предусматривается защита от
асинхронного хода.
Защита от многофазных К.З. на двигателях выполнена в виде МТЗ без
выдержки времени.
Защита от однофазных замыканий обмотки статора на землю выполняются с
помощью токового реле типа РТ-40 или РТЗ-50, подключенного к ФТНП и действует
на отключение двигателя (для двигателей Р£2000кВ, Iз³10А)
Защита двигателя от перегрузки устанавливается только на
электродвигателях, подверженных технологическим перегрузкам, а также на
электродвигателях, самозапуск которых не обеспечивается (РТ-80, индукционный
элемент).
Для защиты от потери питания применяют:
минимальную защиту частоты с блокировкой по направлению активной
мощности;
двухступенчатую минимальную защиту напряжения.
10.3 Защита трансформаторов 10/0,4 кВ
Для трансформаторов 10/0,4 кВ со схемой соединения D/¡н предусматриваются следующие защиты:
МТЗ для защиты от токов, обусловленных внешними многофазными К.З.;
токовая отсечка или продольная дифференциальная токовая защита;
специальная защита нулевой последовательности от однофазных замыканий на
землю;
газовая защита;
защита от перегрузки.
МТЗ предусмотрена на двигателях с Р<1000кВт. В нашем случае предусмотрена МТЗ с комбинированным
пуском напряжения или без него, если обеспечивается требуемая чувствительность.
На понижающих двухобмоточных трансформаторах защита устанавливается со стороны
питания и действует на отключение.
Продольная дифференциальная токовая защита предусмотрена для защиты от
многофазных замыканий в обмотках и на выводах трансформаторов. Действует на
отключение всех выключателей трансформатора.
На понижающих трансформаторах с соединением обмотки НН в звезду с
заземленной нейтралью следует предусмотреть специальную защиту нулевой
последовательности, которая устанавливается на нулевом проводе трансформатора.
Газовая защита от повреждений внутри кожуха, сопровождающихся выделением
газа, и от понижения уровня масла предусматривается на внутрицеховых понижающих
трансформаторах мощностью 630 кВА и более.
Газовая защита должна действовать на сигнал при слабом газообразовании и
при понижении уровня масла и на отключение при интенсивном газообразовании и
дальнейшем понижении уровня масла.
На трансформаторах мощностью 400 кВА и более в зависимости от вероятности
и значения возможной перегрузки следует предусматривать МТЗ от токов,
обусловленных перегрузкой, с действием на сигнал.
.4 Расчет защит трансформаторов ГПП
На понижающих трансформаторах с расщепленными обмотками 110/10 кВ Т1 и Т2
со схемой соединения ¡н/D-D-11-11 устанавливаются следующие защиты:
дифференциальная;
газовая;
МТЗ без пуска или с пуском по напряжению; Для дифференциальной защиты могут быть использованы реле РНТ-565 с
насыщающимися трансформаторами и короткозамкнутыми обмотками и реле ДЗТ-11 с
насыщающимися трансформаторами и тормозными обмотками.
Особенности выполнения и расчетов дифференциальной и максимальных токовых
защит на трансформаторах 110/10 кВ с расщепленными обмотками ¡н/D-D-11-11 обусловлены невысоким уровнем
токов при К.З. на выводах одной из обмоток НН и большим различием между
значениями токов Iкз.max и Iкз.min.
.5 Расчёт дифференциальной защиты
Рассчитываем токи К.З. в выбранных точках (см. рис. 8) в минимальном и
максимальном режимах работы системы. Согласно ГОСТ 12965-85*Е:
Значения Uк на крайних ответвлениях
трансформаторов РПН (приведенные к номинальной мощности трансформатора и
номинальным напряжениям ответвлений:
Значения Uк на крайних ответвлениях
трансформаторов с РПН (приведенные к номинальной мощности трансформатора и
номинальным напряжениям ответвлений:
Расчет токов короткого замыкания произведён в именованных единицах,
активные составляющие не учтены. Расчетные формулы:
Энергосистема:
ЛЭП:
Трансформатор:
где: Р и с. 3. Исходная схема.
Р и с. 4. Расчётная схема замещения.
Определены максимальное и минимальное значение тока короткого замыкания:
Предварительно рассчитана дифференциальная защита с реле типа РНТ-565
(см. табл. 10.1).
Определим первичный ток срабатывания защиты. Он выбирается по двум
условиям:
условие: Icp³Kотс×Iнб расч
Котс=1,3
По условию 1 получаем:
2 условие:Icз ³ k.Iном
Iном.ВН
= 125,5-основная
сторона
=1,3
Iсз=1,3.125,5=163,15 А
Стороны напряжения
ВН, 115кВ
НН, 10,5кВ
125,5 А
687,32 А
Схема соединения
Коэффициент схемы включения реле защиты, ксх
D Неполная ¡ 1
Расчетный коэффициент
трансформации ТА 43,5
137,5
Принятый Кт ТА
400/5
2000/5
Вторичный ток в плечах
защиты, соответствующий номинальной мощности трансформатора 2,72
1,72
Основная сторона ВН,
принимаемая в расчете
Максимальное значение тока
в обмотках трансформатора при внешнем КЗ (для определения небаланса при
внешнем К.З. (-16%))
Минимальное значение тока в
обмотках трансформатора при 3-х К.З. на вводах НН: на крайнем ответвлении РПН
(+16%)
Дальнейший расчет проведён из условия 1, так как по условию 2 ток Iсз меньше чем в первом случае:
187,42>163,15.
Проведена предварительная проверка чувствительности:
При выполнении дифференциальной защиты понижающих трансформаторов с реле,
имеющими одну тормозную обмотку, при одностороннем питании трансформатора
имеется возможность исключить влияние тормозной обмотки при К.З. в зоне
действия защиты. Для этого на двухобмоточных понижающих трансформаторах
тормозная обмотка должна включать в плечо дифференциальной защиты со стороны
питания. Использование тормозной обмотки даёт возможность не отстраивать
минимальный ток срабатывания защиты от токов небаланса при внешнем К.З.
поскольку недействие защиты в этом случае обеспечивается торможением:
с.з.=1,3×125,5.=163,15 А
Принято:
Wосн=28 витков
Iнб.расч=73,2+117,12+4,96=195,28 А
Iс.з.=1,3.195,28=253,86 А
Принято число витков:
Wосн=Wр=28 витков
Wне
осн=44 витков
Проведена проверка по условию:
2 осн×Wосн=I2 не осн×Wне осн
,72.28=76 А.витков
,72.44=76 А.витков
kотс=1,3
tga=0.87
Wраб
расч=44 витков
Wт=18 витков
Определён коэффициент чувствительности защиты:
Окончательно принято число витков:
Wосн=28 витков;
Wнеосн=44 витков;
Wт=18 витков.
10.6 Расчет МТЗ трансформатора
Принимаем более чувствительную защиту.
.7 МТЗ с пуском по напряжению
10.8 Защита от перегрузки
а так как защита установлена на НН стороне трансформатора
Время действия принимаем Dt=9с.
Защита действует на сигнал.
11. Спец вопрос
Математические модели объектов проектирования
Математическими моделями (ММ) являются главной составной частью МО АП.
Под ММ понимают совокупность математических объектов (чисел, переменных,
векторов, матриц и т.п.) и отношений между ними, которая адекватно отображает
определённые свойства объекта проектирования. ММ устанавливает однозначную
связь между внутренними "Х" и выходными "Y" параметрами объекта: Y=f(x).
Но ситуация, когда удаётся получить в явном виде такую зависимость,
встречается редко. Чаще в уравнения ММ, кроме внутренних и внешних параметров,
входят и так называемые фазовые переменные V, изменяющиеся во времени и характеризующие состояние объекта
проектирования. Для СЭС - это мощности, передаваемые по отдельным ветвям
системы, напряжения в узлах и т.п. ММ в этом случае усложняется, так как она
связывает фазовые переменные с внутренними и выходными параметрами: У(V,t,X,Y)=0, где t - время.
Например, такой ММ - будет набор формул расчёта стоимости потерь
электроэнергии (выходной параметр), в проектируемой СЭС, в зависимости от
сечения проводов (внутренние параметры) и от величин передаваемых мощностей
(фазовые переменные), которые изменяются во времени.
К ММ предъявляются требования универсальности, адекватности и
экономичности.
Универсальность ММ характеризует возможность отображения в модели свойств
нескольких реальных однотипных объектов. Большинство ММ не обладают высокой
универсальностью, так как отражают лишь некоторые свойства, как правило, одного
объекта. Например, с помощью упомянутой выше ММ нельзя определить экономический
ущерб от перерывов питания ЭП - ММ не универсальна.
Адекватность ММ - способность отображать заданные свойства с погрешностью,
не выше заданной. Адекватность зависит от точности представления фазовых
переменных, внутренних параметров и точности самой ММ. Как правило,
адекватность модели имеет место лишь в ограниченной области применения входящих
в неё величин.
Экономичность ММ характеризуется затратами вычислительных ресурсов
(машинного времени и памяти) ЭВМ на её реализацию.
Классификация математических моделей
Все многофазные ММ разделяются на отдельные группы в зависимости от
различных признаков.
По характеру отображаемых свойств объекта ММ делятся на: структурные и
функциональные. Структурные ММ отображают структуру объекта, например,
электрическую схему соединений элементов СЭС. Функциональные ММ предназначены
для отображения физических процессов, протекающих в объекте при его работе.
Обычно это система уравнений, связывающих фазовые переменные, внутренние и
выходные параметры.
По принадлежности к иерархическому уровню различают ММ микро-, макро-,
мета-уровней. Упрощённо можно считать, что микроуровень - это уровень отдельных
элементов СЭС, макроуровень - уровень узлов СЭС, метауровень - уровень системы.
На мета-уровне ММ должна включать в себя большое количество разнообразных ММ
узлов.
По способу представления свойств объекта функциональные ММ делятся на:
аналитические и алгоритмические. Аналитические ММ представляют собой явные
выражения выходных параметров в функции от внутренних параметров и фазовых
переменных. Например, для одной линии электропередачи (ЛЭП) можно записать
аналитическую ММ стоимости потерь электроэнергии. Эти ММ характеризуются
высокой экономичностью. Алгоритмические ММ устанавливают связь между
параметрами и переменными в форме алгоритма. Например, ММ стоимости потерь в
произвольной СЭС, состоящей из множества ЛЭП, РП и трансформаторов,
представляет собой алгоритм расчёта, использующий прежнюю ММ как составную
часть.
По способу, которым получается ММ, различают теоретические и эмпирические
ММ.
Математические модели расчётных затрат на отдельные элементы СЭС
Под ММ здесь понимаются функциональные соотношения, отражающие влияние
наиболее существенных факторов (параметров) на расчётные затраты,
характеризующие степень экономичности строительства и эксплуатации элемента
сети.
Исходные предпосылки и документация
Элементы СЭС по их назначению и роли можно разделить на следующие виды:
ЛЭП (воздушные и кабельные линии), ТП, распределительные устройства и пункты
(РП). Элементы каждого вида делятся в свою очередь на типовые группы или серии.
В одну типовую группу входят элементы одного номинального напряжения и аналогичного
конструктивного исполнения, отличающиеся пропускной способностью. Пропускная
способность в электроснабжении часто задаёт главный параметр элемента, от
которого правые затраты зависимы в наибольшей степени. Для ЛЭП пропускная
способность определяется сечением токопроводящих жил, для ТП - мощностью
трансформаторов, для РП - номинальным током и числом защитных аппаратов.
Например, одну типовую группу составляют воздушные линии номинальным
напряжением 110 кВ, выполненные на двухцепных металлических опорах с защитным
тросом со сталеалюминевыми проводами марки АС сечением от 70 до 240 мм Примем допущение о том, что расчётная мощность элементов СЭС остаётся
постоянной в течение всего срока эксплуатации. В этом случае критерием
оптимальности при выборе элементов СЭС, удовлетворяющим всем техническим
требованиям, является минимум расчётных затрат. Расчётные затраты - один из
возможных стоимостных критериев для выбора лучшего из нескольких технически
осуществимых вариантов строительства объекта. Они соизмеряют (объединяют)
затраты на строительство (включая проектирование) объекта и затраты на его
эксплуатацию после ввода в действие.
В общем случае затраты на любой элемент электрической сети можно
представить в виде суммы двух слагаемых:
З=З где З где Математическая модель затрат на линию электропередачи
Затраты на ЛЭП, передающей мощность S(P,Q) можно представить в виде:
( где При определённом сечении При увеличении сечения Функция экономических интервалов является одной из возможных ММ расчётных
затрат на типовую группу ЛЭП.
Её недостатки:
. Сложность аналитического задания, проявляющаяся в том, что:
- на каждом интервале функция затрат имеет различные коэффициенты
- для выявления интервала (пары значения Запись функции экономических интервалов:
…,
Количество значений чисел, которые необходимо хранить в ЭВМ: . Функция экономических интервалов не дифференцируема (имеет изломы), что
исключает возможность использования классических методов её исследования.
Из-за этих недостатков такая ММ не получила широкого применения в
практике ТЭР и программах САПР.
Линейная ММ приведённых (расчётных) затрат на ЛЭП
Одним из возможных способов упрощения ММ затрат на ЛЭП является
линеаризация функции экономических интервалов, то есть аппроксимация её
линейной зависимостью Эту линеаризацию можно осуществить при следующих допущениях:
1. Шкала сечений токопроводящих жил является непрерывной. Это
допущение позволит дифференцировать функцию расчётных затрат по аргументу . Капитальные вложения Найдём значение Упростим (преобразуем) последнее слагаемое, умножив числитель и
знаменатель на обозначив График её является касательной к параболам функции экономических
интервалов. Следует заметить, что линейной моделью функции затрат можно
пользоваться только при условиях выбора сечения ЛЭП по экономическим
соображениям. В качестве примера вычислим коэффициенты Выражение для Размерность
Максимальная погрешность линеаризации не превышает 3-4%, то есть
находится в пределах допустимой точности ТЭР (5-10%).
Использование линейной ММ затрат на ЛЭП для сведения задачи распределения
потребителей электроэнергии (ТП) между заданными источниками к задачи линейного
программирования
Вспомним её постановку. На территории имеется m источников (ГПП), от которых надо запитать n потребителей электроэнергии (ТП). Их
расположение на плане известно, расстояния на плане между ГПП и ТП тоже
известны. Оптимальная электрическая сеть должна иметь минимальные расчётные
затраты. От каждой ГПП нельзя получить мощность больше, чем её пропускная
способность Формулировка в математических терминах: найти минимум Так как целевая функция и ограничения линейны, имеем задачу линейного
программирования, для решения которой существуют разработанные методы. Решением
задачи является матрица Недостатки такой постановки задачи структурной оптимизации СЭС:
1. Нельзя использовать РП, магистральные схемы питания ТП.
2. Число и расположение источников (ГПП) задано, то есть определяется
локальный оптимум, а не глобальный, который зависит от числа и расположения
источников.
Рис.5.
Пронумеруем узлы сети (как показано на рис.5). Особенностью разомкнутой
сети является однозначное соответствие каждому (кроме корневого - 1) узлу -
одной ветви и узла питания. Поэтому схема может быть закодирована в виде
двухмерного массива. Для корневого узла принят узел питания с N=0.
Недостаток способа заключается в некоторой не экономичности, хотя её
можно повысить в два раза при условии, что номер узла является целым числом и
эти узлы упорядочены, то есть расположены всегда в возрастающем порядке.
Достоинством - является: простота, удобство обработки массива при
программировании, лёгкость изменения схемы, независимость схемы от расположения
строк массива.
Линейные модели капитальных затрат на элементы ЦЭС
1.) Электропроводки; 2.) СП; 3.) ШРА и ШМА; 4.) КТП; 5.) НКБ, ВКБ.
Такие модели удобны (уменьшают трудозатраты) при оценке экономичности
проектируемых вариантов ЦЭС, а также при теоретических исследованиях
закономерностей их формирования.
Электропроводки:
1. Четыре провода АПВ в полиэтиленовых низкого давления средних
трубах, проложенных в полу, в готовых бороздах под заливку бетоном (от СП до
ЭП);
2. Три провода АПВ, в стальных электросварных прямошовных трубах,
проложенных в полу, в готовых бороздах под заливку бетоном (от СП до ЭП);
. Четыре провода АПВ в виниловых трубах, проложенных открыто (от
ШРА до ЭП);
. Четырёхжильный кабель АВВГ, проложенный открыто по стенам с
креплением наклонными скобами (линия питающая СП и ШРА, от ШРА и СП до ЭП);
. Провода (4) АПВ в лотке;
. Провода (4) АПВ в коробе.
При определении стоимости проводов, кабелей, труб, лотков и коробов
учитывались их оптовые цены, а также надбавки на транспортно-заготовительные
расходы для 1-го территориального района (центральные области европейской части
РФ). В затратах на монтаже учитывались расходы, связанные с затяжкой проводов в
трубы, укладкой их в лотки и короба, а также стоимость монтажа самих труб,
лотков и коробов.
Удельные капитальные затраты Таблица
11.1
Тип электропроводки
Коэффициенты аппроксимации
1
0,35
0,034
2
0,68
0,023
3
0,6
0,027
4
0,76
0,022
Сравнение затрат на электропроводки 1 и 2 позволяет сделать следующий
вывод. Электропроводка 1 дешевле электропроводки 2 в интервале сечений 2,5-25 где А=3,83; В=-0,214 для F=2.5-35 А=7,65; В=0,29 для F=35-120 I -
расчётный ток ЭП, получающий питание по данной линии, Выражение (1) определено для перфорированных лотков типа: 85 У1(ширина
85мм), 145 У1 (145мм), 225 У1 (225мм), а также сварных: К4 22 (200мм), К4 20
(400мм).
Прокладка линии в лотках любого типа при его полном заполнении
экономичнее трубных электропроводок. Укладка, например, одной линии в лотке 86
У1 оказывается дешевле трубных проводок для сечений проводников более 25 В прокладке линии в коробе (электропроводка 6) его стоимость и затраты на
монтаже учитываются пропорционально суммарному сечению (по наружному диаметру)
проводников данной линии. При этом короб считается заполненным полностью, если С=2,02 для короба 100х50; С=0,8 - для 150х100; С=0,68 - 200х100;
По сравнению с другими способами конструктивного исполнения сети укладка
проводников линии в коробах менее экономична, поэтому их применение оправдано
при большом числе прокладываемых линий.
где №
Серия СП
Тип ЗА на вводе
Типы ЗА на отх. линиях
Кол-во ЗА на отход. линиях
Коэффициенты аппроксимации,
руб
Диапазон ном. токов, пл.
вставок или тепловых расцепителей, А
1
ШР11
нет
НПН2-60
НПН2-100
НПН2-250
5-8
50
12
200, 250
ПН2-400
6-63
30-100
80-250
320, 400
2
ПР24Н
нет
АЕ2046Б
А3716Ф
А3726Ф
6-12
106
29
630, 700
3
ПР24Г
А3736Ф
1663
16-160
160-250
6-8
250
30
550, 600
4
ПР24
нет
А3716Ф
А3716Ф
А3726Ф
4-12
82
45
630, 700
5
ПР24Д
А3736Ф
16-1-80
16-160
160-250
4-6
220
47
550, 600
6
ПР22
нет
А3716Б
А3716Б
А3726Б
4-12
88
69
630, 700
7
ПР22Д
А3734
16-80
16-160
160-250
4-8
410
63
550, 600
8
ПР11
А3720Ф А3730Ф АЕ2056Б
А3794Б нет
АЕ2046Б 16-63 АЕ2056Б
16-100
исп. нов., утопл.
2-12 6-10
152 90-630 360
Конденсаторные установки
Затраты на генерацию РМ КБ ВН и НН: где Значения Например, для ВКБ типа УК-10,5 при питании от ячейки КРУ-10 кВ (20 кА): Для НКБ типа УКЛН-0,38, при Рис.6.
При Математическая модель затрат на выработку и передачу РМ в разомкнутой
распределительной сети
Распределительную электрическую сеть можно представить в виде
совокупности следующих узлов нагрузки, соединённых линиями электропередачи:
Рис.7.
Узел включает в себя ветви, отходящие к узлам, расположенным на низших
ступенях графа, с суммарной нагрузкой где Наивыгоднейшим режимом является режим недовозбуждения, когда СД
потребляет РМ из сети так же, как и АД.
Затраты в КБ: Стоимость потерь активной мощности в трансформаторах:
Затраты на передачу мощности по ЛЭП к узлу:
Затраты на ЛЭП минимальны при Затраты на выработку РМ в энергосистеме РМ, поступающая в головной узел из энергосистемы равна сумме мощностей
всех РН и всех КУ по всем n
узлам.
Можно сформулировать оптимизационную задачу размещения КУ в СЭС предприятия
следующим образом:
целевая функция: Целевая функция нелинейная, заданна алгоритмически, ограничения линейны.
Подобная задача решается в УИ САПР внутризаводского электроснабжения в
режиме диалога. Её постановка:
дано:
- перечень корпусов с известными расчётными нагрузками на стороне
НН;
- расчётные нагрузки АД 6-10 кВ;
номинальные мощности и параметры СД 6-10 кВ;
схема распределительной сети 6-10 кВ.
требуется найти:
- поочерёдно для каждого из корпусов рациональный вариант
количества и мощности цеховых ТП;
- в целом для распределительной сети 6-10 кВ - оптимальный
вариант расстановки всех видов КУ.
Математическая модель распределительной сети
Электрические сети промпредприятий проектируются и работают как
разомкнутые, что сильно упрощает их расчёт и анализ. Электрическая схема
разомкнутой сети может быть представлена в виде не направленного графа,
состоящего из узлов и ветвей. Узлами графа будут элементы распределения
электрической энергии - СП, РП, шины ТП, ШМА и ШРА и т.п. Ветвями графа будут
ЛЭП сети. В графе можно чётко выделить иерархические уровни (ступени) по ходу
распределения энергии от ИП. Принято нумерацию ступеней производить в
направлении от ЭП к ИП.
Рассмотрим, например, структурную ММ для РЭН в цеховой сети, схема
которой изображена на рисунке, где М1, М2 - ШМА; Р1, Р2 - ШРА, Ш - цепочка
(магистраль) из 3-х СП. 1-30 - номера ЭП.
Рис.8.
Граф состоит из 5 ступеней. Сама ММ представляет собой таблицу, строки
которой записываются в порядке, определяемым графом сети. Заполнение таблицы
начинается строками, соответствующими нижним ступеням графа. Переход к узлу,
имеющему более высокий номер ступени, возможен лишь после записи всех низших
узлов, получающих питание от этого узла. В столбцах таблицы может располагаться
информация о мощности ЭП, их режиме работы, о длинах и конструктивном
исполнении элементов сети и т.п.
Для РЭН такая таблица включает следующие столбцы:
- наименование элемента сети, номер ЭП;
- количество однотипных ЭП;
установленная активная мощность одного ЭП;
номер строки справочного массива, в котором хранятся номер ступени, на которой расположен данный узел.
Если от рассматриваемого узла питаются разнотипные ЭП, то номер ступени
записывается только в строке последнего ЭП узла. В остальных строках
записываются нули. Если ЭП являются последним сразу для двух или нескольких
узлов, расположенных на разных ступенях, то записывается номер высшей ступени.
В качестве примера структурной ММ приведём следующую таблицу 11.3,
соответствующую рассматриваемой схеме:
Таблица
11.3
Номер ЭП, наименование узла
Количество ЭП
Номер строки
Номер ступени
27, 28
2
3
6
0
29
1
2
67
0
30, СП3
1
1,7
52
1
23
1
3
6
0
24, 25
2
2
57
0
26, СП2
1
1,7
52
1
20
1
3
67
0
16, 17, 18, 19
4
2
52
0
21, 22, СП1, Ш
2
1
67
2
8, 9
2
3
6
0
10
1
2
67
0
11, Р1
1
1
6
3
12, 13
2
2
67
0
14, 15, Р2
2
3
52
2
6, 7, М2
2
2
6
4
3, 4
2
25
67
0
1, 2, 5, М1, ТП
3
2
52
5
Применение метода неопределённых множителей Лагранжа для решения задачи
распределения КУ в сети П.П.
Затраты на генерацию РМ ( где для СД Затраты на передачу РМ ( где для линии без ответвлений: где Тогда затраты на генерацию и передачу РМ от к-го ИРМ в некоторый узел:
Задача оптимизации для (n+1)
ИРМ является задачей квадратичного программирования:
где Рис.9.
Порядок решения: определяется экстремум функции Лагранжа:
Значения мощностей При решении возможны два случая:
Величины Величина Среди ИРМ имеется один источник, для которого Тогда Значения а для узла А: 12. Экономическое обоснование варианта схемы электроснабжения машиностроительного
завода
.1 Общие положения
Основная цель технико-экономических расчетов - нахождение оптимального
решения конкретной задачи сопоставлением нескольких вариантов.
Задачами может быть:
· выбор оптимального варианта различных схем электроснабжения
(районного, местного);
· реконструкция сетевого хозяйства:
· снижение технологических потерь в сетях и других элементах
схемы.
Варианты электрической сети, подлежащие сопоставлению, должны
соответствовать требованиям нормативных документов и руководящих указаний по
проектированию и обеспечивать одинаковый энергетический эффект у потребителей.
Под энергетическим эффектом следует понимать равное количество и качество
энергии, получаемое потребителем или же последующим звеном энергетической цепи
(например, энергии, получаемой в распределительную сеть от питающей сети;
равное количество энергии, получаемой от дальних передач в принимающую
энергосистему от электростанций различных типов).
Энергетическая равноценность состоит в том, что различные варианты сети
должны обеспечивать одинаковую мощность и годовую энергию для потребителей,
нагрузки которых относятся к одинаковому расчетному периоду; принимаемое
оборудование должно быть достижимо при данном развитии техники; элементы сети и
сеть в целом должны работать в оптимальных условиях.
Главные технические показатели - бесперебойность электроснабжения,
качество электроэнергии и устойчивость параллельной работы.
Бесперебойность электроснабжения достигается резервированием схемы,
применением надежного оборудования, а также автоматикой, селективными и
быстродействующими защитами.
Качество электроэнергии характеризуется показателями допустимого
отклонения и колебания напряжения от номинального в различных точках сети. Эти
показатели достигаются применением схем с использованием различных элементов и
оборудования.
Экономическому сопоставлению при наличии потребителей первой категории
подвергаются варианты, равноценные в техническом отношении, Однако в некоторых
случаях при потребителях второй и третьей категорий возможно сопоставление
вариантов сети, неравноценных по бесперебойности и качеству напряжения.
Сопоставляемые варианты должны соответствовать нормативным требованиям к
надежности электроснабжения. Если уровень надежности по вариантам различается,
но не ниже нормативной, выравнивать варианты по этому показателю не требуется.
Непосредственный учет надежности в расчетах эффективности рекомендуется в
случаях:
1. Сопоставление различных мероприятий, предусматриваемых для
обеспечения требуемой потребителем степени надежности;
2. Обоснования экономической целесообразности повышения надежности
сверх нормативных требований.
. Все экономические показатели должны определяться в ценах одного
уровня по источникам равной достоверности.
Этапы подготовки инвестиционного проекта
1. На первом этапе выявляются возможные альтернативные варианты решения
поставленной задачи.
2. На втором этапе для каждого из отобранных вариантов
рассчитываются технико-экономические показатели, оптимизируются основные
технические параметры и служащие исходными данными для последующих этапов.
. На третьем этапе проверяются условия сопоставимости вариантов
сети и при необходимости проводятся дополнительные расчеты (надежности, ущербов
от перерыва Электроснабжения) по приведению вариантов в сопоставимый вид.
. На четвертом этапе проводится сравнение и выбор варианта
проекта на основе существующих методик экономической эффективности.
. На пятом этапе для выбранного варианта рассматриваются варианты
финансирования выбранного проекта.
На заключительном этапе анализируется чувствительность
показателей проекта к изменениям рыночной ситуации за счет колебаний цен на
энергию, стоимости основных фондов, стоимости рабочей силы, тарифов на энергию,
экологических требований, налоговых ставок и льгот, банковских ставок по
кредитам, отклонений от прогнозируемой потребности в электрической энергии.
Для выбора схемы электроснабжения потребуется
предварительно рассчитать некоторые технические характеристики потребителей
Экономическое обоснование выбора варианта схемы электроснабжения
При проведении экономических расчетов необходимо рассчитать:
1. основной, сопутствующий и социальный результаты;
2. капитальные вложения (инвестиции);
. текущие затраты (эксплуатационные расходы).
Следует учитывать также ряд особенностей.
· Первая заключатся в том, что прибыль образуется в процессе
производства, передачи и распределения электроэнергии. Поэтому, для
электросетевых объектов учитывается часть общей прибыли энергосистемы от
реализации продукции.
· Вторая состоит в том, что по своему назначению электросетевые
объекты могут быть подразделены на сооружаемые для различных целей , но каждая
из которых приводит к увеличению пропускной способности сети. а, значит, и к
образованию дополнительной прибыли в энергосистеме.
Сетевые объекты, специально сооружаемые для сокращения потерь или
повышения надежности, на практике встречаются редко.
Определение эффективности капитальных вложений в эти объекты сводится к
тому, что сокращение потерь или снижение ущерба от недоотпуска электроэнергии
соответствует увеличению реализации и, как следствие, увеличению прибыли в
энергосистеме.
Стоимостная оценка результатов сооружения электрической сети определяется
по формуле:
где Тэ - средневзвешенный тариф на электроэнергию в данной энергосистеме;
j - доля стоимости реализации
электроэнергии, относимая на электрическую сеть; Э - дополнительное поступление
электроэнергии в сеть, обусловленное сооружением элетросетевого объекта; ∆Э
- изменение потерь в сети; ∆П - увеличение прибыли за счет повышения
надежности и других факторов.
Численное значение стоимости электроэнергии принимается в долях (j) от тарифа, относимых на
электрические сети, Для электрической сети в целом оценивается величиной j=0,3. По сетям отдельных напряжений
коэффициенты могут быть приняты по табл. Показатели соответствуют соотношению
средневзвешенных показателей капитальных вложений и себестоимости на выработку,
передачу и распределение 1 кВт∙ч электроэнергии.
Если проектируемый электросетевой объект предназначен для выдачи мощности
электростанции или электроснабжения узла нагрузки, то Э соответствует
электроэнергии, поступающей в данный объект, а ∆Э - потерям
электроэнергии в этом объекте. Если объект сооружения в замкнутой сети и его
ввод приводит к перераспределению потоков мощности на соседних участках сети,
то Э должно соответствовать дополнительной электроэнергии, которая будет
поступать в рассматриваемый участок сети в связи с вводом проектируемого
объекта, а ∆Э - изменению потерь в этой сети (с соответствующим знаком):
Где Э" - потери в сети после ввода объекта; Э’ - потери в сети до
ввода объекта (без учета дополнительной передачи электроэнергии Э).
Увеличение прибыли может быть вызвано повышением надежности электроснабжения,
обусловленное вводом электросетевого объекта (снижение ущерба от недоотпуска
электроэнергии или влияние договорного тарифа, зависящего от заданной
надежности). На прирост прибыли могут воздействовать также другие факторы,
возникающие в результате оптимизации режима электростанций, объединенных на
параллельную работу сооружаемой сетью, снижение необходимой установленной
мощности электростанций и т.п.
12.2 Выбор схемы внешнего электроснабжения
Сравнение типичных схем электроснабжения.
К схеме внешнего электроснабжения относятся линии электропередач высокого
напряжения и главная понизительная подстанция (ГПП).
Для сокращения объема расчетов рассматриваем две типичные схемы внешнего
электроснабжения.
Рис.10. Типичные схемы внешнего электроснабжения:
В первой схеме предусматривается резервная кабельная линия (РЛ) от
близлежащей подстанции, по которой осуществляется питание потребителей 1
категории при аварийном выходе из строя одноцепной линии, т.к. для этих потребителей
должны предусматриваться (согласно ПУЭ), не менее 2 независимых источников
питания.
Ввиду того, что сечение кабельной линии получается нерационально большим,
а, следовательно, и неэкономичным, одноцепную линию рассматривать не будем.
р1- полная расчетная нагрузка потребителей 1 категории в соответствии с
заданием кВ А
Uкл = 10кВ - номинальное напряжение
резервной кабельной линии, кВ
Определяем величину нестандартного напряжения по формулам, полученным на
основе статических данных (формула Стилла) для выбора напряжения питающей линии
электропередачи.
- расстояние, км;
Р - передаваемая мощность ,МВт.
1) 2 схема с Uл=35 кВ;
) 2 схема с Uл=110 кВ;
Для каждого варианта рассчитывают значение номинального тока:
Для двух одно-цепных линий:
По величине номинального тока и экономической плотности тока определяют
нестандартные значения сечений проводов всех линий
1) Si=270/1,1=245,5мм2
) Si=130/1,1=79,1мм2
где jэк = 1,1 - экономическая плотность тока,
А/мм2
Исходя из рассчитанной величины Si,
по справочнику выбираем стандартные сечения и марки проводов линий.
С учетом номинальных напряжений выбираем следующие:
Таблица12.1
Вариант
Номинальное напряжение, кВ
Провод
Длительно допустимая
нагрузка на одну цепь, А
Длина линий на 1% потери
напряжения при полной нагрузке, м
Общая стоимость, тыс.
руб/км
Марка.
Сечение, мм2
Железобетонные опоры с
одновременной подвеской двух цепей
1
35
АС
2х120
2х385
2х2340
2х662,5=1325
2
110
АС
70
270
6400
727,5
Мощность трансформаторов ГПП Sтр выбираем
с учетом их допустимой перегрузки в соответствии с ПУЭ.
т
- число трансформаторов на ГПП
Кзагр - коэффициент допустимой загрузки трансформаторов,
зависящий от графика нагрузки, условий окружающей среды и др.
При выборе мощности трансформаторов для варианта с двумя одно-цепными
линиями следует учитывать, что при аварийном отключении одного трансформатора
другой должен обеспечить питание потребителей первой категории (с учетом
аварийного режима 40 МВА).
Кзагр=0,7nт=2
Sтр=33256/0,7.2= 23754кВА » 25МВА
Выбираем следующие трансформаторы
Таблица
12.2
N вар
Тип
Uкз, %
∆Рхх, кВт
∆Ркз,кВт
iхх,%
1
ТРДН 25000/35
9,5
25
125
0,5
2
ТРДН 25000/110
10,5
30
120
0,75
Таблица 12.3 Технико-экономические показатели типовых подстанций
Напряжение
Тип и мощность подстанции
Стоимость, тыс.руб
35/10
ГПП-35-I-2х25000
13648
110/10
ГПП-110-III-2х25000
Б2Р
15335
Выбрав силовые трансформаторы на ГПП и параметры линий электропередачи,
переходим к расчёту экономических показателей вариантов схем внешнего
электроснабжения для определения оптимального варианта.
Расчёт экономических показателей
Потери электроэнергии в элементах схемы можно
определять по формулам:
потери в линиях
где ΔРл - потери активной
мощности в линии, кВт;
τ - число часов максимальных потерь;
- номинальное напряжение линии, кВ;
R - активное сопротивление линии, Ом;
ro - удельное сопротивление линии,
Ом/км, которое определяется по справочникам (ro=0,35Ом/км для 70мм2 и ro=0,27Ом/км для 120мм2);
l - длина линии, км;
nц - число цепей воздушных линий;
потери в трансформаторах
где пт - число параллельно работающих
трансформаторов;
ΔР'х.х - приведенные потери
холостого хода, кВт,
ΔР'к.з - приведенные потери
короткого замыкания, кВт,
где ΔРх.х,
ΔРк.з -
потери холостого хода и потери короткого замыкания трансформатора по
справочникам, кВт;
ΔQх.х - постоянная составляющая потерь
реактивной мощности холостого хода трансформатора, кВ∙А;
ΔQк.з- реактивные потери мощности при
полной нагрузке, кВ∙А;
Jх.х, Uкз - ток холостого хода и напряжение
короткого замыкания в процентах по справочникам;
Кэ - экономический эквивалент реактивной
мощности (коэффициент превышения потерь). Величина Кэ может быть
принята в среднем 0,05-0,07 кВт/(кВ∙А);
Твкл - число часов работы трансформаторов в
году, ч. Можно принимать Твкл = 8760 ч;
Sн.т - номинальная мощность трансформатора, кВ∙А.
Капитальные затраты
Капитальные затраты на элементы системы электроснабжения состоят из
расходов на оборудование, строительные и монтажные работы:
Кi=Коб+Кстр+Км,
где
Кi - капитальные затраты на i-тый элемент схемы электроснабжения,
руб
Коб, Кстр, Км - соответственно затраты
на оборудование, строительные и монтажные работы, руб
Кст, Км для линий принимаем, усреднено в размере
30% от стоимости оборудования. Для трансформаторов ГПП уже дана полная
стоимость.
Капитальные затраты для рассматриваемых схем
где Кл - капитальные затраты в двухцепные линии, руб
Кгпп - капитальные затраты по ГПП с двумя трансформаторами,
руб
Капитальные затраты в линии могут быть определены по формуле:
Кл=1,3·kуд.l,
уд - удельные затраты на 1 км. линий, которые можно определить по
справочнику
) kуд=662,5 тыс.руб /км. - железобетонные
опоры
Кл=1,3·662,5·2·14=24115 тыс.руб
2) kуд=727,5 тыс.руб /км. - железобетонные
опоры
Кл=1,3·727,5∙14=13240,5 тыс.руб
Капитальные затраты на ГПП могут быть определены по формуле:
где К'ГПП - капитальные затраты для типовой
ГПП, руб.;
Sнт - мощность трансформаторов, выбранных по расчету, кВ∙А;
S'нт
- мощность трансформаторов типовой ГПП, кВ∙А.
)Кгпп=13648·25/25=13648 тыс.руб
)Кгпп=15335·25/25=15335 тыс.руб
Определяем капитальные затраты для рассматриваемых схем:
вариант К=24115+13648=37763 тыс.руб
вариант К=13240,5 +15335=28575,5 тыс. руб
Годовые эксплуатационные расходы
Расчет годовых эксплуатационных расходов производится в соответствии
формулой :
М(У) - математическое ожидание ущерба от перерыва в электроснабжении
потребителей за год , руб/год;
Величину амортизационных отчислений определяют по
элементам схемы электроснабжения:
где Наi - норма амортизации для i-того элемента схемы электроснабжения, процентные значения Наi приведены в [1];
п - количество разнотипных элементов схемы.
Таблица 12.4
1 вариант
2 вариант
Затраты на обслуживание и текущий ремонт также
определяются в процентах от капитальных затрат:
где Ноi - годовой норматив расходов на обслуживание для i-того элемента схемы
электроснабжения, процентные значения приведены в [1].
Таблица 12.5
1 вариант
2 вариант
Стоимость годовых потерь электроэнергии определяют по
формуле:
где ΔWi - годовые потери электроэнергии в
элементах схемы, кВт∙ч,
γ - удельная стоимость электроэнергии
(потерь), руб./кВт∙ч. Величина γ зависит от тарифов на электроэнергию
в данной энергосистеме, от режима потребления электроэнергии и может быть
определена выражением:
где а - годовая основная ставка двухставочного тарифа
за киловатт максимальной нагрузки, руб./кВт; b - дополнительная ставка двухставочного тарифа за
потребляемую энергию, руб./кВт∙ч.
Число часов использования максимальной нагрузки
определяется по выражению:
1 вариант
2 вариант
Математическое ожидание ущерба от перерыва в электроснабжение
промышленного предприятия может быть приближенно определено по выражению:
М (У) = уоМ (W)
где уо - удельный ущерб, в руб./кВт∙ч,
величина которого в расчетах может быть принята 30 руб./кВт∙ч или по
справочным данным для различных типов предприятий;
M(W) -
математическое ожидание недоотпуска электроэнергии потребителям из-за аварийных
перерывов в системе электроснабжения,
для двухцепной линии:
(W) = Pp h2'' Tmax + (Pp - Pp1) h2' Tmax
где Pp1
- расчетная активная нагрузка потребителей первой категории
Рр1=S1кат0.85=8000·0,85=6800 кВт
2' и h2'' - вероятность аварийного перерыва
в электроснабжении для двухцепной линии соответственно для одной и двух цепей.
Для одной цепи вероятность аварийного перерыва может
быть определена как сумма вероятностей аварийного отключения последовательных
элементов цепи:
где hi - вероятность аварийного отключения i-того элемента цепи;
mi - ожидаемое число повреждений i-того элемента цепи за год, раз/год;
tавi - число часов аварийного простоя i-того элемента цепи за один отказ, ч.
Величины mi и tавi определяются по табл.
Определяется и вероятность аварийного перерыва для
каждой цепи двухцепной линии h1ц и h2ц. Можно принимать:
ц = h1ц = h2ц.
Для двухцепной линии вероятность аварийного отказа
одной линии:
2' = (1 - h1ц) h2ц + (1 - h2ц) h1ц = 2 hц (1 - hц),
вероятность аварийного отказа двух цепей одновременно:
h2'' = h1ц h2ц = hц2.
Для обоснования экономически выгодного варианта все расчеты необходимо
представить в итоговую таблицу и провести необходимые расчеты показателей
экономической эффективности по методике ЮНИДО.
Если капитальные вложения и годовые эксплуатационные расходы (текущие
затраты) в одном из вариантов оказываются наименьшими, то целесообразность
выбора не вызывает сомнения.
Сведем найденные показатели в таблицу.
Таблица
12.7
ПОКАЗАТЕЛЬ
Ед.изм.
35 кВ
110 кВ
Капитальные затраты
К
тыс.руб.
37763
28575,5
Амортизационные отчисления
Са
тыс.руб.
1452
1299
Отчисления на обслуживание
и ремонт
Со
тыс.руб.
253
251
Суммарные потери
электроэнергии
∆W
тыс.кВт·ч.
11013
1685
Стоимость потерь
электроэнергии
Спэ
тыс.руб.
14096
2156,8
Математическое ожидание
ущерба
М(У)
тыс.руб.
9342
8599
Годовые эксплуатационные
расходы
И
тыс.руб.
25143
12306
Вывод: У варианта "110кВ" все показатели имеют меньшие
значения, что обусловлено необходимостью применять большие сечения для ЛЭП
35кВ, а это приводит к высоким затратам.
В случае, если один из вариантов не является наилучшим по всем
показателям, то необходимо произвести дополнительный расчет.
Расчёт аннуитированных затрат
К - общие капитальные затраты;
g -
процентная ставка
t -
срок службы схемы
Если же соотношение величин капитальных затрат и
эксплуатационных расходов таково, что сразу нельзя сделать вывод о
преимуществах какого-то варианта для выбора одного из них, то следует
воспользоваться следующими показателями экономической эффективности.
1. Чистая дисконтированная стоимость
2. Период возврата затрат
. Внутренняя норма доходности инвестиций
. Индекс прибыльности
Основной сводится к расчету чистой текущей стоимости -
NPV (next present value), которую можно определить следующим образом: текущая
стоимость денежных притоков за вычетом текущей стоимости оттоков, т.е. данный
метод предусматривает дисконтирование денежных потоков с целью определения
эффективности инвестиций. Основной сводится к расчету чистой текущей стоимости
- NPV (next present value), которую можно определить следующим образом: текущая
стоимость денежных притоков за вычетом текущей стоимости оттоков, т.е. данный
метод предусматривает дисконтирование денежных потоков с целью определения
эффективности инвестиций.
Приток денежных средств распределен во времени, его
дисконтирование производится по процентной ставке i. Важным моментом является выбор уровня процентной ставки, по
которой производится дисконтирование.
Серьезным фактором при определении процентной ставки,
используемой для дисконтирования, является учет риска. Риск в инвестиционном
процессе, предстает в виде возможного уменьшения реальной отдачи от вложенного
капитала по сравнению с ожидаемой.
где P1, P2,…,Pn - годовые денежные поступления в течение n-лет;
IC - стартовые инвестиции;
I - ставка сравнения.
Очевидно, что при NPV≥0 - проект следует принять; NPV≤0 - проект должен быть
отвергнут; NPV=0 - проект не прибылен, но и не
убыточен.
Показатель NPV отражает прогнозную оценку изменения экономического потенциала
предприятия в случае принятия рассматриваемого проекта. Этот показатель
аддитивен во временном аспекте, т.е. NPV различных проектов можно суммировать. Это очень важное свойство,
выделяющий этот критерий из всех остальных и позволяющее использовать его в
качестве основного при анализе инвестиционного портфеля.
Абсолютная величина чистого приведенного дохода
зависит от двух видов параметров. Первые характеризуют инвестиционный процесс
объективно. Они определяются производственным процессом (больше продукции -
больше выручки, меньше затраты - больше прибыль и т.д.). Ко второму виду
относится единственный параметр - ставка сравнения.
Рассматривая свойства чистого приведенного дохода,
необходимо обратить внимание еще на одну проблему. Дело в том, что при высоком
уровне ставки отдаленные платежи оказывают малое влияние на величину NPV. В силу этого варианты,
различающиеся по продолжительности периодов отдачи, могут оказаться практически
равноценными по конечному экономическому эффекту.
Инвестиции означают расходы на строительство новых
заводов, на станки и оборудование с длительным сроком службы и т.п.
Расчет эффективности представляет собой описание
ожидаемых экономических результатов от запланированных капиталовложений.
Существует несколько различных методов определения
эффективности, наиболее распространенные из них:
а)метод расчета чистой дисконтированной стоимости;
б)метод расчета внутренней нормы окупаемости
инвестиций.
в)метод расчета срока окупаемости (полного
возмещения).
г)метод расчета индекса прибыльности.
1.Метод расчёта чистой дисконтированной стоимости.
Чистая дисконтированная стоимость - это разность между
текущей, дисконтированной на базе расчётной ставки процента, стоимостью
поступлений от инвестиций и величиной капиталовложений.
При разовой инвестиции математически расчёт чистой
дисконтированной стоимости можно представить формулой:
где P1,P2,Pk,...,Pn - годовые денежные поступления в
течение n-лет;
IS - стартовые инвестиции;
I - ставка сравнения.
Очевидно, что если NVP> 0 - проект следует принять;
если NVP<0
- проект должен быть отвергнут;
NVP= 0 - проект не прибылен, но и не убыточен.
Если проект предполагает не разовую инвестицию, а
последовательное инвестирование финансовых ресурсов в течение нескольких лет (m-лет), то формула для расчёта
модифицируется:
Стоимостная оценка основного результата сооружения электрической сети
определяется по формуле:
Сопутствующий результат сооружения электрической сети:
В нашем случае эта формула имеет следующий вид:
2.Метод расчета внутренней нормы окупаемости
инвестиций позволяет оценить эффективность капиталовложений путём сравнения
внутренней (предельной) нормы окупаемости инвестиций с эффективной ставкой
процента. Внутренняя норма окупаемости соответствует такой ставке процента, при
которой достигается нулевая чистая дисконтированная стоимость.
Критерием выбора по этому методу является то, что
значение IRR показывает верхнюю границу
допустимого уровня банковской процентной ставки, превышение которой делает
проект убыточным.
Если IRR>CC, то проект следует принять;
IRR<CC,
проект следует отвергнуть;
IRR=CC,
проект ни прибыльный, ни убыточный;
IRR - внутренняя норма окупаемости;
СС - привлечённые финансовые ресурсы.
Расчёт эффективности инвестиций описывает
экономические результаты, которые, как ожидается, дадут вложенные средства.
Исходя из этих расчётов, можно решить, эффективны ли запланированные инвестиции
с чисто экономической точки зрения. Если расчёт произведен по первому методу,
осуществлять капиталовложения можно лишь в том случае, когда величина чистой
дисконтированной стоимости положительна (или равна нулю). Если же расчёт
производится по второму методу, инвестиции могут считаться эффективными в том
случае, когда показатель внутренней нормы окупаемости капиталовложений
достаточно высок. Принимая инвестиционные решения, необходимо учесть различного
рода риски. Чем длиннее инвестиционный цикл, тем при прочих равных условиях
инвестиции более рискованны. Поэтому некоторые предприятия используют метод
полного возмещения, по которому определяются количество, продолжительность
периодов, за время которых происходит полное возмещение инвестированных
средств. Выбор инвестиционного решения осуществляется по принципу: чем короче
срок полного возмещения капиталовложений, тем они эффективнее. Этот метод может
эффективно применяться наряду с методами расчёта чистой дисконтированной
стоимости или внутренней нормы окупаемости капиталовложений. Для анализа
инвестиционных проектов возможно также использование индекса рентабельности,
т.е. отношения между суммой дисконтированных чистых потоков денежных средств от
инвестиций и суммой инвестиций.
Названные показатели в совокупности дают наиболее
реальную картину для принятия инвестиционных решений.
Периодом окупаемости nу проекта называется время, за которое сумма поступлений от
реализации проекта покроет сумму затрат. Срок окупаемости обычно измеряется в
годах или месяцах.
Если не учитывать фактор времени, т. е. Когда равные
суммы дохода, получаемые в разное время, рассматриваются как равноценные, то
этот показатель можно определить по формуле:
Т.е. период окупаемости показывает необходимое число
лет для возмещения стартовых инвестиционных доходов. Если рассчитанный период
окупаемости меньше максимально приемлемого, то проект принимается, если нет -
отвергается. nу> nmax - это приемлемо, nу< nmax - проект принимается
Вариант N1:
год: -37763
год +73820
+36057
Вариант N2:
0 год -28575,5
год +86032
+57456,5
Наряду с наглядностью и простотой этот показатель
имеет один существенный недостаток - он не учитывает ценность поступлений
будущих периодов.
Для устранения указанного недостатка все основные
показатели эффективности инвестиций рассчитываются только с использованием
приведенных (дисконтированных) денежных потоков.
Индекс прибыльности - критерий оценки инвестиционного
проекта, определяемый как частное от деления суммы приведенных поступлений на
приведенную стоимость затрат.
Если инвестиции осуществлены разовым вложением, то
данный показатель рассчитывается по формуле:
k - чистый доход;
IS - стартовые инвестиции;
Vn - дисконтный множитель.
Если инвестиции представляют собой некоторый поток,
то:
t -размеры инвестиционных затрат в периоды t=1,2,...,n.
Если Р1=1, то это означает, что доходность
инвестиций точно соответствует ставке сравнения.
При Р1<1 инвестиции нерентабельны, так
как не обеспечивают норматив.
Индекс прибыльности также является одним из
показателей, на основании которого производится сравнение различных проектов и
принимают решение о финансировании. Он рассчитывается как частное приведенных
поступлений на приведенные выплаты.
Совокупность всех рассмотренных показателей отражает
эффективность проекта с различных сторон.
Элементы основного капитала, а также страховой запас,
необходимые резервы денежных средств, стабильная часть дебиторской
задолженности финансируются за счет долгосрочного кредита. Остальная часть
оборотных активов, величина которых зависит от величины товарного потока, за
счет кратковременного капитала.
Финансирование подобным образом никак не рискованно,
даже если средства, вложенные в здания, машины, автомобили и т.д. (основной
капитал), а также в создание необходимых запасов, денежных резервов,
кредитование клиентов (оборотный капитал), неожиданно будут востребованы
кредитором. В то же время, к примеру, завод будет в состоянии, при сезонных изменениях
той части запасов, которая превосходит нормативные, быстро получить тот
капитал, за счет которого финансируются создание сезонных запасов.
Найденные показатели показывают, что срок окупаемости меньше у варианта
"110 кВ", а также этот вариант имеет больший индекс прибыльности.
Стоимость элементов данной схемы приведена в табл. 12.8
Таблица 12.8
Оборудование
Кол-во
Цена за единицу, тыс.руб.
Всего, тыс. руб.
Нормы амортизации %
Сумма амортиза- ции,
тыс.руб.
Трансформатор ТРДН
25000/110/10
2 шт.
4800
9600
5
480
ТСН ТМ -100/10/0.4
4 шт.
170
680
5
34
ВБЭК 10-20/1000
4 шт.
420
1680
7
117,6
Ячейки РУ ВН
6 шт.
276
1656
10
165,6
КТП с ТМГ 1000 кВА
4 шт.
899
3596
5
179,8
КТП с ТМГ 2500 кВА
16 шт.
1962
31392
5
1569,6
УКЛН-0,38-450-150 У3
11 шт.
236
2596
10
259,6
УКЛН-0,38-300-150 У3
7 шт.
153,6
1075,2
10
107,5
УКЛН -0.38-600-150 У3
14 шт.
297,9
4170,6
10
417
УКЛН -0.38-150-150 У3
2 шт.
77,3
154,6
10
15,5
Ячейки РУ НН 630А
42 шт.
260
10920
10
1092
СД 15-76-6 Рн=1250 кВт
4 шт.
2072
8288
5
414,4
ВВ/ТЕL-10/630
УХЛ
29 шт.
320
9280
7
649,6
ВЛЭП F=70
мм 11000 м.
0,238
2618
3
78,5
Кабель ААБ F=3х120
мм 6000 м.
0,385
2310
3
69,3
Кабель ААБ F=3х180
мм 1500 м.
0,538
807
3
24,2
ИТОГО:
90823,4
5674,2
.3 Расчет электроэнергетической слагаемой себестоимости промышленной
продукции
Для расчета электроэнергетической слагаемой полной себестоимости
промышленной продукции необходимо определить затраты по передаче и
транспортированию электроэнергии.
Они определяются, как сумма следующих составляющих:
энергохозяйства предприятия, руб/год.
обслуживание электрической части заводского хозяйства руб/год
Стоимость электроэнергии, потребляемой предприятием за год, определяется
по тарифам для той энергосистемы, где расположено проектируемое предприятие.
Оплата может осуществляться по одноставочному и двухставочному тарифам.
По двухставочному тарифу оплачиваются потребители, которые называются
"Базовыми потребителями" (далее 1 группа) и у которых среднее за
период регулирования значение заявленной (или расчетной) мощности равно или
более 65 мВт и имеется автоматизированная система коммерческого учета
электроэнергии (АСКУЭ). К таким предприятием отнесены: ОАО "Автоваз";
ООО "Тольяттикаучук"; ОАО "Самарский металлургический
завод"; ЗАО "ЭСКОН"; ООО "Транснефтьсервис"; ОАО
"Куйбышевазот".
В дипломной работе стоимость электроэнергии, потребленной за год,
определяется по двухставочному тарифу, так как данный потребитель имеет полную
мощность S=50172 кВ×А, что больше 750 кВ×А.
Основная плата взимается за заявленную мощность в часы максимума нагрузки
энергосистемы, а дополнительная плата - за потребленную электроэнергию
Са = а∙Рзаяв + b∙Wгод
Где а и b - ставки двухставочного тарифа;
а=2292 руб./кВт·мес - основная ставка двухставочного тарифа;=0,959
руб./кВт·ч - дополнительная ставка двухставочного тарифа;
Рзаяв - заявленная мощность в часы максимума энергосистемы,
кВт. Эта величина может быть определена по графику нагрузки для рабочего дня.
Время максимума энергосистемы можно принять от 18 до 22 час. Рз=44185
кВт
Wгод - годовой расход электроэнергии,
квт.ч.
В проектируемой ГПП расчетные счетчики установлены на НН поэтому их
показания при расчете платы за потреблённую электроэнергию необходимо умножить
на коэффициент 1,025.
Годовой расход электроэнергии определяется:
где: Данные Pi и ti определяем по суточным графикам
активных нагрузок предприятия в рабочие и выходные дни. Определяем суточной
расход электроэнергии по формулам:
Сэ=12·2292×44185+0,959·224680000=1430732,4 тыс.руб
Основная заработная плата рабочих включает в себя
оплату по тарифным ставкам и премии, выплачиваемые по повременно - премиальной
системе:
Соснз.п.р.=(1+βпр)ФдΣNiЗi
βпр - коэффициент, учитывающий премии
рабочим из фонда заработной платы, βпр = 0,1 ÷ 0,3; Ni -
количество рабочих i-того разряда;
i - часовая тарифная ставка i-того разряда, руб;
Фд - действительный годовой фонд времени
работы, ч.
Фд = nр
=250 дней - число
рабочих дней в году по календарю для пятидневной рабочей недели.
Ки - коэффициент использования рабочего времени в течении года
Ки = 0,8-0,9.
Профессия
Тариф разряда
Число ремонтных рабочих
Число эксплуатационных
рабочих
Электромонтер
VI
3
6
V
1
4
IV
3
3
III
2
2
II
2
-
ВСЕГО:
-
11
15
Таблица 12.10 Часовые ставки для разрядов
Тариф разряда
I
II
III
IV
V
VI
Ставка руб/час
12
16
20
26
32
38
Основная заработная плата ИТР завода:
Таблица 12.11 Примерный состав ИТР проектируемого завода
Должность
Количество единиц
Месячный оклад руб/мес
Сумма окладов, руб/мес
Фонд з/пл., руб./год
Главный энергетик
1
25000
25000
300000
Зам.главного энергетика
1
20000
20000
240000
Дежурный энергетик
4
18400
73600
883200
Начальник эл.цеха
1
17500
17500
210000
Начальник смены
2
16900
33800
405600
Старший мастер
3
15000
45000
540000
Мастер
8
14200
113600
1363200
ВСЕГО:
20
-
310500
3942000
Ni ИТР - количество ИТР, с одинаковым должностным окладом.
Зi м - месячный оклад i-той категории ИТР, руб./мес.
Дополнительная заработная плата включает в себя выплаты не связанные с
рабочим временем (оплата очередных и ученических отпусков, временем выполнения
государственных обязанностей и т.д.)
Годовой фонд заработной платы персонала определяется :
Отчисления на социальные нужды
Отчисления на социальное страхование Ссс предназначены для
выплаты пенсий, пособий по временной нетрудоспособности и финансирования
некоторых других социальных мероприятий.
Затраты на материалы
Годовая стоимость материалов, расходуемых на текущий
ремонт и эксплуатационное обслуживание, может быть определена косвенно в
процентах к основной заработной плате рабочих по ремонту и обслуживанию оборудования.
См= ам ∙Соснзпр
ам=0,5 - доля затрат на материалы
Прочие расходы
Величина прочих расходов за год по электроснабжению завода может быть
определена косвенно по формуле:
Спр=апрСзпросн
апр=0,5 - доля прочих затрат от основной заработной платы
Ставки
Величина, тыс.руб.
Затраты в % к итогу
Основная з/пл. работников
1730,651
11,6
Основная зарплата ИТР
3942
26
Дополнительная з/пл.
работников
567,265
3,7
Отчисление на социальное страхование
1622,378
10,6
Годовая стоимость
материалов
865,325
5,6
Прочие расходы
865,325
5,6
Амортизационные отчисления
5674,2
37
ИТОГО:
15267
100 %
Таблица 12.13 Калькуляция себестоимости одного потребляемого кВт*ч
энергии (электроэнергетическая составляющая)
№ п/п
Показатели и статьи
расходов
Единица измерения
При расчете по двухстав.
тарифу
1
Количество электроэнергии,
получаемой из энергосистемы
тыс. кВт*ч
224680
2
Годовой максимум нагрузки
предприятия
кВт
44185
3
Основная ставка по тарифу
за месяц
руб/ кВт
2292
4
Дополнительная ставка по
тарифу
руб/ кВт*ч
0,959
5
Основная плата по тарифу
тыс. руб.
1215264
6
Дополнительная плата
тыс. руб.
215468
7
Итого оплата за полученную
электроэнергию
тыс. руб.
1430732
8
Годовые эксплуатационные
расходы
тыс. руб.
16543,9
9
Всего годовых затрат
тыс. руб.
1447276
10
Потери электроэнергии в
сетях
тыс. кВт*ч
3328
11
Количество электроэнергии
полезно переданное на производственные нужды и освещение
тыс. кВт*ч
221352
12
Цеховая (внутризаводская)
себестоимость 1 кВт*ч полезно потребленной электроэнергии
руб. за кВт*ч
0,99
Таблица 12.14 Технико - экономические показатели предприятия
№ п/п
Показатели
Единица измерения
Абсолютное значение
показателя
1
Максимум электрической
нагрузки
кВт
44185
2
Количество потребляемой
электроэнергии за год
кВт*ч
224680000
3
Потери электроэнергии во
внутризаводской схеме электроснабжения
кВт*ч
3328000
4
Количество полезно
потребляемой электроэнергии
кВт*ч
221352000
5
Коэффициент мощности
0,92
6
Внутризаводская (цеховая)
себестоимость 1 кВт*ч полезно потребляемой электроэнергии
руб.
0,99
7
Количество персонала
чел.
46
8
Фондовооруженность
(годовая)
тыс.руб./чел.
360
9
Сметная стоимость схемы
тыс.руб.
167350
10
Удельная сметная стоимость
в расчете на 1 кВт максимума нагрузки
руб./кВт
3787
13. Охрана труда
.1 Обеспечение безопасности персонала при работе в КТП и РУ
Помещения КТП предприятия, примыкающие к помещениям, принадлежащим
сторонним организациям и имеющим оборудование, находящееся под напряжением,
изолировано от них и имеет отдельный запирающийся выход.
В помещениях КТП окна всегда закрыты, а проемы в перегородках между
аппаратами, содержащими масло, заделаны. Все отверстия в местах прохождения
кабелей уплотнены. Для предотвращения попадания животных и птиц все отверстия и
проемы в наружных стенах помещений заделаны или закрыты сетками.
Токоведущие части пускорегулирующих аппаратов и аппаратов защиты
ограждены от случайных прикосновений.
Электрооборудование КТП всех видов и напряжений удовлетворяет условиям работы
как при номинальных режимах, так и при коротких замыканиях, перенапряжениях и
перегрузках.
Класс изоляции электрооборудования соответствует номинальному напряжению
сети, а устройства защиты от перенапряжений - уровню изоляции
электрооборудования.
Нагрев наведенным током конструкций, находящихся вблизи токоведущих
частей, по которым протекает ток, и доступных для прикосновения персонала, не
превышает 50 °С.
Температура воздуха внутри помещений КТП в летнее время не более 40° С.
Для этого приняты меры к снижению температуры оборудования и охлаждению
воздуха.
За температурой разъемных соединений шин в РУ КТП организован контроль по
утвержденному графику.
Покрытие полов КТП выполнено так, чтобы не происходило образования
цементной пыли.
Помещения, предназначенные для установки ячеек КРУ, а также для их
ревизии перед монтажом и ремонтом, изолированы от улицы и других помещений.
Стены, пол, потолок окрашены пыленеобразующей краской.
Уборка помещений производится мокрым или вакуумным способом. Помещения
должны оборудованы приточно-вытяжной вентиляцией с отсосом воздуха снизу.
Воздух приточной вентиляции проходит через фильтры, предотвращающие попадание в
помещение пыли.
Кабельные каналы и наземные кабельные лотки КТП и РУ закрыты несгораемыми
плитами, а места выхода кабелей из кабельных каналов, лотков, с этажей и
переходы между кабельными отсеками уплотнены огнеупорным материалом.
Туннели, подвалы, каналы содержатся в чистоте, а дренажные устройства
обеспечивают беспрепятственный отвод воды.
Маслоприемники, гравийная подсыпка, дренажи и маслоотводы поддерживаются
в исправном состоянии.
Уровень масла в масляных выключателях, измерительных трансформаторах и
вводах выбирается так, чтобы оставаться в пределах шкалы маслоуказателя при
максимальной и минимальной температурах окружающего воздуха.
Масло негерметичных вводов должно защищено от увлажнения.
Места, в которых допускается переезд автотранспорта через кабельные
каналы, отмечены знаком.
На всех ключах, кнопках и рукоятках управления нанесены надписи,
указывающие операцию, для которой они предназначены ("Включить",
"Отключить", "Убавить", "Прибавить" и др.).
На сигнальных лампах и сигнальных аппаратах нанесены надписи, указывающие
характер сигнала ("Включено", "Отключено",
"Перегрев" и др.).
Выключатели и их приводы имеют указатели отключенного и включенного
положений.
Приводы разъединителей, заземляющих ножей, отделителей,
короткозамыкателей и другого оборудования, отделенного от аппаратов стенкой,
имеют указатели отключенного и включенного положений.
Персонал, обслуживающий КТП и РУ, располагает документацией по допустимым
режимам работы в нормальных и аварийных условиях.
У дежурного персонала имеется запас плавких калиброванных вставок.
Плавкие вставки соответствуют типу предохранителей.
Исправность резервных элементов КТП и РУ (трансформаторов, выключателей,
шин и др.) регулярно проверяется включением под напряжение в сроки,
установленные местными инструкциями.
Оборудование КТП и РУ периодически очищается от пыли и грязи.
Уборку помещений КТП и РУ и очистку электрооборудования выполняет
обученный персонал с соблюдением правил безопасности.
Распределительные устройства напряжением 3000 В и выше оборудованы
блокировочными устройствами, предотвращающими возможность ошибочных операций
разъединителями, отделителями, короткозамыкателями, выкатными тележками КРУ и
заземляющими ножами. Блокировочные устройства, кроме механических, постоянно
опломбированы.
Для наложения заземлений в РУ КТП напряжением 3000 В и выше, применяются
стационарные заземляющие ножи.
Рукоятки приводов заземляющих ножей окрашены в красный цвет, а
заземляющие ножи - в черный. Операции с ручными приводами аппаратов
производятся с соблюдением правил безопасности.
На дверях и внутренних стенках камер РУ, лицевых и внутренних частях КТП
наружной и внутренней установки, сборках, а также на лицевой и оборотной
сторонах панелей щитов выполнены надписи, указывающие назначение присоединений
и их диспетчерское наименование.
На дверях КТП и РУ вывешены или нанесены предупреждающие плакаты и знаки
установленного образца в соответствии с требованиями "Правил применения и
испытания средств защиты, используемых в электроустановках".
На предохранительных щитках и (или) у предохранителей присоединений
нанесены надписи, указывающие номинальный ток плавкой вставки.
В РУ КТП находятся переносные заземления, защитные, противопожарные и
вспомогательные средства (песок, огнетушители), противогазы, респираторы и
средства для оказания доврачебной помощи пострадавшим от несчастных случаев.
Шкафы с аппаратурой устройств релейной защиты и автоматики, связи и
телемеханики, шкафы управления и распределительные шкафы воздушных
выключателей, а также шкафы приводов масляных выключателей, отделителей,
короткозамыкателей и двигательных приводов разъединителей, установленных в РУ
КТП, в которых температура воздуха может быть ниже допустимого значения, имеют
устройства электроподогрева. Включение и отключение электроподогревателей
осуществляется автоматически.
Шарнирные соединения, подшипники и трущиеся поверхности механизмов
выключателей, разъединителей, отделителей, короткозамыкателей и их приводов
смазаны низкозамерзающими смазками, а масляные демпферы выключателей и других
аппаратов - заполнены маслом, температура замерзания которого не менее чем на
20 °С ниже минимальной зимней температуры наружного воздуха.
Профилактические проверки, измерения и испытания оборудования КТП и РУ
проводятся в объемах и в сроки, предусмотренные Нормами.
При осмотре КТП и РУ особое внимание обращается на следующее:
состояние помещения, исправность дверей и окон, отсутствие течи в кровле
и междуэтажных перекрытиях, наличие и исправность замков;
исправность отопления и вентиляции, освещения и сети заземления;
наличие средств защиты;
уровень и температуру масла и отсутствие течи в аппаратах;
состояние контактов, рубильников щита низкого напряжения;
целость пломб у счетчиков;
состояние изоляции (запыленность, наличие трещин, разрядов и т.п.);
работу системы сигнализации;
исправность и правильность показаний указателей положения выключателей;
отсутствие течи масла из конденсаторов емкостных делителей напряжения;
действие устройств электроподогрева в холодное время года;
плотность закрытия шкафов управления;
возможность легкого доступа к коммутационным аппаратам и др.
Средний ремонт оборудования КТП и РУ производится в сроки:
выключателей нагрузки, разъединителей и заземляющих ножей - 1 раз в 4 - 8
лет (в зависимости от конструктивных особенностей);
отделителей и короткозамыкателей с открытым ножом и их приводов - 1 раз в
2 - 3 года;
токопроводов - 1 раз в 8 лет;
всех аппаратов - после исчерпания ресурса независимо от продолжительности
эксплуатации.
Первый средний ремонт установленного оборудования проводится в сроки,
указанные в технической документации завода-изготовителя.
Средний ремонт остальных аппаратов РУ (трансформаторов тока и напряжения,
конденсаторов связи и т.п.) осуществляется также по мере необходимости с учетом
результатов профилактических испытаний и осмотров.
Периодичность средних ремонтов может быть изменена исходя из опыта
эксплуатации решением ответственного за электрохозяйство.
Текущие ремонты оборудования РУ, а также проверка его действия
(опробование) проводятся по мере необходимости в сроки, установленные
ответственным за электрохозяйство.
Внеочередные ремонты выполняются в случае отказов оборудования, а также
после исчерпания коммутационного или механического ресурса.
.2 Средства защиты используемые в КТП
Для защиты людей от поражения электрическим током при повреждении
изоляции в КТП предусмотрены защитные меры. В качестве таких мер использованы заземление,
зануление, малое напряжение, выравнивание потенциалов.
Заземляющие устройства в КТП соответствуют требованиям ПУЭ и обеспечивают
условия безопасности людей и защиты электрооборудования, а также
эксплуатационные режимы работы.
Части электрооборудования КТП, подлежащие заземлению, имеют надежное
контактное соединение с заземляющим устройством либо с заземленными
конструкциями, на которых они установлены.
Присоединение заземляющих и нулевых защитных проводников к заземлителям,
заземляющему контуру и к заземляющим конструкциям выполнено сваркой, а к
корпусам аппаратов, машин и опор воздушных линий электропередачи - сваркой или
надежным болтовым соединением.
Каждая часть электроустановки, подлежащая заземлению или занулению,
присоединена к сети заземления или зануления с помощью отдельного проводника.
Последовательное включение в заземляющий или нулевой защитный проводник
заземляемых или зануляемых частей электроустановки запрещается.
Заземляющие и нулевые защитные проводники имеют покрытие, предохраняющее
от коррозии.Открыто проложенные стальные заземляющие проводники должны имеют
черную окраску.Для определения технического состояния заземляющего устройства
периодически проводятся:
измерение сопротивления заземляющего устройства и не реже 1 раза в 12 лет
выборочная проверка со вскрытием грунта элементов заземлителя, находящихся в
земле;
проверка состояния цепей между заземлителями и заземляемыми элементами, а
также соединений естественных заземлителей с заземляющим
устройством;
измерение напряжения прикосновения в электроустановках, заземляющие
устройства которых выполнены по нормам на напряжение прикосновения.
Для заземлителей, подверженных интенсивной коррозии, установлена более
частая периодичность выборочных вскрытий грунта.
Измерения напряжения прикосновения проводятся после монтажа,
переустройства и капитального ремонта заземляющего устройства, но не реже 1
раза в 6 лет. Кроме того, на предприятии ежегодно производятся: уточнение тока
однофазного КЗ, стекающего в землю с заземлителя электроустановки;
корректировка значений напряжения прикосновения и сравнение их с требованиями
ПУЭ. В случае необходимости выполняются мероприятия по снижению напряжения
прикосновения.
На каждое находящееся в эксплуатации заземляющее устройство имеется
паспорт, содержащий схему устройства, основные технические данные, данные о
результатах проверки его состояния, о характере ремонтов и изменениях,
внесенных в конструкцию данного устройства.
При использовании в электроустановке защитного зануления производится
проверка состояния нулевого защитного проводника, а также его соединения с
защищаемым оборудованием.
Для проверки соответствия тока плавления предохранителей или уставок
расцепителей автоматических выключателей току короткого замыкания в
электроустановках потребителей периодически проводится измерение полного
сопротивления петли фаза-нуль или непосредственное измерение тока КЗ с помощью
специальных приборов.
Трехфазные сети до 1000 В с изолированной нейтралью или однофазные сети
до 1000 В с изолированным выводом, питающиеся от трансформатора с высшим
напряжением более 1000 В, защищены пробивным предохранителем. Предохранитель
установлен в нейтрали или фазе на стороне низшего напряжения каждого
трансформатора. При эксплуатации обеспечен контроль исправности пробивных предохранителей.
14. .1 Серия трёхфазных распределительных трансформаторов класса напряжения
10 кВ
Распределительные трансформаторы предназначены для преобразования
напряжения линий электропередачи (как правило 6, 10 и 35 кВ) до напряжения
питания непосредственных потребителей электроэнергии: промышленных и бытовых
электроустановок.
Следует отметить, что суммарная мощность парка распределительных
трансформаторов значительно превышает мощность трансформаторов более высоких
ступеней напряжения. Удельный расход материалов и потери, отнесённые к единице
мощности, у распределительных трансформаторов 1-3 габаритов существенно выше,
чем у мощных силовых трансформаторов, поэтому к проектированию и уменьшению потерь
холостого хода и короткого замыкания этих трансформаторов необходимо уделять
повышенное внимание. Особенно это актуально при разработке серий
трансформаторов в условиях нового производства, когда имеется возможность
применить новейшие технологии и использовать современные технологии.
Конструктивные особенности трансформаторов
В ООО "Русский трансформатор" организовано производство серии
трёхфазных распределительных трансформаторов.
Трансформаторы имеют 4 вида исполнения:
ТМ - с расширителями;
ТМГ - герметичный, без расширителя;
ТМФ - с расширителями и фланцами на крышке;
ТМГФ - герметичный с фланцами на крышке, без расширителя. В апреле 2005г. трансформаторы прошли испытания в НИЦ ВВА, Москва. В мае
проведена сертификация всей серии трансформаторов.
Основные параметры трансформаторов приведены на плакате.
По требованию заказчика предприятие имеет возможность изготовления в
короткие сроки трансформаторов с параметрами потерь холостого хода, потерь
короткого замыкания, тока холостого хода отличными от указанных в таблице.
Трансформаторы изготавливаются в двух климатических исполнениях
"У" и "Т". Категория размещения - "1" по ГОСТ
15150-69.
Проектирование трансформаторов
Компьютерная программа позволяет выполнять проекты трансформаторов любой
мощности в пределах до 2500 кВА, с различными сочетаниями напряжений первичной
и вторичной обмоток и, что следует особо подчеркнуть, с заранее оговорёнными
потерями холостого хода, короткого замыкания, габаритными размерами и другими
характеристиками.
Сейчас ведутся работы по полной автоматизации процесса проектирования
трансформатора по следующему алгоритму:
1. Комплексный расчёт трансформатора, который включает в себя
электрический, тепловой, механический и электродинамический расчёты.
2. Создание трёхмерной модели трансформатора.
. Оформление чертежей.
. Выпуск спецификаций.
. Выпуск текстовых документов, включающих в себя технологические
процессы, ведомости материалов и комплектующих изделий, обсчёт стоимости
материалов.
Всё это позволит ещё больше свести к минимуму время проектирования
трансформаторов и поднять качество всей конструкторско-технологической
документации.
Магнитная система
Магнитопровод - плоскошихтованный. Сборка магнитопровода производится по
методу step-lap с полным косым стыком, который является на данный
момент самым совершенным из всех известных и обеспечивает минимум потерь холостого
хода. После сборки торцы пластин промазываются изоляционным лаком для
предотвращения замыканий между пластинами и увеличения жёсткости конструкции.
Изготовление пластин электротехнической стали, производится на полностью
автоматических линиях поперечного раскроя фирмы L.a.e., Италия, что обеспечивает высокую
точность изготовления и отсутствие заусенцев на пластинах.
Обмотки
Один из методов повышения технического уровня трансформаторов -
усовершенствование его обмоток. Основной фактор, определяющий геометрические
размеры трансформатора - коэффициент заполнения активным проводником
поперечного сечения окна магнитопровода. Повышению коэффициента заполнения
обмоток способствует применения в обмотках НН трансформаторов алюминиевой или
медной ленты (фольги) вместо обмоточных проводов прямоугольного сечения.
Увеличение коэффициента заполнения обмотки НН приводит к снижению веса
проводникового материала и уменьшению габаритов активной части трансформатора.
Кроме того, в рабочем режиме в обмотках из фольги наводятся вихревые
токи, которые компенсируют радиальную составляющую магнитной индукции от токов
в обмотках. Этот эффект компенсации радиального магнитного поля приводит к
резкому ослаблению осевых усилий в обмотках при несимметричном распределении по
высоте магнитодвижущей силы регулирующего слоя обмотки ВН, что позволяет
радикально решить проблему осевой стойкости обмоток трансформатора. Обмотка НН,
выполненная из фольги, благоприятно действует на устойчивость всей конструкции
трансформатора к токам КЗ. И в этом отношении она имеет большие преимущества по
сравнению со слоевыми цилиндрическими обмотками НН, что было подтверждено
проведёнными испытаниями в НИЦ ВВА в апреле 2005г., когда все предъявленные
образцы благополучно выдержали испытания на воздействие токов КЗ. Обмотка ВН -
слоевая цилиндрическая из медного провода круглого или цилиндрического сечения.
Намотка всех катушек производится на станках L.a.e., Италия.
Намоточные станки обеспечивают достаточно сильное натяжение провода, при
котором в проводе возникают механические напряжения, по величине сопоставимые с
напряжениями, возникающими при КЗ трансформатора. Это повышает механическую
стойкость обмоток к токам КЗ, но одновременно предъявляет особые требования к
качеству изоляции провода по эластичности и изоляционным свойствам.
Изоляционный материал, применяемый в трансформаторах, более всего
подвергается старению, и, большинство выходов трансформаторов из строя в
эксплуатации происходит из-за плохого качества изоляции.
В качестве межслоевой изоляции используется электротехническая бумага
"Алмаз", производства Германии, которая армирована участками с
термоклеем, который при нагреве склеивает между собой соседние слои обмоток. В
результате получается замоноличенная конструкция, что увеличивает жёсткость конструкции
и устойчивость обмотки к сжимающим радиальным электродинамическим усилиям КЗ.
Корпус трансформатора
Основной особенностью является то, что для увеличения поверхности
охлаждения в трансформаторах герметичного исполнения применяются гофрированные стенки.
Кроме того, они выполняют функцию компенсатора при расширениях и уменьшениях
объёма масла в результате перепада температур. Основные исполнения
распределительных масленых трансформаторов - герметичные трансформаторы серии
ТМГ и ТМГФ. Такие трансформаторы, в отличие от трансформаторов с
расширительными баками, не требуют:
- обслуживания на протяжении всего срока службы,
- лабораторных исследований трансформаторного масла,
взятия проб масла на анализ,
регенерации масла и ревизий при эксплуатации.
Гофрированные баки трансформаторов ТМГ и ТМГФ абсолютно безопасны и имеют
высокую надёжность. В процессе испытаний они выдерживают избыточное давление 45
кПа и вакуум с остаточным давлением 70 кПа, а при эксплуатации давление в баках
трансформаторов, как правило, не превышает 20 кПа. На трансформаторах ТМГ и
ТМГФ устанавливается клапан сброса давления, который предохраняет трансформатор
от избыточного давления, которое может возникнуть в аварийных режимах работы.
Клапан срабатывает при давлении 50 кПа.
Трансформаторы типа ТМ и ТМФ, также выполняются с гофрированными баками,
кроме того, имеют расширитель, который служит для дополнительной компенсации
расширения масла при нагреве. Данные трансформаторы изготавливаются в основном
для тропического климата.
Комплектующие изделия
В качестве комплектующих изделий (изоляторные вводы ВН и НН
трансформаторов, переключатели без возбуждения (ПБВ), предохранительные клапаны
сброса давления, газовые реле и маслоуказатели) применяется высококачественная
аппаратура итальянских фирм, которая обеспечивает надёжную работу
трансформатора в течение всего срока эксплуатации.
Обработка и заливка трансформаторного масла
Обязательными условиями качественного исполнения герметичных
трансформаторов помимо гофрированного бака являются глубокая дегазация перед
заливкой и заливка трансформаторного масла под вакуумом. В противном случае при
разрежении внутри бака (при охлаждении трансформатора) из масла непременно
начнётся удаление растворённого в нём воздуха и внутри бака под крышкой образуется
воздушная подушка, что снизит надёжность вводов, а растворённый в масле воздух
или образовавшаяся воздушная подушка будут приводить к его окислению. Если же
из неё не будут удалены воздушные включения, то это приведёт к окислению масла,
коррозии внутренней поверхности бака, а также к снижению электрической
прочности главной и продольной изоляции.
Трансформаторы в герметичном исполнении изготавливаются с полным
заполнением маслом, без расширителя и без воздушной или газовой подушки.
Контакт масла с окружающей средой полностью отсутствует, что исключает
окисление, увлажнение и шламообразование масла. Перед заливкой масло
дегазируется, заливка его в бак производится в специальной вакуумозаливочной
камере, что намного увеличивает электрическую прочность изоляции
трансформатора. В качестве прокладок, обеспечивающих герметичность,
используется материала основе коры пробкового дуба с каучуком, который в
отличие от резины не теряет эластичность и защищает внутреннюю часть
трансформатора от воздействия окружающей среды на протяжении всего срока
службы. Все трансформаторы снабжаются маслоуказателями. Масло в трансформаторах
ТМГ и ТМГФ практически не меняет своих свойств в течение всего срока
эксплуатации. Исключается необходимость проведения испытания масла трансформатора
как при его хранении, так и при вводе в эксплуатацию и а процессе эксплуатации.
Не требуется проведение профилактических, текущих и капитальных ремонтов в
течение всего срока эксплуатации трансформатора.
Таким образом, с точки зрения потребителя, преимущество конструкции ТМГ и
ТМГФ, прежде всего, в отсутствии эксплуатационных расходов в течение всего
срока службы трансформатора.
.2 Вакуумные выключатели, выпускаемые ОАО "Электрощит"
На ЗАО "Группа компаний "Электрощит"-ТМ Самара"
разработана и освоена в производстве унифицированная серия вакуумных
выключателей типа ВБУ-10 на номинальное напряжение 10 кВ, номинальные токи
1000, 1600 А, номинальные токи отключения 20 и 31,5 кА. Разработаны и готовятся
к освоению в производстве выключатели напряжением 10 кВ на номинальный ток 3150
А и номинальный ток отключения 31,5 и 40 кА.
Эти выключатели предназначены для коммутаций
электрических цепей при нормальных и аварийных режимах частотой 50 Гц с
напряжением 6-10 кВ в электрических сетях трехфазного переменного тока в КРУ
собственного изготовления К-68, К-63, К-59 и др., а также в малогабаритных
ячейках комплектных распределительных устройств типа К-бб, КСО-2СЭЩ и других
модификаций.
При разработке выключателей учитывался уровень
конструкции передовых отечественных и зарубежных аппаратов. Для необходимой
комплектации использовались лучшие образцы отечественного приборостроения.
Конструкция и отдельные узлы вакуумных выключателей
защищены авторскими свидетельствами и патентами на изобретение.
Учитывая высокую степень сложности разработки и
изготовления высоковольтных коммутационных аппаратов, для освоения их
производства на заводе было закуплено современное технологичное оборудование.
Особенностью этой унифицированной серии является то,
что выключатели, по желанию заказчика, могут иметь:
1 пружинно-моторный привод,
использующий для включения выключателя энергию, предварительно взведенной при
помощи мотор-редуктора, включающей пружины;
2 электромагнитный привод,
непосредственно использующий энергию постоянного тока включающего
электромагнита.
Сравнительная таблица вакуумных выключателей на класс напряжения 10 кВ
представленна на плакате.
15. Мероприятия обеспечивающие охрану окружающей среды
В проекте с учетом возможных неблагоприятных воздействий на окружающую
среду учитывался не только максимальный экономический, но и
оптимально-экологический эффект.
Согласно требованиям ПУЭ:
. Эл.установки должны удовлетворять требованиям действующих директивных
документов о запрещении загрязнения окружающей среды, вредного или мешающего
влияния шума, вибрации и электрических полей.
. В эл.установках должны быть предусмотрены сбор и удаление отходов:
химических веществ, масла, мусора, технических вод и т.п. В соответствии с
действующими требованиями по охране окружающей среды должна быть исключена
возможность попадания указанных отходов на территории, не предусмотренных для
этих отходов.
В соответствии с данными требованиями при проектировании предусмотрено:
1. При установке силовых трансформаторов ТРДН- 25000/110 в
основании здания ГПП монтируют маслоприемники, предназначенные для приема 20%
масла трансформатора и обеспечения откачки масла передвижными средствами. К
баку трансформатора крепится термосифонный фильтр, заполненный селикагелем или
другим веществом, поглощающим продукты окисления масла. На месте монтажа
врезаны патрубки в маслоприемники, которые соединены с баком для временного
хранения масла. Концентрация масла в маслоприемниках обеспечивает полную
изоляцию с окружающей средой.
2. Применили распределительные трансформаторы новейшей серии ТМГ,
выпускаемые ООО "Русский трансформатор", так как они проектируются и
производятся с использованием современных технологий и, следовательно, имеют
наибольшую пожаро- и взрывозащищённость, чем другие масленые трансформаторы.
. Высоковольтные линии (ВЛ) создают искусственные электромагнитные поля,
которые существенно нарушают естественную электромагнитную обстановку. Поэтому
трасса, проектируемой ЛЭП 110кВ, будет проходить в пределах санитарно-защитных
зон.
На территории завода прокладываем кабельные линии. Электрические поля,
концентрируются вокруг металлической оболочки кабеля и не выходят за пределы
кабельной линии. Для выравнивания электрических полей применяют
электромагнитные экраны, которые изготавливаются из электропроводящей бумаги,
металлических лент и размещаются поверх жилы и (или) поверх изоляции жилы, и
(или) вместе с поясной изоляцией, что делает равномернее поле по отношению к
земле.
. Применение вакуумных выключателей марки ВВ/ТЕL, так же относится к мероприятиям по охране природы, так как
имеют неоспоримые преимущества перед масляными. Они взрыво- и пожаробезопасны.
Вакуумный выключатель не требует дополнительного обслуживания и регулировок в
процессе всего срока службы, в отличие от масляного, которому необходима периодическая
чистка масла, что требует наличия масляного хозяйства. В случаях повреждения
механизма масляного выключателя или камер в выключателе образуется длительно
горящая "стоячая" дуга, при этом давление в баке может подняться до
опасной величины, что может вызвать взрыв. При определенном давлении мембраны
выключателя разрушаются, и из него выливается масло, что может стать причиной
тяжелой аварии, которая принесет не только материальный, но и экологический
ущерб.
Заключение
В данном дипломном проекте была разработана схема электроснабжения
машиностроительного завода, которая удовлетворяет следующим требованиям:
экономичности и надежности, безопасности и удобству эксплуатации, обеспечению
заданных показателей качества электроэнергии.
При проектировании схемы электроснабжения учтены особенности технологии
данного вида производства, а также число и мощность цеховых ТП, напряжение
потребителей, их расположение и ряд других параметров.
На основании всего этого принята, смешанная схема внутризаводской
распределительной сети; схема ГПП - два блока линия-трансформатор с
выключателями ВМТ-110 и неавтоматической перемычкой; трансформаторы ГПП
ТРДН-25000/110/10-10 независимы, с возможностью АВР. По среднесменным нагрузкам
выбраны КТП с трансформаторами ТМГ-1000/10 (шкаф ввода ВН типа УВН-СТ с
выключателем нагрузки ВНП-1М-10/630; шкаф ввода НН типа ШНВ-3У3 с выключателем
ВА-55-43) и КТП с трансформаторами ТМГ-2500/10 (шкаф ввода ВН типа УВН-СТ с
выключателем нагрузки ВНП-1М-10/630; шкаф ввода НН типа ШНВ-12,0 с выключателем
Э40В).
Выбрана следующая аппаратура: выключатели, разъединители, заземлители,
разрядники, предохранители, трансформаторы тока и напряжения по необходимым для
их нормальной работы условиям.
Для надежной работы СЭС завода предусмотрена релейная защита и автоматика
на воздушных и кабельных линиях, трансформаторах ГПП и КТП, синхронных
двигателях и конденсаторных установках.
Решён вопрос компенсации реактивной мощности синхронными двигателями и
конденсаторными батареями.
Список литературы
1.
Баркович М.А.,
Молчанов В.В., Семёнов В.А. Основы техники релейной защиты. 6-е изд., перераб.
и доп. - М.: Энергоатомиздат, 2014.
376 с., ил.
2.
Ермилов А.А.
Основы электроснабжения промышленных предприятий.-4-е изд., перераб. и доп. -
М.: Энергоатомиздат, 20133. 208 с., ил.
3.
Неклепаев Б.Н.,
Крюков И.П. Электрическая часть электростанций и подстанций. Справочные
материалы для курсового и дипломного проектирования: Учебное пособие для вузов.
4-е изд., перераб. и доп. - М.: Энергоатомиздат, 1989. 608 с., ил.
4.
Рожкова Л.Ю.,
Козулин В.С. Электрооборудование станций и подстанций 3-е изд., перераб. и доп.
- М: Энергоатомиздат, 2007. 648 с., ил.
5.
Федоров А.А.,
Старкова Л.Е. Учебное пособие для курсового и дипломного проектирования по
электроснабжению промышленных предприятий: Учебное пособие для вузов. - М:
Энергоатомиздат, 2012. 368 с., ил.
6.
Шабад М.А.
Расчеты релейной защиты и автоматики распределительных схем. 2-е изд., перераб.
и доп.- Л: Энергия, 1976. 288 с., ил.
7.
Методические
указания к курсовому и дипломному проектированию "Оптимизация размещения
компенсирующих устройств в электрических сетях промышленных
предприятий"/Сост. Ю.Ф. Лыков, Е.Н. Федотов. - Куйбышев: КПтИ, 1988. 38 с.
8.
Диалоговая
учебно-исследовательская САПР внутризаводского электроснабжения на базе
персонального компьютера/Метод. указания
9.
Справочник по
проектированию электроэнергетических систем/Под ред. С.С. Рокотяна и И.М.
Шапиро. 3-е изд., перераб. и доп. - М: Энергоатомиздат, 2005. 352 с., ил.
10.Правила технической эксплуатации электроустановок
потребителей и Правила техники безопасности при эксплуатации электроустановок
потребителей. 4-е изд., перераб. и доп. - М: Энергоатомиздат, 1986. 424 с., ил.
11.Правила устройства электроустановок. 7-е изд.,
перераб. и доп. - М: Энергоатомиздат,2010. 640 с.
12.Руководящие указания по релейной защите. Вып. 13А.
Релейная защита понижающих трансформаторов 110-500 кВ. Схемы. - М.
Энергоатомиздат, 1985. 112 с., ил.
13.Методические указания "Учебная САПР
внутризаводского электроснабжения завода"/Сост. Ю.Ф. Лыков, Е.Н. Федотов.
- Самара: СамГТУ, 2012. 35 с., ил.
14.Методические указания "Автоматизированное
проектирование электроснабжения завода"/Сост. Ю.Ф. Лыков, Е.Н. Федотов. -
Самара: СамГТУ, 2013. 36 с., ил.
15.Методические указания "Промышленные комплектные
трансформаторные подстанции"/Сост. Е.Н. Федотов. - Самара: СамГТУ, 2001.
32 с., ил.
Приложение № 1
Перечень графической части
Формат листа
Обозначение
Название листа
Кол-во листов
А1
СамГТУ.1004.058.020.ГЧ03
Схема ген.плана завода
1
А1
СамГТУ.1004.058.020.ГЧ04
Схема электроснабжения
завода
1
А1
СамГТУ.1004.058.020.ГЧ05
Схема электрических
соединений ГПП
1
А1
СамГТУ.1004.058.020.ГЧ06
План и разрез ОРУ 110 кВ
1
А1
СамГТУ.1004.058.075.ГЧ07
Релейная защита
трансформатора ГПП
1
А1
СамГТУ.1004.058.075.ГЧ08
Таблицы с техническими
параметрами распределительных трансформаторов, выпускаемых ООО "Русский
трансформатор"
1
А1
СамГТУ.1004.058.075.ГЧ09
Сравнительная таблица ВВ на
класс напряжения 10 кВ
1
Приложение № 2
Пользователь acc1.DTS
KS= 10 ZE1= .65 TGH= .08 UL= 110 SK= 1100
KN= 14 ZE2= .0000373 MP= 1 KKL= 1 SB= 100= 10.5 Z0H= 476 ML=
1 F= 70 XT= .04= 1 Z1H= 1 X0L= .4 RL= 4.95 RT= .019= 3.13 Z0B= 61 DL= 11 XL=
4.4 X0= .08= .03 Z1B= 1.8 DE= 1.1 ZH= .02 C0= 63P Q SH NT QЌ PA QA Q‚ PH D1 D2 N QC
1700 1275 2500 1 1050 0 0 0 0 0 0 0 0
1900 1425 2500 1 1200 0 0 0 0 0 0 0 0
1260 946 2500 1 750 0 0 0 0 0 0 0 0
1260 946 2500 1 750 0 0 0 0 0 0 0 0
800 600 2500 1 600 0 0 0 0 0 0 0 0
800 600 1000 1 600 0 0 0 0 0 0 0 0
1567 1175 2500 1 1050 0 0 0 0 0 0 0 0
1567 1175 2500 1 1050 0 0 0 0 0 0 0 0
250 190 1000 1 150 0 0 0 0 0 0 0 0
1750 1315 2500 1 1050 0 0 0 0 0 0 0 0
0 0 0 0 0 0 0 0 1250 6.77 6.98 2 591
0 0 0 0 0 0 0 0 0 0 0 0 0
0 0 0 0 0 0 0 0 0 0 0 0 0
0 0 0 0 0 0 0 0 0 0 0 0 0IP R XS L PL QL KK F Fterm DU
1 5 0 0 271 1711 284 1 120 33.29 0.261
13 0 0 505 3490 472 2 120 34.08 0.218
4 0 0 115 1266 229 1 120 33.31 0.183
12 0 0 345 2532 458 1 185 34.08 0.146
12 0 0 355 2513 297 1 185 34.08 0.145
13 0 0 155 807 32 1 120 34.08 0.030
2 0 0 120 1576 174 1 120 33.46 0.265
10 0 0 200 1576 174 1 120 33.75 0.190
11 0 0 73 251 43 1 120 33.91 0.029
13 0 0 270 3338 502 2 120 34.08 0.112
12 0 0 78 2251 -548 1 185 46.14 0.024
14 .021 .76 0 7296 207 0 0 0.00 0.000
14 .021 .76 0 7635 1006 0 0 0.00 0.000
0 0 0 0 14931 1213 0 0 0.00 0.000
Результаты расчета мощностей КУ:номер узла, QН-бат.НН, QC-синхр.двиг.,
QВ-бат.ВН,квар
Без учета ограничения системы С учетом ограничения системы
QH QC QB QH QC QB
1 1050 0 0 0 0 0
1200 0 0 0 0 0
750 0 0 0 0 0
750 0 0 0 0 0
600 0 0 0 0 0
600 0 0 0 0 0
1050 0 0 0 0 0
1050 0 0 0 0 0
150 0 0 0 0 0
1050 0 0 0 0 0
0 591 0 0 0 0
0 0 0 0 0 0
0 0 0 0 0 0
0 0 0 0 0 0
Затраты ZA= 27132.34 Затраты ZA= 0
Результаты расчета токов КЗ (kA)
С учетом ВВ двиг. без учета ВВ двиг.
0 3.95 7.35 3.87 7.16
5.07 11.35 4.08 9.31
4.34 10.47 4.19 10.07
5.15 12.03 4.14 9.76
5.21 12.55 4.17 10.11
5.20 12.52 4.17 10.08
4.37 10.80 4.22 10.38
4.30 10.09 4.15 9.72
4.31 10.21 4.16 9.83
5.30 13.24 4.22 10.47
4.38 10.87 4.23 10.45
5.34 13.63 4.25 10.71
5.36 13.81 4.27 10.90
4.42 11.37 4.27 10.90
11.30 26.95 10.36 24.46
Расчетные затраты (руб/год) на:
конденсаторные батареи НН 15460 ´ 65 = 1004900
трансформаторные п/ст 6-20/0.4 кВ 29642 ´ 65 = 1926730
потери электроэнергии в т-рах 6-20/0.4 кВ 4913 ´ 65 = 319345
конденсаторные батареи ВН 0
потери электроэнергии в синхронных двиг. 600 ´ 65 = 39000
кабельные линии 6-20 кВ 5348 ´ 65 = 347620
ячейки РУ 6-20 кВ 11440 ´ 65 = 743600
суммарные затраты 67403 = 4381195
Приложение № 3
Пользователь acc2.DTS
KS= 10 ZE1= .65 TGH= .08 UL= 110 SK= 1100
KN= 14 ZE2= .0000373 MP= 1 KKL= 1 SB= 100= 10.5 Z0H= 476 ML=
1 F= 70 XT= .04= 1 Z1H= 1 X0L= .4 RL= 4.95 RT= .019= 3.13 Z0B= 61 DL= 11 XL=
4.4 X0= .08= .03 Z1B= 1.8 DE= 1.1 ZH= .02 C0= 63P Q SH NT QЌ PA QA Q‚ PH D1 D2 N QC
1700 1275 2500 1 1050 0 0 0 0 0 0 0 0
400 300 1000 1 300 0 0 0 0 0 0 0 0
1900 1425 2500 1 1200 0 0 0 0 0 0 0 0
1260 946 2500 1 750 0 0 0 0 0 0 0 0
1260 946 2500 1 750 0 0 0 0 0 0 0 0
1260 946 2500 1 750 0 0 0 0 0 0 0 0
800 600 2500 1 600 0 0 0 0 0 0 0 0
1567 1175 2500 1 900 0 0 0 0 0 0 0 0
250 190 1000 1 150 0 0 0 0 0 0 0 0
1750 1315 2500 1 1050 0 0 0 0 0 0 0 0
0 0 0 0 0 0 0 0 1250 6.77 6.98 2 584
0 0 0 0 0 0 0 0 0 0 0 0 0
0 0 0 0 0 0 0 0 0 0 0 0 0
0 0 0 0 0 0 0 0 0 0 0 0 0IP R XS L PL QL KK F Fterm DU
1 2 0 0 175 1711 284 1 120 45.47 0.256
13 0 0 345 2113 292 1 120 47.21 0.181
8 0 0 215 1914 298 1 120 46.14 0.291
7 0 0 75 1266 229 1 120 45.04 0.241
6 0 0 95 1266 229 1 120 46.04 0.143
13 0 0 265 2532 458 1 185 47.21 0.112
12 0 0 425 2068 242 1 120 47.21 0.217
12 0 0 430 3491 624 2 120 47.21 0.188
11 0 0 73 251 43 1 120 46.87 0.029
12 0 0 400 1762 328 1 120 47.21 0.177
13 0 0 78 2251 -541 1 185 63.92 0.024
14 .021 .76 0 7321 1194 0 0 0.00 0.000
14 .021 .76 0 6896 209 0 0 0.00 0.000
0 0 0 0 14217 1403 0 0 0.00 0.000
Результаты расчета мощностей КУ: I-номер узла, QН-бат.НН, QC-синхр.двиг.,
QВ-бат.ВН,квар
Без учета ограничения системы С учетом ограничения системы
I QH QC QB QH QC QB
1050 0 0 0 0 0
300 0 0 0 0 0
1200 0 0 0 0 0
750 0 0 0 0 0
750 0 0 0 0 0
750 0 0 0 0 0
600 0 0 0 0 0
900 0 0 0 0 0
150 0 0 0 0 0
1050 0 0 0 0 0
0 584 0 0 0 0
0 0 0 0 0 0
0 0 0 0 0 0
0 0 0 0 0 0
Затраты ZA= 30091.44 Затраты ZA= 0
Результаты расчета токов КЗ (kA)
С учетом ВВ двиг. без учета ВВ двиг.
0 3.96 7.37 3.87 7.16
6.53 13.68 5.58 11.84
6.70 14.77 5.69 12.65
5.66 12.34 5.64 12.25
5.62 12.02 5.59 11.93
6.71 15.21 5.71 12.97
6.80 10.92 5.77 13.48
5.67 12.37 5.64 12.27
5.81 13.44 5.78 13.32
6.90 11.51 5.82 13.81
5.68 12.49 5.66 12.39
6.96 12.14 5.87 14.24
5.94 14.72 5.91 14.58
7.00 11.47 5.91 14.58
12.50 27.71 11.60 25.61
Расчетные затраты (руб/год) на:
конденсаторные батареи НН 14110 ´ 65 = 917150
трансформаторные п/ст 6-20/0.4 кВ 29642 ´ 65 = 1926730
потери электроэнергии в т-рах 6-20/0.4 кВ 4376 ´ 65 = 284440
конденсаторные батареи ВН 0
потери электроэнергии в синхронных двиг. 591 ´ 65 = 38415
кабельные линии 6-20 кВ 5017 ´ 65 = 326105
ячейки РУ 6-20 кВ 11440 ´ 65 = 743600
суммарные затраты 65176 = 4236440
Номера ячеек
Узлы-потребители
1,2,33,32
Резерв
3
КТП 4/3-4/1
20
РП (2 с.ш.)
7,8,25,28
ТН типа НТМИ-10-66У3
11,12
Ввод питания от
трансформатора Т1
5
КТП 5/4-5/2
18,19
Секционный выключатель ГПП
типа BB/TEL-10/630
4
КТП 8/1-7/2
6
КТП 6/1-6/3
13
КТП 2-1/1
22
КТП 5/1-5/3
19
КТП 5/1-4/1
21,24
Ввод питания от
трансформатора Т2
27
КТП 7/1-7/3
29
КТП 9/1-8/2
30
КТП 5/5
15
РП (1 с.ш.)
31
КТП 4/2-1/2
17,16
СР
Номера ячеек
Узлы-потребители
1,2
Резерв
3,9,10,4
СДН-15-76-6У3
5,6
ТН типа НТМИ-10-66У3
7,8
Ввод питания от ГПП
12
КТП 3/2
11
КТП 3/1
13
СР
14
Секционный выключатель
(СМВ) РП типа BB/TEL-10/630УХЛ2
1. основание для разработки
2. Сроки исполнения:
Начало:
Окончание:
3. Цель разработки:
Проектирование СЭС машиностроительного завода с использованием УИ САПР
ВЗЭС
4. Исходные данные:
4.1 Генплан завода с пересечением нагрузок по цехам
4.2 Источник питания: Напряжение 110Кв; Мощность на шинах подстанции
энергосистемы 1600 МВ*А; удалённость 14 км; нормативный tgj=0.11
5. Основные источники:
5.1 Неклепаев Б.Н., Крюков И.П. Электрическая часть
электростанций и подстанций. Справочные материалы для курсового и дипломного
проектирования: Учебное пособие для вузов. 4-е изд., перераб. и доп. - М.:
Энергоатомиздат, 1989.
.2 Федоров А.А., Старкова Л.Е. Учебное пособие для
курсового и дипломного проектирования по электроснабжению промышленных
предприятий: Учебное пособие для вузов. - М: Энергоатомиздат, 1987.
5.3 Шабад М.А. Расчеты релейной защиты и автоматики распределительных
схем. 2-е изд., перераб. и доп.- Л: Энергия, 1976.
.4 Диалоговая учебно-исследовательская САПР ВЗЭС на базе ПК /сост.
Ю.Ф. Лыков, Е.Н. Федотов, Самара СамГТУ 1999г. /
6. Основные этапы и сроки исполнения:
6.1 Краткая характеристика технологического процесса и
потребителей эл. энергии. Требования к надёжности эл. снабжения. Обоснование
напряжения распределительной сети завода. Подготовка исходных данных для
автоматизированного проектирования. Оптимизация количества мощности и
размещения КТП. Построение экономической схемы внутризаводской сети.
Пояснительная записка: изложение всех пунктов этапа объём 20% срок
предоставления этапа:
6.2 Графическая часть:
Лист 1: Ген. План завода с нанесением трасс линий 10кВ. Лист2: Схема
электроснабжения завода. Определение мощности трансформаторов ГПП. Компоновка
ГПП. Оптимизация размещения КУ. Выбор сечений кабелей 10кВ,оптимизация числа
стандартных сечений. Расчёт токов КЗ. Расчёт потерь напряжения.
Технико-экономический расчёт по СЭС. Расчёт релейной защиты трансформаторов
ГПП. Проверка оборудования ГПП и РП на стойкости к токам КЗ.
Графическая часть:
Лист 3: Схема электрических соединений ГПП.
Лист 4: План и разрез ОРУ 110кВ ГПП.
Пояснительная записка: изложение всех пунктов этапа. Объём 40% Срок
предоставления этапа:
7. Спец. Вопрос:
Математические модели объектов проектирования.
Графическая часть: Лист 6:Вакуумные выключатели на класс напряжения 10 кВ.
Лист 7:Трёхфазные масленые трансформаторы.
Объём 10% Срок предоставления этапа:
8. Вопросы экономики и организации производства:
Технико-экономическое обоснование. Расчёт эл. энергетической слагаемой
себестоимости промышленной продукции.
Пояснительная записка: изложение всех пунктов этапа. Объём 10% Срок
предоставления этапа:
9. Вопросы охраны труда и ТБ:
10. Порядок контроля:
10.1 Выполненные Этапы ДП представляются руководителю проекта
в сроки, указанные в ТЗ.
10.2 Консультанты: по электрической части и по спец.вопросу доцент
кафедры ЭПП Федотов Е.Н., по экономической части доцент Пронина Н.Н., по
разделу "Охрана труда" ст. преподаватель Беляев А.В.
=100 руб./кВт×год - стоимость потерь электроэнергии;
;
. В нашем случае 6,3>5, поэтому
его учитываем.
;
;
;
;
)
)
- половина полного диапазона регулирования и напряжения на
стороне ВН трансформатора
Таблица 10.1 Расчёт дифференциальной защиты
= 732 А
= 6734,4 А
= 473,89 А
= 6020,66 А
Принято число
витков:
,
. Другую типовую группу составляет
серия КТП-М6-10/0,4-0,66 кВ с номинальной мощностью трансформаторов 630 - 2500
кВА с автоматическими выключателями типа Э.
+З
,
пропорциональны капиталовложениям в элемент, З
=
, где Е - суммарный коэффициент
отчислений от капитальных вложений к, 1/год; З
- затраты, связанные с возмещением
стоимости годовых потерь электроэнергии в элементе сети, руб/год.
основная и дополнительная ставки за 1 кВт и 1 кВт
по двухставочному тарифу; руб/кВт,
руб/кВт
;
время максимальных потерь, час/год;
стоимость годовых потерь активной мощности, руб/кВт
;
потери мощности в элементах СЭС в режиме максимальных
нагрузок, кВт.
;
);
;
капитальные вложения на 1 км ЛЭП;
длина;
расчётная мощность нагрузки, кВт;
удельное сопротивление проводника;
сечение проводника,
;
номинальное напряжение, кВ.
затраты на ЛЭП являются квадратичной функцией от полной
мощности:
, где
;
.
увеличиваются капитальные вложения, то есть
, и снижаются потери электроэнергии и
соответственно коэффициент
. Для различных сечений в пределах заданной типовой группы
ЛЭП имеет место семейство кривых затрат, которые определяют экономические
интервалы использования того или иного сечения. Так, например, на интервале
изменения
от 0 до
экономически целесообразно использовать сечение
, на интервале от
до
- сечение
, при
>
- сечение
и так далее. С учётом экономических
интервалов годовых затрат на ЛЭП одной серии имеют вид кусочно-гладкой
квадратичной функции от расчётной мощности, точки излома которой соответствуют
границам экономических интервалов.
и
;
и
) необходимо хранить значения границ
экономических интервалов.
при
,
при
<
,
при
<
.
, то есть модель не экономична.
.
.
в 1м ЛЭП являются линейной функцией
сечения токопроводящей жилы
. Для принятых допущений экономически целесообразное сечение
для передаваемой мощности
определяется путём дифференцирования
функции
;
, откуда
,
.
, соответствующее
.
.
, раскрыв в знаменателе
:
, тогда
,
;
, получим
.
и
для кабельной линии 10кВ, длиной 1км
, в траншее с кабелями ААБ:
,
,
,
,
,
,
.
;
,
.
получим, подставив вместо
;
.
.
. Каждая ТП должна получить от всех ГПП мощность равную её
расчётной мощности.
при соблюдении следующих условий
связи
,
,
,
и ограничений
.
передаваемых мощностей, соответствующая оптимальному
варианту СЭС. Зная все передаваемые мощности можно определить сечения всех ЛЭП:
, таким образом задача будет решена.
Узловой
способ задания схемы разомкнутой сети
(руб/м) на электропроводки 1-4
выражаются формулой:
, где
- сечение фазного проводника,
;
и
- коэффициенты линейной
аппроксимации (смотри таблицу 11.1).
, руб/м
, руб/
; при сечениях фазы 35
и выше, целесообразнее использовать
стальные трубы (то есть стальные трубы больших сечений более дешёвы, чем
полиэтиленовые).
для электропроводки 5 по эмпирической формуле:
(1)
;
.
;
- коэффициент снижения (0,6-1) допустимой нагрузки на
проводники линии, зависящий от количества проводников, укладываемых в лотке .
- коэффициент заполнения лотка, равный
, [0<
<2-3]
.
. Капитальные затраты определялись
для коробов трёх типов размеров: 100х50; 150х100; 200х100 (
х
). Тогда
;
, где
=2,5;
=1,76;
=30;
=290 для F=2.5-35
;
=3,1;
=2,84;
=110;
= -214 для F=35-120
;
- стоимость 1км короба с учётом монтажа, руб/км;
и
- размеры поперечного сечения короба, мм;
, где
- количество проводников в коробе.
Силовые
распределительные пункты
,
,
- коэффициенты линейной аппроксимации, руб;
- количество ЗА на отходящих линиях.
- стоимость шкафа, ВВ ЗА, монтожа СП,
- стоимость одного ЗА на отходящих линиях.
Таблица 11.2
сб. шин
,
;
;
,
- коэффициент суммарных отчислений от капитальных вложений в
КБ, руб;
- стоимость защитных (вводных) устройств для подключения КБ,
руб;
- независящая от мощности
часть стоимости КБ, руб;
- удельная стоимость КБ, руб/Мвар;
- отношение номинального напряжения КБ к номинальному
напряжению сети (для ВКБ
=1,05, для НКБ
=1);
- относительная величина напряжения сети в пункте
присоединения КБ;
- потери активной мощности в КБ, кВт/Мвар (для ВКБ
=2,5 кВт/Мвар, для НКБ
=3,5-4,5 кВт/Мвар).
КТП:
;
;
.
и
для КБ приведены в МУ к курсовому и дипломному
проектированию "Оптимизация размещения КУ в электрических сетях".
=1600 руб;
=120 руб;
=3700 руб/Мвар;
=1;
=0,223;
=93
имеем :
=0,223(1600+120)=380 руб;
=
[руб/год], где
- в Мвар.
=0,
=250 руб,
=7000 руб/Мвар,
=4,5 кВт/Мвар,
=1:
=
,
;
;
.
<
целесообразны при первом приближении ВКБ, а при
<
- НКБ.
при
, т.е. 56+1980
=380+1142
;
=324/838
0,46 Мвар, на самом деле
будет несколько выше, т.к. при
использовании НКБ их эффективность больше за счёт снижения потерь
электроэнергии в цеховых трансформаторах и высоковольтном кабеле.
. Для одного узла расчётные затраты
состоят из следующих слагаемых: затраты на СД определяются стоимостью потерь
активной мощности на генерацию РМ QC:
,
- номинальная РМ, выдаваемая одним из N двигателей;
- РМ, выдаваемая всеми (N) СД.
![]()
, затраты минимальны при
.
, где
.
минимальна при Q1=Q-QHH=0 или QHH=Q.
,
.
.
определяются по данным всех узлов:
, где
.
, при ограничениях:
;
;
.
,
, количество фаз;
, кВТ
, Мвар) КБ и СД описывается в общем случае квадратичной
моделью:
,
; для КБ
.
, Мвар) по линии с ответвлениями также выражается
квадратичной моделью:
,
;
- если передача РМ не вызывает
увеличение чисел или мощности трансформаторов, сечения ЛЭП и т.п.;
,
- сопротивление линии, Ом.
.
min (1) Ц.Ф.
, (2),
,
(3),
- РМ, потребляемая в узле А (рис.8): к=0 - для ИРМ,
присоединённому к узлу А.
min, (4), где
- коэффициент Лагранжа.
, соответствующие экстремумам функций (4) и (1), определяются
решением системы (n+2) уравнений:
,
. (5)
для всех ИРМ отличны от нуля (
>0
К=0,n) если к узлу А подключён источник, то ИМ является СД. В этом
случае
определяется из выражения (5):
К=0,n (6)
определяется из условия баланса (2):
, (7)
. Таким источником может быть ВКБ,
присоединённая в точке А. Этому источнику удобно присвоить индекс К=0. тогда:
К=1,n.
может быть непосредственно определено из уравнения (5),
относящегося к источнику с номером 0:
.
определяется из (6):
К=1,n;
.
,где
, где
, где
![]()

Годовые
потери электроэнергии в элементах схемы вычисляются по формуле
, где
- суммарные амортизационные отчисления по всем элементам
схемы, руб/год;
- суммарные годовые расходы на обслуживание системы
электроснабжения (з/плата рабочих, занятых обслуживанием и текущим ремонтом,
стоимость, расходуемых при эксплуатации и текущем ремонте материалов), руб/год;
- суммарная стоимость потерь энергии в элементах схемы
электроснабжения за год, руб/год;
,
![]()
,
![]()
,
,
Таблица 12.6
;
,
, т.е. окупится за полгода.
окупится за 4 месяца.
- амортизационные отчисления от стоимости основных фондов
- стоимость энергии, потребляемой за год предприятием,
руб/год.
- заработная плата персонала энергоцеха за год, руб/год
- стоимость материалов, расходуемых за год, на текущий
ремонт и
- отчисления на социальное страхование, руб/ годРасчёт
стоимости годового расхода электроэнергии
- суточный расход электроэнергии в рабочие дни;
- суточный расход электроэнергии в выходные дни;р=250
- число рабочих дней в году при пятидневной рабочей неделе;вых=115 -
число выходных дней в году.
г=1,025·(250·817000+115·130000)=224680000
кВт·ч
= 1742,5 часа
Таблица 12.9
Примерный состав бригад ремонтных рабочих и смены эксплуатационных рабочих.
Дополнительная
заработная плата персонала
=0,1- коэффициент, учитывающий расход на дополнительную плату
- норматив отчислений на социальное страхование, который
принимается равным 26 %.
Таблица 12.12
Смета годовых эксплуатационных расходов
Продукция ЗАО "Группа компаний "Электрощит"-ТМ Самара"
Приложение №4
Узлы-потребители
ГПП
Узлы-потребители
РП
Обеспечение
безопасности персонала при работе в КТП и РУ. Средства защиты используемые в
КТП.
Пояснительная
записка: изложение всех пунктов этапа. Объём 10% Срок предоставления этапа: