Содержание
Введение
. Назначение габаритных размеров резервуара
2. Конструирование днища
. Определение толщин листов стенки из условия прочности
. Расчет сопряжения стенки с днищем
. Проверка стенки резервуара на устойчивость
. Расчет анкерных креплений резервуара
. Расчет и конструирование элементов сферического покрытия
7.1 Установление габаритных размеров сферического покрытия
7.2 Сбор нагрузок на купол
.3 Расчет радиального ребра купола
.4 Расчет кольцевых элементов купола
Библиографический
список использованной литературы
Введение
Резервуарами называют сосуды, предназначенные для приема, хранения нефти, нефтепродуктов, сжиженных газов, воды, жидкого аммиака, технического спирта и других жидкостей.
В данном курсовом проекте
запроектирован вертикальный цилиндрический резервуар низкого давления.
Вертикальный цилиндрический резервуар состоит из следующих основных элементов:
днища, корпуса и покрытия. Покрытие - купольное без центральной стойки,
принятое в зависимости от вместимости резервуара (12000
) и от
величины внутреннего давления под крышей.
Днище резервуара состоит из двух
частей: центральной и окроек. Окройки резервуара толще листов средней части
днища. Все соединения в рулоне осуществляют встык, а рулоны между собой - в
нахлестку. Сегментные окройки отгружаются на монтажную площадку в виде
отдельных обрезных по трем краям листов и привязываются к рулонируемой части
днища внахлестку сверху соединения сегментных окроек между собой выполняется
стыковыми швами на остающейся подкладке. Днище укладывается на специальное
основание, которое выполняется в виде песчаных подушек с устройством
гидроизолирующего слоя. Конструкция ребристо-кольцевого купола состоит из
плоских криволинейных ребер, установленных в радиальном направлении и
соединенных между собой рядом колец, образующих совместную пространственную
систему.
1. Назначение габаритных размеров резервуара
Задаюсь высотой резервуара Н=13,5 м,
шириной листов
Число поясов стенки:
Диаметр резервуара:
Длина развертки стенки резервуара:
Принимаю листы размером
(с учетом
кромок по 5мм.), уточняю длину развертки и высоту стенки. Количество листов на
одном поясе стенки:
принимаю
Фактическая длина развертки пояса стенки:
Фактический диаметр резервуара:
Фактическая высота стенки
резервуара:
Номинальный объем резервуара:
Если принять толщину стенки в
среднем равной 12 мм, то масса стенки составит:
Принимаем стенку из пяти рулонов, имея массу одного рулона:
2. Конструирование днища
Днище разбиваю на четыре полотнища (рулона).
Ширина полотнища составит:
что удовлетворяет требованию
где 0,08 - ширина нахлеста полотнищ, м.
Назначаю толщину листов днища в
соответствии с таблицей 3.1. При
, толщина листов средней части днища
составляет - 6 мм, толщина окроек - 12 мм. Принимаю сегментные окройки.
Днище располагается на кольцевых
фундаментах из сборных железобетонных плит шириной 1,5 м и толщиной 0,5 м в
центре кольцевого фундамента - песчаная подушка.
Рис. 1. Основание под резервуар.
3. Определение толщин листов стенки из условия
прочности
Стенка и окройки днища относятся к
первой группе конструкций, поэтому стенки принимаю из стали класса С255, и
марку стали выбираю ВСт3пс5-1, для которой
(при
).
Стыковку шва листов в заводском исполнении физическими методами контроля. Поэтому расчетное сопротивление стыковых швов растяжению:
Толщину листа соответствующего пояса
стенки определяется по формуле:
где
- коэффициент надежности по
нагрузке;
- плотность нефти;
- ускорение свободного падения;
- нормативное значение избыточного
давления;
- расстояние от высшего уровня
жидкости до расчетного пояса, который принимается на
выше нижней
кромки пояса, м.;
- коэффициент условия работы
конструкции, для нижнего пояса;
- то же для остальных поясов;
- радиус резервуара, равный
Определяем:
Получаем:
Расчетные уровни поясов стенки:
Для определения толщины стенки
нижнего пояса
,
для
остальных
Требуемая толщина листов стенки по прочности:
Результаты расчета стенки приведены
в таблице 1.
Таблица 1. Сводная таблица толщины листов.
t
Полученные,
мм.
Принятые,
мм.
Примечание: нижние два пояса стенки
будут полистовой сборки. Остальные - рулонные, 4. Расчет сопряжения стенки с днищем
Проверка нижнего пояса стенки на прочность с
учетом изгибающего момента (в зоне краевого эффекта) и вертикальных нагрузок
производится по формуле:
G -
вертикальная нагрузка, складывается из собственного веса стенки, кольца жест
кости, покрытия, прочих элементов и снеговой нагрузки:
Изгибающий момент М определяется по
формуле:
где Проверка нормальных напряжений Проверка двух кольцевых швов,
соединяющих стенку с днищем, производится по формуле:
Принимаем ручную сварку электродами
типа Э42А Прочность сварных швов обеспечена.
5. Проверка стенки резервуара на устойчивость
Стенка незаполненного резервуара испытывает
сжимающее напряжение и может потерять устойчивость.
Нагрузки на стенку при расчете на её
устойчивость:
. Вакуум на покрытие - по формуле:
. Постоянная нагрузка:
от собственного веса покрытия:
Где от собственного веса верхней
половины стенки:
Где . Снеговая нагрузка на покрытие:
Где 0,7 - коэффициент, учитывающий сдувание
снега ветром с покрытия;
Рис. 2. Эпюра μ для полого
сферического покрытия.
. Ветровой откос на покрытие
(учитывается из-за ветровой нагрузки на стенку):
Где k -
коэффициент, учитывающий изменение ветрового давления по высоте. Для резервуара
высотой 13,5 м, по интрополяции k=0,72 - для местности типа В;
. Вакуум на стенку:
Где . Ветровая нагрузка на стенку:
Где Суммарное усилие вдоль образующий с
учетом коэффициента сочетания нагрузок в кольцевом направлении:
Нормативное напряжение определяют по
формуле:
Где Вычисляем критическое напряжение в
стенки, предварительно определив напряжение При отношении Проверяем стенку на устойчивость по
формуле:
Где Окончательные толщины листов стенки
показаны на рисунке 3.
Рис. 3. Сечение стенки резервуара.
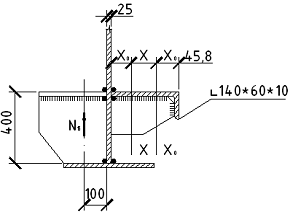
6. Расчет анкерных креплений резервуара
Рассматриваем резервуар под действием двух видов
нагрузок: удерживающих и опрокидывающих.
Удерживающие нагрузки определяются по формуле:
Собственный вес покрытия: Собственный вес стенки: Величину Собственный вес кольца днища:
Где Суммарная удерживающая нагрузка:
Подъемная сила резервуара
определяется:
от избыточного давления по формуле
где от ветрового откоса на покрытие (см.
п.6): Вычисляем равнодействующие ветровой
нагрузки на стенку резервуара (рис. 4).
Рис. 4. Схема коэффициентов с наветренной стороны по формуле:
- с заветренной стороны по формуле:
где Значение коэффициентов по интрополяции где Н=13,5 м - высота резервуара: Заменим выражение Тогда: Знак « - » означает направление
ветра от стенки.
Опрокидывающий момент от ветровой
нагрузки:
Для анкерного крепления резервуара
принимаю 16 болтов ( Усилие, приходящиеся на один болт,
определяется по формуле:
Знак « - » означает, что
удерживающие нагрузки превосходят опрокидывающие. Следовательно, принимаю
конструктивно ВСт3пс6 - 1 по ТУ 14-1-3023-80, ( Рис. 5. Сечение кольца жесткости.
Проверка кольца на прочность не
производится. Проверка на прочность сварного шва, прикрепляющий опорный столик
анкерного болта к стенке, выполняемые ручной сваркой. Принимаю Четыре вертикальных шва,
прикрепляющих ребра жесткости опорного столика к стенке резервуара,
воспринимают следующие усилия болта Длина опорного сварного шва будет
равна высоте опорного столика за вычетом толщины горизонтального листа столика
( 7. Расчет и конструирование элементов
сферического покрытия
.1 Установление габаритных размеров сферического
покрытия
Назначаю стрелку подъема Радиус сферы:
Центральный угол сферы Длина дуги купола в вертикальной
плоскости:
Половину длин дуги следует разделить
на целое число ярусов щитов покрытия и выделить радиус верхнего центрального
кольца. Принимаю длину щита по дуге окружности Рис. 6. Схема ребриста - кольцевого
купола.
Купол собирается из трех типов
трапециевидных щитов, изготовленных на заводе. Расчетными элементами купола
являются:
радиальные ребра;
промежуточные кольца;
опорное кольцо;
настил.
Ширина щитов: 7.2 Сбор нагрузок на купол
Нагрузки вертикального направления определяются
по формуле:
где По интрополяции для местности типа В
коэффициент, учитывающий изменение ветрового давления по высоте, имеет величину
К=0,770.
где Нагрузки горизонтального направления
на верхнюю часть резервуара (0,4Н) учитывают:
нагрузки, вызывающие сжатие опорного
кольца купола в виде активного давления ветра и вакуума, определяют по формуле:
где Коэффициент К находится на высоте где нагрузки, вызывающие растяжение
опорного кольца;
ветровой откос и избыточное давление
по формуле:
Вертикальная сосредоточенная
нагрузка на узел пересечения радиального ребра с кольцом определяется по
формуле:
Для 1-го кольца, при направленная вверх:
- направленная вниз:
Для 2-го кольца, при направленная вниз:
направленная вверх:
7.3 Расчет радиального ребра купола
Наиболее напряженным будет радиальное ребро
между опорным и вторым кольцами. Расчетная схема радиального ребра изображена
на рисунке 7.
Найдем углы наклона касательной с
осью Х в уровнях опорного кольца ( Рис. 7. Расчетные схемы радиального ребра купола
на нагрузки: а - горизонтальную; б - вертикальную; в - местную.
Вычислим Для опорного радиального ребра
средний угол наклона касательных:
то же для ребра между вторым и
первым кольцами:
Определенная вертикальная нагрузка
на опорное радиальное ребро находится:
Продольные сжимающие усилия в
опорном ребре:
где Суммарное продольное сжимающее
усилие в опорном ребре определяется по формуле:
Найдем наибольшее значение
изгибающего момента в опорном радиальном ребре от распределенной нагрузки
(рисунок 8):
Левая опорная реакция:
Рис. 8. Схема загружения опорного
ребра распределенной нагрузкой.
Найдем положение сечения с
наибольшим изгибающим моментом по формуле:
где Максимальное значение изгибающего
момента:
Радиальные ребра конструирую из двух
прокатных швеллеров (рисунок 9), из стали марки ВСт3пс6-1 ( Рис. 9. Сечение радиального ребра.
Швеллер № 30.
Считаю, что настил приваривается к
радиальным и поперечным ребрам щитов, тем самым обеспечивается устойчивость
ребра. Поэтому радиальное ребро буду рассчитывать только на прочность. Задаюсь
швеллером №30 ( Проверяю принятое сечение
радиального ребра на другую комбинацию нагрузок ( Продольные растягивающие усилия в
ребре:
Распределенные нагрузки: Поскольку интенсивность
распределенной нагрузки, направленной вверх, меньше интенсивности, направленной
вниз, то проверку на прочность ребра по растягивающим усилиям проводить не
следует.
Уточню радиус центрального кольца Длина щита верхнего яруса купола
составит:
Радиальные ребра радиусов щитов
испытывают меньшие нагрузки: 7.4 Расчет кольцевых элементов купола
А. Опорное кольцо.
Распор, передаваемый на опорное кольцо со
стороны радиального ребра, определяется по формуле:
вызывает растяжение в опорном
кольце:
сжимает опорное кольцо:
Изгибающие моменты и продольные
усилия, вызываемые распорами, определяются по формулам:
При нагрузке с верху вниз момент под радиальным ребром:
момент между радиальными ребрами:
Следует заметить, что в отношении продольное усилие (растягивающее):
При нагрузке момент под радиальным ребром:
момент между радиальными ребрами:
продольное сжимающее усилие:
Дополнительные продольные усилия и
изгибающие моменты в опорном кольце:
от избыточного давления на от вакуума на - от ветровой нагрузки на где Коэффициент где Изгибающие моменты по формуле:
Усилие в кольце от ветрового отсоса
на покрытие резервуара:
Где Распор от ветрового откоса,
передаваемый через радиальные ребра:
где Изгибающие моменты в опорном кольце
от ветровых распоров Продольное усилие:
Результаты определения усилий в
опором кольце от нагрузок приведены в таблице 2.
Таблица 2. Усилия в сечениях
опорного кольца.
Величина
вертикальных нагрузок на покрытие вниз, q
Вакуум
на 0,4Н стенки
Вертикальные
нагрузки на покрытие - вверх, q1
-77,6
38,8
2175
-3,8
9,9
-5,0
-384,6
191,7
±418,5
-20
40
4,6
-2,36
-249
Таблица 3. Номера загружения и расчетные усилия
в сечениях опорного кольца.
Усилия
Нагрузки
из таблице 2
1+2
3+4
1+4+6
Проверка сечения опорного кольца на прочность
проводится по отмеченным расчетным усилиям (таблица 3).
Сечение опорного кольца показано на рисунке 10.
Рис. 10. Сечение опорного кольца.
Задавшись сечением опорного кольца
принимаю для него сталь ВСт3пс6-1 ( При этом площадь сечения кольца
составляет:
Момент инерции сечения кольца
относительно вертикальной оси Y-Y:
Момент сопротивления:
Проверка сечения на прочность
осуществляется по формуле:
где Положительное значение момента Следовательно, прочность опорного
кольца обеспечена.
Устойчивость кольца в своей
плоскости будет обеспечена за счет опирающихся на него щитов и листов кровли
(настила).
Б. Промежуточное кольцо.
Рассмотрю расчет кольца смежным с
опорным.
Рис. 11. К расчету промежуточного
второго кольца.
Продольное усилие в элементе второго
кольца определяется по формуле:
где Подставляя эти значения получим:
Принимая условия, что настил
приваривается к кольцам, то сечение кольца определяется из условия прочности по
формуле:
Если предположить, что настил не
привязал к кольцам, то сечение кольца определяется из условия устойчивости по
формуле:
Законструирую кольцо по второму
варианту, когда настил не приварен к кольцам (рисунок 12):
Рис. 12. Сечение промежуточного
кольца 2.
Момент инерции сечения кольца
относительно вертикальной оси Y-Y:
Площадь сечения кольца В. Центральное кольцо.
Центральное кольцо воспринимает
распоры со стороны раздельных ребер от вертикальных нагрузок (рисунок 13).
Рис. 13. К расчету центрального
кольца.
Распор раздельного ребра:
где Поскольку радиальные ребра расположены часто по
периметру центрального кольца, то приведу нагрузки на кольцо к равномерно
распределенной по оси кольца:
где Продольное сжимающее усилие в
центральном кольце определяется по формуле:
Настил приваривается к центральному кольцу, что
обеспечивает его устойчивость. Поэтому требуемое сечение кольца устанавливаю по
прочности:
Сечение центрального кольца
конструирую в виде сварного двутавра (рисунок 14).
Рис. 14. Сечение центрального
кольца.
Высота сечения стенки двутавра (305
мм.) принимается равной высоте прокатного швеллера № 30 (радиального ребра) и
плюс 5 мм на зазор.
Фактическое сечение центрального
кольца:
Принятое сечение центрального кольца
несколько завышено с учетом того, что при неравномерной нагрузке на купол
кольцо дополнительно будет испытывать кручение.
резервуар давление
конструирование устойчивость
Библиографический список
использованной литературы
1. Металлические конструкции /
Под редакцией Е.И. Беленя, - 6-е издание переработанное и дополненное - М.:
Стройиздат, 1985. - 560с.
2. Основные положения по
проектированию вертикальных цилиндрических резервуаров и газгольдеров: Учебное
пособие / Г.А. Нехаев/ Тул. гос. ун-т. - Тула, 2000. - 142с.
. СНиП 2.01.07-85*.
Нагрузки и воздействия. - М.: Министерство строительства Российской Федерации,
1996. - 43с.
. Справочник проектировщика:
Металлические конструкции / Под редакцией Мельникова Н.П./ - М.: Госиздат
литературы по строительству и строительным материалам, 1980 г.
23,325
18,120
15,816
13,514
11,212
8,99
6,68
4,328
28
принимаю 4 рулона:
, в стенке:
- т.е. прочность нижнего пояса
стенки обеспечена.
Минимальный
катет
, при
наибольшей толщине свариваемых листов
и при ручной сварке равен
Коэффициент
проплавления швов по металлу шва
нормативное значение вакуумного
давления; r - радиус
стенки резервуара; r = 17,18 м.
,
- нормативное значение веса
снегового покрова на
горизонтальной
поверхности в зависимости от снегового района (I снеговой);
- коэффициент перехода от веса
снегового покрова земли и снеговой нагрузки на покрытие;
- расчетное значение подъемной силы
от ветрового откоса на покрытие, где
- нормативное значение ветрового
давления (I ветровой
район);
- при соотношении
где
при
- толщина листов пояса,
расположенного примерно на середине высоты стенки резервуара:
коэффициент
С=0,596. Величину критических напряжений:
- коэффициент условий работы
конструкции.
- устойчивость стенки обеспечена.
можно
вычислить более точно, зная толщину поясов:
и ветровой
нагрузки.
для
местности типа В:
-
. Заменяю
значение
эквивалентным,
равномерно распределенным по высоте стенки резервуара из условия равновесия
моментов у основания резервуара:
на
).
(из
высокопрочной стали марки 40 Х «Селект»). Принимаю высоту столика
вынос оси
болта за стенку
. Кольцо
жесткости законструирую из неравнополочного прокатного уголка 140*90*10 - ГОСТ
8510 - 72* (
) из стали
марки
),
расположенной широкой полкой горизонтально (рис. 5):
При ручной
сварке
Принимаю
- для стали
марки ВСт3пс6-1,
- тип
электрода Э42 А, марка проволоки св - 08А. Ребра жесткости опорного столика из
стали ВСс3пс6-1. Определяю расчетное сечение шва:
Следовательно,
расчет веду по металлу шва,
и момент от него:
) и 1см. на
непровар, т.е.
т.е. прочность сварных швов
достаточна.
вычисляют
радиус сферы купола (рис. 6).Стрелка подъема купола f:
определяется:
при этом радиус центрального кольца
согласно рис. 6.:
- уплотняют после расчета
радиальных ребер. Определяю число щитов в одном ярусе, исходя из ширины щита по
опорному кольцу
Количество
щитов в одном ярусе:
принимаем
- направленные вниз;
- направленные вверх;
- нормативное значение средней
составляющей ветровой нагрузке по высоте:
- для III района;
(п. 6)
![]()
- знак «-» учтен направлением
ветровой нагрузки на покрытие.
) и 2-го кольца
по формуле:
;
;
.
.
в уровне
первого кольца при
.
;
.
;
.
;
;
,
.
.
.
.
). Ребро работает
на сжатие с изгибом, т.е. на внецентренное сжатие.
) и проверим
радиальное ребро на прочность по формуле:
;
.
и
), вызывающих растяжение.
;
.
.
;
.
из условия
закрепления в нем радиальных ребер щитов из двух швеллеров № 30 (
). Учитывая,
что ширина двух полок швеллера
; толщина промежуточного ребра
; зазор 5
мм; ширина опирания ребра составит ![]()
., тогда радиус центрального кольца:
.
.
и др. Поэтому можно оставить
сечение радиальных ребер постоянным из двух швеллеров № 30.
,
,
.
.
;
.
на купол:
.
.
необходимо
применять более точное значение
.
.
с верху в
низ на купол:
;
;
;
стенки:
;
стенки:
стенки по
формуле:
,
;
;
;
.
следует
определять для середины
стенки, т.е.
на высоте:
По
интерполяции при
,
.
- сжатие.
;
;
.
- растяжение.
;
,
- коэффициент сочетания нагрузок;
;
;
;
.
.
.
.
![]()
![]()
![]()
![]()


![]()
![]()
![]()
![]()
![]()
![]()
38,8428,4345,5
-77,6-408,6-498,46
2171,2-404,61906
). В сечении опорного кольца
необходимо вложить часть стенки резервуара высотой:
.
![]()
.
.
,
;
.
принято
потому, что для симметричного сечения противоположные волокна будут иметь
равные по величине и обратные по знаку нормальные напряжения. При положительном
моменте нормальные напряжения от продольной силы и момента будут одинакового
знака:
.
,
;
.
;
; (38)
;
;
;
;
.
;
.
;
.
.
.
.
- сечение кольца достаточно для
обеспечения его устойчивости.
, что
значительно больше требуемого сечения кольца из условия прочности, равного
. Поэтому
целесообразно приваривать настил к кольцам, если это возможно по конструктивным
соображениям.
,
;
;
.
,
- ширина опирания ребра.
.
.
.