Материал: Проектирование тракта передачи данных между источником и получателем информации

Внимание! Если размещение файла нарушает Ваши авторские права, то обязательно сообщите нам

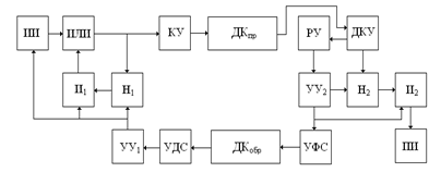
Рисунок 5. Структурная схема системы с РОС

Рисунок 6. Структурная схема алгоритма системы с РОСНП

2 Расчетная часть

.1 Определение оптимальной длины кодовой комбинации, при которой обеспечивается наибольшая относительная пропускная способность

Рассчитаем пропускную способность R, соответствующую заданному значению n, по формуле (20).

 (20)

n

a

b

c

d

e

R

r

31

0,107097

0,537547

1,920819

9,322581

0,002511

0,719468592

8,16177574

63

0,052698

0,700776

1,920819

6,619048

0,003505

0,841852769

8,70369533

127

0,026142

0,862142

1,920819

5,299213

0,004873

0,903306325

9,23942873

255

0,01302

1,022592

1,920819

4,647059

0,006762

0,93146092

9,7721238

0,006497

1,182589

1,920819

4,322896

0,009374

0,940130931

10,3033131

1023

0,003245

1,34236

1,920819

4,16129

0,01299

0,935926818

10,8337529

2047

0,001622

1,502018

1,920819

4,080606

0,017997

0,921418374

11,3638187

4095

0,000811

1,66162

1,920819

4,040293

0,02493

0,896661966

11,8936977


Максимальное R=1,82589

Следовательно n=511

.2 Определение числа проверочных разрядов в кодовой комбинации, обеспечивающих заданную вероятность необнаруженной ошибки

Нахождение параметров циклического кода n, k, r.

Значение r находится по формуле (21).

 (21)

n - длина кодовой комбинации,

k - количество информационных символов,

r - количество проверочных символов.

r=10

Параметры циклического кода n, k, r ;

n, k, r имеют следующую зависимость

Следовательно k = n - r = 511 - 7 = 504

.3 Выбор типа порождающего (образующего) полинома

Образующий полином степени r находится по таблице неприводимых полиномов и с учетом последней цифры зачетной книжки:

g(x) = х8+х4+х3+х+1

.4 Построение схемы кодера для выбранного образующего полинома и пояснение его работы

Работа кодера на его выходе характеризуется следующими режимами.

1.Формирование k элементов информационной группы и одновременно деление полинома, отображающего информационную часть хr m(х), на порождающий (образующий ) полином g(х) с целью получения остатка от деления r(х).

2. Формирование проверочных r элементов путем считывания их с ячеек схемы деления хr m(х) на выход кодера.

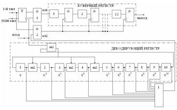
Структурная схема кодера приведена на рисунке 6.

Цикл работы кодера для передачи n = 511 единичных элементов составляет n тактов. Тактовые сигналы формируются передающим распределителем, который на схеме не указан.

Первый режим работы кодера длится k = 501 такт. От первого тактового импульса триггер Т занимает положение, при котором на его прямом выходе появляется сигнал "1", а на инверсном - сигнал "0". Сигналом "1" открываются ключи (логические схемы И) 1 и 3 . Сигналом "0" ключ 2 закрыт. В таком состоянии триггер и ключи находятся k+1 тактов, т.е. 502 такта. За это время на выход кодера через открытый ключ 1 поступят 504 единичных элементов информационной группы k = 504.

Одновременно через открытый ключ 3 информационные элементы поступают на устройство деления многочлена хr m(х) на g(х).

Деление осуществляется многотактным фильтром с числом ячеек, равным числу проверочных разрядов (степени порождающего полинома). В рассматриваемом случае число ячеек r=7. Число сумматоров в устройстве равно числу ненулевых членов g(х) минус единица. В данном случае число сумматоров равно четырем. Сумматоры устанавливаются после ячеек, соответствующих ненулевым членам g(х). Поскольку все неприводимые полиномы имеют член х°=1, то соответствующий этому члену сумматор установлен перед ключом 3 (логической схемой И).

После k=504 такта в ячейках устройства деления окажется записанным остаток от деления r(х).

При воздействии k+1=502 тактового импульса триггер Т изменяет свое состояние: на инверсном выходе появляется сигнал "1", а на прямом - "0". Ключи 1 и 3 закрываются, а ключ 2 открывается. За оставшиеся r=10 тактов элементы остатка от деления (проверочная группа) через ключ 2 поступают на выход кодера, также начиная со старшего разряда.

Рисунок 6. Структурная схема кодера

.5 Построение схемы декодера для выбранного образующего полинома и пояснение его работы

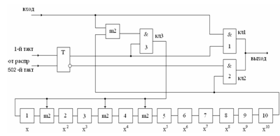
Функционирование схемы декодера (рисунок 7) сводится к следующему. Принятая кодовая комбинация, которая отображается полиномом Р(х) поступает в декодирующий регистр и одновременно в ячейки буферного регистра, который содержит k ячеек. Ячейки буферного регистра связаны через логические схемы "нет", пропускающие сигналы только при наличии "1" на первом входе и "0" - на втором (этот вход отмечен кружочком). На вход буферного регистра кодовая комбинация поступит через схему И1. Этот ключ открывается с выхода триггера Т первым тактовым импульсом и закрывается k+1 тактовым импульсом (полностью аналогично работе триггера Т в схеме кодера) . Таким образом, после k=501 тактов информационная группа элементов будет записана в буферный регистр. Схемы НЕТ в режиме заполнения регистра открыты, ибо на вторые входы напряжение со стороны ключа И2 не поступает.

Одновременно в декодирующем регистре происходит в продолжение всех n=511 тактов деление кодовой комбинации (полином Р(х) на порождающий полином g(х)). Схема декодирующего регистра полностью аналогична схеме деления кодера, которая подробно рассматривалась выше. Если в результате деления получится нулевой остаток - синдром S(х)=0, то последующие тактовые импульсы спишут информационные элементы на выход декодера.

При наличии ошибок в принятой комбинации синдром S(х) не равен 0. Это означает, что после n-го (511) такта хотя бы в одной ячейке декодирующего регистра будет записана “1”.Тогда на выходе схемы ИЛИ появится сигнал. Ключ 2 (схема И2) сработает, схемы НЕТ буферного регистра закроются, а очередной тактовый импульс переведет все ячейки регистра в состояние "0". Неправильно принятая информация будет стерта. Одновременно сигнал стирания используется как команда на блокировку приемника и переспрос.

Рисунок 7. Структурная схема декодера

.6 Получение схемы кодирующего и декодирующего устройства циклического кода с применением пакета «System View»

На вход кодера подается сигнал 1 и 510 нулей

Рисунок 8. Схема кодера


Рисунок 10

Рисунок 11. Схема декодера

Рисунок 12. Сигналы декодера, полученные в окне анализа

На рисунке 13 представлен декодер с исправлением ошибок.

Рисунок 13. декодер с исправлением ошибок

Рисунок 14. Сигналы декодера с исправлением ошибок

.7 Определение объема передаваемой информации при заданном темпе Tпер и критерии отказа t отк

Объем передаваемой информации находится по формуле (22).

W = R.B.(Tпер - tотк). (22)

 (бит).

где R - наибольшая относительная пропускная способность для выбранных параметров циклического кода.

.8 Определение емкости накопителя

Емкость накопителя определяется по формуле (23)

, (23)

где tp - время распространения сигнала по каналу связи, с;

tk - длительность кодовой комбинации из n разрядов, с.

Но ,

где L - расстояние между оконечными станциями, км;

V - скорость распространения сигнала по каналу связи, км/с;

B - скорость модуляции, Бод.

 (с).

 (c).

.

2.9 Расчет характеристик основного и обходного каналов ПД

Для основного канала:

1)  Максимальная скорость работы канала В = 1200 Бод.

2)      Распределение вероятности возникновения хотя бы одной ошибки на длине n.

 (24)

.

3)      Распределение вероятности возникновения ошибок кратности t и более на длине n.

. (25)

.

4)  время распространения сигнала tp =  с.

5)      вероятность необнаруживаемой декодером ошибки.

 (26)


6)  вероятность обнаружения кодом ошибки.

. (27)

.

7)  избыточность кода.

. (28)

.

8)  скорость кода.

. (29)

.

9)  Средняя относительная скорость передачи в РОСнп бл


tож = tр + tр + tак + tас + tс = + ++ = 0.9892 с.

tк = tс=

tак = tас = 0.5 tк = 0.5. 0.4258 = 0.2129 с.


10)    Вероятность правильного приема.

 (31)


Для обходного канала:

1)      максимальная скорость работы канала В = 75 Бод.

 с.

) Распределение вероятности возникновения хотя бы одной ошибки на длине n.

.

3)      Распределение вероятности возникновения ошибок кратности t и более на длине n.

.

4)      время распространения сигнала tp =  с.

5)      вероятность необнаруживаемой декодером ошибки.

6)      вероятность обнаружения кодом ошибки.

.

7)      избыточность кода.

.

8)      скорость кода.

.

9)      Средняя относительная скорость передачи в РОСнп бл

tож = tр + tр + tак + tас + tс = + +  + = 13.7636 с.

tк = tс=

tак = tас = 0.5 tк = 0.5.  = 3.407 с.


10)    Вероятность правильного приема.

 (21)


.10 Построение временной диаграммы работы системы

Система с решающей обратной связью, непрерывной передачей и блокировкой приемника строят таким образом, что после обнаружения ошибки приемник стирает комбинацию с ошибкой и блокируется на h комбинаций (т. е. не принимает h последующих комбинаций), а передатчик по сигналу переспроса повторяет h комбинаций (комбинацию с ошибкой и h-1комбинаций, следующих за ней). Эти системы позволяют организовать непрерывную передачу кодовых комбинаций с сохранением порядка их следования. Поэтому одновременно с формированием сигнала переспроса УУ приемной стороны блокирует (т. е. запрещает) вывод информации потребителю из Нпр на время, равное h комбинациям. Получив сигнал переспроса по обратному каналу, УУ приемной стороны ожидает конца передачи последней комбинации, во время которой получен этот сигнал. Затем ИС блокируется также на время передачи h комбинаций, а из Нпер в это время в канал через кодер передаются хранящиеся в накопителе последние h комбинаций. После их передачи ИС опять получает разрешение на передачу очередных комбинаций. Таким образом, последовательность передаваемых и принимаемых комбинаций не нарушается.

Временная диаграмма, соответствующая параметры h, tож и tр, которые были рассчитаны выше (п. 2.9), изображена на рисунке 15.

Рисунок 15. Временная диаграмма работы системы ПДС с РОСнпбл

2.11 Выбор по географической карте Казахстана двух пунктов, отстоящих на L км


Магистраль на карте:

Шымкент - 0 км;

Тараз - 185 км;

Шу - 450 км;

Алматы -700 км;

Капчагай - 780 км;

Балхаш - 1650 км;

Астана - 4700 км.

Заключение

В данном курсовом проекте произведены основные расчеты для проектирования кабельных линий связи (так как показатель группирования ошибок  ).