План
Введение
Исходные данные
1. Общий баланс активных мощностей проектируемой станции
2. Выбор структурной схемы проектируемой электростанции
3. Выбор основного оборудования
3.1 Выбор генераторов главной схемы КЭС
3.2 Выбор трансформаторов
3.3 Выбор линий электропередачи
3.4 Выбор секционных реакторов
4. Расчет токов короткого замыкания
4.1 Расчет параметров схемы замещения
4.2 Расчет трехфазного короткого замыкания в точке К1
4.3 Определение расчетных токов продолжительного режима в цепях электростанции
5. Выбор сборных шин, токопроводов
5.1 Выбор сборных шин ГРУ
5.2 Выбор токопроводов
6. Выбор электрических аппаратов
6.1 Выбор выключателей и разъединителей
6.2 Выбор трансформаторов напряжения
6.3 Выбор трансформаторов тока
6.4 Выбор линейных реакторов
7. Выбор схем электрических соединений распределительных устройств электростанции
8. Принципиальная схема управления и сигнализации выключателем
8.1 Общие положения
8.2 Дистанционное управление выключателями
8.3 Сигнализация выключателей
9. Защита окружающей среды
Заключение
Список
используемой литературы
Введение
Электростанция - это совокупность электрических станций, электротепловых сетей, потребителей электротепловой энергии, связанных общностью режима и непрерывностью процесса производства, распределения, преобразования и потребления электротепловой энергии [1].
По особенностям основного технологического процесса преобразования энергии и виду используемого энергетического ресурса электростанции разделяют на тепловые, атомные, гидроэлектростанции, гидроаккумулирующие, газотурбинные и другие [1].
Главной задачей курсового проекта является определение типа электростанции по исходным данным, проектирование и расчет данной электростанции, как в нормальных, так и аварийных режимах.
Целью данной работы является проектирование ТЭЦ - теплоэлектроцентрали. Этот вид электростанций относится к тепловым и предназначен для централизованного снабжения промышленных предприятий и городов электроэнергией и теплом. Специфика электрической части ТЭЦ определяется расположением электростанции вблизи центров электрических нагрузок. В этих условиях часть нагрузок выдается в местную сеть непосредственно на генераторном напряжении. С этой целью на электростанции создается обычное генераторное распределительное устройство (ГРУ). теплоэлектроцентраль трансформатор ток выключатель
В курсовой работе необходимо рассчитать баланс мощностей, выбрать наиболее рациональную электрическую схему, выбрать типы трансформаторов и генераторов, произвести расчет токов короткого замыкания, выбрать выключатели и разъединители, измерительные трансформаторы, выбрать схему РУ, предусмотреть требования экологической безопасности.
Основные требования, предъявляемые к энергетическим объектам: безопасность обслуживания, надежность работы, экологическая безопасность, экономическая эффективность, способность достаточно быстро модернизироваться.
В
процессе выполнения курсового проекта необходимо приобрести опыт проектирования
электрической части электростанции, закрепить на практике знания, полученные в
ходе изучения энергетических дисциплин.
Исходные
данные
Исходные
данные к курсовой работе представлены в таблице 1.
Таблица
1. Исходные данные
Генераторы
Энергосистема
№
задания
Число
и мощность
Напряжение
Мощность
Напряжение
Реактивное
сопротивление
Количество
линий связи
1
2
3
4
5
6
7
Шт.x
МВт
кВ
МВ.А
кВ
%
Шт.
17
4х63
10,5
650
220
120
2
Таблица 2
Нагрузки
потребителей
Величина
резерва
Присоединение
на U1
Присоединение
на U2
U1
Число
и мощность линий
Коэффициент
системы
Коэффициент
мощности
U2
Число
и мощность линий
Коэффициент
системы
Коэффициент
мощности
На
станции
В
системе
8
9
10
11
12
13
14
15
16
17
кВ
Шт.x
МВт
-
-
кВ
Шт.x
МВт
-
-
МВт
МВт
10
10х6
10х8
0,72
0,89
35
4х30
0,75
0,87
По
балансу мощности
1. Общий баланс активных мощностей проектируемой
станции
. Установленная мощность электростанции, равная
суммарной мощности генераторов, предназначенных к установке:
где . Нагрузка потребителей,
присоединенных к шинам с напряжением где . Нагрузка потребителей,
присоединенных к шинам с напряжением где . Суммарная мощность, отдаваемая
внешним потребителям:
. Переток активной мощности в
нормальном режиме (н.р.) составляет резерв мощности электростанции:
где . Переток активной мощности в
послеаварийном режиме определяется при выводе из работы наиболее мощного
генератора где Значение величины 2. Выбор структурной схемы
проектируемой электростанции
Поскольку имеется нагрузка и
генераторы на напряжение класса 10 кВ, то для проектирования электростанции
выбираем ТЭЦ. Электростанция генерирует электроэнергию трех классов напряжения Основной особенностью структурной
схемы ТЭЦ является наличие потребителей питающихся на генераторном напряжении Рисунок 1. Принципиальная схема ТЭЦ
с ГРУ 10 кВ с двумя секциями, с РУ среднего напряжения и РУ высокого напряжения
Учитывая, вышеперечисленные
особенности ТЭЦ, а также требования, которые выдвигаются к электростанциям
данного типа, представим, выбрав из множества вариантов, схему электрических
соединений электростанции на рисунке 1.
3. Выбор основного оборудования
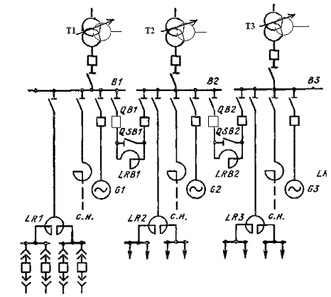
.1 Выбор генераторов главной схемы
ТЭЦ
Выбор турбогенераторов производим по
заданному напряжению и мощности: Выбираем турбогенератор ТВФ-63-2
[1]. Справочные данные турбогенератора представлены в таблице 1.
Таблица 1. Справочные данные
турбогенератора
Тип
Число
Шт.
ТВФ-63-2
4
78,75
10,5
0,8
0,18
М
Обмотки
статора - КВР; обмотки ротора - НВР
Примечание:
Буквы обозначают возбуждение: М - от машинного
возбудителя постоянного тока.
Буквы обозначают охлаждение: КВР - косвенное
водородом; НВР - непосредственное водородом.
.2 Выбор трансформаторов
Выбор трансформаторов удобно вести в таблице 1,
содержащей необходимые цифровые данные, условные обозначения, формулы. Для
расчета нормального режима при минимальной нагрузке принимается Kmin=0,75.
Таблица 1. Расчетные перетоки через обмотки
трансформатора
Расчетные
режимы
Параметры
режима P [МВт]; Q [Мвар]; S [МВА]
Нормальный
режим
Аварийный
режим
Макс.
Нагрузка
Мин.
нагрузка
Откл.
G1 от шин ГРУ
Откл.
бл.3 от шин СН
1
Мощность генераторов на шинах ГРУ ,5126
,563
,25126
94,5
2
Расход эл. энергии на собственные нужды на НН ,4512,6
,456,3
,72512,6
9,45
3
Нагрузка на шинах ГРУ ,6480,64
,31100,8
,64100,8
51,64
4
Переток мощности через обмотки НН Т связи Т1 и Т2 ,4132,76
,74-44,1
,1212,6
33,41
5
Мощность генераторов, присоединенных к шинам СН ,5126
,5126
,563
47,25
6
Расход эл. энергии на собственные нужды на СН ,4512,6
,4512,6
,456,3
4,725
7
Нагрузка на шинах СН 51
8
Переток мощности через обмотки СН Т связи Т1 и Т2 ,123,4
,123,4
,1-33,3
-8,48
9
Переток мощности через обмотки ВН Т связи Т1 и Т2 ,4556,16
,78-20,7
,93-20,7
24,93
10
Расчетные перетоки полной мощности через обмотки Т связи Т1 и Т2 ,3
,4654,65
,31
,9445
,31
,435,7
,36
32,4
Для выбора трансформатора принимаем
Smax= где:
КП - коэффициент перегрузки
трансформаторов;- число трансформаторов связи.
По расчётам получили, что мощность
трехобмоточного трансформатора должна быть больше 68,53 МВА, но трансформаторов
такой мощности не производится, поэтому для дальнейшего расчета будем
использовать схему электрического соединения ТЭЦ представленного на рисунке 3.
Рисунок 3. Принципиальная схема ТЭЦ
с ГРУ 10 кВ с тремя секциями, с РУ среднего напряжения и РУ высокого напряжения
Таким образом, расчёт перетоков
мощности производим аналогично, результаты занесём в таблицу 2.
Таблица 2. Расчетные перетоки через
обмотки трансформаторов
Расчетные
режимы
Параметры
режима P [МВт]; Q [Мвар]; S [МВА]
Нормальный
режим
Аварийный
режим
Макс.
Нагрузка
Мин.
нагрузка
Откл.
G1 от шин ГРУ
Откл.
бл.4 от шин СН
1
Мощность генераторов на шинах ГРУ ,75189
,75126
,5189
141,75
2
Расход эл. энергии на собственные нужды на НН ,17518,9
,17512,6
,4518,9
14,175
3
Нагрузка на шинах ГРУ ,64175,6
,73100,8
,641100,8
51,641
4
Переток мощности через обмотки НН Т связи Т1 и Т2 ,9394,5
,8412,6
,469,3
75,93
5
Мощность генераторов, присоединенных к шинам СН ,2563
,2563
,250
0
6
Расход эл. энергии на собственные нужды на СН ,7256,3
,7256,3
,7252,52
1,89
7
Нагрузка на шинах СН 51
8
Переток мощности через обмотки СН Т связи Т1 и Т2 ,48-33,3
,48-33,3
,48-92,52
-52,9
9
Переток мощности через обмотки ВН Т связи Т1 и Т2 ,4561,2
,36-20,7
,93-23,22
23
10
Расчетные перетоки полной мощности через обмотки Т связи Т1 и Т2 ,36
,46129,7
,36
,7
,36
,4102,803
,57
32,71
Для выбора трансформатора принимаем
Smax= где
КП - коэффициент перегрузки
трансформаторов;- число трансформаторов связи.
Трехобмоточного трансформатора с
необходимой мощностью ( Рисунок 4. Принципиальная схема ТЭЦ
с ГРУ 10 кВ с тремя секциями, с РУ среднего напряжения и РУ высокого напряжения
Выбираем трансформатор
ТДТН-63000/220. Паспортные данные трансформатора представлены в таблице 3 [1].
Таблица 3. Паспортные данные
трехобмоточных трансформаторов
Тип
трансформатора
Номинальное
напряжение, кВ
Потери,
кВт
Напряжение
короткого замыкания, %
Ток
холостого хода, %
Холостого
хода
короткого
замыкания
ВН
СН
НН
ВН-СН
ВН-НН
СН-НН
ВН-СН
ВН-НН
СН-НН
ТДТН-63000/220
230
38,5
11
63
290
270
250
12,5
24
11,5
0,25
Так как генератор ТВФ-63-2 работает в блоке с
двухобмоточным трансформаторам, то мощность трансформатора блока определяется
по выражению:
Блок G4: Выбираем трансформатор типа
ТДЦ-80000/35. Паспортные данные трансформатора представлены в таблице 4 [1].
Таблица 4. Паспортные данные
двухобмоточного трансформатора
Тип
трансформатора
Напряжение
обмотки, кВ
Pхх,
кВт
Ркз,
кВт
Uк,
%
Iхх,
%
ВН
НН
ТДЦ-80000/35
38,5
10,5
53
280
9,5
0,3
Рассчитаем сопротивление трансформаторов.
Сопротивление трансформатора ТДТН-63000/220
определяется по формулам:
Сопротивление двухобмоточного
трансформатора ТДЦ-80000/35:
.3 Выбор линий электропередачи
Для выбора линий электропередач,
соединяющих ТЭЦ с системой рассчитаем ток нормального режима, при минимальной
нагрузке на шинах НН:
Максимальный ток:
Выбираем ЛЭП АСО-240, допустимый ток
в линии Iдоп=610 А. Проверим линию по условию нагрева:
Условие выполняется, следовательно,
выбираем линию АСО-240 длинной l=100 км. Параметры линии: r0=0,118 Ом/км,
х0=0,435 Ом/км, b0=2,604*10-6 Ом/км [1].
Сопротивления линии:
.4 Выбор секционных реакторов
Рассчитаем номинальный ток секции:
Так как генераторы, установленные на
секциях одинаковы, то и ток секций будет один и тот же. Таким образом, нам
необходимо выбрать два одинаковых реактора. Номинальный ток реактора:
Выбираем 2 реактора типа
РБДГ-10-4000-0,105 [1]. Справочные данные реактора в таблице 5.
Таблица 5. Справочные данные
реактора
Тип
Потери
на фазу, кВт
Электродинамическая
стойкость, кА
Термическая
стойкость, кА
РБДГ-10-4000-0,105
18,5
97
38,2
Определим сопротивление реактора:
Выполним проверку
токоограничивающего реактора, токи короткого замыкания приведены в 4 пункте:
. Проверка по динамической
устойчивости
. Проверка на термическую стойкость
4 Расчет токов короткого замыкания
Рисунок 5. Исходная электрическая
схема замещения
Принимаем базисные величины:
Принимаем базисные напряжения из
стандартного ряда [1]:
Определяем базисные токи:
.1 Расчет параметров схемы замещения
Расчет ведем в о.е.
Генераторы:
Трансформатор Т4:
Трансформаторы Т1, Т2, Т3:
Линия:
Система:
Реактор:
.2 Расчет трехфазного короткого
замыкания в точке К1
Преобразование схемы замещения:
Рисунок 6. Схема замещения после
преобразования
Рисунок 7. Преобразованная схема
замещения
Рисунок 8. Преобразование схемы
замещения из треугольника в звезду
Преобразование звезды в треугольник:
Рисунок 9. Итоговая схема замещения
Начальное значение периодической
составляющей тока КЗ от ветви генератора 2:
Начальное значение периодической
составляющей тока КЗ от системы и ветви с генератором 4:
Начальное значение периодической
составляющей тока КЗ от ветви с генераторами 1 и 3:
Погрешность при расчетах токов короткого
замыкания находятся в допустимых пределах (меньше 15%), следовательно расчёт
можно считать удовлетворительный. Дальнейший расчёт будем вести по токам
короткого замыкания рассчитанных в Mustang.
Рисунок 10. Токи короткого замыкания
рассчитанные в Mustang
Рисунок 11. График изменения токов короткого
замыкания в момент КЗ
Определим значение ударного тока КЗ в точке К1.
Для этого из таблицы 3.8 [1] определим значения ударных коэффициентов и
постоянные времени по ветвям схемы.
для генератора 2
КУ = 1,955 и Та=0,222 с
для системы
КУ =1,82 и Та=0,05 с
для генераторов 1,3
КУ =1,975 и Та=0,4 с
Суммарный ударный ток для точки К1
со стороны системы:
Сумарный ударный ток:
.3 Определение расчетных токов
продолжительного режима в цепях электростанции
Определяем расчетные токи
продолжительного режима.
Ветвь с генераторами 1,2,3,4:
Нормальный режим:
Послеаварийный режим:
Ветвь трансформатора Т4 со стороны
35 кВ:
Нормальный режим:
Послеаварийный режим:
Ветви трехобмоточных трансформаторов
На низкой стороне:
На высокой стороне:
На средней стороне:
где: S’ном - максимальный переток
мощности, при отключении блока 4 от шин СН.
Ток в ЛЭП связи с системой:
Нормальный режим:
Послеаварийный режим:
5. Выбор сборных шин, токопроводов
Основное оборудование электростанций
и аппараты в этих цепях соединяются между собой проводниками разного типа,
которые образуют токоведущие части электроустановки.
Цепь генератора на ТЭЦ. В пределах
турбинного отделения от выводов генератора до фасадной стены токоведущие части
выполняются комплектным пофазно-экранированным токопроводом (для генераторов
мощностью больше 60 МВт) или шинным мостом из жестких голых алюминиевых шин. На
участке между турбинным отделением и главным распределительным устройством
соединение выполняется шинным мостом или гибким подвесным токопроводом. Все
соединения внутри закрытого РУ 10 кВ, включая сборные шины, выполняются
жесткими голыми алюминиевыми шинами прямоугольного или коробчатого сечения.
Соединение от ГРУ до выводов трансформатора связи выполняется шинным мостом или
гибким подвесным токопроводом.
Токоведущие части в РУ 35 кВ и выше
выполняются обычно сталеалюминиевыми проводами АС. В некоторых конструкциях ОРУ
может выполняться алюминиевыми трубами.
Цепь трансформатора собственных
нужд. От стены ГРУ до выводов трансформатора собственных нужд соединение
выполняется жесткими алюминиевыми шинами. От трансформатора до РУ с.н.
применяется кабельное соединение.
В цепях линий 10 кВ вся ошиновка до
реактора и за ним, а также в шкафах КРУ выполнена прямоугольными алюминиевыми
шинами. К потребителю отходят кабельные линии.
5.1 Выбор сборных шин ГРУ
Так как сборные шины по
экономической плотности тока не выбираются, принимаем сечение по допустимому
току.
Наибольший ток в цепи генераторов и
сборных шин согласно пункту 4.3: Принимаем шины коробчатого сечения
алюминиевые 2 (125х55х6,5) мм2 [2, таблица П3.5], . Проверка сборных шин на
термическую стойкость.
По рисунку 10 Iп0=61,5 кА, тогда
тепловой импульс тока КЗ:
Минимальное сечение по условию
термической стойкости:
что меньше выбранного сечения 2 х
1785, следовательно, шины термически стойки, С принимаем по [2, таблица 3.14].
. Проверка сборных шин на
механическую прочность.
По пункту 4.2 iу=201,2 кА. Шины
коробчатого сечения обладают большим моментом инерции, поэтому расчёт проводим
без учёта колебательного процесса в механической конструкции. Принимаем, что
швеллеры шин соединены жестко по всей длине сварным швом, тогда момент
сопротивление Wy0-y0=167 см3. При расположении шин в вершинах прямоугольного
треугольника расчетную формулу принимаем по [2, таблице 4.3].
Где l принято 2м,
Расстоянию между фазами, а= 0,8м.
Поэтому шины механически прочны.
.2 Выбор токопроводов
От вывода генератора да фасадной
стены главного корпуса токоведущие части выполнены комплектным
пофазно-экранированным токопроводом. Выбираем ТЭКН-20/6800 на номинальное
напряжение 20 кВ, номинальный ток 6800 А, электродинамическую стойкость главной
цепи 250 кА.
Проверка токопровода:
Где iуд - суммарный ударный ток со
стороны системы согласно пункту 4.2.
Параметры выбранного токопровода
представим в таблицы 6.
Таблица 6. Параметры токопровода
Параметры
ТЭКН-20-6800
Тип
турбогенератора
ТВФ-63;
Номинальное
напряжение, кВ: - турбогенератора - токопровода
10,5
20
Номинальный
ток, А: - турбогенератора - токопровода
4330
6800
Электродинамическая
стойкость, кА
250
Токоведущая
шина dxs, мм
280х12
(8)
Кожух
(экран) Dxδ,
мм
750х4
Междуфазное
расстояние А, мм
1000
Тип
опорного изолятора
ОФР-20-375с
Шаг
между изоляторами, мм
2500-3000
Тип
применяемого ТН
ЗНОЛ.06-10
Тип
встраиваемого ТТ
ТШ-20-10000/5;
ТШВ-15-6000-0,5/10Р
Предельная
длина монтажного блока или секции, м
8
Масса
1м одной фазы, кг
До
90
Цена
1м одной фазы, руб.
105
6. Выбор электрических аппаратов
.1 Выбор выключателей и разъединителей
Выключатель - коммутационный аппарат,
предназначенный для включения и отключения тока. Выключатель является основным
аппаратом в электрических установках, он служит для отключения и включения в
цепи в любых режимах: длительная нагрузка, перегрузка, короткое замыкание,
холостой ход, несинхронная работа. Наиболее тяжелой и ответственной операцией
является отключение токов КЗ и включение на существующее короткое замыкание.
Разъединитель - контактный коммутационный
аппарат, предназначенный для отключения и включения электрической цепи без тока
или с незначительным током, который для обеспечения безопасности имеет между
контактами в отключенном положении изоляционный промежуток.
Условия выбора выключателя:
. По напряжению установки Uуст≤Uном;
. По длительному току Iнорм≤Iном; Imax≤Iном;
. По отключающей способности In,τ≤Iоткл.ном,
ia,τ≤ia,ном,
Где:
Ia,ном- номинальное допустимое
значение апериодической составляющей в отключающем токе для времени Где:
. По электродинамической стойкости
In,o≤Iдин, iy≤iдин;
. По термической стойкости Вк≤I2тер.tтер.
. Выбор выключателей и разъединителя
в ветви генераторов.
Выбор выключателя и разъединителя
произведём на примере ветви с генератором 2.
Выбираем выключатель типа
ВГГ-10-63/5000-У3.
Определяем расчетные токи КЗ (в
точке К-1) для времени Отношение начального значения
периодической составляющей тока КЗ от генератора G2 при КЗ в точке К1 к
номинальному току
Отношение начального значения
периодической составляющей тока КЗ от генератора G1 и G3 при КЗ в точке К1 к
номинальному току
По данному отношению и времени t = τ = 0,06 с
определим с помощью кривых[1, рис. 3,26, стр. 152] отношение:
Таким образом, периодическая
составляющая тока к моменту τ будет:
Периодическая составляющая тока КЗ
от энергосистемы принимается неизменной во времени и равна:
Апериодическая составляющая тока КЗ
t = τ
= 0,06 с
определится из выражения:
где значение Определим суммарные токи КЗ от
системы и генераторов 1,3:
Полный импульс квадратичного тока
КЗ:
Проверка выключателя производится по
наибольшим токам КЗ, в нашем случаи токи КЗ от ветви с G1 и G3:
1. По
напряжению установки
Uуст≤Uном;
Выключатель проходит все проверки,
следовательно, выбираем выключатель ВГГ-10-63/5000-У3 [4]. Параметры
выключателя представлены в таблице 6. Выбираем разъединитель РВК-10-5000 [2,
табл.П4.1, стр.628], каталожные данные сведены в таблицу 6.
Выключатели и разъединители в ветви генератора
1, генератора 3 и генератора 4 устанавливаем аналогичные, т.е. выключатель
ВГГ-10-63/5000-У3 и разъединитель РВК-10-5000.
. Выбор выключателя и разъединителя для РУ СН 35
кВ.
Наибольший ток на стороне СН будет в ветви
трансформатора Т4 [пункт 4.3]:
Выбираем выключатель типа ВР35НС
[4]. Выбираем разъединитель типа РДЗ-35/2000 [2, табл.П4.1, стр.628].
Номинальные параметры выключателя и разъединителя приведены в таблице 7.
Таблица 7. Параметры выключателя и
разъединителя
Расчетные
данные
Каталожные
данные
Выключатель
ВР35НС
Разъединитель
РДЗ-35/2000
Uуст
= 35 кВ Imax = 1320 A
Uном
= 35 кВ Iном = 1600 A
Uном
= 35 кВ Iном = 2000 A
. Выбор выключателя и разъединителя для РУ ВН
220 кВ.
Наибольший ток на стороне ВН будет в ЛЭП связи с
системой [пункт 4.3]:
Выбираем выключатель типа ВЭБ-220
[4]. Выбираем разъединитель типа РДЗ-220/1000 [2, табл.П4.1, стр.628].
Номинальные параметры выключателя и разъединителя приведены в таблице 8.
Таблица 8. Параметры выключателя и
разъединителя
Расчетные
данные
Каталожные
данные
Выключатель
ВЭБ-220
Разъединитель
РДЗ-220/1000
Uуст
= 220 кВ Imax = 265 A
Uном
= 220 кВ Iном = 3150 A
Uном
= 220 кВ Iном = 1000 A
.2 Выбор трансформаторов напряжения
Трансформатор напряжения
предназначен для понижения высокого напряжения до стандартного значения 100 (В)
или Трансформаторы напряжения выбирают:
. По напряжению установки . По конструкции и схеме соединения
обмоток;
. По классу точности;
. По вторичной нагрузке Где:
Для упрощения расчетов нагрузку
приборов можно не разделять по фазам, тогда Выбор трансформатора напряжения в
цепи генератора 2. Перечень необходимых измерительных приборов выбираем по
таблице 4.11 [2, с.364]:
Таблица 9. Вторичная нагрузка
трансформатора напряжения
Прибор
Тип
Sодной
обм, ВА
Число
обмоток
cosφ
sinφ
Число
приборов
Общая
потребляемая мощность
Р,
Вт
Q,
ВАр
Вольтметр
Ваттметр Варметр Датчик активной мощности Датчик реактивной мощности Счетчик
активной энергии Ваттметр регистрирующий Вольтметр регистрирующий Частотомер
Э-335
Д-335 Д-335 Е-829 Е-830 И-680 Н-348 Н-344 Э-372
2
1,5 1,5 10 10 2 Вт 10 10 3
1
2 2 - - 2 2 1 1
1
1 1 1 1 0,38 1 1 1
0
0 0 0 0 0,925 0 0 0
1
2 1 1 1 1 1 1 2
2
6 3 10 10 4 20 10 6
-
- - - - 9,7 - - -
ИТОГО
71
9,7
Вторичная нагрузка трансформаторов напряжения
определяем по формуле:
Выбираем трансформатор ЗНОЛ.06-10У3.
Трансформатор напряжения типа ЗНОЛ.06-10У3, имеющий номинальную мощность 75 ВА
в классе точности 0,5, необходимом для присоединения счетчиков. Таким образом,
.3 Выбор трансформаторов тока
Трансформаторы тока предназначены
для уменьшения первичного тока до значений, наиболее удобных для измерительных
приборов (чаще всего Условия выбора трансформаторов тока:
. По напряжению установки . По току . По конструкции и классу точности;
. По электродинамической стойкости: Где:
. По термической стойкости: Где:
. На вторичной нагрузке Выбираем трансформатор тока в цепи
генератора. Так как участок от выводов генератора до стены турбинного отделения
выполнен комплектным токопроводом ТЭКН-20/6800, то выбираем трансформатор тока
встроенный в токопровод ТШВ15-6000-0,2/10P [2]. Перечень необходимых
измерительных приборов выбираем по таблице 4.11 [2, с.364]:
Таблица 10. Вторичная нагрузка
трансформатора тока
Прибор
Тип
Нагрузка,
ВА Фазы
А
В
С
Ваттметр
Варметр Счетчик активной энергии Амперметр регистрирующий Ваттметр
регистрирующий Ваттметр (щит турбины)
Д-335
Д-335 САЗ-И681 Н-344 Н-348 Д-335
0,5
0,5 2,5 - 10 0,5
-
- - 10 - -
0,5
0,5 2,5 - 10 0,5
Итого
14
10
14
Как видно из таблицы 10, наиболее загружены
трансформаторы тока фаз А и С. Индуктивное сопротивление токовых
цепей невелико, поэтому Сопротивление контактов при
количестве приборов больше 3 принимается равным 0,1 Ом.
Сопротивление соединительных
проводов зависит от их длины и сечения. Чтобы трансформатор тока работал в
заданном классе точности, необходимо выполнение условия:
Для генератора 63 МВт применяется
кабель с алюминиевыми жилами, ориентировочная длина 40 м, трансформаторы тока
соединены в полную звезду, поэтому lрасч=l, тогда сечение:
Принимаем контрольный кабель АКРВГ-4
мм2.
Тогда пересчитываем сопротивление
проводов: В соответствии с полученными
данными, Для проверки выбранного
трансформатора тока, пользуясь каталожными данными, сведем все величины в
таблицу 11:
Таблица 11. Выбор трансформатора
тока
Расчетные
данные
Каталожные
данные ТШВ15-6000-0,2/10P
Uуст=10,5
кВ
Uном=15
кВ
Imax=4558
А
Iном=6000
А
iуд=63,47
кА
Не
проверяются
Z2ном=0,943
Ом
Z2ном= Выбранный трансформатор тока удовлетворяет всем
условиям.
Схема включения трансформатора тока и напряжения
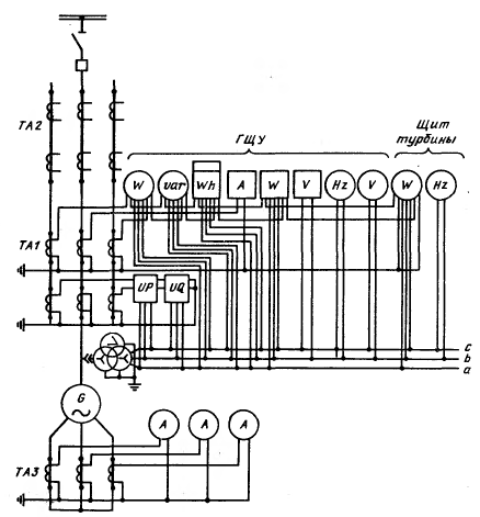
с измерительными приборами в цепь генератора показана на рисунке 12.
Рисунок 12. Схема включения измерительных
приборов генератора
.4 Выбор линейных реакторов
Реакторы выбирают по номинальному напряжению,
току и индуктивному сопротивлению. Предполагаем установку сдвоенного реактора.
На рисунке 13 изображено распределение
потребительских линий.
Рисунок 13. Распределение нагрузки
по сдвоенным реакторам
1.
Рассчитаем максимальные токи в реакторах:
2. Рассчитаем
ток самой мощной линии (8 МВт):
. Выбираем КРУ К-104М внутренней
установки с вакуумными выключателями, Выбираем вакуумные выключатели типа
ВВЭ-М-10-20, Выбор реактора произведем на примере
LR2.
3. Определим
результирующее сопротивление до реактора:
где Iп0К1 - суммарный ток КЗ в точке
К1 (рисунок 5).
4. Определим
требуемое результирующее сопротивление с учётом выбранного выключателя:
. Определим требуемое сопротивление
реактора:
Выбираем по каталогу сдвоенный
реактор РБСДГ-10-2х2500-0,2 [2].
Параметры реактора приведены в
таблице 12.
По аналогии с предыдущими расчетами
выбираем реакторы LR1и LR3 [2].
Таблица 15. Выбор реакторов
Uном,
кВ
LR1
10
1235
РБСДГ-10-2×1600-0,35
10
2×1600
LR3
10
1359
РБСДГ-10-2×1600-0,35
10
2×1600
7. Выбор схем электрических соединений
распределительных устройств электростанции
Распределительное устройство - электроустановка,
предназначенная для приема и распределения электрической энергии на одном
классе напряжения.
Распределительное устройство низшего напряжения.
Число присоединений к секции равно 5. Для ТЭЦ с
генераторами до 63 МВт включительно, если число присоединений к секции не
превышает шести - восьми рекомендуется использовать схему с одной системой
сборных шин [2, с.405]. Достоинства данной схемы: наглядность, простота,
экономичность.
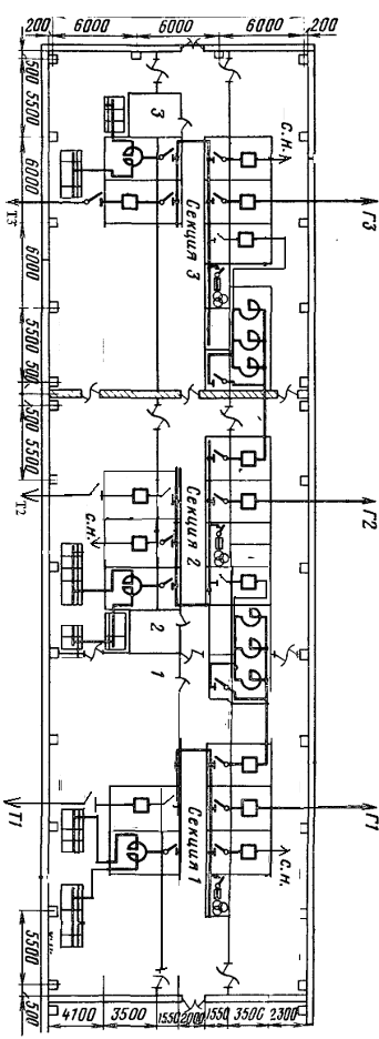
Рисунок 14. Одна система сборных шин
Схема заполнения распределительного устройства
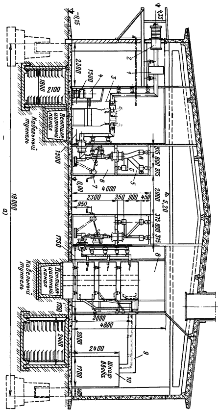
представлена на рисунке 15. Разрез ячейки ГРУ показан на рисунке 16.
Рисунок 15. Схема заполнения ГРУ 10 кВ с одной
системой шин
Рисунок 16. Разряз ячейки ГРУ
Распределительное устройство среднего
напряжения.
Для повышения надёжности будет использовать
схема РУ 35 кВ с двумя системами сборных шин.
Достоинства: надежность, возможность проведения
ремонта без перерыва работы [2, 414].
Рисунок 17. Две системы сборных шин
Распределительное устройство высшего напряжения.
Используется схема «пятиугольник». Число
присоединений равно 5: 2 линии связи с системой, 3 присоединения от
трансформаторов связи.
Эта схема экономична (5 выключателей на 5
присоединений), позволяет производить опробование и ревизию любого выключателя без
нарушения работы элементов. Схема обладает высокой надежностью.
Рисунок 18. Пятиугольник
8. Принципиальная схема управления и
сигнализации выключателем
.1 Общие положения
Средства дистанционного управления коммутационными
аппаратами (в основном выключателями) необходимы при ведении оперативных
переключений в нормальных режимах и при ликвидации аварийных состояний. Подача
управляющей команды осуществляется вручную оператором или от автоматических
устройств, которые применяются для выполнения переключений в аварийных
ситуациях (ликвидация КЗ, нарушений устойчивости параллельной работы
генераторов и т.д.).
Действие системы управления сопровождается
работой устройств сигнализации, которые дают оперативному персоналу необходимую
информацию о состоянии оборудования и срабатывании защиты и автоматики. Для
предотвращения неправильных операций предусматриваются специальные блокировки.
Устройства управления, сигнализации и блокировок
с соответствующими источниками питания образуют на электростанциях и
подстанциях систему вторичных цепей. К этой системе также относят схемы
автоматики, релейной защиты и технологического контроля [1, стр.545].
.2 Дистанционное управление выключателями
Основные требования к системам дистанционного
управления выключателями:
цепи управления должны допускать отключение
выключателя, как со стороны щита управления, так и по месту его установки;
на щите управления и в распределительном
устройстве должна быть предусмотрена сигнализация положения выключателя;
цепи управления (включения и отключения) должны
иметь контрольные устройства, сигнализирующие об обрыве их цепей;
управляющий импульс должен сниматься с
исполнительного элемента после выполнения команды, так как обмотки
электромагнитов приводов не предназначены для длительного обтекания током;
схема управления должна предусматривать
блокировку от «прыгания», исключающую возможность при КЗ многократных включений
выключателя при одном командном импульсе;
схема должна предусматривать возможность не только
ручного управления, но и подачи соответствующего импульса от устройств релейной
защиты и автоматики;
число жил контрольного кабеля, соединяющего
устройства щита управления и выключатель, должно быть минимальным.
Схема управления выключателем показана на
рисунке 14. Подробное описание работы схемы в [2, с.551].
Рисунок 19. Схема управления выключателем с
электромагнитным приводом и ключом ПМОВФ
8.3 Сигнализация выключателей
Действие системы управления сопровождается работой
устройств сигнализации, которые дают оперативному персоналу необходимую
информацию о состоянии оборудования и срабатывании защиты и автоматики. В общем
случае на щитах управления должны предусматриваться следующие виды
сигнализации: положения коммутационных аппаратов, аварийная, предупреждающая и
командная.
Сигнализация положения коммутационных аппаратов
служит для информации оперативного персонала о состоянии схемы электрических
соединений в нормальных и аварийных условиях.
Сигнализация аварийного отключения выключателей
применяется для извещения персоналом об отключении выключателя релейной защитой
и выполняется сочетанием светового и звукового сигнала.
Предупреждающая сигнализация извещает персонал о
ненормальном режиме работы контролируемых объектов и частей электроустановки
или о ненормальном состоянии вторичных цепей защиты и автоматики.
Для предотвращения неправильных операций
предусматриваются специальные блокировки. Различают два основных вида
блокировок: блокировки безопасности и оперативные.
Блокировками безопасности называют устройства,
предупреждающие вход лиц эксплуатационного или ремонтного персонала в камеры
распределительных устройств или испытательного оборудования, в которых не
исключена возможность прикосновения или опасного приближения к токоведущим
частям или к частям оборудования, находящегося под напряжением. Часто в
качестве блокирующих устройств таких камер применяют электрические замки,
которые можно отпереть только лишь при снятии напряжения с оборудования.
Оперативные блокировки представляют собой
устройства, препятствующие неправильным действиям персонала при осуществлении
переключений в схемах электрических соединений.
Наиболее характерным видом оперативных
блокировок являются блокировки от неправильных операций разъединителями.
Устройства управления, сигнализация и блокировок
с соответствующими источниками питания образуют на электростанциях и
подстанциях систему вторичных цепей. К этой системе относят также схемы
автоматики, релейной защиты и технологического контроля.
Примем для проектируемой станции общую схему
управления и сигнализации выключателя (рисунок 20). Для контроля цепей
управления использованы два промежуточных реле: реле положения «включено» KQC,
фиксирующее включенное положение выключателя и контролирующее цепь отключения,
и реле положения «отключено» KQT, фиксирующее отключенное положение выключателя
и контролирующее цепь включения. В цепи этих реле устанавливаются
дополнительные резисторы R для исключения ложного срабатывания контактора KM
или электромагнита отключения в случае закорачивания обмоток KQT и KQC.
Запуск сигнализации обрыва цепей управления
происходит через последовательно включенные размыкающие контакты реле KQC и
KQT. При исправном состоянии цепей управления обмотка одного реле обтекается током,
а другого обесточена. В случае обрыва цепи последующей командой управления
обмотки обоих реле оказываются обесточенными, и происходит запуск сигнализации
[1, стр. 554-567].
Рисунок 20. Общая схема управления и сигнализации
выключателя с ключом ПМОВФ
9. Защита окружающей среды
В нашей стране преимущественное применение
получило комбинированное тепло- и электроснабжение городов от ТЭЦ.
Комбинированная выработка электроэнергии и тепла позволяет существенно сократить
расход топлива на энергоснабжение, сократить тепловые сбросы в водные бассейны,
обеспечить наиболее совершенные методы сжигания, очистки и выброса дымовых
газов в высокие слои атмосферы, что недостижимо при наличии многочисленных
котельных и бытовых печей. Вместе с тем энергоснабжение от ТЭЦ увеличивает
количество топлива, сжигаемого в зоне расположения города, и требует
специальных мероприятий по снижению концентраций вредностей в дымовых газах с
учетом фоновой загазованности от других источников.
Неотъемлемой частью общей проблемы охраны
окружающей среды является рациональное использование и охрана водных ресурсов.
Основная проблема при охране водоемов в настоящее время связана с ухудшением
качества воды вызванным сбросом как промышленных, так и бытовых сточных вод в
естественные водоемы. При этом огромное количество чистой воды расходуется на
разведение до предельно допустимых концентраций (ПДК) примесей, сбрасываемых в
водоемы.
При сжигании твердого топлива наряду с окислами
основных горючих элементов - углерода и водорода в атмосферу поступают летучая
зола с частицами недогоревшего топлива, сернистый и серный ангидриды, окислы
азота, некоторое количество фтористых соединении, а также газообразные продукты
неполного сгорания топлива. При сжигании сернистых мазутов с дымовыми газами в
атмосферу поступают сернистый и серный ангидриды, окислы азота, газообразные и
твердые продукты неполного сгорания, соединения ванадия, соли, натрия, а также
отложения, удаляемые с поверхностей нагрева котлов при чистке. Большинство этих
компонентов относятся к числу токсичных и даже в сравнительно невысоких
концентрациях оказывают вредное воздействие на природу и человека.
Для улучшения использования водных ресурсов
наиболее рациональны следующие мероприятия: совершенствование применяемых
технологических процессов и разработка новых с целью резкого уменьшения
количества сбрасываемых примесей; совершенствование технологии очистки сточных
вод, включая их утилизацию и извлечение из них ценных веществ; отказ там, где
это возможно, от применения воды в технологических процессах и максимального
применения оборотного и повторного использования воды на промышленных
предприятия. Задачи по охране внешней среды от вредных выбросов должны решаться
специалистами всех направлений, работающими на промышленном предприятии. В
условиях электростанций состояние окружающего района вблизи ТЭЦ зависит от вида
используемого топлива и организации его сжигания, работы пылегазоулавливающих
установок, устройств для эвакуации дымовых газов в атмосферу, организации
эксплуатации оборудования и других условий, связанных с организацией работы
энергетических установок. Поэтому специалисты по тепловым электростанциям
должны не только иметь общие представления о важности предпринимаемых мер по
охране среды, но должны уметь правильно выбирать оборудование и обеспечивать
рациональную его эксплуатацию с точки зрения снижения до минимума внешних
выбросов, уметь контролировать состояние окружающей среды.
Заключение
В ходе выполнения данного курсового проекта была
спроектирована электрическая часть станции типа ТЭЦ.
На начальном этапе проектирования после
составления баланса мощностей, убедились, что данная электростанция выдает
мощность, которая полностью покрывает мощность присоединенных нагрузок.
В качестве расчётного приняли цепь генератора
ТВФ-63-2. Затем были определены токи в ветвях по продолжительным режимам и
режимам КЗ, а по ним произведен выбор необходимых коммутационных аппаратов и
токоведущих частей. После чего была выбрана форма оперативного управления электрической
части объекта и спроектирована измерительная система. Выбранное электрическое
оборудование ТЭЦ (генераторы, трансформаторы, распределительные устройства и
другое электрическое и автоматическое оборудование) удовлетворяет всем
необходимым условиям и проходит по всем проведенным проверкам.
Список используемой литературы
1
Коломиец Н.В., Пономарчук Н.Р., Шестакова В.В. Электрическая часть
электростанций и подстанций: учебное пособие. - Томск: Изд-во Томского
политехнического университета, 2007. - 143 с.
Рожкова
Л.Д., Козулин В.С. Электрооборудование станций и подстанций: Учебник для
техникумов.- 3-е изд., перераб. и доп. - М.: Энергоатомиздат, 1987. - 648 с.:
ил.
3
Неклепаев Б.Н., Крючков И.П. Электрическая часть электростанций и подстанций:
Справочные материалы для курсового и дипломного проектирования: Учеб.пособие
для вузов. - 4 - е изд., перераб. и доп. - М.: Энергоатомиздат, 1989. - 608 с.:
ил.
http://www.vsoyuz.ru/russian/products/cb
Балаков
Ю.Н., Н.Ш. Мисхриванов, А.В. Шунтов. Проектирование схем электроустановок:
Учебное пособие для вузов - М:Издательский дом МЭИ, 2006. - 288с.
,
- номер генератора мощностью
,
-
количество генераторов.
:
,
- номер потребителя мощности
,
-
количество потребителей на напряжении
;
- коэффициент системы для
потребителей на напряжении
.
:
- номер потребителя мощности
,
-
количество потребителей на напряжении
;
- коэффициент системы для
потребителей на напряжении
.
- расход мощности на с.н.
электростанции, согласно дополнительным условиям задания.
:
- расход мощности на собственные
нужды отключившегося генератора (принимается 4% от мощности генератора).
получилось
отрицательным. Это свидетельствует о том, что направление мощности в аварийном
режиме меняется, и дефицит мощности покрывается за счёт резерва системы.
,
и
.
. Эта
особенность объясняется тем, что ТЭЦ обычно располагают в центре тепловой
нагрузки, которой сопутствует большое потребление электрической энергии.
Поэтому всю электроэнергию или значительную её часть, вырабатываемую
генераторами ТЭЦ, выгодно передавать местным потребителям на генераторном
напряжении 10 кВ. Для этого на ТЭЦ сооружаются генераторные распределительные
устройства (ГРУ). Связь с энергосистемой и выдача избыточной мощности
осуществляется по линиям 220 кВ.
,
![]()
cosφ
Система
возбуждения1Система охлаждения2
126
12,6
100,8
12,6
126
12,6
90
23,4
36
35,7
, мощность в
нормальном режиме при минимальной нагрузке на шинах НН. Выбор трансформатора
производится по формуле:
МВА
189
18,9
100,8
69,3
63
6,3
90
-33,3
36
102,803
, мощность в
нормальном режиме при минимальной нагрузке на шинах НН. Выбор трансформатора
производится по формуле:
МВА
) не
производится, следовательно, при проектировании электрической схемы ТЭЦ
необходимо установить три трехобмоточных трансформатора (рисунок 4).
71 МВА

,
. С учётом
поправочного коэффициента на температуру 0,94 [2, таблица П3.8]
, что меньше
наибольшего тока, поэтому выбираем шины 2 (150х65х7) мм2 сечением 2 х 1785
мм2, ![]()
.
;,τ -
апериодическая составляющая тока к.з. в момент расхождения контактов
;
-наименьшее время от начала к.з. до
момента расхождения дугогасительных контактов [1, стр. 338].
,
-минимальное время действия релейной
защиты;
-собственное время отключения
выключателя.
:
определено
по кривым затухания апериодической составляющей [1, с.151, рис.3.25].
(В) и для
отделения цепей измерения и релейной защиты о первичных цепей высокого напряжения.
Трансформатор напряжения в отличие от трансформатора тока работает в режиме,
близком к холостому ходу, так как сопротивление параллельных катушек приборов и
реле большое, а ток, потребляемый ими, невелик.
;
,
- номинальная мощность в выбранном
классе точности, при этом следует иметь в виду, что для однофазных
трансформаторов соединенных в звезду, следует взять суммарную мощность всех
трех фаз, а для соединения по схеме открытого треугольника - удвоенную мощность
одного трансформатора.
- нагрузка всех измерительных
приборов и реле, присоединенных к трансформатору напряжения, ВА.
.
, трансформатор будет работать в
выбранном классе точности.
и
), реле, а
также для отделения цепей измерения и защиты от первичных цепей высокого
напряжения. Токовые цепи измерительных приборов и реле имеют малое сопротивление,
поэтому трансформатор тока нормально работает в режиме, близком к режиму КЗ.
;
;
,
- кратность электродинамической
стойкости;
- номинальный первичный ток
трансформатора тока;
- ток электродинамической
стойкости;
- ударный - ток КЗ.
,
- тепловой импульс по расчету;
- время термической стойкости;
- ток термической стойкости.
.
. Вторичная
нагрузка состоит из сопротивлений приборов, соединительных проводов и
переходного сопротивления контактов.
. Отсюда следует, что:
.

Ом
[5].
[5].
ТипUуст,
кВ