Материал: Проектирование системы внутреннего электроснабжения предприятия

Внимание! Если размещение файла нарушает Ваши авторские права, то обязательно сообщите нам

Проектирование системы внутреннего электроснабжения предприятия

Содержание

Введение

. Общая характеристика объекта электроснабжения

. Исходные данные для проектирования

. Расчет электрических нагрузок и построение картограммы нагрузок

.1 Определение расчетной нагрузки промышленных предприятий

.2 Расчет нагрузки осветительных установок и полной нагрузки

.3 Построение картограммы нагрузок

. Выбор и обоснование схемы внешнего электроснабжения

.1 Определение мощности источника питания

.2 Технико-экономическое сравнение вариантов распределения электроэнергии в системе внешнего электроснабжения

.2.1 Расчет суммарных приведенных затрат при использовании номинального напряжения 110 кВ

.2.2 Расчет суммарных приведенных затрат при использовании номинального напряжения 35 кВ

. Проектирование системы внутреннего электроснабжения предприятия

.1 Выбор и расчет сечений кабелей 0,38 кВ для вариантов

.2 Выбор цеховых трансформаторов

.3 Выбор и расчет сечений кабелей 10 кВ

.4 Выбор и расчет сечений кабелей потребителей высоковольтной нагрузки 10кВ

.5 Технико-экономическое сравнение вариантов внутреннего электроснабжения

.5.1 Расчет суммарных приведенных затрат Варианта I

.5.2 Расчет суммарных приведенных затрат Варианта II

.6 Проверка выбранных кабелей по потере напряжения

.7 Уточнение установки КУ на шины ГПП 10 кВ

. Расчет токов короткого замыкания

.1 Расчет токов короткого замыкания выше 1 кВ

.2 Расчет токов короткого замыкания ниже 1 кВ

.3 Проверка выбранных кабелей на термическую стойкость

. Выбор оборудования

.1 Выбор высоковольтных выключателей на ГПП

.2 Выбор разъединителей на ГПП

.3 Выбор выключателей, установленных в линейных ячейках КРУ 10 кВ

.4 Выбор оборудования КТП

. Расчет заземления и молниезащиты

.2 Расчет молниезащиты

Заключение

Список литературы

Введение

Системы электроснабжения промышленных предприятий предназначены для обеспечения питания электроэнергией промышленных приемников электрической энергии. По мере развития электропотребления усложняются и системы электроснабжения промышленных предприятий. Развитие и усложнение структуры систем электроснабжения возрастающие требования к экономичности и надежности их работы в сочетании с изменяющейся структурой и характером потребителей электроэнергии, широкое внедрение устройств управления распределением и потреблением электроэнергии на базе современной вычислительной техники ставят проблему подготовки высококвалифицированных инженеров. Первое место по количеству потребляемой электроэнергии принадлежит промышленности, на долю которого приходится более 60% вырабатываемой в стране энергии. С помощью электрической энергии приводятся в движение миллионы станков и механизмов, освещение помещений, осуществляется автоматическое управление технологическими процессами и др. Существуют технологии, где электроэнергия является единственным энергоносителем. Существует целый ряд актуальных задач, решение которых в конечном итоге приводит к энергосбережению в самих производственных установках, в производстве в целом. Сюда, в первую очередь относится повышение надежности электроснабжения, так как внезапное, иногда даже весьма кратковременное прекращение подачи электропитания может привести к большим убыткам в производстве. Но повышение надежности связано с увеличением стоимости системы электроснабжения, поэтому важной задачей должно считаться определение оптимальных показателей надежности, выбор оптимальной по надежности структуры системы электроснабжения.

Также важной задачей является обеспечение требуемого качества электроэнергии. Низкое качество электроэнергии приводит помимо прочих нежелательных явлений к увеличению потерь электроэнергии как в электроприемниках, так и в сети. От надежного и бесперебойного электроснабжения зависит: работа промышленных предприятий любых отраслей, полученная прибыль, зависящая от объемов выпуска продукции, соблюдения условий хранения скоропортящейся продукции, особенно актуально это звучит для предприятий пищевой промышленности. Для эффективного функционирования предприятия, схема электроснабжения должна обеспечивать должный уровень надежности и безопасности. Развитие частного предпринимательства предполагает использование новых подходов, в организации распределения и учета электроэнергии. В частности это касается наличия нескольких предприятий на территории одной производственной зоны (участка), принадлежащих разным собственникам. Наличие разных технологических цепочек, плюс экономически оправданная система электроснабжения, учета электроэнергии, налагает определенные (специфические) требования к проектированию данных предприятий. В рассматриваемом проекте предполагается решить эти задачи. С минимальными затратами, получить достаточно надежную систему электроснабжения промышленного предприятия. Требуемый уровень надежности и безопасности схемы электроснабжения обеспечивается строгим соблюдением, при выборе оборудования и элементов защиты, норм и правил.

Проектирование электроснабжения ведем в соответствии НТП-94.

1. Общая характеристика объекта электроснабжения

Тракторная промышленность России представляет собой одну из отраслей сельскохозяйственного машиностроения в машиностроительном комплексе страны.

Производственный процесс в применении к заводу по выпуску автотракторной техники включает совокупность всех действий, которые осуществляются на заводе, чтобы получился трактор, готовый к отправке потребителю. Поступают же на завод исходные материалы для изготовления деталей, из которых собирают трактор, а также те узлы и комплектующие изделия, которые на заводе по тем или иным причинам производят. Поступает энергия (химическая - топливо, электрическая и (или) тепловая), которая обеспечивает работу технологического оборудования, освещение, отопление на всех рабочих местах и другие нужды жизнедеятельности производства. Поступают вспомогательные материалы, используемые в технологическом процессе, например, моющие и охлаждающие жидкости, формовочные смеси (или их составляющие), материалы для изготовления моделей для литейного производства и т.д. С завода же, кроме готовой продукции, идут различные отходы производства в газообразном, жидком и твердом виде. Поэтому к производственному процессу относятся также работы по обеспечению экологической безопасности производства. Таким образом, на заводе происходит преобразование входных потоков в выходные. Этот процесс преобразования исходных материалов и заготовок в готовую продукцию и называется производственным процессом. Производственный процесс на заводе осуществляется в цехах, которые делятся на следующие:

− производственные;

− вспомогательные;

− обслуживающие.

В производственных цехах изготавливают заготовки, детали, сборочные единицы и в целом изделие (кабины, мосты, тракторы и т.д.). Их делят на заготовительные цехи (литейные, кузнечные, раскройные и др.), обрабатывающие (механический, термический, прессовый, лакокрасочный и др.) и сборочные (сварочно-сборочный, по узловой и общей сборке, испытаний и др.). Если в цехе изготавливают основные детали узла и производят его сборку, то такие цехи называют механосборочными. Например, механосборочный цех гидросистем тракторного завода или цех трансмиссий.

Вспомогательные цехи обеспечивают функции технического обслуживания производственных цехов и завода в целом. К ним относят инструментальные, ремонтно-строительные, модельные и другие, а также энергетические установки (электрические подстанции, котельные, компрессорные, кислородные и ацетиленовые станции и т.д.).

К обслуживающим относят цехи и службы, выполняющие функции хозяйственного и частично технического обслуживания (транспортный цех, складское хозяйство, заводские лаборатории, заводоуправление, столовые, поликлиники и др.). Структура механосборочного производства зависит от конструктивных и технологических особенностей изделий, типа производства и ряда других факторов. Изделия, выпускаемые заводами, распределяют по цехам по предметному, технологическому или смешанному признаку. При организации цехов по предметному признаку за каждым из них закрепляют все детали определенного узла или изделия и их сборку. В этом случае все цехи являются механосборочными и включают механические и сборочные отделения. При наличии нескольких механосборочных цехов, изготавливающих отдельные узлы, на заводе предусматривают дополнительно цех общей сборки выпускаемых машин. Такая организация цехов характерна, как правило, для массового и крупносерийного типов производства. Например, на тракторных заводах имеются: механосборочный цех двигателей, механосборочный цех трансмиссий, цех общей сборки трактора и др.

Организация производственного процесса на заводе и в цехах во многом определяется типом производства. По типу различают: единичное, серийное, массовое производство.

Из производственного процесса выделяют технологический процесс, который включает в себя только те действия, те технологические операции, которые изменяют форму и (или) качество (коррозионная стойкость, твердость, внешний вид и т.д.) изделия. Технологический процесс по производству тракторов включает операции получения заготовок (отрезка, вырубка, штамповка, литье, ковка и т.д.), операции механической обработки заготовок (точение, сверление, нарезание резьбы, фрезерование, протягивание, обработка давлением и др.), операции выравнивания структуры и упрочнения как сердцевины, так и поверхности детали (отпуск, закалка, цементация, электромеханическая обработка, лазерное упрочнение и т.д.), операции декоративного и защитного характера (окраска, хромирование, нанесение вибро-, шумо- и теплоизоляции и др.), сборочные операции (сварка, клепка, приклеивание, привинчивание и т. д.), операции по сдаче продукции (заправка, регулировка, проверка работоспособности, консервация и т.д.). В технологический процесс не входят, например, производство технологической оснастки, обрабатывающего инструмента, его смена и заточка и т.д., так как в процессе этих действий не происходит непосредственного изменения формы и качества деталей и их взаимного расположения в изделии. Вообще, работа вспомогательных и обслуживающих цехов и служб не входит в технологический процесс, хотя и является неотъемлемой частью производственного.

2. Исходные данные для проектирования

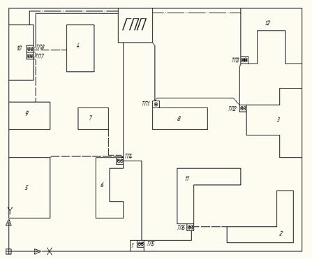
Рисунок 2.1 - Генеральный план тракторного завода

Таблица 2.1 - Ведомость электрических нагрузок завода

№ по плану

Наименование цеха

Установленная мощность, кВт

Категория надежности

1

Прокатный цех

4120

2

2

Механический цех

2100

3

3

Литейная цветного литья

3400

2

4

Склад готовой продукции

120

3

5

Заводоуправление

160

3

6

Сборочный цех

2700

2


3. Расчет электрических нагрузок и построение картограммы нагрузок

Расчет электрических нагрузок производится для выбора элементов электроснабжения.

Выбор метода расчета электрических нагрузок производится в зависимости от принадлежности проектируемого объекта к той или иной отрасли (промышленное предприятие, цех, микрорайон, сельские потребители).

В качестве основного метода расчета электрических нагрузок промышленного предприятия (при отсутствии данных о числе электроприемников и их мощности) принят метод коэффициента спроса.

Осветительная нагрузка ориентировочно может быть определена методом удельной мощности.

После произведенного расчета электрических нагрузок на плане объекта строится картограмма и определяется теоретический центр нагрузки.

.1 Определение расчетной нагрузки промышленных предприятий

Определим расчетные нагрузки методом коэффициента спроса.

Метод коэффициента спроса наиболее прост, широко распространен при расчете электрических нагрузок цехов предприятия. Он заключается в использовании выражения:

Рр = Рмакс = kcPy [кВт], (1)

где Py - установленная мощность, определяемая как сумма номинальных мощностей электроприемников в группе, кВт;

kc - коэффициент спроса [1].

Реактивная расчетная мощность равна:

[квар], (2)

где  - коэффициент реактивной мощности, соответствующий коэффициенту мощности  [1].

Полная расчетная мощность определяется:

 (3)

Пример расчета (для прокатного цеха):

кВт;

квар;

кВА.

Для остальных электроприемников расчет аналогичен и приведен в таблице 3.1.

Таблица 3.1 - Расчет электрических нагрузок

Наименование цеха

Уст. мощн. Ру, кВт

Кс

cosφ

tgφ

Расчетная нагрузка







Рр, кВт

Qр, квар

Sр, кВА

Потребители 0,4/0,23 кВ

1

Прокатный цех

4120

0,4

0,75

0,88

1648

1453,4

2197,3

2

Механический цех

2100

0,16

0,5

1,73

336

581,97

672

3

Литейная цветного литья

3400

0,78

0,75

0,88

2652

2338,84

3536

4

Склад готовой продукции

120

0,35

0,8

0,75

42

31,5

52,5

5

Заводоуправление

160

0,4

0,7

1,02

64

65,29

91,43

6

Сборочный цех

2700

0,2

0,6

1,33

540

720

900

7

ЦЗЛ и КБ

470

0,5

0,7

1,02

235

239,75

335,71

8

Ремонтно-механический цех

2300

0,23

0,62

1,26

529

669,44

853,23

9

Гараж

170

0,25

0,7

1,02

42,5

43,36

60,71

10

Литейная черного литья

4270

0,8

0,75

0,88

3416

3012,63

4554,7

11

Цех термической обработки

2300

0,75

0,9

0,48

1725

835,46

1916,7

12

Компрессорная

1300

0,75

0,765

0,855

975

820,823

1274,51

Итого:

12204,5

10812,46

16305,19

Потребители 10 кВ

10

Литейная черного литья (10кВ)

4ДСП* 1600

0,55

0,75

0,88

3520

3104,35

4693,3

12

Компрессорная (10кВ)

2АД*630

0,75

0,85

0,62

945

585,66

1111,7

Итого

4465

3690,01

5805,1


.2 Расчет нагрузки осветительных установок и полной нагрузки

Расчет осветительной нагрузки цехов ведется по методу удельной мощности.

Расчетная активная нагрузка освещения:

 [кВт], (4)

где - коэффициент спроса освещения;

 - площадь здания, м2;

 - удельная мощность осветительной установки, Вт/м2 [2].

Расчетная реактивная нагрузка освещения:

 [квар], (5)

где  - коэффициент реактивной мощности освещения, соответствующий коэффициенту мощности .

Для освещения производственных и складских помещений принимаем светильники с лампами типа ДРИ. Для освещения хозяйственных и административных помещений принимаем люминесцентные лампы. Для освещения территории принимаем светильники с лампами ДНаТ. Так как в [2] даны значения удельных мощностей для Eн=100 лк, Кз=1,5 и КПД=100%, то определяем эти значения пропорциональным пересчетом для Eн=200 лк, КПД=80%.

Коэффициент спроса осветительной нагрузки равен 0,8. Коэффициент мощности cosφосв для источников света с разрядными лампами равен 0,9 (при условии, что есть компенсация реактивной мощности).

Таблица 3.2 - Площади цехов и освещаемой территории

№ цеха

Наименование цеха

Площадь F, м2

Удельная мощность Руд, Вт/м2

1

Прокатный цех

320

8,5

2

Механический цех

3552

5,5

3

Литейная цветного литья

5312

5,5

4

Склад готовой продукции

2720

6,75

5

Заводоуправление

5280

6,75

6

Сборочный цех

2656

5,5

7

ЦЗЛ и КБ

1536

6,75

8

Ремонтно-механический цех

2420

5,5

9

Гараж

2400

6,75

10

Литейная черного литья

2736

5,5


Пример расчета освещения (для прокатного цеха):

кВт;

квар.

Расчет освещения остальных цехов аналогичен и представлен в таблице 3.3.

Таблица 3.3 - Расчет полной нагрузки по цехам

Потребители электрической энергии

Силовая нагрузка

Осветительная нагрузка

Суммарная расчетная нагрузка


Pном, кВт

Рр, кВт

Qр, квар

Рро, кВт

Qро, квар

Рр+ Рро∑Р)

Qр+ Qро (Q∑Р),

Sp(S∑Р), кВА

Потребители 0,4 кВ

1.Прокатный цех

4120

1648

1453,4

2,176

1,054

1650,176

1454,453

2199,663

2.Механический цех

2100

336

581,97

15,629

7,569

351,629

589,538

686,439

3.Литейная цветного литья

3400

672

2338,84

23,373

2675,373

2350,164

3561,024

4.Склад готовой продукции

120

42

31,5

14,688

7,114

56,688

38,614

68,590

5.Заводоуправление

160

64

65,29

28,512

13,81

92,512

79,102

121,719

6.Сборочный цех

2700

540

720

11,686

5,66

551,686

725,660

911,559

7.ЦЗЛ и КБ

470

235

239,75

8,294

4,02

243,294

243,765

344,403

8.Ремнотно-механический цех

2300

529

669,44

10,648

5,157

539,648

674,600

863,889

9.Гараж

170

42,5

43,36

12,960

6,277

55,460

49,635

74,428

10.Литейная черного литья

4270

3416

3012,63

12,038

5,830

3428,038

3018,459

4567,553

11.Цех термической обработки

2300

1725

835,46

15,629

7,569

1740,629

843,025

1934,032

12.Компрессорная

1300

975

820,823

22,317

10,809

997,317

831,631

1298,558

Территория

0

0

0

58,08

28,13

58,08

28,13

64,53

Итого по 0,4кВ


12204,5

10812,46

647,06

313,4

12440,53

10926,78

16557,82


.3 Построение картограммы нагрузок

Для определения местоположения главной понизительной подстанции предприятия и цеховых ТП при проектировании системы электроснабжения на генеральный план объекта наносится картограмма нагрузок.

Картограмма электрических нагрузок позволяет наглядно представить распределение нагрузок на территории промышленного предприятия. Картограмма нагрузок состоит из окружностей. Площадь, ограниченная каждой из этих окружностей (πr2i), в выбранном масштабе m (кВт/м2) равна расчетной нагрузке соответствующего цеха Ррi.

Центр окружности совмещают с геометрическим центром цеха, а радиус находят по выражению:

, (6)

где m- принятый масштаб для определения площади круга, m=0,5 кВт22.

Геометрический центр нагрузок всего предприятия определяется по формулам:

, (7)

где xi, yi - координаты центров нагрузки цехов, м;

 - мощность i-го цеха, кВт.

Таблица 3.4 - Данные для построения картограммы нагрузок

№              Наименование цеха         Р∑Р,кВт  , м,

кВт∙м,

кВт∙м, м





 

Потребители 0,4 кВ

1

Прокатный цех

1650,176

186

8

306528

13184

32,41

2

Механический цех

351,629

380

39,2

127680

13171

14,96

3

Литейная черного литья

2675,373

392

187,6

1039584

497515

41,27

4

Склад готовой продукции

56,688

104

294

4368

12348

6,01

5

Заводоуправление

92,512

30

92

1920

5888

7,67

6

Сборочный цех

551,686

152,2

92,5

82188

49950

18,74

7

ЦЗЛ и КБ

243,294

122

192

28670

45120

12,45

8

Ремонтно-механический цех

539,648

248

192

131192

101568

18,54

9

Гараж

55,460

30

196

1275

8330

5,94

10

Литейная черного литья

3428,038

18

288

61488

983808

46,72

11

Цех термической обработки

1740,629

277,134

92,86

478056

160184

33,29

12

Компрессорная

997,317

380

318

370500

310050

25,20

Потребители 10 кВ

10

Литейная черного литья

3520

18

288

63360

1013760

47,34

12

Компрессорная

945

380

318

448792

375568

27,42

Итого:




3038809

3501075



Определим координаты центра питания:

м;

м.

Т.к. в данную точку сложно подвести напряжение 110 кВ воздушными линиями, переносим ГПП в сторону источника питания.

4. Выбор и обоснование схемы внешнего электроснабжения

.1 Определение мощности источника питания

Проектирование системы внешнего электроснабжения ведут в следующей последовательности:

)        определяют местоположение источника питания;

)        определяют его мощность;

)        выбирают схему электроснабжения на основе технико-экономического сравнения возможных вариантов распределения электрической энергии от шин системной подстанции.

Мощность трансформаторов на ГПП определяться по формуле:

, (8)

где  - суммарная расчетная нагрузка;

- число трансформаторов на ГПП;

- коэффициент загрузки трансформаторов (= 0,6-0,7 при питании от ГПП потребителей 1 и 2 категории, = 0,75-0,85 при питании от ГПП потребителей 2 и 3 категории) [3, стр. 64].

Так как имеются потребители I категории, то выбираем двух трансформаторную подстанцию с раздельной работой трансформаторов.

Расчетная нагрузка без учета потерь в элементах сети:

активная:

12204,5+269,844+14,297+

+4420=16860,53 кВт; (9)

10812,46+114,31+3662,12=14588,89

 кВА. (10)

где , - соответственно суммарные активная и реактивные нагрузки низкого напряжения предприятия;

,- соответственно суммарные активная и реактивные нагрузки освещения цехов;

,  - соответственно суммарные активная и реактивные нагрузки высокого напряжения предприятия;

- коэффициент разновременности максимумов нагрузки, принимается равным =0,85…1 [3, стр.19].

Поскольку на данном этапе проектирования источники питания цехов и проводниковые электрические связи еще не выбраны, суммарные потери в ЛЭП и цеховых трансформаторах можно определять по приближенным выражениям. Определяем потери без учета высоковольтной нагрузки.

331,16 кВт; (11)

 квар; (12)

 кВт. (13)

Определим нагрузку предприятия без учета компенсации:

кВт;

квар. (14)

Определяем суммарную нагрузку предприятия с учетом компенсации реактивной мощности, для этого находим мощность компенсирующих устройств:

 квар, (15)

где  - коэффициент реактивной мощности центра питания;

=0,4 - экономически обоснованный коэффициент реактивной мощности, выбирается в зависимости от напряжения питания, для электрических сетей 6-10 кВ =0,4 [3,стр.66].

Тогда суммарная реактивная нагрузка предприятия с учетом компенсации реактивной мощности равна:

квар. (16)

Таким образом, полная мощность ГПП будет составлять:

 =кВА. (17)

Следовательно, мощность трансформаторов на ГПП:

 кВА. (18)

Таким образом, электроснабжение осуществляется двумя трансформаторами мощностью 16000 кВА каждый. Коэффициенты загрузки и аварийной перегрузки будут равны:

; (19)

. (20)

Коэффициент загрузки принимаем меньше 0,7, так как рассматриваем возможность расширения производства.

.2 Технико-экономическое сравнение вариантов распределения электроэнергии в системе внешнего электроснабжения

Предприятие по надёжности относится к потребителям I-II категорий. Поэтому в вариантах схемы электроснабжения предприятия питание предусматривается по двухцепной ВЛ напряжением 35 и 110 кВ, подсоединённые к разным подстанциям энергосистемы. Таким образом, сравниваются варианты электроснабжения предприятия:

Вариант I. Электроэнергия передаётся от подстанции энергосистемы по двум двухцепным линиям длиной 8 км на железобетонных опорах от разных подстанций системы до ГПП предприятия на напряжении 35 КВ, а распределяется по территории предприятия на напряжении 10 кВ. кВА.

Вариант II. Электроэнергия передаётся от подстанции энергосистемы по двухцепной линии длиной 8 км на железобетонных опорах от разных подстанций системы до ГПП предприятия на напряжении 110 КВ, а распределяется по территории предприятия на напряжении 10 кВ. кВА.

.2.1 Расчет суммарных приведенных затрат при использовании номинального напряжения 110 кВ

Выбор сечения проводника

Расчетный ток в линиях:

А, (21)

где n - число кабелей, шт.;

- номинальное напряжение, кВ.

Сечение провода:

 мм2, (22)

где  - экономическая плотность тока, для алюминиевых неизолированных проводов и шин, при числе часов использования максимума нагрузки Тмакс =5300 ч/год [4], согласно ПУЭ, принимаем равной =1 А/мм2 [1].

Выбираем провод марки АС 70 (минимальное рекомендованное сечение при =110 кВ, для того чтобы не учитывать потери на корону).

Выбираем трансформаторы 2хТДН-16000/115. С параметрами: ∆РХХ = 21 кВт; ∆РКЗ = 85 кВт [3, табл.Б.5].

Расчет капиталовложений

Капиталовложения в ВЛ:

2 ∙ 1602 ∙8 = 25632 тыс.руб., (23)

где - укрупнённый стоимостной показатель для воздушных линий электропередачи [5, табл. П.6].

Капиталовложения в подстанции:

 = 38700 тыс. руб.,

где - стоимость комплектной трансформаторной подстанции с двумя трансформаторами мощностью 16 МВА, напряжение 110 кВ [5, табл. П.15].

Всего суммарные капиталовложения:

 = 25632 + 38700 = 64332 тыс. руб..

Расчет ежегодных издержек

Издержки на обслуживание и амортизационные отчисления на капитальный ремонт:

= (0,004+0,004) ∙ 25632 = 205,056 тыс. руб./год;

= (0,029+0,02) ∙ 38700 = 1896,3 тыс. руб./год,

где:  - амортизационные отчисления на капитальный ремонт;

 - коэффициент, определяющий эксплуатационные затраты (ремонт и обслуживание) в процентах от капиталовложений в линии электропередачи;

,  - то же для подстанций [5].

Суммарные издержки на обслуживание и амортизационные отчисления на капитальный ремонт элементов схемы электроснабжения:

= 205,056 +1896,3= 2101,356 тыс. руб./год.

Амортизационные отчисления на реновацию ВЛ:

 = 0,02 ∙ 25632 = 512,64 тыс. руб./год; (24)

= 0,035 ∙ 38700 = 1354,5 тыс. руб./год, (25)

где , - соответственно амортизационные отчисления на реновацию ВЛ и ПС [5].

Всего амортизационные отчисления на реновацию для схемы электроснабжения:

= 512,64 +1354,5 = 1867,14 тыс. руб./год.

Ежегодные издержки на компенсацию годовых потерь электроэнергии в элементах схем

Потери в линиях электропередачи определяем по выражению исходя из закона Джоуля-Ленца:

39230,3 кВт∙ч/год,

где Iрасч - расчетный ток в линии электропередачи;

- время максимальных потерь, которое равно 3100 ч/год [3, табл. 3.9, стр. 71];

l - длина ЛЭП, заданная по условиям проектирования и равна 8 км;

 - удельное активное сопротивление ЛЭП, для провода марки АС-70 =0,422Ом/км [6, табл. 3.8].

Потери электроэнергии в трансформаторах определяем по формуле:

548681,62 кВт∙ч/год, (26)

где ST - мощность наибольшей нагрузки в данный период, кВА (принимается равной расчетной нагрузке предприятия ;

SНОМ.Т. - номинальная мощность трансформатора;

=3000 ч - время потерь при максимальной нагрузке для ПС 110 кВ [3, табл. 3.9, стр. 71];

∆РХХ = 21 кВт - потери холостого хода трансформатора;

∆РКЗ = 85 кВт - потери короткого замыкания трансформатора.

Всего потери энергии в схемах электроснабжения:

587911,92 кВт∙ч/год;

Всего суммарные издержки на компенсацию потерь электроэнергии:

 тыс. руб./год;

где = 1,79 руб./кВт·ч - средний тариф на электроэнергию, заданный по условиям проектирования.

Суммарные приведенные затраты на строительство ЛЭП и ПС:

++=0,125∙64332+2101,356+1867,14+

+1052,36=13062,356 тыс. руб./год, (27)

где =0,125 - нормативный коэффициент эффективности капиталовложений [1, с.68].

.2.2 Расчет суммарных приведенных затрат при использовании номинального напряжения 35 кВ

Выбор сечения проводника

Расчетный ток в линиях:

А,

Сечение провода:

 мм2,

Выбираем провод марки АС 150, т.к. расчетное сечение провода не превышает стандартное более, чем на 15 %.

Расчет капиталовложений

Капиталовложения в ВЛ:

2 ∙ 2334 ∙8 = 37344 тыс.руб.,

Капиталовложения в подстанции:

 = 25200 тыс. руб.,

Всего суммарные капиталовложения:

 = 37344+25200=62544 тыс. руб..

Расчет ежегодных издержек

Издержки на обслуживание и амортизационные отчисления на капитальный ремонт:

= (0,004+0,004) ∙ 37344 = 298,75 тыс. руб./год;

= (0,029+0,02) ∙ 25200 = 1234,8 тыс. руб./год.

Суммарные издержки на обслуживание и амортизационные отчисления на капитальный ремонт элементов схемы электроснабжения:

= 298,75+1234,8=1533,55 тыс. руб./год.

Амортизационные отчисления на реновацию ВЛ:

 = 0,02 ∙ 37344 = 746,88 тыс. руб./год;

= 0,035 ∙ 25200 = 882 тыс. руб./год.

Всего амортизационные отчисления на реновацию для схемы электроснабжения:

= 746,88+882=1628,88 тыс. руб./год.

Ежегодные издержки на компенсацию годовых потерь электроэнергии в элементах схем

Потери в линиях электропередачи определяем по выражению исходя из закона Джоуля-Ленца:

151101,8 кВт∙ч/год.

Потери электроэнергии в трансформаторах определяем по формуле:

418347,75 кВт∙ч/год.

Всего потери энергии в схемах электроснабжения:

кВт∙ч/год.

Всего суммарные издержки на компенсацию потерь электроэнергии:

 тыс. руб./год.

Суммарные приведенные затраты на строительство ЛЭП и ПС:

0,125∙62544+1533,55+1628,88+1019,31=11999,74 тыс. руб./год.

Для наглядности результаты расчетов представляем в виде таблицы.

Таблица 4.1 - Основные технико-экономические показатели сравниваемых вариантов

Показатели

Вариант I Uн=110 кВ

Вариант II Uн=35 кВ

Капиталовложения, тыс. руб.

64332

37344

Издержки по обслуживанию оборудования и амортизационные отчисления на капитальный ремонт, тыс. руб./год

2101,356

1533,55

Амортизационные издержки на реновацию, тыс. руб./год

1867,14

1628,88

Стоимость годовых потерь электроэнергии, тыс. руб./год

1052,36

1019,31

Годовые затраты, тыс. руб.

13062,356

11999,74

=8,13%

Из проведенного технико-экономического сравнения определяем, что использование линии с напряжением 35 кВ требует затрат на 8,13 % меньше, чем линия с напряжением 110 кВ. Но, т.к. предпочтительнее выбирать более высокое напряжение при разнице затрат менее 10-15 %, то осуществляем внешнее электроснабжение по линиям 110кВ.

5. Проектирование системы внутреннего электроснабжения предприятия

Система электроснабжения может быть выполнена в нескольких вариантов, из которых выбирается оптимальный. При его выборе учитывается степень надежности, обеспечение качества электроэнергии, удобство и безопасность эксплуатации, возможность применения прогрессивных методов электромонтажных работ. В рассматриваемых вариантах необходимо предусмотреть не только различные виды схем распределения, но и различное количество трансформаторных подстанций.

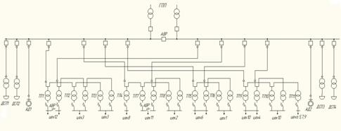
Два варианта электроснабжения завода представлены на рисунках 2 и 4. Принципиальные схемы электроснабжения для вариантов представлены на рисунках 3 и 5 соответственно.

Рисунок 5.1 - Вариант внутреннего электроснабжения I

Рисунок 5.2 - Принципиальная схема электроснабжения варианта I

Рисунок 5.3 - Вариант внутреннего электроснабжения II

Рисунок 5.4  - Принципиальная схема электроснабжения варианта II

5.1 Выбор и расчет сечений кабелей 0,38 кВ для вариантов

Линия ТП4-Ц5 (Заводоуправление)

P=92,51 кВт; Q=79,1 квар; Sр=121,72 кВА; l=0,107 км.

Расчетный ток в нормальном режиме:

, (28)

где n - количество цепей;

 - полная мощность потребителей электроэнергии расчетной линии;

Uн - номинальное напряжение участка.

 А.

Принимаем кабель АПвВГнг - 4х70 мм2; Iдл.доп.=195 А [3, табл.Б.29]; r0 =0,42 Ом/км; x0=0,061Ом/км [3, табл.Б.16].

Проверяем провод по условию нагрева.

, (29)

где  - допустимое для данной марки и сечения значение тока;

 - поправочный коэффициент на количество прокладываемых кабелей, принимаем =1;

 - поправочный коэффициент на температуру окружающей среды, принимаем k 2 = 1,13 для температуры земли 15 °С [3, стр.256].

А;

,35 А ≥ 175,69 А.

Проверяем провод по допустимой потере напряжения:

, (30)

где  - допустимая потеря напряжения для кабеля данного сечения, при наличии средств регулирования напряжения в цеховых трансформаторах значение  в кабельных сетях напряжением менее 1 кВ можно принимать равным 6,5-7% [3, стр.103];

- потеря напряжения в сети, вычисляется по формуле:

, (31)

где P, кВт; Q, квар - активная и реактивная мощности, протекающие в линии;

l - длина кабельной линии, км;

r0, x0 - удельное активное и реактивное сопротивление кабельной линии, Ом/км.

;

3,23% ≥ 6,5%.

Условие выполняется, сечение выбрано верно.

Для остальных линий расчет ведется аналогично. Сводим результаты в таблицу 5.1.

Таблица 5.1 - Выбор кабелей 0,38 кВ варианта I

Линия

P, кВт

Q, квар

Iр, А

Кабель

l, км

, %

ТП4-Ц5

92,512

79,10

175,69

АПвВГнг 4х70

0,107

1,51

ТП4-Ц7

243,2944

243,77

497,10

3хАПвВГнг 4х70

0,06

3,24

ТП6-Ц2

351,6288

589,54

990,79

5хАПвВГнг 4х70

0,048

2,72

ТП7-Ц9

55,46

49,64

107,43

АПвВГнг 4х25

0,066

4,94

ТП8-Ц4

56,688

38,61

99,00

АПвВГнг 4х25

0,048

4,89


Таблица 5.2 - Выбор кабелей 0,38 кВ варианта II

Линия

P, кВт

Q, квар

Iр, А

Кабель

l, км

, %

ТП11-Ц5

92,512

79,10

175,69

АПвВГнг 4х70

0,074

2,23

ТП11-Ц7

243,2944

243,77

497,10

3хАПвВГнг 4х70

0,0057

0,46

ТП11-Ц9

55,46

49,64

107,43

АПвВГнг 4х25

0,024

1,15

ТП9-Ц4

56,688

38,61

99,00

АПвВГнг 4х25

0,048

2,29


.2 Выбор цеховых трансформаторов

В зависимости от общей нагрузки предприятия, а также мощности отдельных цехов и их территориального расположения для определения количества трансформаторов можно идти несколькими путями.

Один из подходов для решения поставленной задачи применяется в том случае, когда цеха предприятия имеют различную установленную мощность, различный характер работы, одинаковый или различный уровень надежности электроснабжения. В этом случае отдельные цеха, группы цехов, корпусов и т. п. объединяются в соответствующие группы по сходным режимным показателям и близкому уровню надежности электроснабжении.

Определение числа и мощности трансформаторных подстанций выполняем с учетом следующих факторов:

категории надежности электроснабжения потребителей;

компенсации реактивной мощности на напряжение до 1 кВ;

перегрузочной способности трансформаторов в нормальном и послеаварийном режимах;

Коэффициент загрузки рекомендуется принимать в следующих пределах:

=0,6-0,7 для двух трансформаторных подстанций при наличии электроприемников первой и второй категории;

=0,75-0,85 для двухтрансформаторных подстанций при наличии электроприемников второй и третьей категории;

=0,9-0,95 для однотрансформаторных подстанций.

Предварительная нагрузка для вариантов на трансформаторные подстанции, без учета компенсации реактивной мощности приведена в табл. 5.3, 5.4:

Таблица 5.3 - Нагрузка трансформаторных подстанций для варианта I

ТП

Наименование

Р∑р, кВт

Q∑р, квар

S∑р, квар

ТП1

8.Ремонтный цех

539,648

674,600

863,889

ТП2

3.Литейная цветного литья

2675,373

2350,164

3561,024

ТП3

12.Компрессорная

997,317

831,631

1298,558

ТП4

6.Сборочный цех

551,686

725,660

911,559


5.Заводоуправление

92,512

79,102

121,719


7.ЦЗЛ и КБ

243,294

243,765

344,403

ТП5

1.Прокатный цех

1650,176

1454,453

2199,663


Таблица 5.4 - Нагрузка трансформаторных подстанций для варианта II

ТП

Наименование

Р∑р, кВт

Q∑р, квар

S∑р, квар

ТП1

12.Компрессорная

997,317

831,631

1298,558

ТП2

3.Литейная цветного литья

1337,687

1175,082

1780,512

ТП3

3.Литейная цветного литья

1337,687

1175,082

1780,512

ТП4

8.Ремонтный цех

539,648

674,600

863,889

ТП5

6.Сборочный цех

551,686

725,660

911,559

ТП6

1.Прокатный цех

1650,176

1454,453

2199,663

ТП7

11.Цех термической обработки

1740,629

843,025

1934,032

ТП8

2.Механический цех

351,629

589,538

686,439

ТП9

10.Литейная цветного литья

1714,019

1509,23

2283,777


4.Склад готовой продукции

56,688

38,614

68,590

ТП10

10.Литейная цветного литья

1714,019

1509,23

2283,777

ТП11

5.Заводоуправление

92,512

79,102

121,719


7.ЦЗЛ и КБ

243,294

243,765

344,403


9.Гараж

55,460

49,635

74,428


Приведем пример расчета компенсации реактивной мощности и выбора внутрицехового трансформатора для ТП1 и ТП4 варианта I

Расчет компенсации реактивной мощности по цехам и выбор внутрицехового трансформатора ТП1

S∑р =863,889 кВА.

Так как схема распределение электрической энергии внутри цеха не известна, потери в кабельных линиях внутри цехов будем считать по приближённой формуле. Суммарные потери в линиях ТП1-Ц8 (по приближенным выражениям):

кВт;

;

 квар,

где =0,35 - для электрический сетей 0,4 кВ[3, стр.100].

Принимаем 1хКРМ-0,4-500-5-50У3 <#"806584.files/image135.gif">=

= кВА. (32)

Мощность цеховых трансформаторов:

 кВА, (33)

где  - количество трансформаторов;

- коэффициент загрузки трансформатора, выбирается в зависимости от категории потребителей.

Принимаем 1хТР с SНОМ=1000 кВА

Выбираем трансформатор марки ТМГ-1000:

 кВт; кВт; ;  [3, табл. Б.3].

Потери в трансформаторах:

, (34)

где ,  - соответственно активные и реактивные потери в стали трансформатора;

,  - соответственно активные и реактивные потери в меди трансформатора.

кВт; (35)

 квар; (36)

 кВт; (37)

 квар; (38)

Потери в трансформаторах:

 кВА.

Расчет компенсации реактивной мощности по цехам и выбор внутрицехового трансформатора ТП4

887,49 кВт; квар;

Суммарные потери в линиях ТП4-Ц6 (по приближенным выражениям):

 кВт;

Расчет активных потерь в линии ТП4-Ц5:

Рр=92,51 кВт; Qр=79,1 квар; l=0,107 км;

Iр=175,69 А.

Для выбранного кабеля АПвВГнг 4х70 r0=0,42 Ом/км, тогда:

кВт.

Расчет активных потерь в линии ТП4-Ц7:

Рр=243,29 кВт; Qр=243,77; l=0,06 км;

Iр=497,1 А.

Для выбранного кабеля АПвВГнг 4х70 r0=0,42 Ом/км, тогда:

 кВт.

Суммарные потери в отходящих линиях от ТП4:

кВт.

;

квар.

Принимаем 2хКРМ-0,4-375-8-25УЗ [3].

Тогда общая расчетная нагрузка на низком напряжении без учета потерь в элементах сети на ТП с учетом компенсации реактивной мощности:

 кВА.

Мощность цеховых трансформаторов:

 кВА,

Принимаем 2хТР с SНОМ=1000 кВА

Проверяем выбранный трансформатор по kпер:

Проверяем выбранный трансформатор по kпер:

. (39)

, условие выполняется.

Выбираем трансформатор марки ТМГ-1000:

Потери в трансформаторах:

Потери в стали:

 кВт;

 квар;

Потери в меди:

кВт;

 квар;

Потери в трансформаторах:

 кВА.

5.3 Выбор и расчет сечений кабелей 10 кВ

Выбор сечения кабельных ЛЭП напряжением 6-10 кВ производится по экономической плотности тока.

Проверка выбранного по экономической плотности тока проводника осуществляется по условию нагрева.

Пример расчета для магистральной линии ГПП - ТП1 - ТП2 - ТП3:

)        Выбор кабеля ТП3 - ТП2

Расчетный ток линии в нормальном режиме:

А; (40)

Определяем сечение кабеля по условию экономической плотности тока:

мм2,

где =1,2 А/ мм2 для кабелей с резиновой поливинилхлоридной изоляцией и с алюминиевыми жилами при Тmax=5300 ч [3, табл.4.1].

Выбираем кабель марки АПвВГнг - 3х35, =135А.

Проверяем выбранный кабель по нагреву:

, (41)

где  - ток в послеаварийном режиме, он равен:

А.

,58А ≤ 135А. Условие выполняется.

Но, т.к. необходимо выбрать 2-3 типа сечений кабелей 10 кВ, то принимаем кабель с сечением 70 мм2.

Определяем потери в кабельной линии «ТП3-ТП2», длина которой l=0,06 км; погонные активное и реактивное сопротивления r0=0,42 Ом/км; х0=0,086 Ом/км [3, табл.Б.16].

Активные потери в КЛ:

кВт.

Коэффициент протекающей по линии реактивной мощности:

,

где  - протекающая по линии реактивная мощность:

квар;

 - протекающая по линии активная мощность:

кВт.

По тангенсу определяем косинус:

.

Тогда полные потери в КЛ:

кВА.

2)      Выбор кабеля ТП2 - ТП1

Расчетный ток линии в нормальном режиме:

=А;

Определяем сечение кабеля:

мм2,

Выбираем кабель марки АПвВГнг - 3х120, =267А [3, табл.Б.29].

Проверяем выбранный кабель по нагреву:

А.

,86 ≤ 267А. Условие выполняется.

Определяем потери в кабельной линии «ТП2-ТП1», длина которой l=0,128 км; погонные активное и реактивное сопротивления r0=0,24 Ом/км; х0=0,081 Ом/км.

Активные потери в КЛ:

кВт.

Коэффициент протекающей по линии реактивной мощности:

,

квар;

кВт.

По тангенсу определяем косинус:

.

Тогда полные потери в КЛ:

кВА.

3)      Выбор кабеля ТП1 - ГПП

Расчетный ток линии в нормальном режиме:

=А;

Определяем сечение кабеля:

мм2,

Выбираем кабель марки АПвВГнг - 3х120, =267А.

Проверяем выбранный кабель по нагреву:

А.

,93 ≥ 267А. Условие не выполняется.

Выбираем кабель марки АПвВГнг - 3х150, =299А.

,93 ≤ 299А. Условие выполняется.

Но, т.к. необходимо выбрать 2-3 типа сечений кабелей 10 кВ, то принимаем кабель с сечением 185 мм2.

Определяем потери в кабельной линии «ТП1-ГПП», длина которой l=0,085 км; погонные активное и реактивное сопротивления r0=0,16 Ом/км; х0=0,077 Ом/км.

Активные потери в КЛ:

кВт.

Коэффициент протекающей по линии реактивной мощности:

,

квар;

=кВт.

По тангенсу определяем косинус:

.

Тогда полные потери в КЛ:

Все выбранные кабели удовлетворяют условиям по длительному допустимому току.

.4 Выбор и расчет сечений кабелей потребителей высоковольтной нагрузки 10кВ

Расчет сечения и выбор кабеля потребителей высоковольтной нагрузки 10 кВ выполняем один для варианта I и варианта II, т.к. длина кабельной линии и местоположение источника питания не изменяется.

Проведем расчет для линии ГПП-Ц10 (Литейная черного литья 10 кВ)

Расчетный ток в нормальном режиме для отдельной ДСП:

А;

Сечение кабеля по условию экономической плотности тока:

Принимаем кабель марки АПвВГнг - 3х70, =195 А.

,87 А ≤ 195 А условие выполняется

5.5 Технико-экономическое сравнение вариантов внутреннего электроснабжения

.5.1 Расчет суммарных приведенных затрат Варианта I

Расчет капиталовложений

Принимаем, что капиталовложения в подстанции не меняются с выбором схемы, меняется только количество и цена трансформаторов, поэтому в качестве оценки капиталовложений рассматриваем только стоимость трансформаторов.

Капиталовложения в подстанции, тыс.руб.:

, (42)

где  - количество трансформаторов в ТП;

 - стоимость i-ого трансформатора, тыс.руб. [3, табл. Б.3].

Таким образом, капиталовложения в строительство цеховых подстанций первого варианта:

тыс.руб.

Капиталовложения в строительство кабельных линий:

, (43)

где  - цена кабеля за 1 км, тыс. руб.;

 - количество кабелей, шт.;

- длина, км.

Пример расчета для линии ТП3-ТП2:

тыс.руб.

Расчет капиталовложений в остальные КЛ сводим в таблицу 5.13.

Капитальные затраты на кабельные линии по варианту будут составлять:

419,95 тыс.руб.

Таким образом, суммарные капиталовложения варианта I будут составлять:

11377+419,95=11796,95 тыс.руб. (44)

Расчет ежегодных издержек

Издержки на обслуживание и амортизационные отчисления на капитальный ремонт по формулам (26), (27):

 (0,004+0,004) ∙ 419,95 = 3,36 тыс. руб./год;

 (0,029+0,02) ∙ 11377 = 557,47 тыс. руб./год.

Суммарные издержки на обслуживание и амортизационные отчисления на капитальный ремонт элементов схемы электроснабжения:

= 3,36+557,47= 560,83 тыс. руб./год.

Амортизационные отчисления на реновацию ВЛ по формулам (28), (29):

 0,02 ∙ 419,95 = 8,4 тыс. руб./год;

= 0,035 ∙ 11377 = 398,19 тыс. руб./год.

Всего амортизационные отчисления на реновацию для схемы электроснабжения:

= 8,4+398,19 = 406,59 тыс. руб./год.

Ежегодные издержки на компенсацию годовых потерь электроэнергии в элементах схем

Потери в линиях электропередачи определяем по выражению исходя из закона Джоуля-Ленца по формуле (30):

0,014 кВт∙ч/год.

Тогда потери энергии в линиях:

, (45)

где  - время максимальных потерь, равно:

ч. (46)

кВт∙ч/год.

Потери электроэнергии в трансформаторах определяем по формуле:

=28,35∙8760+82,41∙3746,79=

=557128,25 кВт∙ч/год, (47)

Всего потери энергии в схемах электроснабжения:

667362,4 кВт∙ч/год;

Всего суммарные издержки на компенсацию потерь электроэнергии по формуле (32):

 тыс. руб./год;

Суммарные приведенные затраты на строительство ЛЭП и ПС по формуле (33):

0,125∙11796,95+560,83+406,59+1194,58=3636,62 тыс. руб./год.

.5.2 Расчет суммарных приведенных затрат Варианта II

Расчет капиталовложений

Капиталовложения в строительство цеховых подстанций второго варианта:

=10445 тыс.руб.

Расчет капиталовложений в строительство КЛ сводим в таблицу 5.15.

Капитальные затраты на кабельные линии по варианту будут составлять:

366,41 тыс.руб.

Таким образом, суммарные капиталовложения варианта II будут составлять:

10445+366,41=10811,41 тыс.руб.

Расчет ежегодных издержек

Издержки на обслуживание и амортизационные отчисления на капитальный ремонт:

 (0,004+0,004) ∙ 366,41 = 2,93 тыс. руб./год;

 (0,029+0,02) ∙ 10445 =511,81 тыс. руб./год,

Суммарные издержки на обслуживание и амортизационные отчисления на капитальный ремонт элементов схемы электроснабжения:

= 2,93+511,81=514,74 тыс. руб./год.

Амортизационные отчисления на реновацию ВЛ:

 0,02 ∙ 366,41 = 7,33 тыс. руб./год;

= 0,035 ∙ 10445 = 365,57 тыс. руб./год,

Всего амортизационные отчисления на реновацию для схемы электроснабжения:

= 7,33+365,57 = 372,9 тыс. руб./год.

Ежегодные издержки на компенсацию годовых потерь электроэнергии в элементах схем

кВт∙ч/год.

Всего потери энергии в схемах электроснабжения:

674939,22 кВт∙ч/год.

Всего суммарные издержки на компенсацию потерь электроэнергии:

 тыс. руб./год;

Суммарные приведенные затраты на строительство ЛЭП и ПС:

0,125∙10811,41+514,74+372,9+1208,14=3447,21 тыс. руб./год.

=5,21%.

Из проведенного технико-экономического сравнения определяем, что наиболее оптимальным и экономичным вариантом является вариант II, так как суммарные капиталовложения и ежегодные затраты меньше, чем у варианта I.

.6 Проверка выбранных кабелей по потере напряжения

Выбранные кабели 10 кВ необходимо проверить по допустимой потере напряжения:

,

где  - допустимая потеря напряжения для кабеля данного сечения, зависящая от процентного соотношения потерь в элементах сети, а также от оснащенности источников питания средствами регулирования напряжения, принимается равным 6,5-7% в сетях напряжением 6-10 кВ [3, стр. 103];

- потери напряжения в линии, рассчитываются по формуле:

, (48)

где ,  - соответственно активная и реактивная мощности, протекающие по данной линии, кВт, квар;

,  - соответственно удельное активное и реактивное сопротивления поверяемой линии, Ом/м [3, табл.Б.16].

Проверим кабель линии ТП3-ТП2. Марка кабеля АПвВГнг-3х70, =0,42 Ом/км; =0,086 Ом/км; =0,005 км.

1337,7 кВт; =425,08 квар.

Тогда потеря напряжения равна:

%

,003% ≤ 6,5%

Все выбранные кабели проходят по условию допустимой потери напряжения.

.7 Уточнение установки КУ на шины ГПП 10 кВ

Полная расчетная мощность, приведенная к шинам ГПП с учетом потерь в линиях 10кВ и установкой КУ:

,

=1440,53+4701,03+7,27+3,96=17271,99 кВт;

где  - суммарная активная нагрузка на ТР;

 - суммарная активная нагрузка на напряжении 10 кВ;

 - суммарные активные потери в трансформаторах;

 - суммарные активные потери в кабельных линиях.

=10926,78+3804,32+871,87-6850=8752,97 квар;

.

Мощность КУ на шинах ГПП:

квар;

Принимаем 2хКРМ-10,5-900-150УЗ.

Тогда:

=18618,95 кВА.

кВА.

Принимаем 2хТР с Sн=16000 кВА;

.

Выбираем трансформаторы марки ТДНС-16000/36,75.

6. Расчет токов короткого замыкания

Расчеты токов КЗ выполняются для выбора электрических аппаратов по коммутационной способности, проверки их на термическую и электродинамическую стойкость; выбора уставок релейной защиты и автоматики, выбора и проверки устройств заземления, грозозащиты и т.д.

.1 Расчет токов короткого замыкания выше 1 кВ

Расчетная схема представлена на рисунке 6.1.

Схему замещения составляем для разомкнутого секционного выключателя.

Рисунок 6.1 - Расчетная схема с нанесением точек КЗ

Расчет токов короткого замыкания для высоковольтной схемы производим в относительных единицах. Для этого, задаемся основными базисными величинами:

- базисная мощность:  МВА;

основное базисное напряжение: кВ (на 5% больше основного).

Для расчета параметров сразу в базисных величинах, рассчитаем базисные напряжения каждой ступени.

кВ; (49)

базисные токи для каждой ступени напряжения:

кА; (50)

кА. (51)

Определим параметры схемы замещения и активные сопротивления в о.е..

Эквивалентное индуктивное сопротивление системы:

о.е. [и.д.];

о.е

ЭДС системы:

о.е. (52)

Воздушная линия

о.е.; (53)

о.е., (54)

где =0,444 Ом/км, =0,444 Ом/км - удельное реактивное и активное сопротивление ВЛ [6, табл.3.8].

Трансформатор ГПП

Сопротивление трансформатора определяется его напряжением короткого замыкания uk,%:

о.е. (55)

о.е. (56)

Кабельные линии

Линия ГПП-ТП1:

о.е. (57)

о.е. (58)

 

Асинхронный двигатель

Сверхпереходное сопротивление АД:

Ом; (59)

где  - кратность пускового тока двигателя;

 - номинальный коэффициент мощности двигателя;

 - номинальный КПД двигателя [8].

Тогда в относительных единицах:

о.е. (60)

Для асинхронного и синхронного двигателя значение , тогда активное сопротивление:

6,42 о.е.. (61)

Сверхпереходная фазная ЭДС асинхронного двигателя:

кВ, (62)

где кВ - фазное напряжение асинхронного двигателя;

кА - номинальный ток асинхронного двигателя.

Тогда линейная ЭДС асинхронного двигателя в о.е.:

о.е.

Рассчитаем ток короткого замыкания в точке К-1.

Преобразуем схему замещения относительно точки К-1. Для упрощения расчетов опустим знак «*», так как расчет ведется в относительных единицах.

На ток короткого замыкания будет влиять только ЭДС системы и асинхронного двигателя, поэтому схема замещения будет выглядеть так, как показано на рисунке 6.2

.

Рисунок 6.2 - Схема замещения для точки К-1

электроснабжение трансформатор ток замыкание

Преобразуем схему в эквивалентную результирующую.

о.е.;

о.е.

Рисунок 6.3 - Эквивалентная результирующая схема замещения для точки К-1

Начальное значение периодической составляющей тока к.з. для точки короткого замыкания:

 . (63)

== 6,76 кА.

Поскольку точка короткого замыкания делит заданную схему на радиальные независимые друг от друга ветви, то ударный ток КЗ определяется суммой ударных токов отдельных ветвей:

, (64)

где Тai - постоянная времени затухания апериодической составляющей тока кз; она определяется по формуле

, (65)

где Xэк(R=0) и Rэк(X=0) кз - соответственно индуктивная и активная составляющие результирующего эквивалентного сопротивления расчетной схемы относительно точки кз;

wс - синхронная угловая частота напряжения сети.

Постоянные времени затухания апериодической составляющей тока к.з. для каждой ветви:

с;

с.

=13,02 кА.

Рассчитаем ток короткого замыкания в точке К-2.

Преобразуем схему замещения относительно точки К-2. Схема замещения будет выглядеть так, как показано на рисунке 6.4.

Рисунок 6.4 - Схема замещения для точки К-2

Преобразуем схему в эквивалентную результирующую.

о.е.;

о.е.

Рисунок 6.5 - Эквивалентная результирующая схема замещения для точки К-2

Начальное значение периодической составляющей тока к.з. для точки К-2:

== 7,39 кА.

Постоянные времени затухания апериодической составляющей тока к.з. для каждой ветви:

с;

с.

=12,93 кА.

В точке К-3 ток КЗ будет равен току КЗ в точке К-2, т.к. они имеют одинаковую подпитку.

6.2 Расчет токов короткого замыкания ниже 1 кВ

Расчет токов короткого замыкания для сети ниже 1000 В производится в именованных единицах. При этом учитываются активные составляющие сопротивлений элементов.

Рассчитаем ток короткого замыкания в точке К-4. Построим расчетную схему для точки К-4:

Рисунок 6.6 - Расчетная схема для точки К-4

Начальное действующее значение периодической составляющей трехфазного тока кз:

, (66)

где  - среднее номинальное напряжение сети, в которой произошло короткое замыкание, В;

,  - соответственно суммарное активное и суммарное индуктивное сопротивление цепи кз. Эти сопротивления равны:

 ; (67)

, (68)

где  - эквивалентное сопротивление системы до понижающего трансформатора, приведенное к ступени низшего напряжения;

,  - активное и индуктивное сопротивления кабельной линии;

,  - активное и индуктивное сопротивления трансформатора;

,  - активное и индуктивное сопротивления токовых катушек автоматических выключателей;

,  - активное и индуктивное сопротивления первичных обмоток трансформаторов тока;

,  - активное и индуктивное сопротивления шин.

Определим данные параметры.

) Эквивалентное сопротивление системы до понижающего трансформатора, приведенное к ступени низшего напряжения:

, (69)

где Iоткл.выкл - номинальный ток отключения выключателя, при токе нагрузки Iр.н=121,3 А, номинальный ток выключателя Iном=630 А, у которого Iоткл.выкл=12,5 кА;ср.НН - среднее номинальное напряжение сети, подключенной к обмотке низшего напряжения трансформатора, В;ср.ВН - среднее номинальное напряжение сети, подключенной к обмотке высшего напряжения трансформатора, В.

мОм.

) Активное и индуктивное сопротивления кабельной линии, приведенные к ступени низшего напряжения:

мОм; (70)

мОм,

где  - коэффициент трансформации трансформатора, каскадно включенного между основной ступенью напряжения сети и приводимым элементом.

3) Активное и индуктивное сопротивления трансформатора, приведенные к ступени низшего напряжения:

мОм; (71)

мОм. (72)

) Активное и индуктивное сопротивления токовых катушек автоматических выключателей:

мОм; =0,17 мОм по [3, табл. Б.64] при Iном=400 А для Iп.ав=242,6 А.

) Активное и индуктивное сопротивления первичных обмоток трансформаторов тока:

 мОм;  мОм по [3, табл. Б.57] при kтр=300/5 А для Iп.ав=242,6 А.

) Активное и индуктивное сопротивления шин:

 мОм;

 мОм,

где ,  - удельные активное и индуктивное сопротивления шинопровода ШРА73 с Iном=250 А при Iп.ав=242,6 А, мОм/м [9, табл.3];

 - длина шины, м.

Тогда суммарное активное и суммарное индуктивное сопротивления цепи кз равны:

мОм;

мОм.

Начальное действующее значение периодической составляющей трехфазного тока кз:

 кА.

Сила ударного тока КЗ:

 кА.

где =1,3 [3, стр.131].

Определяем ток однофазного короткого замыкания:

, (73)

где  - полное сопротивление петли «фаза-ноль»;

 - полное сопротивление трансформатора току замыкания на корпус.


где ,  - удельные активное и индуктивное сопротивления фазного провода;

,  - удельные активное и индуктивное сопротивления нулевого провода.

Эти сопротивления равны соответственно:

==0,24 Ом/км; ==0,06 Ом/км.

мОм;

мОм; (75)

кА.

.3 Проверка выбранных кабелей на термическую стойкость

Определяем тепловой импульс тока короткого замыкания, считая, что приведенное время на стороне 10 кВ - релейной защиты с выдержкой времени 0,05 с; полное время отключения выключателя 0,025 с [3, табл. Б.67]; постоянная времени затухания апериодической составляющей тока короткого замыкания с [3, стр.103].

Приведенное время составит:

с. (76)

Проверку кабельных линий 10 осуществляем по току КЗ в точке К-2.

Тепловой импульс тока короткого замыкания для линий 10 кВ:

А2∙с. (77)

Минимальное сечение по термической стойкости для линий 10 кВ:

мм2, (78)

где СТ - температурный коэффициент, А∙с1/2/мм2 [3, табл. 5.4].

Все выбранные ранее кабельные линии удовлетворяют условию термической стойкости.

7. Выбор оборудования

.1 Выбор высоковольтных выключателей на ГПП

Ток в линии трансформатора:

в нормальном режиме

А;

в послеаварийном режиме

А.

Принимаем к установке элегазовые выключатели ВГУ-110 [12, стр.47, табл.10]. Параметры выбранных выключателей приведены в таблице 7.1. Проверка выключателя приведена в таблице 7.2.

Тепловой импульс тока КЗ:

кА2∙с.

7.2 Выбор разъединителей на ГПП

По расчетным токам продолжительных режимов на РУСН выбираем разъединитель РН СЭЩ - 110/1250 [13].

7.3 Выбор выключателей, установленных в линейных ячейках КРУ 10 кВ

В качестве распределительного устройства на ГПП 10 кВ используем комплектное распределительное устройство КРУ-СЭЩ-70 производства ОАО «Самарский завод «Электрощит» г. Самара [13]. КРУ-СЭЩ-70 предназначено для приёма и распределения трёхфазного электрического тока промышленной частоты на напряжении 6(10) кВ.

КРУ набирается из ячеек, каждая из которых выполняет свою функцию, например: ячейка отходящего фидера, ячейка трансформатора напряжения.

В качестве основных коммутационных аппаратов на вводе применяются вакуумные выключатели с электромагнитным приводом ВВУ-СЭЩ-Э(П)-10 производства ОАО «Самарский завод «Электрощит» [13]. В названии: В-выключатель; В- вакуумный; У- унифицированный; 6-номинальное напряжение, кВ; УХЛ3-климатическое исполнение и категория размещения.

Расчетный ток в послеаварийном режиме будет равен:

А.

Принимаем к установке выключатели ВВУ-СЭЩ-Э(П)-10/1600. Значение тока Iпо принимаем в точке К2. Выключатель ВВУ-СЭЩ-Э-10 проходит по всем условиям.

Для отходящих линий выбираем выключатели ВВУ-СЭЩ-Э(П)-10/1000, установленные в выкатных ячейках.

В ячейках также установлены трансформаторы тока типа ТОЛ-СЭЩ-10 с номинальным током первичной обмотки, соответствующим расчётному току линии; трансформаторы напряжения 3НОЛ-СЭЩ-10-1, защищённые предохранителями ПКТ-101-10 [3, табл. Б.70] и ограничителями перенапряжения ОПН-КС -10 [3, табл. Б.77]. Всё оборудование климатического исполнения УХЛ3.

Класс точности трансформатора напряжения = 0,2; 0,5; 1,0; 3,0.

Вторичная нагрузка трансформатора напряжения =50,150,300,600 ВА.

.4 Выбор оборудования КТП

В качестве цеховых трансформаторных подстанций выбираем комплектные трансформаторные подстанции производства «Самарский завод «Электрощит» г. Самара.

ТП1 - 2КТПП-1000/10/0,4-У3 - тупиковая двухтрансформаторная подстанция;

ТП2 - 2КТПП-1000/10/0,4-У3 - тупиковая двухтрансформаторная подстанция;

ТП3 - 2КТПП-1000/10/0,4-У3 - тупиковая двухтрансформаторная подстанция;

ТП4 - 1КТПП-630/10/0,4-У3 - тупиковая однотрансформаторная подстанция;

ТП5 - 2КТПП-630/10/0,4-У3 - тупиковая двухтрансформаторная подстанции;

ТП6 - 2КТПП-1600/10/0,4-У3 - тупиковая двухтрансформаторная подстанция;

ТП7 - 2КТПП-1600/10/0,4-У3 - тупиковая двухтрансформаторная подстанция;

ТП8 - 1КТПП-630/10/0,4-У3 - тупиковая однотрансформаторная подстанция;

ТП9 - 2КТПП-1600/10/0,4-У3 - тупиковая двухтрансформаторная подстанция;

ТП10 - 2КТПП-1600/10/0,4-У3 - тупиковая двухтрансформаторная подстанция;

ТП11 - 1КТПП-630/10/0,4-У3 - тупиковая однотрансформаторная подстанция.

В качестве силового трансформатора возьмем выбранные ранее трансформаторы марки ТМГ.

В ячейках КТПП установлены трансформаторы тока типа ТШЛ-СЭЩ-0,66, выключатель нагрузки ВНА-СЭЩ-10.

На стороне НН установлены вводные и секционный автоматические воздушные выключатели ВА-СЭЩ-TD производства «Самарский завод «Электрощит» г. Самара [13].

В качестве примера рассмотрим выбор оборудования для КТПП-9, цеха 10 (как цех с максимальной нагрузкой). Нагрузка ТП9 равна Sр =1935,52 кВА. Протекающий ток утяжеленного режима на стороне НН ток будет равен Iп.ав=2793,68 А Выбираем вводной автоматический выключатель ВА-СЭЩ-В с номинальным током 3200 А с микропроцессорным расцепителем типа S. кА2∙с.

8. Расчет заземления и молниезащиты

.1 Расчет заземляющего устройства

Основной защитной мерой от поражения электрическим током являются устройства защитного заземления.

Защитное заземление - преднамеренное соединение с землёй металлических частей электроустановки, которые случайно могут оказаться под напряжением при повреждении изоляции сети или электроприёмников.

Защитное заземление устанавливается в электроустановках до 1 кВ с изолированной нейтралью в обязательном порядке, в электроустановках выше 1 кВ - как с изолированной, так и с глухозаземленной нейтралью. Соединение с землей осуществляется посредством металлических электродов или групп электродов, соединенных параллельно. Они называются заземлителями.

Назначение защитного заземления заключается в создании между металлическим корпусом электроустановки и землёй электрического соединения достаточно малого сопротивления, тогда большая часть тока протекает через это сопротивление.

Длина электрически связанных кабельных линий 10 кВ:

+ =

=0,156+0,196+0,166+0,16+2∙0,128+4∙0,139,4=1,492 км.

Сопротивление заземляющего устройства нейтрали трансформатора на стороне 0,4 кВ согласно ПУЭ [10] должно быть не более 4 Ом.

Сопротивление заземляющего устройства нейтрали трансформатора на стороне 10 кВ равно:

 ≥ 10 Ом, (79)

где  - напряжение относительно земли, принимаем =125 В, т.к. заземляющее устройство устанавливается для электроустановки как до, так и выше 1 кВ (ТП 10/0,4 кВ),

 - ток, который протекает в месте замыкания фазы на землю в электроустановках с изолированной нейтралью, А, он равен:

, (80)

где  - междуфазное напряжение установки, для которой ведется расчет, кВ;

,  - длина электрически связанных кабельных и воздушных линий, км.

Т.к. используются только кабельные линии, то расчетный ток замыкания на землю рассчитывается по формуле:

А. (81)

Тогда сопротивление заземляющего устройства:

Ом.

Т.к. ТП является электроустановкой различных напряжений, то в качестве расчетной величины сопротивления берется наименьшее из имеющихся, т.е. =4 Ом.

Определим удельное расчетное сопротивление грунта:

Ом∙м=180∙102 Ом∙см, (82)

где  - коэффициент сезонности, учитывает засыхание, замерзание и т.д.,  =1,8 при применении стержневых электродов для климатической зоны России - 2 [3, табл. 8.1].

 - измеренное удельное сопротивление грунта, принимаем =100 Ом∙м для суглинка [3, табл. 8.2].

В качестве заземлителей используем прутковые с диаметром d=12 мм и длиной l=5 м. Тогда сопротивление одиночного заземлителя равно:

Ом. (83)

Предварительно заземлители размещаются на расстоянии а=3м друг от друга. Определяем число вертикальных заземлителей:

шт ≈ 16шт. (84)

Расположение заземлителей принимаем по контуру. Периметр подстанции равен 32800 мм [14, стр. 77].

.2 Расчет молниезащиты

Наиболее опасным проявлением молнии с точки зрения поражения зданий и сооружений является прямой удар (ПУМ).

Подстанции небольших размеров, как правило, защищаются стержневыми молниеотводами одинаковой выбранной высоты (не более 40-50 м). Конструкция молниеотвода представлена на рисунке 15.

От прямых ударов молнии ОРУ-110 кВ защищаются стержневыми молниеотводами, которые устанавливаются на порталах.

Для защиты ГПП принимаем два стержневых молниеотвода высотой h=50 м.

По степени надёжности защиты различают два типа зон:

А - степень надёжности защиты > 99,5%

Б - степень надёжности защиты 95 - 99,5%.

Для одиночного стержневого молниеотвода определяются параметры молниезащиты для зон.

Зона А:

Высота вершины конуса стержневого молниеотвода , м:

м. (85)

Определяем радиусы защиты на уровне земли:

м. (86)

Определяем радиусы защиты на высоте защищаемого сооружения:

 м, (87)

где м - высота защищаемого объекта (ГПП) [14, стр.216].

Определяем высоту стержневого молниеприёмника:

м. (88)

Определяем активную высоту молниеотвода:

м. (89)

Зона Б:

Высота вершины конуса стержневого молниеотвода , м:

м. (90)

Определяем радиусы защиты на уровне земли:

м. (91)

Определяем радиусы защиты на высоте защищаемого сооружения:

 м, (92)

Определяем высоту стержневого молниеприёмника:

м.

Определяем активную высоту молниеотвода:

м.

Для защиты электроустановок от внутренних и грозовых перенапряжений применяем ограничители перенапряжения нелинейные (ОПН).

Заключение

В ходе курсового проекта было рассмотрено электроснабжение тракторного. Основными требования были надежность, экономичность и экологичность. Начальным этапом проектирование было определение расчетных нагрузок, выбор места расположения ГПП и проектирование внешнего электроснабжения. Выбор производился по двум вариантам 110 и 35 кВ. Из проведенного технико-экономического сравнения наиболее оптимальным и экономичным является использование линии с напряжением 35 кВ, потому что она требует затрат на 8,13 % меньше, чем линия с напряжением 110 кВ, но внешнее электроснабжения осуществляем на напряжении 110 кВ, т.к. предусматривается расширение завода.

Во втором этапе задача состояла в проектирование внутреннего электроснабжения завода. Было рассмотрено два варианта схемы проектирования внутреннего электроснабжения. По результатам расчета наиболее экономичным является вариант 2. Разница в затратах 2х вариантов составила 5,21%.

После выбора внутреннего электроснабжения, третьим этапом выполнялся расчет токов КЗ и проверка линий по термической стойкости. Все выбранные ранее кабельные линии 10 кВ удовлетворяют условию термической стойкости.

В четвертом этапе производился выбор основного оборудования: выключателей, разъединителей, трансформаторов тока и напряжения и т.д..

Пятым этапом проектирования стал расчет заземляющего устройства и стержневых молниеотводов на ГПП.

Список литературы

1.      Справочник по электроснабжению промышленный предприятий.В 2-х кн. / под общ. ред. А.А.Федорова и Г.В. Сербиновского. - Кн.2. Технические сведения об оборудовании.- М.: Энергия, 1974. - 528 с.

.        Справочная книга для проектирования электрического освещения/ под ред. Г.М. Кнорринга. Л.: Энергия, 1976. -384 с.

3.         Наумов И.В., Лещинская Т.Б., Бондаренко С.И. Проектирование систем электроснабжения: учебное пособие. - 2-е изд., / Под общей редакцией И.В.Наумова. - Иркутск: ИрГСХА, 2011. - 327 С.

4.      Степанов В.С. Методические указания для выполнения экономической части дипломного проекта по специальности 140211 «Электроснабжение» / В.С. Степанов. - Иркутск: Изд-во ИрГТУ, 2011. - 49с.

.        Справочник по проектированию электрических сетей / под ред. Д. Л. Файбисовича. - 4-е изд., перераб. и доп. - М.: ЭНАС, 2012. - 376 с.

6.      ГОСТ 28249-93 Короткие замыкания в электроустановках. Методы расчета в электроустановках переменного тока напряжением до 1 кВ.

7.      Правила устройства электроустановок (ПУЭ), изд. 7, 2001 - 2004.

.        Акишина А.Г., Старостина Э.Б. Электрооборудование станций и подстанций/ Акишина А.Г., Старостина Э.Б. - Иркутск, ИрГТУ- 2007 г.