2. Построение и расчёт сечения стержня магнитопровода
Рисунок 2. Ступенчатое сечение стержня магнитопровода
Геометрическое сечение стержня, равное площади многоступенчатой фигуры:
ст.геом.=2•∑ВКtК=0,116619 м2
Активное сечение стержня:
ст=kзап• Fст.геом.=0,96•0,116619=0,11195424 м2
Коэффициент заполнения площади круга:
KЗАП=
=
=0,8913
Таблица 2. Расчет геометрического сечения стержня
|
№ |
Ширина ВК,м |
Толщина tК,м |
Площадь,м2 |
№ |
Ширина ВК,м |
Толщина tК,м |
Площадь,м2 |
|
1 |
0,385 |
0,0510 |
0,0196350 |
8 |
0,250 |
0,0080 |
0,0020000 |
|
2 |
0,368 |
0,0240 |
0,0088320 |
9 |
0,230 |
0,0080 |
0,0018400 |
|
3 |
0,350 |
0,0185 |
0,0064750 |
10 |
0,215 |
0,0055 |
0,0011825 |
|
4 |
0,325 |
0,0200 |
0,0065000 |
11 |
0,195 |
0,0050 |
0,0009750 |
|
5 |
0,310 |
0,0100 |
0,0031000 |
12 |
0,175 |
0,0055 |
0,0009625 |
|
6 |
0,295 |
0,0090 |
0,0026550 |
|
|
|
|
|
7 |
0,270 |
0,0130 |
0,0035100 |
|
|
|
|
Рационально спроектированное сечение стержня обеспечивает Кзап.КР не
меньший, чем при выборе оптимального варианта Кзап.КР. ³ 0,885
3. Расчёт напряжения одного витка, количества витков, напряжений и токов
на всех ответвлениях обмотки РО
Предварительное значение напряжения одного витка:
В0=4,44•f•Вст0•Fст=4,44•50•1,6•0,11195424=39,766 В
Количество витков в обмотке НН:
WНН=
=
Уточненное значение напряжения одного витка:
В=
=39,873 В
Уточненное значение индукции в стержне:
СТ=
=1,604 Тл
Количество витков обмотки ВН на основном ответвлении:
ВН_НОМ=
=1665,
где
UВН_Ф_НОМ=
=66395,281 В
Количество витков в одной ступени регулирования:
СТУП=
=30ступ_ВН_Ф=
=1181,836
В
Количество витков на любой ступени регулирования:
ВН_N_СТУП=WВН_НОМ
± NСТУП•WСТУП
Фактическое значение напряжения на любой ступени регулирования:
*ВН_Ф_Nступ=UВ•WВН_Nступ
Расчетное значение напряжения на любой ступени регулирования:
ВН_Ф_Nступ=UВН_Ф_НОМ
± Nступ•Uступ_ВН_Ф
Отклонение
расчетного и фактического значений напряжений на любой ступени регулирования:
U=UВН_Ф_Nступ
- U*ВН_Ф_Nступ В
Относительное
отклонение расчетных и фактических значений напряжений на любой ступени
регулирования должно обеспечить нормируемый стандартом допуск на коэффициент
трансформации:
≤
0,05
Таблица 3. Расчет числа витков и значений отклонений
№
UВН_Ф_Nступ 4.9
WВН_N_СТУП
4.7
IВН_Ф_Nступ 4.13
U*ВН_Ф_Nступ 4.8
-9
55758,8
1395
65,8
55618,65
140,15
2,5·10-3
-8
56940,6
1425
64,4
56814,75
125,85
2,2·10-3
-7
58122,4
1455
63,1
58010,85
111,55
1,9·10-3
-6
59304,3
1485
61,8
59206,95
97,35
1,6·10-3
-5
60486,1
1515
60,6
60403,05
83,05
1,4·10-3
-4
61667,9
1545
59,5
61599,15
68,75 -3
62849,8
1575
58,3
62795,25
54,55
9·10-4
-2
64031,6
1605
57,3
63991,35
40,25
6·10-4
-1
65213,4
1635
56,2
65187,45
25,95
4·10-4
0
66395,3
1665
55,2
66383,55
11,75
2·10-4
+1
67577,1
1695
54,2
67579,55
-2,55
-4·10-4
+2
68758,9
1725
53,3
68775,75
-16,85
-2·10-4
+3
69940,8
1755
52,4
69971,85
-31,05
-4·10-4
+4
71122,6
1785
51,5
71167,95
-45,35
-6·10-4
+5
72304,5
1815
50,7
72364,05
-60,55
-8·10-4
+6
73486,3
1845
49,9
72560,15
-73,85
-10·10-4
+7
74668,1
1875
49,1
74756,25
-88,15
-12·10-4
+8
75850,0
1905
48,3
75952,35
-102,35
-13·10-4
+9
77031,8
1935
47,6
77148,45
-116,65
-15·10-4
Относительное отклонение рассчетного и фактического значений напряжений
на любой ступени регулирования должно обеспечить нормируемый стандартом допуск
на коэффициент трансформации
Номинальный фазный ток обмотки ВН:
IВН_Ф_НОМ= Фазный
ток обмотки ВН на любой ступени регулирования:
ВН_Ф_Nступ= фазный
ток обмотки НН:
НН_Ф_НОМ= 4.
Выбор типа и расчёт параметров обмоток трансформатора
.1
Выбор типа и параметров обмотки НН
Проверка возможности выбора однозаходной винтовой обмотки:
hПР= где
mв - число параллельных ветвей обмотки (для трансформаторов с расщепленными
обмотками mв = 1
КАН.МИН.НН=3•10-3м
КУС- коэффициент усадки обмоток при сушке kус = 0,1;
tB.НН=0,5•10-3м
hПР.МИН
меньше,чем hПР Количество катушек
Высота
провода
где
hкан min - высота минимального радиального канала.
Ширина
провода
где
mВ=1 - число параллельных ветвей для трансформаторов с расщепленными
обмотками.пр=2,65·10-3 м.
Сечение
провода
где
kЗАП.ПР=0,985 - коэффициент заполнения провода, учитывающий уменьшение сечения
провода за счет округления его углов
Число
параллельных проводов
Сечение
витка
Уточненная
плотность тока
j= Высота
катушки
КАТ=hпр+tВ=8•10-3+0,5•10-3=8,5•10-3
м
В=0,5•10-3
м толщина изоляции провода на две стороны для обмотки НН
Уточненная
ширина катушки
КАТ=1,03• =0,0706м
Высота
канала
.2
Выбор типа и параметров обмотки ВН
Проверка возможности выбора однозаходной винтовой обмотки:
hПР= где
mв - число параллельных ветвей обмотки (для трансформаторов с расщепленными
обмотками mв = 1
КАН.МИН.ВН=5•10-3м
КУС- коэффициент усадки обмоток при сушке kус = 0,1;
.ВН=1,35•10-3м
hПР.МИН≥hПР Количество прокладок
nпрок=
где
Высота
провода
ПР=15•10-3
м
Количество
параллельных проводов
ПАР=1•mВ=1
где
mВ=1 - число параллельных ветвей для трансформаторов с расщепленными обмотками
Предварительное сечение витка
Fобм.о.= Ширина
провода
ПР= где
kЗАП.ПР=0,985 - коэффициент заполнения провода, учитывающий уменьшение сечения
провода за счет округления его углов
Сечение
провода
ПР=kЗАП•hПР•bПР=0,985•0,015•0,0028=4,137•10-5
м2
Сечение
витка
ОБМ=nПАР•FПР=4,137•10-5
м2
Уточненная
плотность тока
= Индукция
осевого поля рассеивания
BОС= Высота
катушки
КАТ=hР+tВ=15•10-3+1,35•10-3=0,01635
м
В=1,35•10-3
м толщина изоляции провода на две стороны для обмотки НН
Добавочные
потери от осевого поля рассеивания
ДОБ.ОС.%=54,8• Число
катушек
КАТ= где
hКАН.MIN=5•10-3 м - высота минимального радиального канала для НН
КУС=0,1
- коэффициент усадки обмоток при сушке
Число
витков в катушке
КАТ= Уточненная
ширина катушки
КАТ=1,03• 4.3
Проверка уровня отклонения расчетного значения UКЗР% от заданного (UКЗ=10,5%)
Средний диаметр между обмотками ВН и НН
ДН-В=(1+2×КСТ.О) ×ДСТ +2× (bО_Н+bН)+bН-В=(1+2·0,015) ·0,40 +2·
(0,018+0,0706)+0,05=0,6392 м
Средний диаметр обмотки НН
ДН.СР=ДН-В-bН-bН-В=0,6392-0,0706-0,05= 0,5186 м
Средний диаметр обмотки ВН
ДВ.СР.=ДН-В+bВ+bН-В=0,6392+0,0855+0,05=0,775 м
Приведенный диаметр бака
ДБ
= Реактивная
составляющая напряжения
КЗ.Р.= ГОСТ
разрешает отклонение до ±10%.
4.4
Расчет параметров регулировочной обмотки
В качестве регулировочной обмотки была выбрана слоевая многовинтовая
обмотка без осевых каналов с числом заходов mзах = nступ.РО = 10, числом
параллельных проводов и числом слоёв nсл = 2
Высота обмотки
Высота провода
В.РО
= 1 - число параллельных ветвей обмотки РО; Принимаем
hПР = 7,5×10-3 м.
Сечение обмотки (предварительно)
Ширина провода
пар = 2
Отношение
высоты провода к его ширине
Сечение
провода
Сечение
обмотки
Плотность
тока в регулировочной обмотке
Толщина
слоя обмотки
Толщина
обмотки.
Рисунок 3. Разрез обмоток в окне магнитопровода трансформатора с
нерачщепленной обмоткой
5. Расчёт потерь короткого замыкания и напряжения короткого замыкания
.1 Расчет сопротивления обмоток НН и ВН постоянному току и масс
обмоточного провода.
Активное сопротивление обмотки при расчетной температуре
где
LПАР - разомкнутая длина одного провода на номинальном ответвлении:
Н.ПАР=p×ДН.СР.×Wобм=3,14•0,5186•158=257,3
мВ.ПАР=p×ДВ.СР.×Wобм=3,14•0,775•1665=4051,8
мОБМ.НН= Масса
обмоточного провода катушек обмоток НН и ВН, через которые проходит ток при
работе на номинальном ответвлении
прНН=
mф×Lпар×Fобм×gпр =3•257,3•4,46•10-4•2,7•103=929,88 кгПРВН= mф×Lпар×Fобм×gпр =3•4051,8•4,137•10-5•2,7•103=1357,75 кг
5.2
Расчет основных потерь в обмотках НН и ВН
Основные
потери в функции тока и сопротивления в обмотках НН и ВН
ОСННН=
mф × I2ф.ном. × Rобм =3•(582)2•0,021=21340 ВтОСНВН= mф × I2ф.ном. × Rобм=3•(55,2)2•3,575=32680 Вт
Росн
= РоснНН
= РоснВН
= Основные
потери в обмотках НН и ВН в функции плотности тока и массы провода
∑РОСН=
Росн.НН + Росн.ВН=32660+21410 =54070 Вт
∑РОСН=
Росн.НН + Росн.ВН=32680+21340=54020 Вт
Таблица
4. Результаты расчета основных потерь в обмотках НН и ВН
Параметр
Обмотка
ВН
НН
LПАР, м
4051
257,3
RОБМ, Ом
3,575
0,021
GПР, кг
1357,75
929,88
PОСН=f(I,R), Вт
32680
21340
PОСН=f(j,GПР), Вт
32660
21410
5.3 Расчет составляющих добавочных потерь в обмотках НН и ВН
Индукция осевого поля рассеивания
Вос
= ВОСНН=
ВОСВН=
Удельные
потери от осевой составляющей поля рассеивания в обмотках НН и ВН
рв.ос.=
РВ.
ОСНН= РВ.ОСВН= Полные
потери от осевой составляющей поля рассеивания в обмотках НН и ВН
Рв.ос.
= рв.ос.×Gпр
РВ.ОС.НН=0,61•929,88=567,2
Вт
РВ.ОС.ВН=0,86•1357,75=1167,67
Вт
Радиальные
составляющая поля рассеивания
Врад
1-2 = ВРАД1=0,4•ВОСНН=0,4•0,0887=
0,03548 Тл
ВРАД2-3=0,1•ВОСНН=0,1•0,0887=0,00887
Тл
ВРАД2-3=ВРАД2=0,0103
Тл
Удельные
потери от радиальной составляющей поля рассеивания в обмотках НН и ВН. Расчет
производится для участков 1-2 и 2-3
рВ.РАД.
= РВ.РАД.1-2ВН=
РВ.РАД.2-3ВН=
РВ.РАД.1-2НН=
РВ.РАД.2-3НН=
Полные
потери на участках 1-2 и 2-3 от радиальной составляющей поля рассеивания в
обмотках НН и ВН
Рв.рад.1-2
= рв.рад.1-2 ×Gпр.1-2 Вт ,
Рв.рад.2-3 = рв.рад.2-3 ×Gпр.2-3 Вт ,
GПР1-2НН=0,05•GПРНН=0,05•929,88=46,494
кгПР3-2НН=0,45•GПРНН=0,45•929,88=418,446
кгПР1-2ВН=0,05•GПРВН=0,05•1357,75=67,875 кгПР2-3ВН=0,45•GПРВН=0,45•1357,75=610,9875
кг
РВ.РАД.1-2НН=1,446•46,494=68,160 Вт
РВ.РАД.2-3НН=0,06997•418,446=29,279 Вт
РВ.РАД.1-2ВН=5,153•67,875=349,824 Вт
РВ.РАД2-3ВН=0,24598•610,9875=150,291 Вт
Рисунок 4. Распределение индукции радиального поля вдоль высоты обмотки
Потери от радиальной составляющей поля рассеивания в обмотках НН и ВН
Рв.рад = 2×(Рв.рад.1-2 + Рв.рад.2-3)
РВ.РАД.НН.=2•(68,160 +29,279)=194,878 Вт
РВ.РАД.ВН=2•(349,824 +150,291)= 1000,23 Вт
Таблица 5. Результаты расчетов добавочных потерь от вихревых токов,
вызванных осевой и радиальной составляющих поля рассеяния
Параметры
Ед.изм.
Обмотка
НН
ВН
ВОС
Тл
0,0887
0,0887
РВ.ОС.
РВ.ОС.
Вт
567,2
1167,67
ВРАД
1
Тл
0,03548
0,03548
2
0,00887
0,00887
1-2
0,0406
0,0406
2-3
0,00887
0,00887
РВ.РАЗ
1-2
2-3
0,06997
0,24598
YПР
1-2
кг
46,494
67,8875
2-3
418,446
610,9875
РВ.РАД
1-2
Вт
68,160
349,824
2-3
29,279
150,291
РВ.ОБ
Вт
194,878
1000,23 Межосевое расстояние
мо = Дн-в+ вн-в+2× (вв+ вв-р+ вро)+ вм-ф=0,6392+0,05+2•(0,0855+0,05+0,0353)+0,04=1,0708 м
Наружный диаметр обмоток
где
Ширина
бака
где
ВОБМ-Б=0,365 м - усредненное расстояние от наружной обмотки до стенки бака.
Длина
бака
Периметр
бака
Средний радиус бака
Добавочные
потери в металлоконструкциях
где к = 2,20 при Uкз.р= 11,5% ;
Общие потери короткого замыкания
РКЗ.=32680+21340+194,878+1000,23+567,2+1167,67+14281,81=71232Вт
Отклонение потерь короткого замыкания от заданных
Допускается
отклонение до + 5%.
6.
Расчёт напряжения короткого замыкания
Реактивная
составляющая напряжения короткого замыкания Uкз.р.КЗ.Р=10,29%
Активная
составляющая напряжения к.з.
Полное
напряжение к.з.
В
результате расчета напряжения короткого замыкания видно, что расчетное значение
меньше заданного не более, чем на ±10%.
7.
Расчёт потерь и тока холостого хода
Расчет массы магнитопровода
Масса стержней магнитопровода
где
Кзап = 0,96 - коэффициент электротехнической стали с жаростойким покрытием;
gст = 7,65.103 кг/м3
- плотность электротехнической стали;
СТЕРЖ=7,65•103•0,6599·0,96=5048,2 кг
Масса углов магнитопровода
где
УГЛ=0,96•7,65•103•0,2687=2055,6 кг
Масса ярм магнитопровода
Кус.яр
= 1,02 - коэффициент усиления ярма.
ЯРМ=0,96•7,65•103•0,09=2363,85 кг
Полная масса магнитопровода
Потери холостого хода
где
Pстерж, Рярм, Ругл - удельные потери Рхх, соответствующие индукциям Вст=1,6 Тл,
Кр.отв., Кр.тех., Кр.прес., Кр.ф.яр., Кр.шихт.яр. - коэффициенты
увеличения потерь на соответствующих участках магнитопровода вследствие
конструкции и технологии изготовления магнитопровода.
РХХ=(1,014•1•1•5048,2+0,965•1•1•2363,85+0,991•1•1•1,523•2055,6+
+472•8•0,1583)•1,02·1·1,05=11888,28 Вт
Намагничивающая мощность, потребляемая трансформатором при холостом ходе
где qстерж, qярм, qугл - удельная намагничивающая мощность,
соответствующих индукций;стык - удельная намагничивающая мощность в стыках
магнитопровода;
Кq.отв, Кq.техн, Кq.прес, Кq.ф.яр, Кq.шихт.яр - коэффициенты увеличения
мощности на соответствующих участках магнитопровода вследствие конструкции и
технологии изготовления магнитопровода.
ХХ=(1,42•1•1•5048,2+1,33•1•1•2363,85+1,33•1•1•2,95·2055,6·8·0,15383·105)•1,02·1·1,02=38334
Вт
Реактивная составляющая тока холостого хода
Активная
составляющая холостого хода
Полный ток холостого хода
8.
Тепловой расчёт трансформатора
Расчет превышения температуры катушки над маслом
Удельная тепловая нагрузка теплоотдающей поверхности катушки может быть
рассчитана по формуле
где
здесь bпрок.НН = 0,04 м, bпрок.ВН = 0,05 м, nпрокл.НН = nпрокл.ВН;
Расчет превышения температуры катушки над маслом
f1нн=0,147·[1+(5·bкатНН-0,18)]=0,172нн=2,75·(tвНН-0,55·10-3)]=-1,375·10-4вн=0,147·[1+(5·bкатВН-0,18)]=0,183вн=2,75·(tвВН-0,55·10-3)]=2,2·10-3кат=0,7
Расчет превышения температуры масла над воздухом
Превышения температуры масла над воздухом исходя из норм нагрева масла
где Ктц - коэффициент, учитывающий взаимное расположение тепловых центров
трансформатора;
Превышения
температуры масла над воздухом исходя из норм нагрева обмоток
Расчет
количества радиаторов для системы охлаждения типа М и Д
Расчетные потери трансформатора
Удельная
тепловая нагрузка поверхности бака
Тепловой
поток отводимый поверхностью бака
Тепловой
поток отводимый радиатором
Удельная
тепловая нагрузка радиатора
где Кохл = 0,42 для системы охлаждения М .
Необходимое число радиаторов
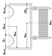
Рисунок
5. Для расчета высоты бака
9.
Расчёт динамической стойкости трансформатора при коротком замыкании
Кратности
амплитуды ударного тока к.з. по отношению к номиналу
Ккз.уст= Ударный
ток к.з., проходящий через каждый виток в катушки обмоток НН и ВН
Расчет
механических напряжений в обмотках от радиальных сил.
Средний
радиус обмоток НН и ВН
Средняя
алгебраическая величина индукции осевого поля рассеяния при к.з. действующей по
ширине катушки
Напряжение
растяжения или сжатия в проводнике катушки
Расчет
механических напряжений в обмотках от осевых сил
Длина расчетного пролета
Средняя
алгебраическая величина индукции радиального поля рассеяния при к.з.,
действующего по высоте обмотки
Напряжение изгиба в каждом проводнике катушки определяется из
рассмотрения пролета между прокладками катушки как балки с защемленными
концами.
Проверка
механической прочности обмоток
Суммарные
напряжения в проводнике от радиальных и осевых сил не должны превышать
допустимого напряжения
где
[G]=49000000 Критическая
радиальная нагрузка Рк для круговой балки, действующая на единицу длины балки
Епр=0,648×1011 Iпр - момент инерции сечения проводника обмотки
Критическое напряжение в проводнике Gк, соответствующее критической
радиальной нагрузке Рк
10.
Компоновка активной части трансформатора в баке
Наносим концентры обмоток трансформатора на расстоянии LМО диаметром
ДРО.нар и их оси, полки верхних ярмовых балок, элементы раскрепления активной части
в баке. В плане активной части отводы обмотки ВН будем располагать вниз от
концентров обмоток, отводы обмотки НН - вверх.
От обмотки РО откладываем изоляционное расстояние S1 = 170 мм до
линейного отвода ВН, диаметр изолированного отвода обмотки ВН d1 = 25 мм. Через
центр изолированного отвода проводим линию 1-1, которая будет местом установки
вводов ВН. Изоляционные расстояния и диаметры отводов здесь и далее берутся из
табл. 11.2 [1].
Откладываем изоляционное расстояние S2 = 190 мм от изолированного отвода
ВН до изолированного отвода РО другой фазы и диаметр изолированного отвода РО
d2 = 20 мм.
Откладываем изоляционное расстояние S3 = 100 мм от изолированного отвода
РО до стенки бака с учётом размещения элементов крепления отводов РО на
планках.
Вверх от обмотки РО откладываем изоляционное расстояние S4 = 90 мм до
изолированного отвода обмотки НН. Через центр отвода НН диаметром d3 = 20 мм
проводим линию 2-2, которая будет местом установки вводов НН.
Откладываем изоляционное расстояние S5 = 50 мм от отвода обмотки НН до
отвода обмотки НН другой фазы, т.к. обмотка НН соединена в треугольник и концы
фаз будут перекрещиваться.
Откладываем изоляционное расстояние S6 = 100 мм от отвода НН другой фазы
до стенки бака с учётом размещения элементов крепления отводов на деревянных
планках.
Определяем ширину бака
Разделив эту величину пополам, находим ось бака.
Для размещения переключающего устройства РПН от обмоток крайней фазы
откладываем изоляционное расстояние S7 = 240 мм и прибавляем к нему размер 223
мм, равный радиусу окружности расположения контактов переключателя. Таким
образом, получим точку лежащую на оси 3-3 переключающего устройства. Отложив от
оси 3-3 размер (S7+223) мм, получим точку, расположенную на стенке бака,
которая закругляется по радиусу, равному ВБ /2= 0,81 мм. Центр оси цилиндра
контактов РПН располагается с таким условием, чтобы верхний фланец
переключающего устройства разместился на крышке бака.
Линейные вводы ВН (А, В, С) устанавливаются на линии 1-1. В целях
экономии металла бака одну из его боковых стенок, расположенную справа делаем
прямой с радиусом скругления с передней и задней стенок не менее 350 мм. Этот
радиус выбирается из условия практического выполнения. Правая боковая стенка
бака располагается от торца ярмовых балок на расстоянии 60 мм. Эта стенка
делается прямой с радиусами скруглений 350 мм. Длину бака определяем по чертежу
LБ = 4048 мм.
Рисунок 6.Основные размеры опорного фланца переключающего устройства РПН
На расстоянии изоляционного промежутка S8 = 140 мм от правой стенки бака
по линии 1-1 размещаем первый ввод ВН. При этом должно быть проверено изоляционное
расстояние S9 (S9 > S8).
U 4.10
4.11
=
=55,2 А
=
=
=582 А
ПР.МИН=4,75•10-3 м
м,
Выбираем однозаходную винтовую обмотку
= 1304932
ПР.МИН=4,75•10-3 м
м,
Выбирается равномерная непрерывная обмотка

=16
= 2 - кратность количества катушек в одной
параллельной ветви непрерывной обмоткиПОЛЯ=0,12 - расстояние между соседними
прокладками, рассчитываемое по окружности среднего диаметра обмоток
= 4,2•10-5 м2
=
=2,8•10-3
м
=5,36
5,36
=1,334•106
=0,089 Тл
=3,59%
=84
0,0855 м
=0,06625 м2
= 10,29 %
м
В.СЛ =
2,95 10-3 м - толщина изоляции провода на две стороны.
МС =
0,015м
0,021 ОмОБМ.ВН=
3,575 Ом
;
=
21410 Вт
=
=32660 Вт
Росн.НН
+ Росн.ВН
Тл
Тл
;
Тл
Вт/кг
0,610,86
1,4665,153
=0,9105+0,05+2•0,0353=1,0311
м
=0,775+0,0855+0,05=0,9105 м - средний диаметр между
обмотками ВН и РО
=1,0311+2•0,365=1,7611
м
=2•1,0708+1,0311+2•0,365=3,9027
м
=4•(1,078+1,7611)=
11,3276 м
=
м
Вт
Вб -
поток одного стержня
=
%.=
%
=3•1,965•0,11195424=0,6599
м3 - объем стержней.
=6•0,4•0,11195424=0,2687 м3- объем угла.
м3
СТ=GСТЕРЖ+GУГЛ+GЯРМ=9467,605
кг
Тл;
Тл;
%
%
- коэффициент закрытия части поверхности катушки
изоляционными прокладками, создающими канал между катушками.
![]()
0С
0С
0С
0С
- кратность установившегося тока к.з.;
-
ударный коэффициент учитывающий увеличение тока к.з. из-за наличия
апериодической составляющей.
![]()
м
м
=1,873•9,699•
Тл
= ![]()
=
=
м
=
м
=1,873•9,699•0,17•0,0887=0,268Тл
=![]()
=![]()
![]()
- допустимые напряжения для алюминиевого провода
=
- модуль
упругости проводника:
=
=
