Материал: Проектирование релейной защиты и автоматики элементов систем электроснабжения

Внимание! Если размещение файла нарушает Ваши авторские права, то обязательно сообщите нам

Проектирование релейной защиты и автоматики элементов систем электроснабжения















Курсовая работа

по дисциплине: «Релейная защита и автоматика в системах электроснабжения»

на тему: «Проектирование релейной защиты и автоматики  элементов систем электроснабжения»

Введение

Повреждения нарушают работу энергосистемы и потребителей электроэнергии, а ненормальные режимы создают возможность возникновения повреждений или расстройства работы энергосистемы.

Для обеспечения нормальной работы энергетической системы и потребителей электроэнергии необходимо возможно быстрее выявлять и отделять место повреждения от неповрежденной сети, восстанавливая нормальные условия работы энергосистемы и потребителей.

Возникает необходимость в создании и применении автоматических устройств, защищающих систему и ее элементы от опасных последствий повреждений и ненормальных режимов.

Рис.1 Схема электроснабжения

Релейная защита является основным видом электрической автоматики, без которой невозможна нормальная и надежная работа современных энергетических систем.

В данной курсовой работе рассчитываются виды и значения параметров автоматических защит для различных элементов заданной расчетной схемы.

Исходные данные к курсовой работе.

Параметры схемы:

1. Мощность ТЭЦ:  МВА;

. Мощность КЗ системы в точке К-1  МВА;

. Напряжение ТЭЦ:  кВ;

. Вторичные напряжения цеховых подстанций:  кВ;

. Высоковольтные асинхронные и синхронные двигатели  кВт

. Асинхронные двигатели 0,4 кВ:  кВт,  кВт;

. Ток и реактивное сопротивление реактора РБА-10 кВ  A; X=0,25 Ом

. Длина кабельной линии КЛ1 (ТЭЦ-ГРП1)3ААБ-10(3*240):  км;

. Длина кабельной линии КЛ2 (ГРП1-ГРП2)2ААБ-10(3*185):  км;

. Мощность конденсаторной батареи ККУ-10:  квар.

. Мощность трансформатора ДСП электродуговой печи:  кВА;

. Мощность комплектного преобразовательного пункта КПП-10:  кВА

Перечень элементов схемы, требующих расчета РЗиА:

1.      Цеховые трансформаторы (токовая отсечка, МТЗ, защита от замыканий на землю, газовая защита, температурная сигнализация);

2.      Трансформатор электродуговой печи (токовая отсечка, токовая защита от перегрузки на сигнал или разгрузку, защита от замыканий на землю, газовая защита, температурная сигнализация);

.        Высоковольтные синхронные, асинхронные двигатели (токовая отсечка, токовая защита от перегрузки на сигнал или разгрузку, защита от понижения напряжения, защита от замыканий на землю, защита от асинхронного хода (только для СД));

.        Низковольтные асинхронные двигатели (токовая защита от перегрузки на сигнал или разгрузку, защита предохранителями);

.        Кабельные линии КЛ1, КЛ2 (токовая отсечка, МТЗ, защита от замыканий на землю).

ток трансформатор двигатель

1. Расчет токов короткого замыкания в точках К1, К2, К3, К4

Находим токи короткого замыкания в точках К2, К3, К4. Для нахождения токов в системе относительных единиц, примем базовыми следующие величины:

·        Базовая мощность  МВА;

·        Базовое высшее напряжение  кВ;

·        Базовое низшее напряжение  кВ.

Составляем схему замещения прямой последовательности:

Рис.2 Схема замещения прямой последовательности.

Находим относительное сопротивление ТЭЦ:

 о.е.

Находим относительные сопротивления кабельных линий:

 о.е.;

 о.е.

Находим относительные сопротивления высоковольтных синхронных двигателей:

 кВА;

 о.е.

Находим относительные сопротивления высоковольтных асинхронных двигателей:

 кВА;

 о.е.

Находим относительные сопротивления цеховых трансформаторов:

 о.е.

Находим относительные сопротивления низковольтных асинхронных двигателей:

 кВА;

 о.е.;

 кВА;

 о.е.

Находим относительные сопротивления реакторов:

 о.е.

Находим относительное сопротивление конденсаторной установки:

 о.е.

Находим относительное сопротивление электродуговой печи сопротивления:

 о.е.

Находим относительное сопротивление комплектного преобразовательного пункта:

 о.е.

Находим токи короткого замыкания в точке К1.

 о.е.;

 кА;

 кА.

Объединяем параллельные и последовательные ветви схемы замещения:

Рис.3. Первое преобразование схемы замещения.

 о.е.;

 о.е.

 о.е.;

 о.е.;

 о.е.

 о.е.;

 о.е.;

 о.е.;

Объединяем последовательные и параллельные ветви схемы:

Рис. 4. Второе преобразование схемы замещения.

 о.е.;

 о.е.;

 о.е.;

 о.е.

Объединим ветви схемы на рис. 1.12.2.:

Рис.5. Третье преобразование схемы замещения.

 о.е.;

 о.е.

 о.е.;

 о.е.

Объединяем ветви:

Рис. 6. Четвертое преобразование схемы замещения

 о.е.;

 о.е.

Объединяем оставшиеся ветви:

Рис. 7. Последнее преобразование схемы замещения

 о.е.;

 о.е.

Находим токи короткого замыкания в точке К2:

 о.е.;

 кА;

 кА.

Находим токи короткого замыкания в точке К3.

Составляем схему, используя данные предыдущего расчета

Рис. 8. Схема для расчета токов короткого замыкания в точке К3.

Объединяем параллельные и последовательные ветви:

Рис. 9. Первое преобразование схемы для расчета.

 о.е.;

 о.е.

 о.е.;

 о.е.

Объединяем параллельные и последовательные ветви:

Рис. 10. Второе преобразование схемы для расчета

 о.е.;

 о.е.

Объединяем параллельные и последовательные ветви:

Рис. 11. Третье преобразование схемы для расчета

 о.е.;

 о.е.

Объединяем параллельные ветви:

Рис.12. Последнее преобразование схемы замещения

 о.е.;

 о.е.

Находим токи короткого замыкания в точке К3:

 о.е.;

 кА;

 кА.

Находим токи короткого замыкания в точке К4.

Объединяем параллельные и последовательные ветви:

 о.е.;

 о.е.

 о.е.;

 о.е.

  о.е.

 о.е.;

 о.е.;

 о.е.;

Рис. 13. Схема для расчета токов короткого замыкания в точке К4

 о.е.;

 о.е.

 о.е.;

 о.е.

Рис. 14. Первое преобразование схемы для расчета.

Объединяем параллельные и последовательные ветви:

 о.е.;

 о.е.

Рис. 15. Второе преобразование схемы для расчета.

Объединяем параллельные и последовательные ветви:

Рис. 16. Третье преобразование схемы для расчета.

 о.е.;

 о.е.

Объединяем параллельные ветви:

Рис. 17. Четвертое преобразование схемы для расчета.

 о.е.;

 о.е.

Объединяем оставшиеся ветви:

Рис. 18. Последнее преобразование схемы для расчета.

 о.е.;

 о.е.

Находим токи короткого замыкания в точке К4:

 о.е.;

 кА;

 кА.

Таблица токов КЗ в точках К1-К4


К1

К2

К3

К4

Ток трехфазного КЗ, кА

37,29

2,75

2,75

15,012

Ток двухфазного КЗ, кА

32,443

2,3925

2,3925

13,06


. Расчет релейной защиты и автоматики

Рассчитываем защиту цеховых трансформаторов.

Производим расчет токовой отсечки.

Приводим ток короткого замыкания в точке К4 к стороне высокого напряжения цехового трансформатора:

 кА.

Находим ток срабатывания защиты, основанной на реле РТ-40/10 с коэффициентом отстройки :

 кА.

По току срабатывания защиты выбираем трансформатор тока типа ТПОЛ-10-У3 с током первичной обмотки  А и током вторичной . Находим его коэффициент трансформации:

.

Определяем ток срабатывания реле РТ-40/10 при соединении трансформаторов тока по схеме треугольник ():

 А.

Проверяем токовую отсечку на чувствительность:

.

По коэффициенту чувствительности делаем вывод, что токовая отсечка имеет необходимую чувствительность.

Находим номинальный ток трансформатора на стороне высшего напряжения:

 А.

Находим ток срабатывания защиты, основанной на реле РТ-40/10, приняв коэффициент отстройки , коэффициент самозапуска  и коэффициент возврата реле :

 А.

По току срабатывания защиты выбираем трансформатор тока типа ТОЛ-10-У2 с током первичной обмотки  А и током вторичной . Находим его коэффициент трансформации:

.

Определяем ток срабатывания реле при соединении трансформаторов тока по схеме звезда ():

 А.

В защите применяем реле времени типа ЭВ-112 с выдержкой времени:

 с.

где  - выдержка времени МТЗ;

 - время действия селективного автомата на стороне 0,4 кВ;

 - ступень выдержки времени.

Проверяем МТЗ на чувствительность:

.

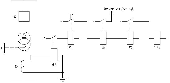
Проводим выбор оборудования для защиты от замыканий на землю.

Для защиты от замыканий на землю используем трансформатор тока нулевой последовательности Т3У3.

Приняв однофазный ток короткого замыкания на землю около 10 А, выбираем реле тока РТ-40/20 с номинальным током 18 А. Делаем на нем уставку 10 А.

В защите от замыканий на землю используем реле времени ЭВ-112 с выдержкой времени:

 с.

Производим выбор оборудования для газовой защиты.

В защите используем газовое реле типа РГЧ3-66.

Производим выбор оборудования для температурной сигнализации.

В защите используем температурный сигнализатор ТСМ-100, установив при температуре масла 60є С включение охлаждающего вентилятора, а при 90є - включение аварийной сигнализации.

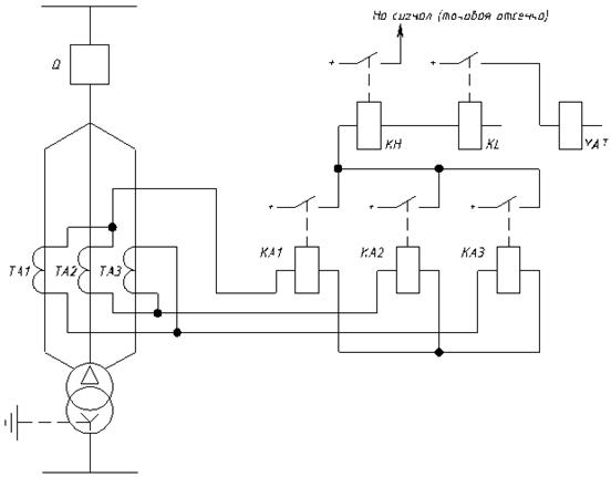
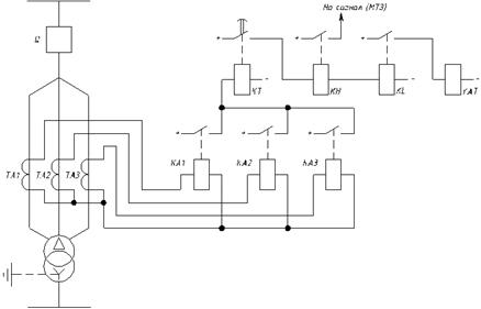
Чертим принципиальные схемы защит трансформатора.

Рис.19 Токовая отсечка

Рис.20 Защита от замыканий на землю

Рис.21 Максимальная токовая защита:

Рис.22 Газовая защита:

Рис.23 Температурная сигнализация:

Рассчитываем защиту трансформатора электродуговой печи (ТЭДП).

Рассчитываем токовую отсечку.

Находим номинальный ток трансформатора на высокой стороне:

 А.

Определяем ток срабатывания защиты, исходя из условия отстройки от броска тока намагничивания, приняв коэффициент отстройки :

 А.

Для защиты выбираем трансформатор тока, типа ТОЛ-10-У2 с током первичной обмотки  А и током вторичной . Находим его коэффициент трансформации:

.

Определяем ток срабатывания реле РТ-40/10, при соединении трансформаторов тока по схеме звезда:

 А.

Рассчитываем токовую защиту от перегрузки.

Находим ток срабатывания защиты, основанной на реле типа РТ-40 при соединении трансформаторов тока по схеме звезда, приняв коэффициент отстройки  и коэффициент возврата реле :

 А.

По току срабатывания защиты выбираем трансформатор тока типа ТПЛ-10-У3 с током первичной обмотки  А и током вторичной  А. Находим его коэффициент трансформации:

.

Находим ток срабатывания реле РТ-40/10:

 А.

В защите применяем реле времени типа ЭВ-112 с выдержкой времени  с

Защита от замыканий на землю, газовая защита и температурная сигнализация выполнены аналогично с защитами цеховых трансформаторов, с применением того же оборудования и тех же уставок.

Принципиальные схемы защит идентичны схемам защит цеховых трансформаторов. Защита от перегрузки аналогична МТЗ.

Рассчитываем защиту кабельных линий.

Рассчитываем токовую отсечку.

Находим ток срабатывания защит, основанных на реле РТ-40/10 с коэффициентом отстройки :

Для кабельной линии КЛ1:

 кА;

Для кабельной линии КЛ2:

 кА.

Так как токи срабатывания защит равны, то для защит выбираем 2 трансформатора тока типа ТШЛ-10 с током первичной обмотки  А и током вторичной . Находим его коэффициент трансформации:

.

Определяем ток срабатывания реле РТ-40/10 при соединении трансформаторов тока по схеме треугольник ():

Для кабельной линии КЛ1:

 А;

Для кабельной линии КЛ2:

 А.

Проверяем токовую отсечку на чувствительность:


;

Для кабельной линии КЛ2:

.

По значениям коэффициентов чувствительности делаем вывод, что защиты удовлетворяют минимальным требованиям.

Рассчитываем максимальную токовую защиту.

Находим ток срабатывания защит, исходя из максимально допустимых токов кабельных линий ( А,  А). Защиты основаны на реле типа РТ-40, с коэффициентом отстройки , коэффициентом самозапуска  и коэффициентом возврата реле :

Для кабельной линии КЛ1:

 А;

Для кабельной линии КЛ2:

 А.

Для обеих кабельных линий выбираем трансформаторы тока типа ТШЛ-10 с током первичной обмотки  А и током вторичной . Находим его коэффициент трансформации:

.

Находим токи срабатывания реле РТ-40/10, соединенных по схеме звезда:

Для кабельной линии КЛ1:

 А;

Для кабельной линии КЛ2:

 А.

В защите применяем реле времени ЭВ-142 с выдержкой:

Для кабельной линии КЛ2:

 с,

Для кабельной линии КЛ2:

 с.

где  - время выдержки токовой защиты от перегрузки высоковольтных двигателей

Проверяем МТЗ на чувствительность:

Для кабельной линии КЛ1:

;

Для кабельной линии КЛ2:

.

Вывод: МТЗ кабельных линий имеют необходимую чувствительность.

Защита от замыканий на землю выполнена так же, как в защите цеховых трансформаторов. Выдержка времени:

 с,

где  - выдержка времени срабатывания защиты от замыканий на землю высоковольтных двигателей.

Принципиальные схемы защит идентичны схемам защит цеховых трансформаторов. При срабатывании защиты на кабельной линии КЛ1 защита выключает выключатели Q1, Q3 или Q2, Q4 (см. схему электроснабжения), в зависимости от того, какая из 2-х линий повреждена. При действии защиты на кабельной линии КЛ2 отключаются выключатели Q3 и Q5 или Q4 и Q6.

Производим расчет защит высоковольтных электродвигателей. Так как двигатели имеют одинаковые паспортные данные, то параметры защит для всех них одинаковы.

Рассчитываем токовую отсечку.

Находим пусковой ток двигателей:

 А.

Находим ток срабатывания защиты, основанной на реле РТ-40/10, с коэффициентом отстройки :

 А.

Для защиты выбираем трансформатор тока, типа ТПОЛ-10 с

током первичной обмотки  А и током вторичной  А. Находим его коэффициент трансформации:

.

Определяем ток срабатывания реле РТ40/10, при соединении трансформаторов тока по схеме звезда:

 А.

Рассчитываем защиту от перегрузки.

Находим ток срабатывания защиты, основанной на реле типа РТ-40 при соединении трансформаторов тока по схеме звезда, приняв коэффициент отстройки  и коэффициент возврата реле :

 А.

Выбираем трансформатор тока типа ТПЛ-10-У3 с током первичной обмотки  А и током вторичной  А. Находим его коэффициент трансформации:

.

Находим ток срабатывания реле РТ-40/10:

 А.

В защите применяем реле времени ЭВ-142. Выбрав легкий пуск двигателей (около 10 с.) делаем выдержку времени  с.

Рассчитываем токовую защиту от замыканий на землю.

В защите применяем трансформатор тока нулевой последовательности аналогичный используемому в защите цеховых трансформаторов.

Применяем реле времени ЭВ-112 с выдержкой времени  с.

Рассчитываем защиту от понижения напряжения.

Находим напряжение срабатывания первой и второй ступеней защиты:

 кВ;

 кВ.

В защите применяем трансформатор напряжения НТМИ-10 с коэффициентом трансформации:

.

Находим напряжение срабатывания реле РН-54/160 первой и второй ступеней защиты:

 В;

 В.

В защите применяем реле времени ЭВ-142 с выдержками времени:

 с;

 с.

Рассчитываем защиту от асинхронного хода синхронных двигателей.

Находим ток срабатывания защиты:

 А.


.

Находим ток срабатывания реле РТ-40/10:

 А.

Для защиты используем реле времени ЭВ-122 с выдержкой:

 с.

Чертим принципиальные схемы защит.

Рис. 24 Защита от понижения напряжения

Рис.25 Защита от асинхронного хода:

Схемы токовой отсечки, токовой защиты от перегрузки и защиты от замыканий на землю аналогичны рассматриваемым ранее.

Рассчитываем защиту низковольтных асинхронных двигателей:

Рассчитываем параметры предохранителя для защиты двигателя М2.

Находим ток плавкой вставки по коэффициенту отстройки:

 А.

Находим ток плавкой вставки по коэффициенту перегрузки, приняв легкий пуск двигателя ():

 А.

По наибольшему току выбираем предохранитель ПН2 с номинальным током 630 А и током плавкой вставки 630 А.

Рассчитываем параметры автоматического выключателя для защиты двигателя М2.

Находим ток срабатывания теплового расцепителя:

 А.

Находим ток срабатывания электромагнитного расцепителя:

 А.

По данным пунктов 6.2.1. и 6.2.2. выбираем из справочника автоматический выключатель А3710Б с номинальным током 2000 А, током теплового расцепителя 250 А и током электромагнитного расцепителя 1800 А.

Рассчитываем параметры автоматического выключателя для защиты двигателя М1.

Находим ток срабатывания теплового расцепителя:

 А.

Находим ток срабатывания электромагнитного расцепителя:

 А.

По данным пунктов 6.3.1. и 6.3.2. выбираем из справочника автоматический выключатель АП50Б-3МТ с номинальным током 200 А, током теплового расцепителя 50 А и током электромагнитного расцепителя 140 А.

Строим карту селективности для защит двигателя М2:

Рис. 26 Карта селективности

По карте селективности видно, что защитная характеристика автоматического выключателя 1 не пересекается с ампер-секундной характеристикой плавкой вставки предохранителя 2. Из этого следует, что при ненормальном режиме работы двигателя сработает только одна из защит, а не обе сразу.

. Устройство автоматического повторного включения

Значительная часть коротких замыканий (КЗ) на воздушный линиях электропередачи (ВЛ), вызванных перекрытием изоляции, схлестыванием проводов и другими причинами, при достаточно быстром отключении повреждений релейной защитой самоустраняется. При этом электрическая дуга, возникшая в месте КЗ, гаснет, не успевая вызвать существенных разрушений, препятствующих обратному включению линии под напряжение. Такие самоустраняющиеся повреждения принято называть неустойчивыми. Статистические данные о повреждаемости ВЛ за многолетний период эксплуатации показывают, что доля неустойчивых повреждений весьма высока и составляет 50-90%.

Поскольку отыскание места повреждения на линии электропередачи путем ее обхода требует длительного времени, а многие повреждения имеют неустойчивый характер, обычно при ликвидации аварийного нарушения режима оперативный персонал производит опробование ВЛ обратным включением под напряжение. Эту операцию называют повторным включением. Линия, на которой произошло неустойчивое повреждение, при повторном включении остается в работе. Поэтому повторные включения при неустойчивых повреждениях принято называть успешными.

Реже на ВЛ возникают такие повреждения, как обрывы проводов, тросов или гирлянд изоляторов, падение или поломка опор и т. д. Такие повреждения не могут самоустраниться, поэтому их называют устойчивыми. При повторном включении ВЛ, на которой произошло устойчивое повреждение, вновь возникает КЗ, и она вновь отключается защитой. Поэтому повторные включения линий при устойчивых повреждениях называются неуспешными.

Для ускорения повторного включения линий и уменьшения времени перерыва электроснабжения потребителей широко используются специальные устройства автоматического повторного включения (АПВ). Время действия АПВ обычно составляет от 0,5 до нескольких секунд.

Устройствами АПВ оснащаются также все одиночно работающие трансформаторы мощностью 1000 кВА и более и трансформаторы меньшей мощности, питающие ответственную нагрузку. Устройства АПВ на трансформаторах выполняются так, чтобы их действие происходило при отключении трансформатора максимальной токовой защитой. Повторное включение при повреждении самого трансформатора, когда он отключается защитами от внутренних повреждений, как правило, не производится. Успешность действия устройств АПВ трансформаторов и шин так же высока, как и устройств АПВ ВЛ, и составляет 70-90%.

В ряде случаев АПВ используется на кабельных и смешанных кабельно-воздушных тупиковых линиях 6- 10 кВ. При этом несмотря на то что повреждения кабелей бывают, как правило, устойчивыми, успешность АПВ составляет 40-60%. Это объясняется тем, что АПВ восстанавливает питание потребителей при неустойчивых повреждениях на шинах подстанций, при отключении линий вследствие перегрузки, при ложных и неселективных действиях релейной защиты. Применение АПВ позволяет в ряде случаев упростить схемы релейной защиты и ускорить отключение КЗ в сетях, что также является положительным качеством этого вида автоматики.

В эксплуатации получили применение следующие виды устройств АПВ: трехфазные, осуществляющие повторное включение трех фаз выключателя после их отключения релейной защитой; однофазные, осуществляющие включение одной фазы выключателя, отключенной релейной защитой при однофазном КЗ; комбинированные, осуществляющие включение трех фаз (при междуфазных повреждениях) или одной фазы (при однофазных КЗ).

По числу циклов (кратности действия) различают АПВ однократного действия и АПВ многократного действия.

Устройства АПВ, выполненные с помощью специальных релейных схем, называют электрическими, а встроенные в грузовые или пружинные приводы, - механическими.

Схемы АПВ в зависимости от конкретных условий могут существенно отличаться одна от другой. Однако все они должны удовлетворять следующим основным требованиям.

. Схемы АПВ должны приходить в действие при аварийном отключении выключателя (или выключателей), находившегося в работе. В некоторых случаях схемы АПВ должны удовлетворять дополнительным требованиям, при выполнении которых разрешается пуск АПВ: например при наличии или, наоборот, при отсутствии напряжения, при наличии синхронизма, после восстановления частоты и т. д.

. Схемы АПВ не должны приходить в действие при оперативном отключении выключателя персоналом, а также в тех случаях, когда выключатель отключается релейной защитой сразу после его включения персоналом (т.е. при включении выключателя на КЗ), поскольку повреждения в этом случае обычно бывают устойчивыми. В схемах АПВ должна также предусматриваться возможность запрета действия АПВ при срабатывании отдельных защит. Так, например, как правило, не допускается действие АПВ трансформаторов при внутренних повреждениях в них, когда срабатывает газовая или дифференциальная защита. В отдельных случаях не допускается действие АПВ линий при срабатывании дифференциальной защиты шин.

. Схемы АПВ должны обеспечивать определенное количество повторных включений, т. е. действие с заданной кратностью. Наибольшее распространение получило АПВ однократного действия. Применяются также АПВ двукратного, а в некоторых случаях и трехкратного действия.

. Время действия, как правило, должно быть минимально возможным, для того чтобы обеспечить быструю подачу напряжения потребителям и восстановление нормального режима работы. Наименьшая выдержка времени, с которой производится АПВ на линиях с односторонним питанием, принимается 0,3-0,5 с. Вместе с тем в некоторых случаях, когда наиболее вероятны повреждения, вызванные набросами и касаниями проводов передвижными механизмами, целесообразно для повышения успешности АПВ принимать выдержки времени порядка нескольких секунд.

. Схемы АПВ должны обеспечивать автоматический возврат в исходное положение готовности к новому действию после включения в работу выключателя, на который действует АПВ.

При наличии на подстанции не одной, а нескольких питающих линий целесообразно осуществлять АПВ нескольких или всех линий, отключившихся при срабатывании защиты шин. Это следует делать для большей автоматизации восстановления нормальной схемы подстанции и для обеспечения питания потребителей, когда одна питающая линия не может обеспечить всей нагрузки подстанции. С этой целью при срабатывании зашиты шин запускаются АПВ всех питающих линий. В случае успешного АПВ первой линии поочередно включаются выключатели других линий. Если первая линия включится на устойчивое КЗ, снова сработает зашита шин, при этом блокируется действие АПВ других линий и их выключатели не включаются, благодаря чему обеспечивается однократность АПВ шин.Для выключателей с электромагнитными приводами промышленностью выпускается комплектное устройство РПВ-58.

Принципиальная схема однократного АПВ для линии оснащенным пружинным приводом, приведена на рис. 27. В комплектное устройство РПВ-58 входят: реле времени КТ1 типа ЭВ-133 с добавочным резистором R1 для обеспечения термической стойкости реле; промежуточное реле KL1 с двумя обмотками, параллельной и последовательной; конденсатор С, обеспечивающий однократность действия АПВ; зарядный резистор R2и разрядный резистор R3.В пружинных приводах энергия, необходимая для операции включения, запасается в предварительно натянутых пружинах. Натяжение пружин производится вручную или посредством автоматического электродвигательного редуктора.

Типовая схема электрического АПВ однократного действия для присоединений, оборудованных выключателем с пружинным приводом, приведена на рис.27.

Рис. 27. Схема однократного АПВ для выключателей с пружинным приводом (положение контактов схемы соответствует включенному положению выключателя)

В положении готовности привода (пружины заведены) контакт готовности привода SQY замкнут. При включении выключателя замкнется специальный вспомогательный контакт привода SQA, который размыкается только при оперативном отключении выключателя ключом управления SA или контактом телеуправления (на рис.27 не показан). При отключении выключателя релейной защитой замыкаются вспомогательные контакты выключателя SQC и SQK. При этом создается цепь несоответствия положения привода и выключателя, необходимая для пуска АПВ: шинка ~а - оставшийся замкнутым контакт SQA - обмотка реле времени КТ- замкнувшийся контакт SQK- шинка ~b. Реле времени КТ срабатывает, и через заданное время замыкается временно замыкающий контакт КТ.1 в цепи электромагнита включения YAC. К этому моменту в цепи электромагнита включения YAC все вспомогательные контакты: SQA, SQY, SQC - замкнуты, электромагнит включения YAC срабатывает и освобождает механизм зацепления, удерживающий пружины привода в заведенном состоянии.В сетях 6-10 кВ обычно принимают уставку по времени максимальных защит не более 2 с (tз,мах<= 2 с), уставку АПВ первого цикла - не менее 2 с (tкт<= 2 с). Тогда по (1) получается tB>6 с. Это практически всегда выполнимо. Поэтому однократность работы схемы АПВ (рис.27) при включении на устойчивое КЗ выполняется.

Список использованной литературы

1.  Андреев В.А. Релейная защита и автоматика систем электроснабжения - М.: Высшая школа 1991;

2.      Шабад М.А. Расчеты релейной защиты и автоматики - Л.: Энергоатомиздат, Ленинградское отделение, 1985;

.        Методические указания к курсовой работе.