Материал: Проектирование районной понизительной подстанции напряжения в 35/6кВ разных мощностей

Внимание! Если размещение файла нарушает Ваши авторские права, то обязательно сообщите нам

В остальные отходящие линии устанавливаются аналогичные трансформаторы тока, но другого номинала. Результаты выбора ТТ представлены в таблице 6.12.

Таблица 6.12

Результаты выбора ТТ на отходящих линиях

Назначение

Imax.ав, A

Тип ТТ

Населенный пункт

99,7

ТЛ-10-100-0,5/10Р У3

Предприятие черной металлургии

289,0

ТЛ-10-300-0,5/10Р У3

Предприятие текстильной промышленности

74,1

ТЛ-10-75-0,5/10Р У3

Предприятие химической промышленности

439,0

ТЛ-10-500-0,5/10Р У3

Обогатительная фабрика

306,0

ТЛ-10-300-0,5/10Р У3


6.4.2 Выбор трансформаторов напряжения

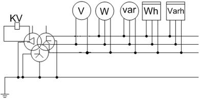
Трансформатор напряжения предназначен для питания катушек напряжения измерительных приборов и для контроля изоляции в сетях с изолированной нейтралью. Трансформатор напряжения включается по схеме «звезда с землей - звезда с землей - разомкнутый треугольник», что позволяет получить необходимые фазные и линейные напряжения, а также обеспечивает срабатывание релейной защиты при однофазных замыканиях на землю, действующей на отключение в сетях 35 кВ.

Заземление первичной обмотки является рабочим, вторичной - защитным для обеспечения безопасной работы персонала в случае пробоя изоляции. В первую вторичную обмотку (соединение «звезда с землей») включаются измерительные приборы, а вторая (соединение «разомкнутый треугольник») используется для контроля изоляции в ТН со стороны 10,5 кВ, и для релейной защиты в ТН со стороны 35 кВ (рисунок 6.4). ТН подключаются к каждой секции или системе сборных шин для обеспечения требований надежности.

Рисунок 6.4 - Схема подключения трансформатора напряжения

ТН выбираются по:

- напряжению: ;

вторичной нагрузке в выбранном классе точности ,а при соединении однофазных трансформаторов в звезду .

Таблица 6.13

Выбор трансформаторов напряжения

Прибор и место его установки

Тип

Мощность одной обмотки, ВА

Число обмоток

Число приборовОбщая мощность











, Вт,Вар


ВН 35 кВ

V

Система шин

Э-335

2

1

1

0

1

2

-

Регистрвольт


Н-393

10,0

1

1,0

0

1

10

-

var

Цепи питающей и отходящей линий

Д-335

1,5

2

0

1

2

-

6

W


Д-335

1,5

2

1

0

2

6

-

Wh


САЗ-И674

3,0 Вт

2

0,38

0,925

2

12

29,2

Varh


СР4-И689

3,0 Вт

2

0,38

0,925

2

12

29,2

Итого

42

64,4

НОМ-35-66 У1

Однофазный трансформатор напряжения

кВУстанавливаем по одному трансформатору в каждую фазу




НН 10,5 кВ

V

Секция СШ

Э-335

2

1

1

0

2

4

-

Var

Цепь силового трансформатора

Д-335

1,5

2

1

0

1

3

-

W


Д-335

1,5

2

1

0

1

3

-

Wh

Цепь силового трансформатора и отходящих линий

САЗ-И674

3,0 Вт

2

0,38

0,925

5

30

73

Varh

3,0 Вт

2

0,38

0,925

5

30

73

Итого

70

146

ЗНОЛ.06-10

Однофазный трансформатор напряжения

ВА

Устанавливаем по одному трансформатору в каждую фазу




ЗАКЛЮЧЕНИЕ


В результате проделанной работы была спроектирована и рассчитана проходная подстанция 35/10 кВ.

Исходя из задания на курсовой проект, выбраны схемы электрических соединений на высоком и на низком напряжении. После этого проведён выбор электрической аппаратуры, а именно:

-  выключателей;

-       разъединителей;

-       комплектного распределительного устройства;

-       трансформаторов тока;

-       трансформаторов напряжения;

-       шин.

При выборе аппаратов, ввиду их огромного многообразия, предпочтение было отдано более современным, которые наилучшим образом соответствовали необходимым параметрам и нормам.

СПИСОК ИСПОЛЬЗОВАННЫХ ИСТОЧНИКОВ

1. Правила устройства электроустановок РК. Министерство энергетики и минеральных ресурсов РК, 2004;

. РД 153-34.0-20.527-98. Руководящие указания по расчету токов короткого замыкания и выбору электрооборудования / под ред. Б.Н. Неклепаева.- М.: Изд-во НЦ ЭНАС, 2001;

. Конюхова Е.А. Электроснабжение объектов.- М.: Изд-во «Мастерство», 2001;

Рожкова Л.Д., Козулин В.С. Электрооборудование станций и подстанций.- М.: Энергоатомиздат, 1987;

. Ульянов С.А. Электромагнитные переходные процессы в электрических системах.- М.: Энергия, 1972;

. Лисовский Г.С., Хейфиц М.Э. Главные схемы и электротехническое оборудование подстанций 35-750.- М.: Энергия, 1977;

. Справочник по проектированию электроснабжения/под ред. Ю.Г. Барыбина, Л.Е. Федорова, М.Г. Зименкова, А.Г. Смирнова.- М.: Энергоатомиздат, 1990;

. Неклепаев Б.Н. Электрические станции.- М.: Энергия,1976;

. Электрическая часть электростанций и подстанций/ справочные материалы под ред. Б.Н. Неклепаева. - М.: Энергия, 1978;

. Мельников Н.А. Электрические сети и системы.- М.: Энергия, 1975;

. Справочник по электрическим установкам высокого напряжения/под ред. И.А. Баумштейна и М.В. Хомякова.- М.: Энергоиздат, 1981;

. Вакуумная коммутационная аппаратура. ФГУП «НПП Контакт», Россия г. Саратов, 2005;

. Высоковольтное оборудование. Карпинский электро-машиностроительный завод, Россия г. Карпинск, 2005;

. Вакуумные выключатели ВВ/ТЕL, ОПН/TEL. Таврида Электрик, Россия г. Москва, 2005;

. Техническая документация ЗАО ПФ «КТП-Урал», ISO 9001:2000, Россия, Екатеринбург, 2005.