Материал: Проектирование районной понизительной подстанции напряжения в 35/6кВ разных мощностей

Внимание! Если размещение файла нарушает Ваши авторские права, то обязательно сообщите нам

6.3.3 Выбор ограничителей перенапряжения

ОПН устанавливаются для защиты ВЛ. Параметры выбора ОПН представлены в таблице 6.5.

Таблица 6.5

Параметры выбора ограничителя перенапряжения

Тип ограничителя перенапряжения

Напряжение установки

Назначение

Способ установки

ОПН-У-35/38,5 УХЛ1

35 кВ

Защита питающей ВЛ

Наружной

ОПН-Т-10/12,7 УХЛ1

10 кВ

Защита отходящих линий 10 кВ

Встроенный в КРУ


6.4 Контрольно-измерительная аппаратура

Контроль за режимами работы основного и вспомогательного оборудования на подстанции осуществляется с помощью контрольно-измерительных приборов. Объем контроля и место установки контрольно-измерительной аппаратуры зависят от характера объекта, структуры управления, особенностей режима работы. Выбор приборов и места их установки осуществлен согласно рекомендациям [2], результат выбора отражен на схеме электрических соединений.

.4.1 Выбор трансформаторов тока

Трансформаторы тока, предназначенные для питания измерительных приборов, выбирают:

-   по номинальному напряжению

-        по номинальному току, номинальный ток должен быть как можно ближе к рабочему току установки, так как недогрузка первичной обмотки приводит к увеличению погрешности;

-   по конструкции и классу точности;

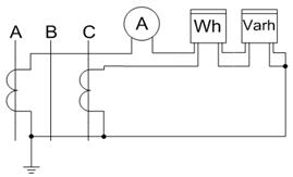
Для проверки по вторичной нагрузке воспользуемся схемой включения (рисунок 6.1) и таблицей номинальных данных приборов. В цепи питающих линий устанавливаются следующие измерительные приборы: амперметр, ваттметр, варметр, фиксирующий прибор для определения места КЗ и счетчики активной и реактивной энергии.

Рисунок 6.1 - Схема включения приборов в полную звезду

Таблица 6.6

Расчет мощности счетчиков

Прибор

Тип

Класс точности

Нагрузка фазы,




А

В

С

Амперметр

Э-335

0,5

-

0,5

Ваттметр

Д-335

1,0

0,5

-

0,5

Варметр

Д-335

1,0

0,5

-

0,5

Счетчик активной энергии

САЗ-И674

1,0

2,5

-

2,5

Счетчик реактивной энергии

СР4-И676

1,0

2,5

-

2,5

Итого

6,0

0,5

6,0


Для обеспечения выбранного класса точности необходимо, чтобы действительная нагрузка вторичной цепи не превосходила нормированной для данного класса точности, т.о. выбор по вторичной нагрузке:

Индуктивное сопротивление токовых цепей невелико, поэтому , при этом вторичная нагрузка


где- сопротивление приборов;

;

- мощность, потребляемая приборами;

- вторичный номинальный ток прибора;

- сопротивление контактов;

Ом

Сопротивление соединительных проводов:

;

Вторичная номинальная нагрузка трансформатора тока в классе точности 0,5 ;

Ом;

Зная величину  можно определить сечение соединительных проводов:


Где  - удельное сопротивление провода,

 для провода с медными жилами;

 - расчетная длина соединительных проводов, учитывающая схему включения приборов и трансформаторов тока, а также длину соединительных проводов между ними.

Схема включения трансформаторов тока - полная звезда, так как сеть 220 кВ работает с эффективно заземленной нейтралью. Все фазы загружены равномерно, при этом

;

По условию механической прочности для проводов с медными жилами принимаем многожильный контрольный кабель с резиновой изоляцией и поливинилхлоридной герметизирующей оболочкой без защитного покрова КРВГ с сечением .

- по электродинамической стойкости

по термической стойкости

В соответствии с вышеизложенным выбираем трансформаторы тока на ВН в цепи питающих линий. Расчетные и каталожные данные трансформаторов тока ВН подстанции указаны в таблице 6.7.

Таблица 6.7

Расчетные и каталожные данные трансформаторов тока ВН подстанции

Расчетные данные

Каталожные данные ТФНД-35М-|-800/5-0,5/10Р/10Р У1






6.4.2 Выбор трансформаторов тока на НН

.4.2.1 Трансформаторы тока в цепи силового трансформатора

-   по номинальному напряжению

;

-   по номинальному току

,

- по конструкции и классу точности

В цепи устанавливаются следующие измерительные приборы: амперметр, ваттметр, варметр, счетчики активной и реактивной энергии, включенные по схеме неполной звезды (рисунок 6.2).

Рисунок 6.2 - Схема включения приборов в неполную звезду

Таблица 6.8

Расчет мощности трансформаторов тока НН подстанции

Прибор

Тип

Класс точности

Нагрузка фазы,




А

В

С

Амперметр

Э-335

1,0

0,5

-

-

Ваттметр

Д-335

1,5

0,5

-

0,5

Варметр

Д-335

1,5

0,5

-

0,5

Счетчик активной энергии

САЗ-И674

1,0

2,5

-

2,5

Счетчик реактивной энергии

СР4-И676

1,5

2,5

-

2,5

Итого

6,5

-

6,0


Общее сопротивление приборов:

Ом;

вторичная номинальная нагрузка трансформатора тока в классе точности 0,5 ; сопротивление контактов при пяти приборах ; допустимое сопротивление проводов:

Ом;

сечение соединительных проводов при соединении в полную звезду:

 мм2;

по условию механической прочности принимаем кабель КРВГ с сечением .

- по электродинамической стойкости

по термической стойкости


Таблица 6.9

Расчетные и каталожные данные трансформатора тока

Расчетные данные

Каталожные данные ТЛ-10-1500-0,5/10Р/10Р У3






В цепи секционных выключателей к установке принимаем трансформаторы тока того же типа, что и в цепи силового трансформатора на стороне НН. Схема включения трансформаторов тока - неполная звезда, так как сеть 10 кВ работает с изолированной нейтралью.

В качестве измерительной аппаратуры устанавливается амперметр с ;

Общее сопротивление приборов:

Сопротивление контактов ;

Сопротивление приборов: допустимое сопротивление проводов:

;

сечение соединительных проводов:

;

по условию механической прочности принимаем КРВГ с сечением

6.5.2.2 Трансформаторы тока в цепи отходящих линий

-   по номинальному напряжению

;

-   по номинальному току

,

В цепи отходящих линий устанавливаются следующие измерительные приборы: амперметр, расчетные счетчики активной и реактивной энергии, включенные по схеме неполной звезды (рисунок 6.3).

Рисунок 6.3 - Схема включения приборов

Таблица 6.10

Расчет мощности приборов, устанавливаемых на отходящих линиях

Прибор

Тип

Класс точности

Нагрузка фазы,



А

В

С

Амперметр

Э-335

0,5

0,5

-

-

Счетчик активной энергии

САЗ-И674

1,0

2,5

-

2,5

Счетчик реактивной энергии

СР4-И676

1,5

2,5

-

2,5

Итого

5,5

-

5,0


Общее сопротивление приборов:

;

вторичная номинальная нагрузка:

;

сопротивление контактов при трех приборах ;

допустимое сопротивление проводов:

;

сечение соединительных проводов при соединении в полную звезду:

;

по условию механической прочности КРВГ с сечением

по электродинамической стойкости

кА

по термической стойкости

кА2с

Таблица 6.11

Расчетные и каталожные данные трансформаторов тока отходящих линий

Расчетные данные

Каталожные данные ТЛ-10-500-0,5/10Р У3