Материал: Проектирование радиорелейной трассы Лида – Березовка – Новогрудок

Внимание! Если размещение файла нарушает Ваши авторские права, то обязательно сообщите нам

атм=(αкислород+ αпары)*L, дБ (10)

Для нашего случая αкислород=0.0075, а αпары=0.0085 и т.о.

атм=(0.0075+0.0085)*24=0.4, дБ

Теперь рассчитаем сумму всех усилений и затуханий, которые претерпевает наш сигнал:

*=141.934+4-36.527-36.527+0.4=73.201, дБ

Теперь вычислим запас на замирание:

М=Kc- Kc*=34, дБ (11)

5. Построение диаграммы уровней

Исходя из выполненных расчетов, построим диаграмму уровней:

Рисунок 4. Диаграмма уровней

6. Описание структурных схем внутреннего и внешнего блоков

Несмотря на большую номенклатуру цифровых радиорелейных станций их концепция построения на уровнях внешнего и внутреннего блоков во многом схожа.

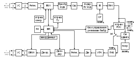
На рисунке 5 приведена типовая структурная схема внутреннего блока цифровой радиорелейной станции.

Рисунок 5. Типовая структурная схема IDU ЦРРСП.

Внутренний блок IDU состоит из передающего и приемного трактов. Установленные на входе и выходе этих трактов устройства сопряжения (УС) служат для согласования параметров IDU с транспортными линиями в рамках протокола G.-703 МСЭ-Т. Устройства сопряжения в зависимости от назначения могут быть электрическими или оптическими (G.-957). Принятые цифровые потоки данных преобразуются из квазитроичного кода HDB-3 в двоичный код NRZ и проходят устройства регенерации цифровых сигналов. Регенераторы исключают линейные искажения, внесенные кабелем. Они выделяют тактовую частоту цифровых потоков с помощью выделителя тактовой частоты (ВТЧ) и восстанавливают амплитуду, длительность и фронт импульсной последовательности с помощью решающего (РУ) и формирующего устройств (ФУ).

После регенерации цифровые потоки объединяются в мультиплексоре (MUX), который представляет собой программируемый процессор. Объединению в MUX подлежат также сигналы синхронизации и телеуправления.

Скремблер выполняет функцию формирования из исходного сигнала псевдослучайной последовательности, у которой количество нулей и единиц в потоке примерно равное. Благодаря скремблированию упрощается процедура выделения тактовой частоты на приемной стороне и обеспечивается на выходе передатчика равномерный спектр радиосигнала. Последнее обстоятельство позволяет улучшить электромагнитную совместимость радиосредств.

Канальный кодер служит для повышения помехоустойчивости системы. Кодирование может быть одноступенчатым (с использованием кода Рида-Соломона) и двухступенчатым (сверточное и блочное). За счет внесенной избыточности осуществляется прямое исправление ошибок и, следовательно, улучшается достоверность приема. При наличии кодирования требуемое значение ОСШ, при котором достигается заданная вероятность ошибки на бит, снижается. После кодирования цифровой поток поступает на модулятор (М), который формирует радиопосылки на несущей fн=310 МГц с длительностью Tc. Каждая радиопосылка имеет определенное значение начальной фазы (при М-ФМ или М-КАМ). Если используется QPSK (4-ФМ) или DQPSK модуляция амплитуда радиопосылок не меняется, т.е. передается радиосигнал с постоянной огибающей. При М-КАМ в зависимости от сочетания бит в символе изменяется как фаза, так и амплитуда радиопосылок. Таким образом, различными признаками состава бит в символе являются значения фаз и амплитуд радиопосылок модулированного сигнала. На выходе модулятора обычно содержатся две боковые полосы, спектр которых ограничивают полосовым фильтром ПФ1. Далее радиосигнал на частоте несущей через устройство разделения и объединения сигналов (РОС), и соединительный кабель поступает на внешний блок. На РОС также поступают команды для управления режимами блока ODU.

В приемном тракте IDU происходит выделение радиосигнала с промежуточной частотой 70 МГц, который поступил по соединительному кабелю из внешнего блока. Этот сигнал через электронный ключ (ЭК) проходит устройства фильтрации (ПФ2), усиления (УПЧ) и демодуляции (ДМ). ЭК служит для организации перехода на режим контроля работоспособности блока IDU. В режиме контроля включается смеситель сдвига и генератор, которые формируют сигнал частоты 70 МГц из сигнала 310 МГц. Если в режиме шлейфа выходной уровень соответствует норме, то устройства блока IDU исправны.

После демодулятора (Дм) выделенная цифровая последовательность проходит регенератор, в котором восстанавливается форма двоичных импульсов. Далее цифровой сигнал поступает на бок исправления ошибок. В частности, при использовании сверточного кодирования сигнал поступает на декодер максимального правдоподобия Витерби. Этот декодер начинает исправлять ошибки с 7*10-2 и обеспечивает на своем выходе Pош=2*10-4. Последующие устройства тракта приема IDU выполняют задачи обратные задачам тракта передачи.

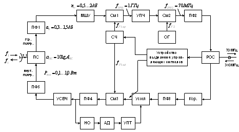
Центральное место в блоке IDU занимает микропроцессор (МП). Он управляет работой всех основных устройств блока, позволяет вести контроль параметров и отображать на ПК конфигурацию РРЛ.представляет собой приемопередающий модуль с низким коэффициентом шума и с электрическим управлением с IDU выходной мощностью передатчика и частотой настройки (рис. 6). Диапазон изменения выходной мощности равен 20 дБ, шаг изменения 1 дБ. Максимальные значения выходной мощности различных моделей ЦРРСП составляет 0,1-1,0 Вт (20-30 дБм).

Приемный тракт ODU строится по супергетеродинной схеме с двойным преобразованием частоты и малошумящим усилителем (МШУ) на его входе. МШУ выполняется на малошумящих транзисторах, имеет усиление 30-35 дБ и коэффициент шума 0,5-2 дБ. Для снижения уровня мощности передатчика попадающего на вход приемника и ослабления помех по комбинационным каналам приема перед МШУ устанавливают полосовой фильтр ПФ1. Частотный разнос между несущими передачи и приема соответствует плану распределения частот. Смеситель частоты (См1) является балансным или двойным балансным с компенсацией шумов гетеродина и нежелательных компонент преобразования. Первая промежуточная частота выбирается высокой fпч1=0.5-1 ГГц, что позволяет простыми средствами обеспечить высокий уровень подавления помех по зеркальному каналу. Требуемая частота гетеродина формируется в синтезаторе частоты (СЧ) под действием команд с устройства выделения управляющих сигналов.

Рисунок 6. Типовая структурная схема ODU ЦРРСП

. Основные параметры приемопередающей аппаратуры и план распределения частот

Оборудование Мини-Линк Е работает практически во всех частотных полосах (от 7 до 38 ГГц, кроме 11 ГГц), предусмотренных рекомендациями МСЭ-Р для радиорелейного оборудования. Благодаря разработанной компанией Эрикссон очень эффективной C-QPSK модуляции и высокочувствительным приемопередатчикам с возможностью программного (в том числе и удаленного) управления выходной мощностью Мини-Линк Е, при прочих равных условиях, может работать на пролетах большей длины, чем конкурентное оборудование других производителей. Или создавать более низкий уровень помех для других типов находящегося рядом радиоэлектронного оборудования. Это позволяет применять Мини-Линк Е в самых сложных, с точки зрения электромагнитной совместимости, условиях.

Используемый в целях контроля Netman - программный администратор терминалов MINI-LINK Е как элементов сети, представляет собой мощное средство, предназначенное для централизованного сетевого управления. Он может применяться в качестве автономной системы или работать совместно с системой управления сетью (NMS). При этом обеспечиваются все необходимые функции управления.

Технические характеристики:

Радиорелейная платформа интегрирует PDH и SDH, имеет широкие возможности мультиплексирования и коммутации трафика, подготовлена к передаче пакетного трафика:

Интерфейсы трафика Е1, Е2, Е3, STM-1, Ethernet;

Каждая плата имеет встроенный мультиплексор до уровня Е1;

Неблокируемая емкость матрицы коммутации - 400Е1

Данная система обеспечивает передачу радиосигналов со скоростью от 2х2 Мбит/с до 155 (STM-1)

Емкость коммутации: 400xE1, планируется коммутация на уровне Е3

Управление коммутацией возможно через DXX Manager

Модуляция: C-QPSK, 16QAM, планируется 128QAM

Интерфейсы трафика: Е1, Е2, Е3, STM-1 10/100 BaseT - LAN интерфейс 2-34 Мбит/с

Варианты конфигурации: 1+0 and 1+1 (radio) 1+1 E1 SNCP, MSP 1+1 (line)

Основные характеристики системы Ericsson MINI-LINK 15-E приведены в таблице 4:

Таблица 4

Параметры

Значение

Диапазон рабочих частот, МГц

14,4-15,35 ГГц

Стабильность частоты

± 10 ppm

Мощность передатчика

 25 dBm

Интерфейс трафика

ITU-T Rec G.703, симметричный или несимметричный

Код канала

Скремблирование и упреждающее исправление ошибок (FEC)

Шаг сетки частот

28МГц

Разнос частот передачи и приема

322МГц

Относительная влажность

8-100% (внешний модуль); 5-95% (внутренний модуль)

Вид модуляции

С-QPSK

Диаметры антенн

0.6 - 3.0 м

Диапазон рабочих температур IDU: ODU:

 от -20 °С до + 60 °С от -50 °С до + 60 °С

Пороговый уровень принимаемого сигнала в цифровом стволе, по BER10-3

- 82dBm

Размеры радиоустройства

4,5 кг, 321х260х97 мм

Напряжение питания, пост. тока

24-60 B, номин.


Прием и передача СВЧ сигналов на радиорелейной станции производится на различных частотах во избежание возникновения паразитных связей между входом приемника и выходом передатчика и между приемными и передающими антеннами. Следовательно, для передачи сигналов по одному радиостволу в одном направлении связи необходимо использовать две частоты. Для передачи сигналов в обратном направлении могут быть использованы либо те же две частоты (двухчастотная система), либо две другие частоты (четырехчастотная система).

Номинальные значения частот стволов (в МГц) определяются по формулам:

В нижней половине диапазона:

=f0-310+28n (12)

в верхней половине диапазона:

’n=f0+12+28n (13)

где n=1,2,3,4,5,6; fo = 15000 МГц.

Определимся с назначением и частотами стволов:

1-й ствол отведем для передачи каналов ТЧ. Его частоты согласно (12) и (13) будут:

= 15000 - 310 + 28 · 1 = 14662 МГц

f1΄ = 15000 + 12 + 28 · 1 = 15040 МГц

-й ствол отведем для передачи канала телевидения (ТВ). Его частота равна:

= 15000 - 310 + 28 · 2= 14690 МГц

f2΄ = 15000 + 12+ 28 · 2= 15068 МГц

-й ствол будет резервным. Для его:

f3 = 15000 - 310 + 28 ·3= 14718 МГц

f3΄ = 15000 +12 + 28 · 3= 15096 МГц

Рисунок 7. План распределения частот рассчитанной линии РРЛ.

. Расчет устойчивости связи в дожде и при интерференции

Расчет величины Тд(Vmin):

Тд(Vmin) - процент времени, при котором ослабление опускается ниже минимально допустимого значения множителя ослабления. Тд(Vmin) определяется с помощью номограммы [1, c. 287].

Потери в гидрометеорах рассчитываются по следующей формуле:

гид=γд*Rэф, дБ (14)

где, γд - коэффициент ослабления сигнала в дожде.

, дБ/км. (15)

интенсивность дождя;

Для частоты f=15 ГГц, β= 0.037 и α= 1.154. Эти коэффициенты для горизонтальной поляризации. Мы выбрали коэффициенты для горизонтальной поляризации, т.к. они больше, чем при вертикальной, поэтому мы будем лучше знать надежность нашей РРЛ.эф - эффективная протяженность дождевой области.

, км (16)

Где R0 - длина пролета, в нашем случае R0 = 20 км..01 - интенсивность дождя, который идет в данной местности в течение 0.01% времени. Для Беларуси J0.01=60, мм/час

Построим зависимость Lгид(J):

 =8.681, км

Рисунок 8. Зависимость потерь в дожде от интенсивности дождя.

Затем по интегральным кривым (для Беларуси кривая 4) определяем процент времени, в течение которого J ≥ Jдоп , т.е. величину Тд(Vmin) в процентах.

Рисунок 9. Статистические распределения среднеминутных значений интенсивности дождя.

Для нашей допустимой интенсивности дождя:

Тд(Vmin) = 0,007%.

Анализируя полученную величину Тд(Vmin), и принимая во внимание, что у нас линия связи среднего качества 1-го класса, то можно сделать вывод, что наша система будет работать устойчиво, т.к. Тд(Vmin) = 0,007% < ПНГ=0.033/2=0.017%.

Рассчитаем показатель качества по ошибкам:

Показатели качества по ошибкам (ПКО) связаны с быстрыми замираниями на интервалах линии радиосвязи.      Вероятность появления гладких интерференционных замираний определяется в соответствии с рекомендациями МСЭ-Т 338-4

Ринт = Ккл*Q* f ВR0dС % (17)

где Ккл=4.1*10-4 - климатический коэффициент;=1.5 - фактор земной поверхности при слабопересеченной местности;

В,С,в - коэффициенты, которые равны В=1.5, С=1, d=2.

Ринт=4.1*10-4*1.5*151.5*202=14.149%

Зная Ринт можно рассчитать процент времени появления сильно пораженных секунд СПС:

СПС= Ринт *10-0.1Lз.зам (18)

СПСрасч= 14.149*10-0.1*34=0.0029, %

В соответствии с рекомендациями МСЭ-Т 338-4 для линий связи среднего качества 1-го класса СПС равно:

СПС≤0.006,%

Сравним нашу расчетную величину СПСрасч с допустимой величиной СПС:

СПСрасч= 0.0029, % < СПС=0.006,%

Т.к. расчетная величина значительно меньше нормы можно сделать вывод о том, что система будет стабильно работать с заданным для нее показателем неготовности, а это уже свидетельствует о правильности выбора аппаратуры и расчета параметров.

Заключение

В ходе курсовой работы была построена радиорелейная линия в заданном направлении. Выбранная аппаратура позволила организовать связь между требуемыми пунктами, которая удовлетворяет всем поставленным требованиям. При выборе месторасположения станций были учтены все необходимые требования, описанные в анализе задания на курсовое проектирование. Разница между коэффициентом системы и величиной потерь на интервале составила запас на замирание, который полностью удовлетворил заданным качествам проектируемой РРЛ системы. Для экономии денежных средств на возведение высоких мачтовых опор на площадках, антенны были расположены на разных высотах с учетом рассчитанной величины просвета. Построенная линия является надежной и экономически выгодной.

Подобная аппаратура может применяться для организации:

линий связи между населенными пунктами;  - телекоммуникационных сетей связи;

технологических линий и сетей связи для железнодорожного транспорта, энергосистем, газо- и нефтепроводов;

связи между компьютерными и офисными центрами;

соединительных линий между базовыми станциями сотовой и подвижной связи;

микроволновых систем распределения информации;

временных линий и сетей связи для проведения массовых мероприятий или аварийно-спасательных работ.

Список литературы

1. Липкович Э.Б. Проектирование радиорелейных линий прямой видимости. Методические указания по курсовому проектированию по курсу "Радиорелейные и спутниковые системы передачи"/ Э.Б. Липкович - Минск: МРТИ, 1987 - 135 с.

. Справочник по радиорелейной связи / С.В. Бородич [и др.]; под. ред. С.В. Бородича. - 2-е изд., перераб. и доп. - М.: Радио и связь, 1981. - 198 с.

. Немировский А.С. Системы связи и радиорелейной линии / А.С. Немировский, Е.В. Рыжков; под. ред. А.С. Немировского - М.: Радио и связь, 1986 - 432 с.

. Мир связи. Connect!!! [Электронный ресурс]. - 2004. - Режим доступа: http://www.connect.ru/.