Материал: Проектирование рабочего органа скрепера

Внимание! Если размещение файла нарушает Ваши авторские права, то обязательно сообщите нам

·              возможность использования скрепера для погрузки экскаватором или погрузчиком.

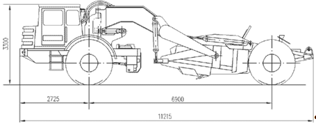
Технические характеристики Скрепера самоходного МоАЗ-60148 Вместимость ковша, м3 .............................................. 8,3 - геометрическая - номинальная с ("шапкой") ..................................... 11,5 Грузоподъемность, кг ............................................. 16000 Снаряженная масса скрепера, кг ................................... 20000 Полная масса скрепера, кг ........................................ 36000 Распределение снаряженной массы самоходного скрепера на дорогу, кг: - через передний мост ......................................... 13430 - через заднюю ось ............................................. 6570 Распределение полной массы скрепера на дорогу, кг: - через передний мост ......................................... 18500 - через заднюю ось ............................................ 17500 Скорость скрепера, км/ч: - транспортная максимальная ...................................... 44 - рабочая, не более ............................................. 5,5 Максимальное заглубление, мм ....................................... 300 Ширина по упряжной тяге, мм ....................................... 3270 Ширина резания, мм ................................................ 2820 Колея, мм: - колес тягача ................................................. 2370 - колес скрепера ............................................... 2180 Толщина слоя отсыпки, мм, не менее ................................. 450 Наименьший радиус поворота в обе стороны, м: - по колее внешнего колеса тягача ............................... 7,9 - по крайней выступающей точке тягача ........................... 8,6 Дорожный просвет при полной нагрузке, мм: - под стремянками рессор моста тягача, мм, не менее ............. 350 - под ножами скрепера, мм, не менее ............................. 450 Угол поворота тягача относительно продольной оси скрепера в каждую сторону, град ................. 90 Угол поворота тягача относительно скрепера в вертикальной плоскости (качание) в каждую сторону, град ..................... 15 Наибольший преодолеваемый угол подъема с полной нагрузкой на сухом и твердом грунте: - в процентах .................................................... 15 - в градусах ................................................... 8°30' Вертикальная нагрузка на седельносцепное устройство, кН(кг) .. 80,0(8000) Двигатель - модель ................................................. ЯМЗ-238АМ2 - мощность, кВт (л.с.) ..................................... 165 (225) Трансмиссия ............................................... механическая - дополнительная коробка ............................ двухступенчатая - мост ведущий ........... состоит из главной и двух колесных передач Подвеска .................... рессорная с гидравлическими амортизаторами двухстороннего действия Шины .......................................................... 21,00-28 Управление рулевое ......................... с гидравлическим приводом и механической обратной связью Тормоза .......................... колодочные, с пневматическим приводом Электрооборудование: - номинальное напряжение в сети, В ............................... 24



Самоходный скрепер МоАЗ-60071


Техническая характеристика

Вместимость ковша, м3

 

 - геометрическая

10,0±0,5

 - номинальная с "шапкой"

14,0±0,5

Грузоподъемность, кг

22000

Снаряженная масса самоходного скрепера, кг

30000

Полная масса самоходного скрепера, кг

52000

Распределение снаряженной массы скрепера самоходного на дорогу, кг:

 

 - через передний мост

20100

 - через заднюю ось

9900

Распределение полной массы самоходного скрепера на дорогу, кг:

 

 - через передний мост

27600

 - через заднюю ось

24400

Скорость самоходного скрепера, км/ч:

 

 - транспортная, снаряженного

50±10

 - рабочая, не более

5,5

Глубина резания, мм, не менее

300

Ширина резания, мм,не менее

2920

Толщина слоя отсыпки, мм, не менее

450

Максимальная ширина полосы разворота, мм, не более

11000

Дорожный просвет при полной нагрузке, мм:

 

 - под стремянками рессор моста тягача, мм, не менее

450

 - под ножами скрепера, мм, не менее

460

Наименьший радиус поворота в обе стороны, м:

 

 - по колее внешнего колеса тягача

8,2

 - по крайней выступающей точке тягача

9,2

Угол складывания тягача относительно продольной оси скрепера в каждую сторону, град, не более

85

Наибольший преодолеваемый угол подъема с полной нагрузкой на сухом и твердом грунте:

 

 - в процентах

15

 - в градусах

8°30'

Угол поворота тягача относительно скрепера в вертикальной плоскости (качание) в каждую сторону, град

15

Двигатель

"CUMMINS"

 - модель

М11-С350

 - мощность, кВт (л.с.)

261 (350)

Трансмиссия

гидромеханическая 6+1

Подвеска

рессорная с подрессорником и гидравлическими амортизаторами двухстороннего действия

Колеса

25.00-29" бездисковые, односкатные

Шины

пневматические бескамерные 29,50-29 с рисунком протектора повышенной проходимости

Тормоза

колодочного типа

Электрооборудование:

 

 - номинальное напряжение в сети, В

24


1.8 Компании производящие скреперы

Компания Caterpillar

ЛИДЕР ОТРАСЛИ. ВЫСОКИЕ СТАНДАРТЫ.

Уже более 80 лет компания Caterpillar способствует улучшению мировой инфраструктуры и в сотрудничестве с ее всемирной дилерской сетью обеспечивает позитивные изменения на всех континентах. Лидируя в производстве строительного и горного оборудования, дизельных и газовых двигателей, промышленных газовых турбин, компания Caterpillar стремится полностью удовлетворить потребности своих клиентов в технике и ее обслуживании.

Обзор деятельности компании

Сейчас Caterpillar - это промышленный гигант с мировым именем, способный предложить широчайший спектр землеройно-транспортной техники, строительного оборудования, дизельных двигателей, энергетических установок, работающих на природном и попутном газах, и многие другие продукты. Caterpillar - это один из крупнейших машиностроительных игроков мировой экономики, имеющий более 480 подразделений, расположенных в 50 странах мира на пяти континентах планеты. Наша стратегическая цель - формирование лучшей репутации в глазах мирового покупателя.

Продукция

Продуктовая линейка компании Caterpillar, включающая в себя более 300 наименований машин, является эталоном в машиностроительной индустрии. Мы хотим, чтобы наша продукция, широкая дилерская сеть и система сервисной поддержки помогли вам в достижении ваших целей и развитии вашего бизнеса.

Продукция Caterpillar

Любой продукт компании Caterpillar олицетворяет ее способность проникать в самую суть производства, используя при этом передовые технологии. Прислушиваясь к своим клиентам и обращая внимание на их нужды, мы продолжаем совершенствовать нашу продукцию в каждом из сегментов. скрепер ковш тяговый конструктивный

Вот почему продукция компании Caterpillar является стандартом высокой производительности, экономической эффективности и ответственного отношения к окружающей среде. Наш ориентированный на клиента подход также нацелен на то, чтобы компания Caterpillar и наши дилеры смогли предложить вам самые оптимальные решения в области аренды, финансирования и приобретения б/у техники.

Машины

Продуктовая линейка компании Caterpillar, включающая в себя более 300 наименований машин, является эталоном в машиностроительной индустрии. Мы хотим, чтобы наша продукция, широкая дилерская сеть и система сервисной поддержки техники помогли вам в достижении ваших целей и развитии вашего бизнеса.

Двигатели

Компания Caterpillar - крупнейший в мире производитель дизельных и газовых двигателей, а также силовых установок на их основе. Кроме того, компания широко известна как производитель энергетических и промышленных газотурбинных установок под торговой маркой "Solar Turbines".

История

Это история двух мечтателей, талантливейших разработок и первоклассных технологий, история приверженности качеству, инновациям, своим клиентам. Это история компания Caterpillar.

ИСТОРИЯ КОМПАНИИ CATERPILLAR

. Бенжамин Холт и Дэниел Бест провели эксперименты с различными типами паровых тракторов по их использованию в сельском хозяйстве. Они работали отдельно, сотрудничая с разными компаниями.

. Первый паровой трактор Холта на гусеничном ходу.

. Первый бензиновый трактор Холта на гусеничном ходу.

. Гусеничные тракторы Холта с маркой "Caterpillar®" используются Антантой в первой мировой войне1925. Holt Manufacturing Company и C. L. Best Tractor Co. сливаются, образуя компанию Caterpillar Tractor Co

1931. В городе Ист Пеория, штат Иллинойс, cошел со сборочного конвейера первый дизельный трактор Diesel Sixty, оснащенный новым мощным двигателем, разработанным для гусеничных тракторов.

. Теперь в номенклатуру продукции компании Caterpillar включены автогрейдеры, ножевые дорожные струги, грейдеры-элеваторы, террасеры и электрогенераторные установки.

. Выпускаемые компанией Caterpillar гусеничные тракторы, автогрейдеры, генераторные установки и специальный двигатель для танка M4 используются вооруженными силами США на различных театрах военных действий.

. Учреждена компания Caterpillar Tractor Co. Ltd. в Великобритании, первое из многочисленных заокеанских подразделений, созданное для оказания помощи в ликвидации валютного дефицита, регулировании тарифов, организации контроля импорта и улучшения обслуживания клиентов в мировом масштабе.

. В 1931 году компания создала отельную группу по продаже двигателей, задача которой состояла в организации сбыта дизельных двигателей производителям комплектного оборудования. В 1953 году вместо этой группы был сформирован специальный отдел продаж и маркетинга с задачей улучшить обслуживание широкого спектра клиентов, желающих приобрести двигатели. Объем продаж двигателей в настоящее время составляет примерно треть от валового дохода от продаж, получаемого компанией.

. Компании Caterpillar и Mitsubishi Heavy Industries Ltd. образуют одно из первых в Японии совместных предприятий, где американский партнер имеет частичные права владения. Компания Caterpillar Mitsubishi Ltd. приступила к производству продукции в 1965 году; в дальнейшем она была переименована в Shin Caterpillar Mitsubishi Ltd. и в настоящее время занимает второе место в Японии по производству строительного и горного оборудования.

-83. Спад в мировой экономике нанес ущерб и компании Caterpillar, принеся ежедневные убытки порядка 1 млн. долларов и вынудив резко сократить численность персонала.

. Компания Caterpillar Leasing Company расширена, в сферу ее деятельности включена разработка и реализация программ финансирования клиентов, находящихся в различных частях света. Компания переименована в финансовую корпорацию Caterpillar Financial Services Corporation.

-год - настоящее время.. Номенклатура выпускаемой продукции продолжает расширяться для удовлетворения разнообразных запросов клиентов. В настоящее время предлагается более 300 наименований выпускаемых изделий, более чем в два раза больше, чем в 1981 году.

. Компания Caterpillar Tractor Co. переименовывается в Caterpillar Inc., что более точно отражает растущее разнообразие продукции, выпускаемой предприятием.

. Запущена программа модернизации предприятия стоимостью 1,8 миллиарда долларов для модернизации производственного процесса.

. Компания децентрализовала свою структуру, реорганизовав ее в деловые подразделения, отвечающие за прибыль на используемые активы и удовлетворение запросов клиентов.

. Компания продолжает расширяться, приобретя фирму Perkins Engines, базирующуюся в Великобритании. Присоединив немецкую фирму MaK Motoren годом раньше, компания Caterpillar становится мировым лидером в производстве дизельных двигателей.

. Самый крупный в мире внедорожный самосвал - модели 797 - совершает первый пробег на испытательном полигоне компании Caterpillar в Аризоне.

. Компания Caterpillar объявляет о вводе в строй новой линии производства компактного строительного оборудования на выставке CONEXPO, самой крупной в мире выставке строительной техники, учитывая изменение запросов клиентов в сторону менее габаритного, более универсального строительного оборудования.

. Компания Caterpillar отмечает 75 годовщину со дня основания.

. Caterpillar стала первой компанией, внедрившей стратегию 6 Sigma в глобальном масштабе и окупившей затраты на реализацию этой стратегии в течение первого года со дня внедрения.

. Caterpillar становится первой компанией-производителем двигателей, предложившей весь ряд "чистых" дизельных двигателей моделей 2004 года, полностью отвечающих установленным требованиям и сертифицированных Агентством по охране окружающей среды США. Разработанная компанией Caterpillar прорывная технология снижения вредных выбросов, известная как технология снижения токсичности выхлопа за счет улучшения сгорания топлива (ACERT), призвана обеспечить выполнение требований стандартов Агентства по охране окружающей среды без ухудшения эксплуатационных характеристик, снижения надежности или топливной экономичности двигателя.

. Придерживаясь концепции устойчивого развития, Caterpillar не остается безучастным к происходящим в мире трагедиям, таким как Азиатское цунами, ураганы в северной части Мексиканского залива или землетрясения в Южной Азии. Столкнувшись с каждым из этих суровых испытаний природы, Caterpillar совместно со своими дилерами жертвует машины и денежные средства, чтобы обеспечить пострадавших всем необходимым.

. Бенжамин Холт, один из основателей компании Caterpillar и дизайнер первого гусеничного трактора, награждается за свою изобретательность и предпринимательский дух был в список величайших изобретателей США "Национального Зала славы изобретателей США" (National Inventors Hall of Fame)

. Компания Caterpillar Logistics Services открывает новый центр обеспечения запасными частями в городе Линганге, промышленном районе Шанхая (Китай).

. Caterpillar выпускает обновленную версию "Международного кодекса ведения бизнеса". Приходя на новые рынки, завоевывая новых клиентов и служа им по-новому, Caterpillar не упускает возможности роста в каких бы то ни было отраслях бизнеса.


Скреперы с элеваторной загрузкой

Основные достоинства скрепера с элеваторной загрузкой:

Загрузка, перевозка, распределение материала при незначительной потребности во вспомогательном оборудовании.

Подготовка материала, поступающего в бункер.

Способность работать автономно.

Работа скрепера с элеваторной загрузкой способствует уплотнению грунта.

Прекрасный инструмент

для точной планировки.

Поездка с грузом: 500 фут- 3000 фут

Низкое сопротивление качению.

Идеален для перемещения грунта на малые расстояния.

Пригодность для работы с мягкими грунтами.

Идеален для работы с протяженными насыпями.

Способен наносить тонкие слои грунта.

Единицы измерения: США | МетрическиеПолезная мощность - двигатель тягача/скрепераВместимость с "шапкой"Максимальная скорость хода

" 613G135 kW (181 hp)8.4 м339.3 км/ч

" 623G246 кВт (330 л. с)17.5 м351.5 км/ч


Основные факты о скрепере с открытым ковшом.

Быстрая загрузка/разгрузка.

Равномерное распределение на ходу.

Возможность работы с различными материалами.

Низкая стоимость/высокая производительность.

Загруженный ковш: 500 футов - 5000 футов

Идеально подходят для работы с материалами с изменяющимися характеристиками.

Идеально подходят для перемещения больших объемов материалов.

Единицы измерения: США | Метрические

ModelПолезная мощность - двигатель тягача/скрепераВместимость с "шапкой"Максимальная скорость хода

" 621G246 кВт (330 л. с)17 м351.5 км/ч

" 627G246 кВт (330 л. с.) / 178 кВт (239 л. с)17 м351.5 км/ч

" 631G345 кВт (462 л. с)26 м353.5 км/ч

" 637G345/373 кВт (462/500 л. с)26 м354.9 км/ч

" 657G421 кВт (564 л. с.) / 306 кВт (410 л. с)33.6 м355.7 км/ч

" 657G421 кВт (564 л.с.) / 306 кВт (410 л.с.)33.6 м3


2.Компания KomatsuLtd была основана в 1921 году. Датой основания компании считается 13 мая 1921 года, когда Komatsu Iron Works отделяется от Takeuchi Mining Co., и становится Komatsu Ltd. Из ремонтной мастерской компания выросла до мирового лидера по производству строительной и карьерной техники, промышленного оборудования и электроники.

Свою первую экспортную поставку Komatsu осуществила в 1955 г., а в течение 1967 - 71 гг. создала сбытовые компании в Европе, США и Азии. В Россию техника Komatsu начала поставляться в конце 60-х годов. В 1968 г. был открыт офис Komatsu в России, в 1998 г. - создана компания Kraneks International Company Limited, в 2010 г. - открыт завод в Ярославской области.

Сегодня компании принадлежат 8 заводов на территории Японии, три - в США, два - в Германии, Китае и Индии, по одному - в Канаде, Великобритании, Италии, Бразилии, Тайланде, Индонезии.

В состав Komatsu Group входят Komatsu Ltd. и еще 183 компании (143 консолидированных дочерних компаний и 40 компаний, входящий в состав группы по методу долевого участия).

Скреперы компании Komatsu

Технические характеристики Komatsu WS16-2

Грузоподъемность22000 кг

Эксплуатационная масса33600 кг

ДвигательCummins NTO-6-CI

Полная масса55600 кг

Длина12900 мм

Ширина3290 мм

Высота3670 мм

Колесная база7400 мм

Максимальная скорость60 км/ч

Эксплуатационная мощность156,6 кВт

Вместимость ковша11 м3

Технические характеристики Komatsu WS16S-2

Грузоподъемность22400 кг

Эксплуатационная масса30800 кг

ДвигательCummins NTA855-C

Полная масса53400 кг

Длина12775 мм

Ширина3490 мм

Высота4480 мм

Колесная база2400 мм

Максимальная скорость52 км/ч

Эксплуатационная мощность271,4 кВт

Вместимость ковша11 м3

Технические характеристики Komatsu WS23S-1

Грузоподъемность34000 кг

Эксплуатационная масса35700 кг

ДвигательCummins KT1150

Полная масса69700 кг

Длина13470 мм

Ширина3690 мм

Высота4750 мм

Колесная база8390 мм

Максимальная скорость55 км/ч

Эксплуатационная мощность326,6 кВт

Вместимость ковша16 м3

2. Теоретическая часть

2.1 Определение конструктивных параметров ковша

Длина ковша (мм) находится по эмпирической зависимости;

α =КL1+К√q+КL3, (2.4)

где КL1, КL2L3-эмпирические коэффициенты; принимаются для скреперов прицепных КL1L3=0; КL2=1200; для полуприцепных и самоходных КL1=1050; КL2=765 и КL3=2,5.

Ширина ковша (мм) по внутренним поверхностям боковых стенок:

Вкb1b23√q,(2.5)

где - Кb1, Кb2. коэффициенты, значения которых составляют для скреперов прицепных К b1=400, Кb2 =1060.

С целью улучшения проходимости скрепера [4] ширина колеи его задних колес должна быть равна ширине колеи тягача. Поэтому значение, найденное из выражения (4), не должно быть менее ширины ковша, рассчитанного по формуле:

В]кТш+2∆,(2.6)

где КТ- колеи тягача, мм; вш- ширина шины колеса, мм; = (30...60) -зазор между наружными краем шины и внутренней поверхностью боковой стенки ковша, мм.

Вгк+2 ∆',(2.7)

где ∆'-толщина боковой стенки ковша с учетом толщины наладок жесткости, боковых тяг и зазоров, необходимых для взаимных перемещений ковша и тяговой рамы, мм; предварительно принимается ∆' =175... 265 мм с дальнейшим уточнением.

Для перевозки по ж. - д. без разборки ширина скрепера должна быть меньше на 20.. .30 мм ширины ж. - д. габарита (рис. 1).

Форма ковша должна обеспечивать минимально возможное сопротивление заполнению его грунтом, что достигается при определенном соотношении ширины Вк к высоте Нк и длины а к высоте Нк

У существующих скреперов т =ВКК = 1,4...1,78.

Отношение ак =а/Нк рекомендуется [3] принимать в зависимости от вместимости ковша .

Железнодорожный габарит І-В


.2 Тяговый расчет

Исходные данные:

q=4.5м3

Вк=2430мм

mс=4.36т

h=0.14м

g=1700 кг/м3

k=1.7*10-4

m2=2.1

y=0.5

x=0.24

kр=2.1

kf=0.5

kᵧ=2.4

hс=0.25м

f=0.03

H3=2.3м

.Определить сопротивление резанию грунта.

p*Вк*h=2,43*1.7*104*0.14=5.783кH

p-сопротивление резанию грунта (кН)

к-удельное сопротивление резанию

Вк-ширина ковша

.Определить сопротивление перемещению призмы волочения.

Wпр- cопротивление перемещению призмы волочения

пр*Вк*Н2*g*g*m2р*103=0.5*2.43*(1.701)2*1700*9.8*2.1/2.1*103=0.0586кН

2- коэффицент трения грунта по грунту

у- коэффицент объема призмы волочения

Кр- коэффицент разрыхления грунта

Н- высота ковша=2.6м

.Определить сопротивление наполнению ковша.

Wн- сопротивление наполнения ковша

Wн=g*B*H3*g *(hс+x* H3)*Kᵧ*Kf=

.8*2.43*2.3*1700(0.25+0.24*2.3)*2.4*0.5=89.612кH

3-наибольшая высота заполнения ковша грунтом.

X-коэффициент учитывающий влияние сил трения при движении столба грунта внутри ковша.

Kf=1-коэффицент, учитывающий изменение ширины стружки грунта,поступающий в ковш,в зависимости от формы ножа.

Кᵧ= 1.2 - коэффицент, учитывающий изменение поступления в ковш направления грунта

.Определить сопротивление перемещению груженного скрепера.

Wпер- сопротивление перемещению груженного скрепера

пер=mс*g*f=9.8*4360*0.03=1.282 kH

- коэффицент сопротивления перекатыванию колес=0.03

mс- масса скрепера

.Определить общее сопротивления копанию скрепера.

W0-общее сопротивление преодолеваемое тягачом скрепера

0= Wp+ Wпр +Wн +Wпер=5.783+0.0586+89.612+1.282=96.736кН

.3 Определение производительностей

2.3.1 Техническая производительность

1.Определить техническую производительность скрепера.

Птех=3600*q*Кн/tц*Кр=; м3/час

Кн=1-коэффициент наполнения ковша.

tц=продолжительность одного рабочего цикла.

ц=t1+ t2+ t3;

.3.2 Эксплуатационная производительность

Определить эксплуатационную производительность скрепера

Пэкс= Птех * t рв=

 р-продолжительность рабочей смены.

Кв=0.8-коэффициент использования скрепера во времени.

Тц- продолжительность рабочего цикла

Тц = 0.05*(l1/v1* l2/v2* l3/v3* l4/v4)+t1+tn+2tпов

Тц=0.05*(4.9/0.45*7/0.45*8/3.8*9/5.2)+0.5+0.1+2*0.75=3.615

1, tn -переключение передач (мин)=0.1

tпов- время поворота=0.75

1= v2=0.65 vpl=0.45 м/с

pl-скорость на первой передаче=0.69м/с

vmax=10 vpl=6.9 м/с-скорость на максимальной передаче

l1- длина пути заполнения ковша

l2- длина разгрузки

l3-длина транспортирующего движения ковша

l4-длина пустого ковша

l1=q*Kнк*hn=4.5*0.8/2.1*0.35=4.9 м

l2=7м

l3=8м

l4=10м

3. Техника безопасности при эксплуатации скрепера и охрана труда

 

3.1 Требования безопасности при скреперных работах


Общие требования. Безопасности людей и машин, предотвращению аварий и несчастных случаев в нашей стране придается большое значение. С этой целью постоянно совершенствуются конструкции машин, улучшаются условия труда машиниста, разработаны специальные требования и правила безопасности, которые машинист должен знать и выполнять неукоснительно. Залогом безопасной работы являются отличное знание машинистом устройства и правил работы на машине и ее исправность.

При эксплуатации бульдозеров и скреперов необходимо руководствоваться правилами, приведенными в СНиП Ш-4- 80 и системе стандартов ССТБ.

На скреперах разрешается работать лицам, достигшим 18 лет, прошедшим специальное обучение и имеющим удостоверения на право управления этими машинами. Машинистам самоходных скреперов необходимо иметь права водителя автомобиля, выданные Госавтоинспекцией. Допуск к работе на машине оформляют приказом по строительной организации. Запрещается работать на неисправной машине. Перед выездом на работу машинист и механик должны проверить техническое состояние машины и при обнаружении неисправностей устранить их. Особое внимание должно быть обращено на исправность рулевого управления, тормозов и сигнализации. До начала работы прораб или механик должен довести до сведения машиниста условия выполнения работы - схемы движения, способы взаимодействия с другими машинами и мероприятия по обеспечению безопасности труда. Перед началом движения следует убедиться, что путь свободен, и подать сигнал.

При перемещении машин своим ходом или на транспортном средстве, особенно с выездом на автомобильные дороги, необходимо строго выполнять требования правил дорожного движения. Особую осторожность следует проявлять при переездах через железнодорожные пути, мосты и искусственные сооружения с учетом указанных на них допускаемых нагрузок и габаритов.

На рабочей площадке должны быть приняты меры, предотвращающие опрокидывание или сползание машин. Откосы и косогоры, на которых предстоит работать машине, не должны превышать значений, допускаемых техническим паспортом. Приближение к откосам насыпи или выемки во избежание их обрушения ближе расстояний, указанных в табл. 16, не допускается как во время работы, так и при остановке машины.


В случае расположения рабочей площадки около линии электропередач (ЛЭП) необходимо учитывать требования электробезопасности. В этих зонах можно работать только при письменном разрешении и под наблюдением лиц, ответственных за безопасность.

При работе в темное время суток следует периодически очищать от грязи и пыли отражатели фар и плафонов.

Во время перерывов и по окончании работ машина должна быть установлена на ровной площадке и заторможена. Рычаги органов управления ставят в нейтральное положение, а кабину запирают. Не допускается оставлять машину с работающим двигателем. Во время осмотра машины рабочий орган (отвал, ковш) должен быть опущен на грунт, двигатель выключен или отключен привод.

Чтобы предотвратить несчастные случаи, запрещается:

·              допускать к работе необученных рабочих и посторонних лиц;

·              приступать к работе или продолжать ее при обнаружении любой неисправности;

·              устанавливать машину на свеженасыпанном, неутрамбованном грунте;

·              переезжать через кабели, трубопроводы без специальных защитных укрытий;

·              перевозить посторонних людей в кабинах;

·              запускать двигатель, используя движение под уклон;

·              останавливать машину на уклонах; в случае вынужденной остановки на уклоне необходимо выключить двигатель, затормозить машину ручным тормозом или подложить под колеса (гусеницы) упоры;

·              находиться под поднятым рабочим органом (отвалом, ковшом, заслонкой), удерживаемым гидроцилиндром или канатом;

·              пользоваться открытым огнем для ускорения пуска двигателя и или разогрева масла в картерах коробок передач и ведущих мостов, а также эксплуатировать машину при течи в топливных и масляных системах.

Запрещается во время работы кому-либо находиться между трактором и рабочим оборудованием прицепного скрепера.

В момент толкания скрепера не допускаются резкие удары отвалом по буферу.

При транспортировании скрепера своим ходом на большие расстояния необходимо закрепить ковш к тяговой раме специальными стопорами.

 

3.2 Техника безопасности при производстве земляных работ

Перед началом земляных работ в местах разработки грунта должно быть установлено наличие подземных коммуникаций и особенно электрических кабелей. Производство земляных работ в зоне расположения подземных коммуникаций допускается только по письменному разрешению организаций, ответственных за их эксплуатацию.

В непосредственной близости от существующих линий подземного хозяйства земляные работы должны производиться под наблюдением производителя работ или мастера, а в непосредственной близости от кабелей, находящихся под напряжением, кроме того, под наблюдением работников электрохозяйства.

При приближении к линиям действующих подземных коммуникаций (электрокабелям, напорным трубопроводам, газопроводам) пользование ударными инструментами (ломами, кирками, клиньями) должно быть запрещено. Разработка грунта вблизи кабелей, находящихся под напряжением, допускается только вручную землекопными лопатами без резких ударов.

Котлованы и траншеи, разрабатываемые на улицах, проездах и дворах населенных пунктов, а также в местах, где происходит движение людей и транспорта, должны быть ограждены. Для спуска рабочих в котлованы и широкие траншеи должны быть установлены стремянки шириной не менее 0,75 м с перилами, а для спуска рабочих в узкие места - приставные лестницы. Спуск рабочих в траншеи по распоркам креплений запрещается.

При гидромеханическом способе производства работ вблизи населенного пункта территорию производства работ ограждают. Перед началом работ удаляют всех рабочих из района действия струи гидромонитора. Пребывание людей на верху забоя в пределах призмы обрушения запрещается. Запрещается увеличивать рабочее давление гидромонитора сверх указанного в заводском паспорте.

Воздушные высоковольтные линии электропроводов, проходящие по забою, за 1-2 дня до подхода гидромониторов переносят в другое место. Возможность соприкосновения струи воды с проводами должна быть исключена. Время доступа людей на свеженамываемую территорию устанавливается лицом, ответственным за ведение работ.

3.3 Требования безопасности труда при транспортировании и хранении машин

При погрузке машины на прицеп и разгрузке с прицепа требуется следить за тем, чтобы не находились люди в зоне возможного ее падения (сползания).

После погрузки машины на прицеп следует проверить надежность ее крепления.

Перед транспортированием машин собственным ходом необходимо поднять ковш скрепера и закрепить его транспортной подвеской к раме скрепера, отключив гидропривод или лебедку, а у прицепных грейдеров - поднять тяговую раму в верхнее положение и закрепить цепью подвеса.

При транспортировании машин по дорогам следует передвигаться по правой их стороне с соблюдением интервала между машинами или транспортными агрегатами не менее 20 м.В случае плохой видимости на буксируемой машине при жесткой сцепке необходимо включить габаритные огни, при гибкой сцепке -передние.

Железнодорожные пути следует переезжать только через переезды на пониженной передачи при открытом шлагбауме. При отсутствии на переезде шлагбаума и сигнализации необходимо остановиться перед ним и убедиться в отсутствии приближающегося к переезду поезда.

При подъезде к мостам, плотинам необходимо убедиться в возможности проезда по ним.

Машины, остановившиеся на дороге на длительное время, необходимо огородить в дневное время красными флажками, а в ночное время - красными фонарями.

Запрещается транспортировать машины в ночное время без фар освещения и задних световых сигналов.

Площадки, на которых ведется подготовка машин к хранению, должны быть ровными, хорошо освещенными, не иметь посторонних предметов, обеспечивать хороший доступ к машине и возможность использования грузоподъемных средств, установки снятых с машины составных ее частей.

Гусеничные машины должны опираться на подкладки всей опорной поверхностью гусениц. Подставки, используемые под пневмоколесные машины, должны быть прочными и устойчивыми.

Чтобы машина самопроизвольно не откатывалась при подъеме ее домкратом, следует под колеса подложить колодки.

Снятые с машин сборочные единицы и детали необходимо укладывать на стеллажи: на нижние полки следует укладывать тяжелые детали, а на верхние - легкие.

Рабочие, выполняющие операции по нанесению защитных покрытий на детали машин, допускаются к работе после проведения инструктажа и освоения правил пользования защитными приспособлениями с очками,

Заключение

Скреперы широко используются в автодорожном и железнодорожном строительстве для возведения насыпей и разработки выемок, при строительстве гидротехнических сооружений, на вскрышных и многих других работах.

Перспективы дальнейшего развития землеройно-транспорт-ных машин заключаются в дальнейшем увеличении их производительности, прежде всего в результате повышения мощности, которая в ближайшие годы будет увеличена для серийных машин до 1100-2200 кет (1500-3000 л. с), а также скорости перемещения, которая для рабочих процессов уже теперь может быть повышена до 8-10 км/ч, а для транспортирования - до 70-90 км/ч.

Важная роль должна быть отведена вопросам резкого улучшения технологии рабочего процесса. У скреперов и бульдозеров это может быть достигнуто снижением сопротивления заполнению ковша и отвала путем улучшения их формы. Для всех машин важным направлением развития является универсализация, которая может быть обеспечена при увеличении числа различных съемных приспособлений, а также агрегатировании стандартных узлов машин для различной их компоновки. Это направление является основным средством повышения надежности и долговечности машин, сокращения сроков создания новой техники и резкого ускорения технического прогресса.

Список использованных источников

1. Сурашов Н.Т., Бурцев В.В., Мауленов Ж.К., Нурпеисова С.А. Методические указания к курсовому и дипломному проектированию по дисциплине "Машины для земляных работ" для студентов инженерно-строительных специальностей. - Алматы: КазГАСА, 2005.-31с.

. Волков Д.П.,Крикун В.Я. Строительные машины:Учебник.-Москва: АСВ,2002.376 с.

3. Плешков Д.И. и др. Бульдозеры, скреперы, грейдеры: Учеб. пособие.

/Д.И. Плешков, М.И. Хейфец, А.А. Яркин. - М.: Высшая школа, 1982. - 328 с.

4. Забегалов Г.В., Ронинсон Э.Г. Бульдозеры, скреперы, грейдеры: Учеб. пособие.- М.: Высшая школа, 1991. - 334 с.

5. Вейцман М.И. Карманный справочник строителя автомобильных дорог. - М: Транспорт, 1968. 198с.