1. Краткая характеристика объемно-планировочного
решения здания
Запроектированное одноэтажное промышленное здание в плане имеет форму прямоугольника. Размеры в плане по крайним осям: 36x60м. Здание одноэтажное, высота 14,400 м.
По объемно-планировочному решению здание пролетного типа, количество пролетов - 2: в осях А - Б и Б - В -18м. Шаг колонн основного каркаса крайнего и среднего ряда 12м.
Здание запроектировано по каркасной схеме из сборного железобетона. Пространственная жесткость и устойчивость здания обеспечивается поперечными рамами, образованными колоннами и стропильными фермами и продольными элементами: фундаментными и подкрановыми балками, плитами покрытия и вертикальными связями.
В здании имеются опорные мостовые краны в пролетах А-Б и Б-В грузоподъемностью 10 т.
По долговечности здание относится ко II классу, т.к. его конструктивные элементы рассчитаны на срок службы 50 - 100 лет.
По огнестойкости в соответствии с СНБ 2.02.01 - 98 здание относится ко II степени, т.к. основные конструктивные элементы здания выполнены из негорючих материалов- железобетона. Класс ответственности здания по СНиП 2.01.07 - 85 - второй.
При пожаре эвакуация людей из здания будет осуществляться через входные двери и ворота. Количество выходов - 3.
В здании запроектированы 2 пожарные лестницы, которые имеют выход на крышу. Тетива этой лестницы выполняется из угловой стали, ступени из круглых стержней.
Технико-экономические показатели:
) Площадь застройки здания 2254,09 м2
2) Площадь конструктивная: 79,01 м2
) Площадь рабочих помещений: 2175,07 м2
) Строительный объем: 41,92 м3
Таблица 1. Экспликация помещений
Номер
помещения
Наименование
Площадь,
м2
1
Душевая
18,56
2
Уборная
женская
9,39
3
Уборная
мужская
8,29
4
Коридор
31,24
5
Комната
отдыха
36,7
6
Тамбур
3,23
7
Помещение
для охраны
10,60
8
Гардероб
17,35
9
Кабинет
начальника цеха
15,84
10
Цех
испытания и сборки
2053,76
2. Конструктивное решение здания
.1 Фундаменты и фундаментные балки
Запроектированные в здании фундаменты -
железобетонные столбчатые сборные и монолитные. Отметка обреза фундаментов:
-0,150.
Под двухветвевые колонны основного каркаса
устраиваются столбчатые фундаменты стаканного типа, а под колонны фахверка --
пенькового типа.
Фундаменты устраиваются по бетонной подготовке
из бетона класса С 8/10 высотой 100мм. Зазор между колонной и стаканом
замоноличивается бетоном класса С 15/20 на мелком заполнителе.
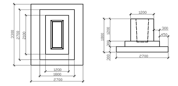
Подбор фундаментов под колонны основного каркаса
крайнего ряда сечением 1400 x
500 мм:
1. Подбор подколонника:
подк min= aк + 2*75 + 2*175 = 500+500=1000(мм)
вподк min = вк +2*75+2*175=1400+500=1900(мм)
По каталогу принимаем тип подколонника «Д» с
размерами 1200*2100(мм).
2. Подбор плитной части:
апод min = аподк +2*300*2=1200+1200=2400(мм)
впод min = вподк +2*300*2=2100+1200=3300(мм)
По каталогу принимаем фундамент марки ФД10-2,
серия I-412 - 2 / 77, высота 1800 мм,апод=2700мм, впод=3300мм.
Подбор фундаментов под колонны основного
каркаса среднего ряда сечением 1400 x
600 мм:
1. Подбор подколонника
подк min= aк + 2*75 + 2*175 =600+500=1100(мм)
вподк min = вк +2*75+2*175=1400+500=1900(мм)
По каталогу принимаем тип подколонника «Д» с
размерами 1200*2100(мм).
2. Подбор плитной части:
апод min = аподк +2*300*2=1200+1200=2400(мм)
впод min = вподк +2*300*2=2100+1200=3300(мм) апод=2700мм, впод=3300мм.
Рис. 1. Эскиз фундаментов крайнего и среднего
ряда
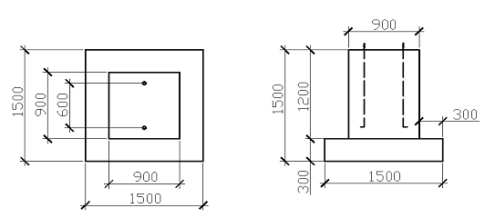
Подбор фундаментов под фахверковые колонны:
1. Подбор подколонника
aподк min= aк + 2*75 + 2*175 =400+500=900(мм)
вподк min = вк +2*75+2*175=400+500=900(мм)
. Подбор плитной части:
апод min = аподк +2*300=900+1200=1500(мм)
впод min = вподк +2*300= 900+1200=1500 (мм)
По каталогу принимаем фундамент марки ФФ1-1,
серия 1-412.1-4 / 77, высота 1500 мм.апод=1500мм, впод=1500мм.
Рис. 2. Эскиз фундаментов под фахверковые
колонны
Фундаментные балки служат для опирания на них
наружных стеновых панелей и защиты пола от продувания в случае просадки
отмостки.
Под фундаментные балки устраивается подсыпка из
крупнозернистого песка.
Для защиты фундаментов от поверхностных вод по
периметру наружных стен выполняется асфальтовая отмостка шириной 1500 мм по
щебневому основанию толщиной 150 мм. с уклоном от здания 5%.
Фундаментные балки укладываются на монолитные
бетонные столбики.
В месте установки ворот под наружные простенки
устраиваются монолитные ленточные фундаменты.
Отметка верха балок -0,030. На этой отметке
выполняется горизонтальная гидроизоляция из 2 слоев гидроизола ГИ-Г на мастике
кровельной и гидроизоляционной МБПХ «Аутокрин» СТБ 1262-2001.
Подбор фундаментных балок под самонесущие панели
стен:
Поз.Б-1. Lф.б. = 6000 - аподк/2 - аподк/2 - 75∙2
= 6000-600-500-75∙2= =4750 (мм)
Принимаем по каталогу фундаментную балку марки
3БФ48 длиной 4750 (мм)
Поз.Б-2. Lф.б. = 6000 - аподк/2 - аподк/2 -
500-50∙2 = 6000-600-500 -500-50∙=4300 (мм)
Принимаем по каталогу фундаментную балку марки
3БФ43 длиной 4300 (мм).
Поз.Б-3. Lф.б. = 6000 - bподк/2
- bподк/2 - 25∙2
= 6000-1500 -450-25∙2=4000 (мм)
Принимаем по каталогу фундаментную балку марки
3БФ40 длиной 4000 (мм).
Поз.Б-4. Lф.б. = 6000 - bподк/2
- bподк/2 - 25∙2
= 6000-450-450-25∙2=5050 (мм)
Принимаем по каталогу фундаментную балку марки
3БФ51 длиной 5050 (мм).
Поз.Б-5. Lф.б. = 6000 - bподк/2
- bподк/2 - 25∙2
= 6000-450-1050-25∙2=4450 (мм)
Принимаем по каталогу фундаментную балку марки
3БФ45 длиной 4450 (мм).
Рис. 3. Эскиз фундаментной балки
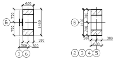
.2 Колонны
В данной каркасной схеме применены сборные
железобетонные колонны.
Колонны основного каркаса двухветвевые для
зданий с мостовыми кранами, сечение колонн прямоугольное.
Фахверковые колонны сечением 400x400
по осям А-В и 1-6 образуют торцовый и продольный фахверк, предназначенный для
крепления стеновых панелей.
Рис. 4. Эскиз колонны среднего ряда. Эскиз
колонны фахверковой колонны. Эскиз крайнего ряда.
Рис. 5. Эскиз привязки колонн крайнего ряда
Рис. 6. Эскиз привязки колонн среднего ряда
Фахверковые колонны к поперечным дополнительным
осям имеют центральную привязку, а к торцевым осям 1и 6 - нулевую, относительно
крайних продольных осей наружная грань смещена на 250 мм (двусторонняя
привязка), к дополнительным продольным осям привязка центральная.
Рис. 7. Эскиз привязки колонн фахверка
.3 Несущие конструкции покрытия
В здании в качестве основных несущих конструкций
покрытия запроектированы сборные железобетонные стропильные сегментные
раскосные фермы. Межферменное пространство используют для пропуска инженерных
коммуникаций (воздуховодов и распределителей воздуха).
Фермы укладываются в пролете А-Б и Б-В длиной
18м. Стропильные фермы по верхнему поясу имеют закладные детали для крепления
плит покрытия, которые располагаются в узлах ферм, а также предусмотрены
закладные детали на опорных участках внизу для приварки к ним накладных опорных
листов, с помощью которых фермы крепятся к колоннам.
Рис. 8. Эскиз сегментной раскосной стропильной
фермы
.4 Покрытие
Покрытие здания совмещенное невентилируемое,
состоит из несущей (стропильные фермы) и ограждающей (комплексные плиты
покрытия типа 3ПГ-1) частей
Плиты покрытия укладываются на верхний пояс
стропильных ферм, а в торцах здания - на выносные опорные планки и
привариваются к ним, сами выносные опорные планки приварены к закладным деталям
стропильных ферм.
По каталогу приняты сборные железобетонные
ребристые комплексные плиты покрытия 12x3м
и высотой 450мм.
Рис 9. Эскиз Комплексных плит покрытия : а)
глухих; б) с проемом для устройства крышных дефлекторов.
1. Железобетонная ребристая плита покрытия
высотой 450 мм по серии 1.465-3/80;
. Пароизоляция -рубероид РПП-300 на мастике
кровельной и гидроизоляционной МБПХ «Аутокрин» СТБ 1262-2001.
. Утеплитель- аглопоритобетон;
. Нижний слой основного водоизоляционного ковра
- Рубероид РПП-300 ГОСТ 10923-93 на мастике кровельной и гидроизоляционной МБПХ
«Аутокрин» СТБ 1262-2001.
. Верхний слой основного водоизоляционного ковра
- Рубероид РПП-350 ГОСТ 10923-93 (с мелкозернистой посыпкой с лицевой стороны
(слюда) и пылевидной с нижней стороны полотна) на мастике кровельной и
гидроизоляционной МБПХ «Аутокрин» СТБ 1262-2001.
На концах ребер плит имеются закладные детали
для приварки к закладным деталям конструкций стропильных ферм. Привариваются
плиты не менее чем в 3х точках.
Швы между комплексными плитами покрытия
заделывают бетоном на мелком заполнителе М200, предварительно уложив бруски и
доски( где ширина шва превышает 25 мм), далее укладывается пароизоляция,
вровень с утеплителем плиты засыпается керамзитовый гравий, устраивается
выравнивающая цементно-песчаная стяжка, и на мастике наклеиваются 2 полосы
рубероида для нижнего и верхнего водоизоляционного ковра.
В местах примыкания к вертикальным поверхностям,
местах устройства водоприемных воронок, ендов основной водоизоляционный ковер
усиливается дополнительными слоями рубероида.
Водоотвод с покрытия в осях А-В запроектирован
внутренний организованный. Система водоотвода состоит из водоприемных воронок
(6 штук) и стояков, выходящих в ливневую канализацию.
2.5 Подкрановые балки
Подкрановые балки имеют двутавровое сечение.
Рельсы для движения кранов устанавливаются на упругую прокладку из
прорезиненной ткани толщиной 8 мм и закрепляются парными лапками на болтах.
Подкрановые балки, располагаемые в торцах здания
имеют отверстия для крепления концевого упора и смещенные внутрь шага колонн
закладные детали.
Рис 10. Эскиз подкрановых балок : а)
устанавливаемых в среднем шаге; б) устанавливаемых в крайнем шаге, на которые
устанавливаются концевые упоры. В здании запроектированы шлакопемзобетонные
однослойные самонесущие стеновые панели толщиной 300 мм. Предусмотрены рядовые,
парапетные, простеночные и цокольные стеновые панели. В углах здания
устанавливаются удлиненные стеновые панели длиной 6580 мм
Cтеновые панели
крепятся
по продольному фасаду к закладным деталям
железобетонных колонн основного каркаса и колонн продольного фахверка; к
закладным деталям плит покрытия, к стальным надставкам фахверковых колонн;
по торцевому фасаду к закладным деталям
железобетонных колонн фахверка; к металлическим стойкам фахверка. К закладным
деталям плит покрытия, к стальным надставкам фахверковых колонн.
Рис. 11. Эскиз стеновой панели
В здании запроектированы выгораживающие сборные
железобетонные и кирпичные перегородки. Они крепятся к колоннам и кирпичным
столбам, установленным на подбетонку в 100 мм в конструкции пола.
.7 Окна, ворота, двери
Остекление здания проемное. Окна приняты по ГОСТ
12506-81 деревянные с горизонтальной и вертикальной осью навески переплетов,
открывающимися наружу и глухие, с двойным остеклением. Оконные блоки
устанавливаются на стеновые панели и крепятся к панелям с помощью анкеров.
Перед установкой оконная коробка оборачиваются рубероидом. Расстояние от пола
до низа открытого проема летом 1,2 м, зимой -4,8 м.
Зазоры межу окнами и панелью заполняют
просмоленной паклей.
Двери приняты деревянные с глухими полотнами и
ПВХ с глухими и частично остекленными полотнами.
ОК 2 ОК-1
Рис. 12.Эскиз окон
Рис. 13. Эскиз дверных блоков
Ворота запроектированы распашные деревянные
размером 3x3м.
Снаружи здания перед воротами устраивается
пандус с уклоном 1:10.
Полотна ворот и калиток состоят из деревянных
каркасов, обшитых с двух сторон по вертикали строгаными досками толщиной 16 мм
и шириной 120 мм, соединенными между собой по кромке в четверть или паз и
гребень.
Ворота оборудуются воздушной тепловой завесой.
ВРК30-30
ГОСТ 18853-73.
Рис 14. Эскиз ворот
Таблица 2. Спецификация элементов заполнения
проемов
Поз.
Обозначение
Наименование
Количество
по фасадам
Масса
ед., кг
Прим.
1-6
6-1
В-А
А-В
Всего
Окна
ОК-1
СТБ
939-93
О3С18-30А
15
15
4
6
40
ОК-2
О3С18-30Б
7
7
2
3
19
ОК-3
ОС12-12Ш
-
-
-
-
1
ОК-4
О3С18-30В
-
-
1
-
1
Блоки
дверные
1
СТБ
1138-98
ДНПЧ2
21-13 Н
- 1
-
1
2
ДВПЧ
21-13
-
-
-
-
1
3
ДВДГ
21-10
-
-
-
-
4
4
ДВПГ
21-8
-
-
-
-
2
Ворота
ГОСТ
18853-73.
ВРК30-30
1
1
-
-
2
2.8 Экспликация полов
Таблица 3.Экспликация полов.
Номер
помещения
Тип
по-ла
Схема
пола или тип пола по серии
Элементы
пола и их толщина, мм
Площадь,
м2
1,2,3 1 Клеевой
состав «Люкс» 10
Гидроизоляция
-2 слоя гидроизола ГИ-Г на мастике МБПХ «Аутокрин» СТБ 1262-2001
Состав
самонивелирующийся «Люкс» 5
Подготовка
- керамзитобетон 80
Гидроизоляция
-1 слой гидроизола ГИ-Г
Основание-песчано-гравийная
смесь (35-50%гравия) 12036,24
5,9 2 Прослойка
-- клей Бустилат
Стяжка
-цементно-песчаный раствор 20
Подготовка
- керамзитобетон 80
Гидроизоляция
-1 слой гидроизола ГИ-Г
Основание
- песчано-гравийная смесь (35-50%гравия) 12052,54
4,6,7,8 3 Стяжка
- цементно-песчаный раствор 20
Подгототовка-керамзитобетон
80
Гидроизоляция
-1 слой гидроизола ГИ-Г
Основание
- песчано-гравийная смесь (35-50%гравия) 12062,42
10 4 Стяжка
-цементно-песчаный раствор 20
Подготовка
- бетон М50 80
Гидроизоляция
-1 слой гидроизола ГИ-Г
Основание
- песчано-гравийная смесь (35-50%гравия) 1202053,76
3. Спецификация основных сборных железобетонных
конструкций
Таблица 4. Спецификация основных сборных
железобетонных конструкций
Поз.
Обозначение
Наименование
Кол-во
Масса
ед.,кг
Прим. К-1
серия
1.424.1-9
КДШ-50-а
2
14,7
К-2
КДШ-54-а
2
18,5
К-3
КДШ-50-б
2
14,7
К-4
КДШ-54-б
2
18,5
связевая
К-5
КДШ-50-в
2
14,7
связевая
К-6
КДШ-50-г
2
14,7
связевая
К-7
КДШ-50
4
14,7
К-8
КДШ-54
2
18,5
К-9
серия
1.427.1-3
3КФ145
18
5,8
Стропильные
конструкции
4
ФС-18
12
9,4
Плиты
покрытий
П-1
Серия
1.465.1-10/82 Вып 0,1,2
3ПГ-3АIУТ-100ЛАР-300М-а
2
7,8
П-2
3ПГ-3АIУТ-100ЛАР-300М-б
10
7,8
П-3
3ПГ-3АIУТ-100ЛАР-300М-в
2
7,8
П-4
3ПГ-3АIУТ-100ЛАР-300М-г
6
7,8
П-5
3ПГ-3АIУТ-100ЛАР-300М
26
7,8
П-6
3ПВ7-3АIУТ-100ЛАР-300М
4 П-7
ПД
15.4-6
80
доборные
Подкрановые
балки
БК-1
1.426.1-4,
вып.1, 2, 3
БК12-2АIУ-С
12
10,3
сред.
БК-2
БК12-2АIУ-К
6
10,3
торц.
Стеновые
панели
ПС-1
Серия
1.432-9/81
ПС
600.12.30-II-2
30
3,2
цокольн.
ПС-2
ПС
600.18.30-II-1
90
5
рядовая
ПС-3
Серия
1.432-9/81
ПС
600.18.30.-II-3
24
5
перемыч.
ПС-4
ПС
145.18.30-II-А
24
1,2
простен.
ПС-5
ПС
295.18.30-II
56
2.5
простен
ПС-6
ПС
600.18.30-II-4
24
5
парапетн.
ПС-7
ПС
660.9.30-II-21(22)-4
4
2,7
парапетн.
ПС-8
ПС600.18.30-II-5
4
5
парапетн.
ПС-9
ПС
660.18.30-II-11(12)-1
32
5.5
рядовая
ПС-10
ПС
660.12.30-II-1
4
3,4
рядовая
ПС-11 4
3,4
цокольн.
Фундаментные
балки
Б-1
Серия
1.415.1-2
3БФ48
14
Б-2
3БФ43
4
Б-3
3БФ40
4
Б-4
3БФ51
4
Б-5
3БФ45
5
Фундаменты
ФД-1
серия
1-412 - 2 / 77
ФД10-2
ФФ-1
серия
1-412.1-4 / 77
ФФ1-1
Панели
перегородок
ПГ-1
Серия
1.030.9-2 вып. 0…7
ПГ30.30-2-Л-В1
2
1,2
ПГ-2
ПГ58.30-1-1-Л
2
2,21
ПГ-3
ПГ58.30-1-Т-Д1
1
2,83
ПГ-4
ПГ60.30-1-Л
2
2,29
фундамент колонна стена остекление
Список литературы
1. Буга П.Г. Гражданские,
промышленные и сельскохозяйственные здания. М., 1987г.
. Кутухтин Е.Г., Коробков А.В.
Конструкции промышленных и сельскохозяйственные зданий и сооружений М., 1982г.
. Неелов В.А. «Промышленные и
сельскохозяйственные здания» Москва Стройиздат 1980
. Орловский Б.Я. «Промышленные
здания» Москва «Высшая школа» 1975г.
. Шерешевский И.А. «Конструирование
промышленных зданий и сооружений» издание стереотипное Москва «Архитектура-С»
2005 г.
. Общесоюзный каталог типовых
конструкций и изделий одноэтажных зданий. Сборник 3.01.П-1.85 в двух томах.
Железобетонные конструкции и изделия одноэтажных зданий промышленных
предприятий, том 1, том 2-Киев 1986г. ГОССТРОЙ СССР ЦИТП.
. Территориальный каталог типовых
сборных железобетонных конструкций зданий и сооружений для промышленного
строительства в белорусской ССР. Сборник ТК-1-82 (в двух томах).
. СНиП 2.09.02-85* Производственные
здания.
. ГОСТ 18853-73 « Ворота деревянные
распашные для производственных зданий и сооружений. Технические условия»
. СНиП 2.03.13-88 «Полы»


Покрытие -
плитка керамическая 300x300 -10, заполнение швов-фуга
Покрытие-линолеум
на тканевой подоснове 5
Покрытие-
брекчевидная плитка 300x300 -30, заполнение швов -цементно-песчаный
раствор.
Покрытие -
отделочный мозаичный слой , раскладка из стекла 4x20 20