Материал: Проектирование наземных ретрансляционных станций

Внимание! Если размещение файла нарушает Ваши авторские права, то обязательно сообщите нам

Проектирование наземных ретрансляционных станций

Содержание

Введение

. Основные технические сведения

. Структурная схема РРЛ как часть гипотетической эталонной цепи

. Нормирование качественных показателей стволов РРЛ

.1 Нормы на шумы в канале ТЧ аналоговой РРЛ

.2 Нормы на отношение сигнала изображения к напряжению помех в телевизионном канале аналоговой РРЛ

.3 Нормы на показатель неготовности в цифровой РРЛ

. Планы распределения частот

. Построение профиля пролета и определение высот подвеса антенн

.1 Построение профиля пролета

.2 Выбор высот подвеса антенн

. Расчет потерь, вносимых антенно-волноводным трактом (АВТ)

. Расчет минимально допустимых множителей ослабления рабочих стволов

.1 Расчет для телефонного ствола

.2 Расчет для телевизионного ствола

.3 Расчет для цифрового ствола

. Проверочный расчет устойчивости связи на РРЛ

.1 Расчет устойчивости связи на АРРЛ

.2 Расчет показателя неготовности ЦРРЛ

. Расчет диаграмм уровней сигнала на пролете

.1 АРРЛ, Vmin 0,1%

.2 АРРЛ, V(80%)

.3 ЦРРЛ

Заключение

Список литературы

Введение

Радиорелейная система передачи (РРСП) - радиосистема, в которой сигналы электросвязи передаются посредством радиоволн в открытом пространстве с помощью наземных ретрансляционных станций.

Согласно номеру варианта (вариант № 14) в данном курсовом проекте рассматривается аппаратура КУРС-6. Аппаратура КУРС-6 работает в диапазоне 6 ГГц и предназначена для магистральных радиорелейных линий (РРЛ).


Основные технические сведения

Основные технические характеристики заданной аппаратуры приведены в таблице 1.

Таблица 1 - Основные технические данные аппаратуры АРРЛ КУРС-6

Диапазон частот, ГГц

5,67 - 6,17

Средняя длина волны, см

5,07

Система резервирования

поучаст. 3+1 и 7+1 или 6+2

Мощность передатчика, Вт (дБВт)

10 (10)

Коэффициент шума, ед (дБ)

10 (10)

Ширина полосы пропускания приемника, МГц

40

Число каналов ТЧ

1320

Верхняя частота линейного спектра, кГц

5932

Эффективная девиация частоты на канал, кГц

140

Уровень включения ЗГ, пВт (дБВт)

25 (-106)

Коэффициент системы полный, дБ: ТФ ТВ

 143 158


Цифровые РРС используются для организации цифровых трактов со скоростями от 2 до 140 Мбит/с. В таблице 2 приведены основные параметры заданной аппаратуры МИК-РЛ13.

Таблица 2 - Основные технические данные аппаратуры

Частота, ГГц

12,75-13,25

Мощность передатчика, Вт (дБВт)

-1,5

Число ТФ каналов

480

Метод модуляции

4-ФМ

Скорость передачи ЦС по стволу, Мбит/с

2 8 34

Мощность сигнала пороговая при Pош = 10-3, дБВт

-120 -116 -111


Для оборудования аналоговой РРЛ (АРРЛ) определяем максимальное и минимальное значения длины волны λmax и λmin:

 см,  см.

Полоса пропускания ТФ-ствола АРРЛ определяется по формуле:

,(1)

где Fв = 5932 кГц - верхняя частота линейного спектра (таблица 1);

Δfп(0,1%) - квазипиковая девиация частоты (максимальное отклонение частоты под действием модулирующего сигнала, соответствующее квазипиковой мощности группового сигнала Pп(0,1%), превышаемой в течение 0,1% времени).

 (2)

Где Δfк = 140 кГц - эффективная девиация частоты на канал (девиация частоты на выходе модулятора, соответствующая измерительному сигналу мощностью 1 мВт на входе любого канала ТЧ), из таблицы 1;ср = -13 дБм - средняя мощность одного канала по нормам ВСС для систем с N > 240;

χ(0,1%) = 10,5 дБ - пик-фактор группового сигнала для систем с N > 240;

Подставим полученное значение в формулу (1) и определим полосу пропускания ТФ-ствола:

 кГц.

Полоса пропускания ТВ-ствола АРРЛ:

 (3)

 МГц,

где Fв = 6 МГц - верхняя частота линейного спектра ТВ-сигнала;

ΔfТВ = 4 МГц - девиация частоты ТВ-сигнала.

Эффективная шумовая температура приемника АРРЛ:

 (4)

Т0= 293 К - эффективная шумовая температура источника,

nш = 10 ед - коэффициент шума.

Определим максимальное и минимальное значения длины волны λmax и λmin для оборудования цифровой РРЛ (ЦРРЛ):

 см,

 см.

Коэффициент системы  ЦРРЛ:

 дБВт,

где Pпд = -1,5 дБВт - мощность передатчика (таблица 2);

Pс пор = -111 дБВт - пороговая мощность сигнала, при которой соблюдается вероятность ошибки Pош ≤ 10-3 (таблица 2).

2. Структурная схема РРЛ как часть гипотетической эталонной цепи

Исходные данные:

Длина РРЛ L = 850 км.

Определим число секций:

,

где lc - протяженность секции (для магистральной РРЛ, ВСС lc=250 км);

[*]БЦ - операция округления до большего целого числа.

Общее количество интервалов РРЛ равно:

 (5)

mс = 6 - число интервалов (пролетов) в каждой секции магистральной РРЛ.

Исходя из проделанных расчетов, можно определить число станций:

·      оконечных - 2;

·        узловых - 3;

·        промежуточных - 20;

·        всего на РРЛ - 25.

3. Нормирование качественных показателей стволов РРЛ

.1 Нормы на шумы в канале ТЧ аналоговой РРЛ

В любом телефонном канале гипотетической эталонной цепи протяженностью 2500 км должны выполняться нормы на допустимую мощность шума, приведенные в таблице 3.

Таблица 3 - Нормы на шумы в канале ТЧ магистральной АРРЛ

Эталонная протяженность РРЛ, L, км

Нормируемый показатель

Значение нормируемого показателя

2500

Среднеминутная псофометрическая* мощность шума, которая может превышаться не более чем в 20% времени любого месяца: Pш 20%, пВт

10000


Среднеминутная псофометрическая мощность шума, которая может превышаться не более чем в 0,1% времени любого месяца: Pш 0,1%, пВт

50000


Средняя за 5 мс невзвешенная мощность шума, которая может превышаться не более чем в 0,01% времени любого месяца: Pш 0,01%, пВт

1000000


* Измерение шумов в канале ТЧ производится псофометром, представляющим собой квадратичный вольтметр с включенным на входе фильтром, АЧХ которого учитывает чувствительность уха и телефона к частотам от 300 до 3400 Гц. Измеренные псофометром шумы называются псофометрическими (взвешенными).

3.2 Нормы на отношение сигнала изображения к напряжению помех в телевизионном канале аналоговой РРЛ

Нормы на отношение сигнала изображения к напряжению помех в телевизионном канале гипотетической эталонной цепи протяженностью 2500 км приведены в таблице 4.

Таблица 4 - Нормы на отношение сигнала изображения к напряжению помех в телевизионном канале магистральной АРРЛ

Эталонная протяженность РРЛ, L, км

Нормируемый показатель

Значение нормируемого показателя

2500

Величина, ниже которой отношение сигнала изображения к визометрическому** шуму  может падать не более чем 20% времени любого месяца, дБ 61



Величина, ниже которой отношение сигнала изображения к визометрическому шуму  может падать не более чем 1% времени любого месяца, дБ57



Величина, ниже которой отношение сигнала изображения к визометрическому шуму  может падать не более чем 0,1% времени любого месяца, дБ49



** Визометрическое напряжение шума есть напряжение, измеренное квадратичным вольтметром с временем интеграции 1 с через включенный на входе визометрический (взвешивающий) фильтр. АЧХ визометрического фильтра учитывает чувствительность человеческого глаза к различным по частоте составляющим шума на экране телевизора.

.3 Нормы на показатель неготовности цифровой РРЛ

Таблица 5. Нормы на показатель неготовности (ПНГ) ЦРРЛ

Качество линии

ПНГ, %

Линии связи высокого качества

≤ 0,3 L / 2500

Линии связи среднего качества

1 класс

≤ 0,033 (L=280 км)


2 класс

≤ 0,05 (L=280 км)


3 класс

≤ 0,05 (L=50 км)


4 класс

≤ 0,1 (L=50 км)

Линии связи локального качества

= 0,01-1


Неготовность аппаратуры - это такое состояние участка ЦРРЛ, при котором в течение десяти секундных интервалов, следующих подряд, имеет место хотя бы одно из событий:

• пропадание сигнала (потеря синхронизации);

• коэффициент ошибок kош = Nош / N > 10-3, где N - число переданных символов, Nош - число ошибочно принятых символов.

Нормы на показатель неготовности (ПНГ) - допустимые проценты времени, в течение которого цифровая РРЛ может находиться в состоянии неготовности.

4. Планы распределения частот

Исходные данные:

Аппаратура АРРЛ - КУРС-6;

Аппаратура ЦРРЛ - МИК-РЛ13;

Число ТФ стволов - 2;

Число ТВ стволов - 1.

Полный план распределения частот радиорелейных систем КУРС-6, работающих в диапазоне 6 ГГц, приведен на рисунке 2. План позволяет организовать восемь дуплексных широкополосных стволов по двухчастотной системе.

Рисунок 1 - План распределения частот для системы КУРС-6

Номинальные значения частот стволов, МГц, определяются по формулам:

fn = f0 - 259 + 28 n,(6)

а в верхней половине диапазона fn/ - по формуле:

fn/ = f0 + 7 + 28 n,(7)

где n = 1, 2, 3, 4, 5, 6, 7, 8;

f0 = 5920 МГц для диапазона 6 ГГц;

Для АРРЛ КУРС-6 задано количество ТФ- и ТВ-стволов, дополнительно добавляется один резервный ствол. Таким образом, число стволов в канале:

+ 1 + 1 = 4.

Используются стволы с нечетными номерами (1, 3, 5 и 7). Определим номинальные значения частот приема и передачи по формулам (6) и (7):

Частоты приема:  МГц,

 МГц,

 МГц,

 МГц.

Частоты передачи:  МГц,

 МГц,

 МГц,

 МГц.

План распределения частот с заданным количеством стволов изображен на рисунке 2.

Рисунок 2 - План распределения частот системы КУРС-6 для 4 стволов

5. Построение профиля пролета и определение высот подвеса антенн

.1 Построение профиля пролета

Исходные данные:

Длина интервала R0 = 49 км;

Для расчета линии условного нулевого уровня используется формула:

y = (R02 / (2а)) ki (1 - ki), (8)

где ki = Ri / R0 - относительная координата текущей точки на оси абсцисс;

R0 = 49 км - длина пролета;

Ri - расстояние до текущей точки;

а = 6370 км - геометрический радиус Земли.

Найдем высоты текущих точек по формуле (8):

,,

, м,

, м,

, м,

, м,

, м,

, м,

, м,

, м,

,  м,

..

От найденной линии нулевого уровня откладывают вертикально вверх высотные отметки профиля hi в точках ki и получают точки высот профиля, которые соединяют ломаной линией.

Рисунок 3 - Профиль пролета с учетом условного нулевого уровня

Результаты расчета профиля интервала с учетом условного нулевого уровня занесем в таблицу 6.

Таблица 6 - Расчет профиля пролета

ki

0

0,1

0,2

0,3

0,4

0,5

0,6

0,7

0,8

0,9

1,0

hi, м

73

56

70

74

62

55

44

33

85

48

68

yi, м

0

17

30

40

45

47

45

40

30

17

0

yi+hi, м

73

73

100

114

107

102

89

73

115

65

68


Найдем высоты текущих точек ЦРРЛ по формуле (8):

,;

, м;

, м;

, м;

, м;

, м;

, м;

, м;

, м;

,  м;

,.

Расчеты были приведены с учетом того, что длина интервала ЦРРЛ

R0 = L/3=48/3=16 км.

Результаты расчета профиля ЦРРЛ интервала с учетом условного нулевого уровня занесем в таблицу 7.

Таблица 7 - Расчет профиля пролета ЦРРЛ

ki

0

0,1

0,2

0,3

0,4

0,5

0,6

0,7

0,8

0,9

1,0

hi, м

87

55

38

28

25

30

52

72

76

60

67

yi, м

0

1,808

3,215

4,22

4,82

5,024

4,823

4,22

3,215

1,808

0

yi+hi

87

56,81

41,21

32,2

29,82

35,024

56,82

76,22

79,215

61,808

67


.2 Выбор высот подвеса антенн

Исходные данные для АРРЛ:

Вертикальный градиент = -8∙10-8 м-1;

Стандартное отклонение σ = 8,5∙10-8 м-1;

Средняя длина волны λ = 5,07 см;

Наивысшая точка пролета при k9 = 0,8.

Выбор высот подвеса антенн (h) определяется высотой просвета при нулевой рефракции Н(0), которая откладывается вертикально вверх от самой высокой точки профиля (вершины препятствия). Через эту точку проводят линию, соединяющую центры антенн на станциях, ограничивающих пролет.

На пролетах 1-го типа местность пересеченная (нет зеркального отражения от Земли). Величина Н(0) вычисляется по формуле:

H(0) = H0 + d - ΔH(+ σ),(9)

где Н0 - радиус минимальной зоны Френеля;

 - изменение просвета на пролете за счет атмосферной рефракции;

d - средняя ошибка топографической карты (для равнинно-холмистой местности и масштаба карты 1:105 значение средней ошибки d = 9 м).

Определим радиус минимальной зоны Френеля:


где k = k9 = 0,8 для наивысшей точки пролета.

Изменение просвета на пролете за счет атмосферной рефракции вычисляется по формуле:


Подставив полученные значения в формулу (9), получим высоту просвета при нулевой рефракции:


Точка А (см.рис.5) над наивысшей точкой пролета (hА = 115 м) с учетом просвета имеет высоту:

+ 21 = 136 м.

Следовательно, левая антенна, находящаяся на высоте 73 м от условного нулевого уровня, должна иметь высоту 136 - 73 = 63 м. Правая антенна расположена на высоте 68 м от условного нулевого уровня. Для достижения уровня 136 м высота правой антенны должна быть равной 68 м. Однако желательно, чтобы высоты подвеса антенн были одинаковыми (не менее 15 м и не более 120 м). Разделив разницу между высотами антенн (68 - 63 = 5 м) на 2, получим высоту каждой из них равной:

hл = 63 + 2,5 = 65,5 м,

hп = 68 - 2,5 = 65,5 м.


Рисунок 4 - Профиль пролета АРРЛ с выбранными высотами антенн

Исходные данные для ЦРРЛ:

Вертикальный градиент = -8∙10-8 м-1;

Стандартное отклонение σ = 8,5∙10-8 м-1;

Средняя длина волны λ = 0,023 м;

Наивысшая точка пролета при k9 = 0,8.

Выбор высот подвеса антенн (h) определяется высотой просвета при нулевой рефракции Н(0), которая откладывается вертикально вверх от самой высокой точки профиля (вершины препятствия). Через эту точку проводят линию, соединяющую центры антенн на станциях, ограничивающих пролет.

На пролетах 1-го типа местность пересеченная (нет зеркального отражения от Земли). Величина Н(0) вычисляется по формуле:

H(0) = H0 + d - ΔH(+ σ),

где Н0 - радиус минимальной зоны Френеля;

 - изменение просвета на пролете за счет атмосферной рефракции;

d - средняя ошибка топографической карты (для равнинно-холмистой местности и масштаба карты 1:105 значение средней ошибки d = 9 м).

Определим радиус минимальной зоны Френеля:


где k = k9 = 0,8 для наивысшей точки пролета.

Изменение просвета на пролете за счет атмосферной рефракции вычисляется по формуле:


Подставив полученные значения в формулу (8), получим высоту просвета при нулевой рефракции:


Точка А (см. рис.5) над наивысшей точкой пролета (hА = 115 м) с учетом просвета имеет высоту:

,2 + 13,48 = 92,69м.

Следовательно, левая антенна, находящаяся на высоте 87 м от условного нулевого уровня, должна иметь высоту 92,69 - 87 = 5,69 м. Правая антенна расположена на высоте 67 м от условного нулевого уровня. Для достижения уровня 92,69 м высота правой антенны должна быть равной 25,69 м. Однако желательно, чтобы высоты подвеса антенн были одинаковыми (не менее 15 м и не более 120 м). Разделив разницу между высотами антенн (25,69 - 5,69 = 20 м) на 2, получим высоту каждой из них равной:

hл = 5,69 + 10 = 15,69 м,

hп = 25,69 - 10 = 15,69 м.

Профиль пролета с выбранными высотами антенн приведен на рисунке 5

Рисунок 5 - Профиль пролета ЦРРЛ с выбранными высотами антенн

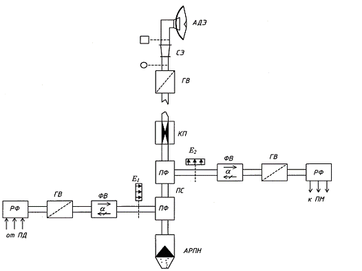
6. Расчет потерь, вносимых антенно-волноводным трактом (АВТ)

Исходные данные:

Антенна АРРЛ - АДЭ-3,5;

Рисунок 6 - Структурная схема АВТ (для антенн типа АДЭ)

Обозначения:

АДЭ - антенна двухзеркальная с эллиптическим конусом;

СЭ - согласующий элемент;

ГВ - гермовставка;

КП - корректор поляризации;

ПФ - позиционный фильтр;

ФВ - ферритовый вентиль;

РФ - разделительный фильтр по частоте;

АРПН - антирезонансная поглощающая нагрузка.

Суммарные потери в АВТ для АРРЛ рассчитываются по формуле:

bΣ = bЭЛ АВТ + αвlв + αгlг, (12)

где bЭЛ АВТ = 2,4 дБ - потери в элементах АВТ;

αв и αг - потери на единицу длины в вертикальном и горизонтальном волноводах соответственно (считать αг = 0,05 дБ/м, зависимость αв от диапазона частот приведена в таблице 8);

lв - длина вертикального волновода (lв = h - 3, м);

lг = 10 м - расстояние от вышки до технического здания.

Таблица 8 - Зависимость потерь на единицу длины в вертикальном волноводе от диапазона частот

f, ГГц

2

4

6

8

11

15

αв, дБ

0,02

0,013

0,09

0,085

0,091

0,11


Так как система КУРС-6 работает в диапазоне 6 ГГц, то потери на единицу длины в вертикальном волноводе αв = 0,09 дБ. Длина вертикального волновода для обеих антенн с учетом их высот будет равна:

lв = hл - 3 = hп - 3 = 65,5 - 3 = 62,5 м.

Величины суммарных потерь в АВТ для левой и правой антенн ( и ) также будут равны. Рассчитаем их по формуле (12):

дБ.

Считается, что в ЦРРСП приемопередатчики объединены с антенной в виде моноблока, приемопередающий блок соединяется с антенной коротким отрезком гибкого волновода. В этом случае суммарные потери в АВТ для ЦРРЛ равны 0,5 дБ:  = 0,5 дБ.

7. Расчет минимально допустимых множителей ослабления рабочих стволов АРРЛ и запаса на замирания ЦРРЛ

В реальных условиях поверхность земли и среда, в которой происходит распространение радиоволн, существенно влияют на уровень сигнала в месте приема. Их влияние учитывается множителем ослабления V, который показывает, во сколько раз реальная напряженность поля в месте приема Е отличается от напряженности при распространении радиоволн в свободном пространстве Е0, т.е. Е = Е0∙V.

При изменении метеорологических условий меняется просвет Н(0), а, следовательно, и множитель ослабления V. Для получения устойчивой связи необходимо, чтобы множитель ослабления в течение заданного достаточно малого процента времени не падал ниже некоторого минимального значения Vmin. Минимальное значение множителя ослабления должно быть таким, чтобы мощность шумов в телефонном канале Pш, отношение в телевизионном канале или процент времени, в течение которого вероятность ошибки Pош превышает допустимое значение Pош доп в цифровой РРЛ соответствовали нормам.

7.1 Расчет для телефонного ствола

Исходные данные:

Средняя длина волны λ = 5,07 см;

Длина РРЛ L = 850 км;

Антенна АРРЛ - АДЭ-3,5.

Для ТФ-ствола АРРЛ минимально допустимый множитель ослабления определяется по формуле:

,(13)

где ;

Pк = 1 мВт - полезная мощность на выходе каждого ТФ-канала;

Pшт 0,1% = 40000 пВт - максимальная допустимая мощность тепловых шумов;

KТФ = 143 дБ - коэффициент системы для ТФ-ствола (табл. 1);

L0 - основные потери передачи в открытом пространстве;

GΣ = 2G - суммарный коэффициент усиления антенн (табл. 8);

bΣ л+п = bΣ л + bΣ п - потери в АВТ на пролете.

Основные потери передачи в открытом пространстве рассчитываются по формуле:

.(14)

Вычислим среднее значение R0 для общего числа интервалов m = 24:

R0 = L/m = 850/24 = 35,417 км.

Тогда основные потери передачи в открытом пространстве согласно (14) примут значение:

 дБ.

Таблица 9 - Коэффициенты усиления типовых антенн

Тип антенны

Диапазон частот, ГГц


1,7...2,1

3,4...3,9

5,67...6,17

7,9...8,4

АДЭ-3,5

35

40,7

44,8

-


Суммарный коэффициент усиления антенны АДЭ-3,5 в диапазоне 5,67…6,17 равен:

GΣ = 2G = 2·44,8 = 89,6 дБ.

Вычислим потери в АВТ на пролете по формуле:

bΣ л+п = bΣ л + bΣ п = 2·8,525 = 17,05 дБ.

Подставим найденные значения в формулу (13) и определим минимально допустимый множитель ослабления для ТФ-ствола:


7.2. Расчет для телевизионного ствола

Для ТВ-ствола АРРЛ минимально допустимый множитель ослабления определяется следующим образом:

,(15)

где ;

Uрс - размах яркостного сигнала;

Uш - шумовое напряжение;

KТВ = 158 дБ - коэффициент системы для ТВ-ствола (таблица 1).

Подставим ранее полученные значения в (15) и найдем минимально допустимый множитель ослабления для ТВ-ствола:


7.3 Расчет для цифрового ствола

Исходные данные:

Средняя длина волны λ = 0,023 м;

Длина РРЛ L = 48 км;

Вычислим среднее значение R0 для общего числа интервалов m = 3:

= L/m = 48/3 = 16 км.

Тогда основные потери передачи в открытом пространстве согласно (14) примут значение:

 дБ.

Коэффициент усиления антенны ЦРРЛ определяется по формуле:

(16)

где D - диаметр антенны;исп - коэффициент использования поверхности антенны (считать kисп = 0,6).

Тогда коэффициент усиления антенны ЦРРЛ равен:

.

Для ствола ЦРРЛ запас на замирания (в дБ) при kош = 10-3 определяется по формуле:

М = Рпрм - Рс пор, (17)

Где Рс пор, дБВт - пороговая мощность сигнала, при которой соблюдается вероятность ошибки Pош≤10-3,Рпрм - мощность сигнала на входе приемника при отсутствии замираний.

Мощность сигнала на входе приемника при отсутствии замираний рассчитывается по формуле:

Рпрм = Рпд + GΣ - L0 -  - Lдоп - Lг, (18)

где Рпд, дБВт - мощность передатчика,

Lдоп - дополнительные потери, складывающиеся из потерь в антенных обтекателях и потреь от перепада высот приемной и предающей антенн (считать Lдоп = 1…2 дБ);Lг - потери в газах атмосферы, рассчитывается по формуле:

Lг = (γО2 + γН2O) R0, (19)

где γН2O, γО2 - погонные затухания в водяных парах и кислороде атмосферы (дБ/км), определяемые из графика:

Рисунок 7 - Погонные потери радиосигнала в газах атмосферы

Также следует учесть следующие примечания:

При расчете минимально допустимых множителей ослабления рабочих стволов в качестве R0 принимают среднее значение R0 = L/m;

Если в задании указан только диаметр антенны, коэффициент усиления определяется по формуле: G=10lg (kисп· π2·D2/λ2 ),

Где D - диаметр антенны, kисп - коэффициент использования поверхности антенны (считать kисп = 0,6).г = (0,01) ·16=0,16.

Подставим полученные результаты в (18):

Рпрм = Рпд + GΣ - L0 -  - Lдоп - Lг= -1,5+39,57-138,828-0,5-1,5-0,16= -63,348 дБВт.

Согласно (17) получаем следующий запас на замирания:

М = Рпрм - Рс пор= -63,848-(-111)= 47,152 дБВт.

8. Проверочный расчет устойчивости связи на РРЛ

.1 Расчет устойчивости связи на АРРЛ

Допустимый процент времени перерывов связи 0,1% задан для гипотетической эталонной цепи длиной 2500 км, поэтому для заданной длины РРЛ L = 850 км допустимый процент времени перерывов связи:

. (20)

Неустойчивость связи на i-м пролете:

Ti = T0i (Vmin) + Tиi (Vmin) + Tдi (Vmin), (21)

где T0i - неустойчивость связи из-за экранирующего действия препятствий (в данном случае можно принять T0i = 0);

Tиi - неустойчивость связи из-за интерференции прямой волны и волн, отраженных от поверхности Земли и oт слоистых неоднородностей тропосферы;

Tдi - неустойчивость связи из-за ослабления энергии радиоволн в гидрометеорах (считается только для частоты f ≥ 8 ГГц).

Неустойчивость связи из-за интерференции прямой и отраженной волн определяется по формуле:

(22)

где Vmin = 100,05Vmin, дБ - минимально допустимый множитель ослабления в разах;

 - вероятность (в %) возникновения интерференционных замираний, обусловленных отражениями радиоволн от слоистых неоднородностей тропосферы с перепадом диэлектрической проницаемости воздуха Δε.

Определим минимально допустимый множитель ослабления в разах:

Vmin = 100,05Vmin, дБ = 100,05·(-32,703), дБ = 0,023.

Вероятность возникновения интерференционных замираний (где R0 - среднее значение в км, f - в ГГц) в диапазоне 6 ГГц равна:

 %.

Рассчитаем, подставляя полученные значения в (22), неустойчивость связи из-за интерференции прямой и отраженной волн:

 %.

Расчет неустойчивости связи из-за ослабления энергии радиоволн в гидрометеорах Tдi для аппаратуры КУРС-6 проводить не будем, так как она работает в диапазоне 6 ГГц. Таким образом, неустойчивость связи на i-м пролете определяется по формуле (21) только одной составляющей Tиi (Vmin):

Ti = T0i (Vmin) + Tиi (Vmin) + Tдi (Vmin) = 3,919·10-3 %.

Поскольку в заданной аппаратуре применяется посекционное резервирование (3 + 1), т.е. частотно-разнесенный прием (ЧРП), необходимо найти суммарный процент времени перерывов связи на секции из-за интерференции прямой и отраженной волн с учетом резервного ствола:


где х = 3 - число рабочих стволов;

Сf = 10..40 - эмпирический коэффициент, учитывающий статистическую зависимость замираний на пролете при ЧРП (считаем Сf = 25);

mс = 6 - число интервалов в секции РРЛ.

Для всей РРЛ, состоящей из n = 6 секций (и m = 24 интервалов), суммарный процент времени перерывов связи равен:


Сравним найденное значение SАPPJI с допустимым значением . Так как 0,034 % ≥ 1,659·10-3 %, то данная радиорелейная линия спроектирована правильно.

8.2 Расчет показателя неготовности цифровой РРЛ

Причины, приводящие к неготовности аппаратуры:

• экранирующее влияние препятствия при субрефракции;

• влияние гидрометеоров (учитывается при частотах 8 ГГц и выше);

• влияние промышленных атмосферных метеоров (экологические факторы) данные для расчетов отсутствуют;

• ненадежность аппаратуры;

• ошибки обслуживающего персонала.

При расчете показателей неготовности в курсовой работе учитывается только влияние гидрометеоров. К гидрометеорам относятся дожди, снег, град, туман и пр.

Влияние гидрометеоров заметно уже при частоте 8 ГГц, а в неблагоприятных экологических условиях (при наличии в атмосферных осадках металлизированной пыли, смога, кислот или щелочей) и на значительно более низких частотах.

Методика учета влияния гидрометеоров на показатели неготовности линии связи основывается на расчете ослабления сигнала в атмосферных осадках, вероятность появления которых в данной местности равна 0,01%.

Погонное затухание в дождевых образованиях (в дБ/км) определяется по формуле:

γд = β Jα, (25)

где J - интенсивность осадков (мм/час),

β и α - коэффициенты, которые определяются из таблицы 10.

Таблица 10 - К расчету погонного затухания в дождевых образованиях.

f,ГГц

αг

βг

αв

βв

13

1,217

0,019

1,200

0,017


В таблице 10 приведены две группы коэффициентов для вертикальной (αв, βв) и горизонтальной (αг, βг) поляризации радиоволн. Расчет нужно провести для обеих поляризаций с тем, чтобы в дальнейшем выбрать лучшие результаты.

,

.

Лучшие результаты дает вертикальная поляризация.

Известно, что протяженность дождевых образований различна для дождей разной интенсивности. Чем сильнее дождь, тем меньшую поверхность он покрывает.

Эффективная протяженность дождевого образования:

 (26)

где J0,01 - интенсивность дождя, который идет в данной местности в течение 0,01% времени. Эта величина определяется из задания и равна 100 мм/час, в качестве R0 принимать среднее значение R0 = L/m=48/3=16 км.

Эффективная протяженность дождевого образования равна


Ослабление сигнала в дБ, к которому приводит дождь данной интенсивности, определяется формулой:

 (27)

Ослабление сигнала, к которому приводит дождь данной интенсивности:

.

Процент времени Tдi, в течение которого уровень сигнала на входе приемника на пролете линии связи станет меньше порогового значения для коэффициента ошибок 10-3 (что соответствует составляющей показателя неготовности линии связи) определяется выражением:

 (28)

Полученное значение на всех интервалах РРЛ должно удовлетворять условию:

дi ≤ ПНГi / 3,

где ПНГi - величина показателя неготовности i-го интервала.

ПНГi = ПНГ (Ri / L),

где ПНГ определяется из нормы ПНГ, % ≤ 0,05 - линии связи среднего качества (таблица 5);

Учитывая, что в данной курсовой работе длины интервалов принимаются равными одной трети длины РРЛ, процент времени Tдi должен удовлетворять условию

дi ≤ ПНГ / 9=0,0055.

Так как Tдi=0,001≤ ПНГ/9=0,005, можно сделать вывод, что наша ЦРРЛ спроектирована правильно.

9. Расчет диаграмм уровней сигнала на пролете

.1 АРРЛ, Vmin 0,1%

Значения мощности сигнала в точках диаграммы:= Pпд = 10 дБВт;= P1 - bSл = 10 - 8,525 = 1,475 дБВт;= P2 + G = 1,475 + 44,8 = 46,275 дБВт;= P3 - L0 + Vmin 0,1% = 46,275 - 138,868 - 32,703 = -125,296 дБВт;= P4 + G = -125,296 + 44,8 = -80,496 дБВт;= P5 - bSп = -80,496 - 8,525 = -89,021 дБВт;= P1 = 10 дБВт.

9.2 АРРЛ, V(80%)

Значения мощности сигнала в точках диаграммы:

P1 = Pпд = 10 дБВт; = P1 - bSл = 10 - 8,525 = 1,475 дБВт;= P2 + G = 1,475 + 44,8 = 46,275 дБВт;= P3 - L0 + V(80%) = 46,275 - 138,868 - 6 = -98,593 дБВт;= P4 + G = -98,593 + 44,8 = -53,793 дБВт;= P5 - bSп = -53,793 - 8,525 = -62,318 дБВт;= P1 = 10 дБВт.

Примечание: считаем V(80%) = -6 дБ.

9.3 цРРЛ,

Значения мощности сигнала в точках диаграммы:

. P1 = Pпд = -1,5 дБВт;

. P2 = P1 - bSл = -1,5 - 0,5 = -2 дБВт;

. P3 = P2 + G = -2 + 39,57 = 37,57 дБВт;

4. P4 = P3 -L0 -Lдоп -Lг + = 37,57 - 138,828-1,5-0,16+(-47,152) = -150,07 дБВт;

. P5 = P4 + G = -150,07 + 39,57 = -110,5 дБВт;

. P6 = P5 - bSп = -110,5 - 0,5 = -111 дБВт;

. P7 = P1 = -1,5 дБВт.

На рисунке 8 приведена диаграмма изменения уровня сигнала на пролете аналоговой и цифровой РРЛ. По оси абсцисс откладываются точки диаграммы, по оси ординат - значения мощности сигнала в этих точках.

радиорелейный телевизионный антенна сигнал

Рисунок 8 - Диаграммы уровней сигнала на пролете

Точки диаграммы обозначены следующим образом:

1.      Сигнал на выходе левого передатчика;

2.      Сигнал, подводимый к левой (передающей) антенне;

.        Сигнал, излучаемый левой (передающей) антенной;

.        Сигнал, принимаемый правой (приемной) антенной;

.        Сигнал на выходе правой (приемной) антенны;

.        Сигнал на выходе правого передатчика.

Заключение

В данной курсовой работе применены методы выполнения энергетических расчетов и общего проектирования радиорелейных и спутниковых систем связи и телевизионного вещания, приобретены навыки проектирования аналоговых и цифровых радиорелейных линий.

Определены полосы пропускания телефонного, телевизионного стволов АРРЛ, а также коэффициент системы ЦРРЛ.

Для заданной АРРЛ построена структурная схем, как часть гипотетической эталонной цепи ВВС.

Приведены нормы на качественные показатели стволов аналоговой и цифровой РРЛ, частотное планирование с обеспечением частотного разноса, расчет и построение профилей, определены высоты подвеса антенн.

Были рассчитаны такие параметры, как потери, вносимые антенно-волноводным трактом, уровни сигналов и построена диаграмма уровней сигнала на пролете.

Также были рассчитаны минимально допустимые множители ослабления для телефонного и телевизионного стволов АРРЛ и запас на замирания ЦРРЛ,. В результате чего для АРРЛ лимитирующим является телефонный ствол, так как у него больший минимально допустимый множитель ослабления. Проведена проверка устойчивости спроектированной радиорелейной системы, которая подтвердила правильность расчетов. Исходя из рассчетов, можно сделать вывод, что аналоговая радиорелейная линия спроектирована верно, т.к. выполняется условие ≥ SPPJI (0,034% ≥ 1,659·10-3 %). Также получено, что Tдi=0,001≤ ПНГ/9=0,005, отсюда можно сделать вывод, что ЦРРЛ спроектирована верно.

Список литературы

1. Мордухович Л.Г., Степанов А.П. Системы радиосвязи. - М.: Радио и связь, 1987. - 192 с.

. Справочник по радиорелейной связи / Под ред. С.В. Бородича. - М.: Радио и связь, 1981. - 415 с.

. Маковеева М.М. Радиорелейные линии связи: Учебник для техникумов. - М.: Радио и связь, 1998.

4. Цифровые и аналоговые системы передачи: Учебник для вузов / Под ред. В.И. Иванова. - М.: Горячая линия - Телеком, 2003. - 232 с.

5. Методическая разработка к курсовому и дипломному проектированию РРЛ ПВ. - Самара, ПИИРС, 1992. - 45 с.

. Репин В.Н. Цифровые радиорелейные линии: Методическая разработка к курсовому и дипломному проектированию. - Самара, ПГАТИ, 2000. - 9 с.

. Телекоммуникационные системы и сети: Учебное пособие в 3 томах. Том 2 - Радиосвязь, радиовещание и телевидение / Под ред. В.П. Шувалова. - М.: Горячая линия - Телеком, 2005. - 672 с.