Материал: Проектирование микроконтроллера

Внимание! Если размещение файла нарушает Ваши авторские права, то обязательно сообщите нам

Проектирование микроконтроллера

Содержание

Техническое задание на проектирование

1. Теоретическая часть

1.1 Микроконтроллеры

1.2 Микроконтроллеры семейства Fujitsu F2MC-16FX

1.3 Датчик присутствия

2. Структурная схема объекта проектирования

3. Функциональная схема объекта проектирования

4. Разработка принципиальной электрической схемы

4.1 Микроконтроллер

4.2 Выбор датчика присутствия

4.3 Выбор и расчет параметров реле

4.4 Выбор транзистора

5. Принципиальная схема

6. Программное обеспечение

Заключение

Список использованных источников

Техническое задание на проектирование


Работа устройства организована по следующему принципу:

контроллер предназначен для освещения темного помещения и его принудительной вентиляции;

при входе людей в помещение включается освещение (200 Вт);

через 30 минут пребывания людей в помещении включается вентиляция (50 Вт);

через 30 секунд после ухода всех людей из помещения свет выключается, а через 15 минут выключается вентиляция.

устройство должно быть реализовано на микроконтроллере MB90F591G.

1. Теоретическая часть


1.1 Микроконтроллеры


Микроконтроллер - это микросхема, предназначенная для управления электронными устройствами. Типичный микроконтроллер сочетает на одном кристалле функции процессора и периферийных устройств, содержит ОЗУ и (или) ПЗУ.

Существует огромное количество типов микроконтроллеров, отличающихся архитектурой процессорного модуля, размером и типом встроенной памяти, набором периферийных устройств, типом корпуса и т.д. В отличие от обычных компьютерных микропроцессоров, в микроконтроллерах часто используется гарвардская архитектура памяти, то есть раздельное хранение данных и команд в ОЗУ и ПЗУ соответственно.

Неполный список периферии, которая может присутствовать в микроконтроллерах, включает в себя:

·              универсальные цифровые порты, которые можно настраивать как на ввод, так и на вывод;

·              различные интерфейсы ввода-вывода, такие как UART, IІC, SPI, CAN, USB, Ethernet;

·              аналого-цифровые и цифро-аналоговые преобразователи;

·              компараторы <#"902858.files/image001.gif">

Рисунок 2.1 Структурная схема устройства контроллера кондиционирования

Назначение блоков структурной схемы:

Микроконтроллер - это микросхема, предназначенная для управления всей работы проектируемой системы. В зависимости от того, как он будет запрограммирован на считывание сигналов с датчиков и подачу сигналов на управляющие устройства, будет работать контроллер кондиционирования.

Блок присутствия человека будет представлять собой датчик, определяющий присутствие человека в комнате и дальнейшую обработку сигнала, необходимого для его обработки микроконтроллером.

Блок коммутационных устройств - необходим для управления мощной нагрузкой с помощью сигналов поступающих с выхода микроконтроллера.

Вентилятор - элемент стандартного оборудования охлаждения воздуха в помещении.

Лампа - элемент стандартного оборудования освещения в помещении.

3. Функциональная схема объекта проектирования


Функциональная схема устройства кондиционирования приведена на рисунке 3.1.

Рисунок 3.1 Функциональная схема устройства кондиционирования

Назначение блоков функциональной схемы:

Датчик присутствия - работает по принципу ИК сигнала, отраженного от человека.

Блок формирования логической "1" - представляет собой делитель напряжения, построенный на постоянных резисторах. Необходим для согласования напряжения между датчиком и микроконтроллером.

Блок управления - состоит из полевого транзистора, работающего в ключевом режиме, в коллекторной цепи стоит обмотка реле. В зависимости от программы, записанной на микроконтроллере, сигнал будет поступать на блок управления. Т.о. контакты реле будут включать вентилятор и лампу.

4. Разработка принципиальной электрической схемы


4.1 Микроконтроллер


В курсовом проекте используется микроконтроллер типа MB90F591G серии МВ90590 семейства F2MC-16LX разработанный фирмой Fujitsu.

Основные характеристики микроконтроллера MB90F591G:

Микроконтроллер MB90F591G организован на базе микропроцессорного ядра F2MC-16LX. Он содержит энергонезависимую память (ROM) типа Flash объемом 384 Кбайт и оперативную память RAM объемом 8 Кбайт. Максимальное значение внутренней частоты (System clock) - 16 МГц. Напряжение питания - 4,5-5,5 В.

Микроконтроллер включает ряд периферийных модулей:

-       Трёхканальный дуплексный универсальный асинхронный приемопередатчик (UART) с максимальной скоростью обмена в асинхронном режиме 500 Кбод и в синхронном режиме - 2 Мбод;

-       Последовательный интерфейс SPI со скоростью обмена до 2 Мбод (Serial I/O);

-       Восьмиканальный аналого-цифровой преобразователь с разрешением 8 или 10 разрядов (A/D Converter);

-       Двухканальный 16-разрядный перезагружаемый таймер с функцией подсчета внешних событий (Reload Timer);

-       Сторожевой таймер (Watch Timer);

-       16-разрядный таймер ввода/вывода (I/O Timer);

-       6-канальный 16-разрядный блок сравнения/формирования выходных сигналов (Output Compare);

-       6-канальный 16-разрядный блок захвата входных событий (Input Capture);

-       6-канальный 8 - или 16-битныйпрограммируемый генератор импульсов (Programmable Pulse Generator);

-       2 канала последовательного интерфейса CAN версии 2.0 А и В (CAN Interface);

-       котроллер шагового двигателя (4 канала) (Stepping Motor Controller);

-       контроллер внешних прерываний (8 каналов) (External Interrupt);

-       звуковой генератор (Sound Generator);

-       порты ввода/вывода общего назначения (I/O Ports). Они делят внешние выводы контроллера с другими периферийными устройствами в режиме альтернативных функций.

Для увеличения помехозащищенности все цифровые входные линии контроллера имеют гистерезис. Выходные сигналы формируются парами CMOS транзисторов и не имеют встроенных подтягивающих (pull-up/down) резисторов. В рабочем режиме контроллер потребляет ток до 80 мА. Микроконтроллер выпускается в корпусе QFP, имеющем 100 выводов. [1]

4.2 Выбор датчика присутствия


Выбираем датчик движения МА3102.

Блок представляет собой датчик движения (детектор присутствия), подключаемый к персональному компьютеру через USB-порт для его настройки и управлять силовыми нагрузками.

С его помощью можно включать вентилятор при приближении на расстояние 15 см, 1 м.

Напряжение питания Uпит =12 В.

Конструктивно устройство выполнено на двухсторонней печатной плате из фольгированного стеклотекстолита.

При приближении человека, отраженный ИК-сигнал попадает на приемник. При достижении порогового уровня срабатывает реле, коммутирующее нагрузку.

Исходя из технических характеристик датчика необходимо отметить, что при моменте, когда человек появляется в зоне излучения с выхода датчика необходимо получить единицу. При выходе человека из помещения, датчик снова меняет свое значение на ноль.

Электрическая схема датчика и делителя приведена на рисунке 4.1.

Рисунок 4.1 Электрическая схема датчика и делителя

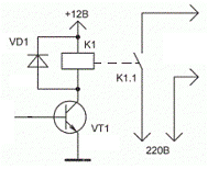
4.3 Выбор и расчет параметров реле


При выборе реле необходимо учитывать, чтобы коммутируемая нагрузка составляла 220В, что необходимо для включения вентилятора.

Выберем реле типа TRIL-12VDC-SD. Реле является нейтральным.

Основными техническими параметрами TRIL-12VDC-SD являются:

1) Номинальное рабочее напряжение:

) Номинальный рабочий ток:

) Коммутируемое переменное напряжение:

) Номинальное сопротивление обмоток реле:

4.4 Выбор транзистора


Для управления реле выбираем полевой транзистор КП921А.

Транзистор кремниевый, полевой с изолированным индуцированным каналом n-типа. Предназначен для применения в быстродействующих переключающих устройствах. Выпускается в пластмассовом корпусе с гибкими выводами. Масса не более 10г.

Транзистор работает в ключевом режиме, а к стоку подсоединяется обмотка реле.

Основными техническими параметрами КП921А являются:

1) Постоянное напряжение сток-исток:

) Ток стока: .

Для предотвращения повреждения транзистора высоковольтным импульсом ЭДС самоиндукции, который возникает при обесточивании обмотки реле, необходимо поставить диод VD1. Диод срабатывает только при размыкании цепи.

Выберем диод Д237А, у которого максимальное обратное импульсное напряжение

Электрическая схема блока управления вентилятора представлена на рисунке 4.4 [3]

Рисунок 4.2 Электрическая схема блока управления вентилятором

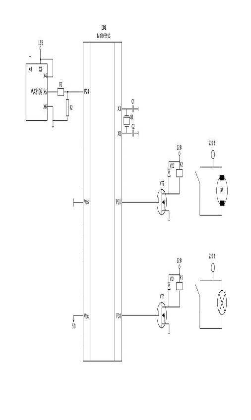
5. Принципиальная схема


Рисунок 5.1 Электрическая схема блока управления контроллером кондиционирования

6. Программное обеспечение


. PROGRAM cooler

#include Mb90V590. h

. EXPORT _main

. SECTION DATA_MAIN, DATA, ALIGN=2

; инициализация начальных значений происходит в _init

isAnyoneInside. RES. B 1; есть ли кто-нибудь в помещении, 1 - да, 0 - нет

timerPeopleIn. RES. W 1; счетчик для таймера вентиляции (для подсчета 30 мин из 2Hz)

timerPeopleOutLight. RES. W 1; счетчик для таймера света (для подсчета 30 сек из 2Hz)

timerPeopleOutCool. RES. W 1; счетчик для таймера вентиляции (для подсчета 15 мин из 2Hz)

isTimerOn. RES. B 1; включен ли таймер

isTimerOnPeopleIn. RES. B 1; включен ли таймер. RES. B 1; включен ли таймер. RES. B 1; включен ли таймер

. SECTION INTR, CODE, ALIGN=2

int2HzTimer:; вызывается при включенном таймере 2 раза в секунду

clrb I: TMCSR0: 2; set UF=0isAnyoneInside,PDR2isAnyoneInside, #H'01, disableCounterIntimerPeopleOutLight, #H'0timerPeopleOutCool, #H'0:isTimerPeopleIn, #H'01, checkCounterOutLighttimerPeopleIn, #H'00, decCounterInisTimerPeopleIn, #H'0timerSetOffcoolerSetOnendTimer:timerPeopleIncheckCounterOutLight:isTimerPeopleIn, #H'0

// -----------:isTimerPeopleOutLight, #H'01, checkCounterOutCooltimerPeopleOutLight, #H'00, decCounterOutLightisTimerPeopleOutLight, #H'0timerSetOfflightSetOffcheckCounterOutCool:timerPeopleOutLight

// -----------:isTimerPeopleOutCool, #H'01, endTimertimerPeopleOutCool, #H'00, decCounterOutCoolisTimerPeopleOutCool, #H'0timerSetOffcoolerSetOffendTimer:timerPeopleOutCool:

externalInterrupt: // прерывание с датчика присутствия

call timerSetOnintPresence

// задаем обработчик внешних прерываний

. SECTION INTVEC, CONST, LOCATE=H'FFFFCC

. DATA. L externalInterrupt

// задаем обработчик прерывания таймера

. SECTION INTVEC2, CONST, LOCATE=H'FFFFA0

. DATA. L int2HzTimer

. SECTION CODE_MAIN, CODE, ALIGN=2:isTimerOn, #H'0, endTimeSetUp; если таймер активен - ничего не делаемtimerPeopleIn, #D'3600; 30min = 1800sec = 3600 * 0.5 = 3600 * 2HzTimertimerPeopleOutLight, #D'60; 30sec = 60 * 0.5 = 60 * 2HzTimertimerPeopleOutCool, #D'1800; 15min = 900sec = 1800 * 0.5 = 1800 * 2HzTimer isTimerOn, #H'0; ставим флаг, что таймер включен

movw A, #H'F424; start timer counter = 62500 TMRLR0, A

; селектор ставим на понижении в 32 раза, включаем таймер

; после того, как счетчик досчитает до нуля вызывается прерывание

; которое обработается в int2HzTimerA, #H'81A; selector /32, autoflush, interrupts, enable timerTMCSR0, A::isTimerPeopleIn, #H'00, endTimerSetOffisTimerOnPeopleOutLight, #H'00, endTimerSetOffisTimerOnPeopleOutCool, #H'00, endTimerSetOffA, #H'00; отключаем таймерTMCSR0, A::PDR3: 1 // включаем лампу:PDR3: 1 // отключаем лампу:PDR3: 0 // включаем вентилятор:PDR3: 0 // отключаем вентилятор:; датчик присутствия PDR2, #H'0, presenseAnyone // если никого в помещении нет

mov isTimerPeopleOutLight, #H'1isTimerPeopleOutCool, #H'1presenseEnd:lightSetOn // включаем светisTimerOnPeopleIn,#H'1presenseEnd:

_init:

; resetisAnyoneInside, #H'0timerPeopleIn, #H'0timerPeopleOutLight, #H'0timerPeopleOutCool, #H'0isTimerPeopleIn, #H'0isTimerPeopleOutLight, #H'0isTimerPeopleOutCool, #H'0 isTimerOn, #H'0

; разрешаем внешние прерывания:

; INT4 - блок присутствия человека

setb ENIR: 4 // разрешаем прерывание с INT4

mov H'000031, #H'10 // очищаем значение регистра (EIRR) с INT4

mov H'000033, #H'2 // ELVR прерывание по нарастающему фронту

mov H'0000B0, #H'05; priority button/detect interruptsH'0000B6, #H'06; priority timer interrupts

; разрешаем прерывания с приоритетом <=6

mov ILM, #H'07

or CCR, #H'40

; используем порты для ввода/вывода

setb DDR3: 0 // вентилятор p30

setb DDR3: 1 // лампа p31

clrb DDR2: 4 // датчик присутствия p24

ret

call _init

loop: nop; бесконечный цикл, т.к. вся работа основана на прерываниях

jmp loop

. end

Заключение


В результате выполнения курсового проекта разработано устройство кондиционирования. Разработана принципиальная электрическая схема. Устройство работает на базе микропроцессора типа MB90F591G серии МВ90590 семейства F2MC-16LX разработанный фирмой Fujitsu. Также разработано программное обеспечение на данный тип микроконтроллера. Устройство работает в зависимости от сигналов, приходящих на микроконтроллер от датчиков присутствия человека в помещении. Разработанное устройство удовлетворяет поставленным требованиям.

Список использованных источников


1. "Микропроцессорные средства систем управления", Б.Н. Гаврилин, Е.И. Гуревич,

В.А. Можаев, В.М. Шеленков - Москва, Издательство МАИ, 2007г.

. "Микроконтроллеры 16-разрядные семейства 16LX фирмы Fujitsu. Справочное пособие"

. "Полупроводниковая схемотехника", У. Титце, К. Шенк,

. "Микропроцессорные средства систем управления" Гаврилин Б.Н. и др.

. "Датчики: Справочное пособие" Шарапов В.М. и др.