Материал: Проектирование фундамента под 9-этажное 36-квартирное здание в городе Белгороде

Внимание! Если размещение файла нарушает Ваши авторские права, то обязательно сообщите нам

Проектирование фундамента под 9-этажное 36-квартирное здание в городе Белгороде















Курсовая работа

по дисциплине " Основания и фундаменты"

Тема: Проектирование фундамента под 9-этажное 36-квартирное здание в городе Белгороде

Содержание

Введение

.        Анализ исходных данных по надфундаментной конструкции

.        Анализ инженерно-геологических и гидрогеологических условий площадки строительства

.        Расчет размеров фундамента мелкого заложения

.1 Определение глубины заложения фундаментов

.2 Определение размеров подошвы фундамента

.        Проектирование и конструирование фундамента мелкого заложения

.        Проверка давления на подстилающий слой слабого грунта

.        Расчет осадок фундамента мелкого заложения

.        Определение несущей способности одиночной сваи

.        Проектирование и конструирование свайного фундамента

.        Расчет осадок свайного фундамента

.        Сравнение вариантов фундаментов

Заключение

Библиографический список

Введение

Любое здание или сооружение строится на грунтовом основании, возводится из грунта как строительного материала или располагающегося в толще грунта. Его прочность, устойчивость и нормальная эксплуатация определяются не только конструктивными особенностями сооружения, но и свойствами грунта, условиями взаимодействия сооружения и основания.

Фундамент - это часть конструкции или сооружения, через которую нагрузки от сооружения передаются на грунты основания. Стоимость возведения фундамента составляет 12% от общей стоимости возводимого здания, а при наличии сложных геологических условий эта цифра увеличивается.

В данной курсовой работе необходимо запроектировать фундаменты мелкого заложения и свайный, под 9-этажную 54-квартирную блок-секцию. Произвести анализ инженерно-геологических условий, определить глубину заложения фундамента, его размеры, рассчитать осадки для каждого вида фундамента, сравнить и выбрать наиболее выгодный.

1.      Анализ исходных данных по надфундаментной конструкции

Здание представляет собой 9-этажное дом, имеет в плане прямоугольную форму, размеры в осях 16,92м х 32,20м; имеет подвальное помещение, его высота - 3,4 м. высота этаж - 2,8м. высота здания 28,52м. количество квартир на этаже - 6.

Стены выполнены из блока. Толщина наружных стен составляет 580мм. Внутренние продольные и поперечные стены - толщиной 380 мм также выполняются из блоков. Стены подполья выполнены из сборных бетонных блоков. Перекрытия выполнены из многопустотных железобетонных панелей. Лестницы - сборные железобетонные марши, площадки ступени. Покрытие «тёплое» с проходным чердаком, выполнено из двухслойных теплых кровельных панелей толщиной 300 мм.

Усилие на верхних обрезах фундаментов (основное сочетание нагрузок)

I сочетание

II сочетание

Fv,II, кН

Mx,II, кНм

Fh,II, кН

Fv,II, кН

Mx,II, кНм

Fh,II, кН

312

16

10

320

14

9


2. Анализ инженерно-геологических и гидрогеологических условий площадки строительства

ИГЭ 1;2 - культурный слой; чернозем с песком. Нельзя использовать в качестве несущего слоя.

ИГЭ 3 - Песок средней крупности, маловлажный, средней плотности.

R0=400 кПа- надежный, подходит для использования в качестве несущего слоя;

φ=35°; с=1 кПа; е=0,68 - повышенная пористость приведет к повешению деформативности и снижению прочности.

ИГЭ 4 - Суглинок туго-пластичный, влажный.

E0=11 МПа >0,8 МПа - можно использовать для основания здания;

R0=195 кПа >100 кПа - надежный, подходит для использования в качестве несущего слоя; φ=19°; с=18 кПа. е=0,83.

ИГЭ 5 - Песок крупный, маловлажный, средней плотности.

R0=500 кПа- надежный, подходит для использования в качестве несущего слоя;

φ=38°; с=0 кПа; е=0,74 - повышенная пористость приведет к повешению деформативности и снижению прочности.

ИГЭ 6 - Суглинок мягко-пластичный, влажный.

E0=8 МПа >0,8 МПа - можно использовать для основания здания;

R0=175 кПа >100 кПа - надежный, подходит для использования в качестве несущего слоя; φ=16°; с=16 кПа. е=0,83.

ИГЭ 7 - Песок крупный, влажный, средней плотности.

R0=500 кПа- надежный, подходит для использования в качестве несущего слоя;

φ=38°; с=0 кПа; е=0,90 - повышенная пористость приведет к повешению деформативности и снижению прочности.

3. Расчет размеров фундамента мелкого заложения

.1 Определение глубины заложения фундаментов

Глубина заложения фундамента (d) определяется, исходя из условий, определённых СНиП 2.02.01-83.

.        По назначению и конструктивным особенностям здания:

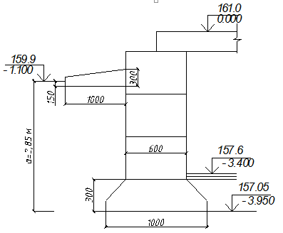
Так как здание имеет подвал, то необходимо определить глубину заложения фундаментов по назначению и конструктивным особенностям проектного сооружения. Для определения глубины заложения выполняем рис. 1.

Рис. 1 Определение глубины заложения фундамента с учетом конструктивных особенностей здания

фундамент свайный мелкий заложение

d=159,9-156,95=2,95 м

.        По инженерно-геологическим условиям строительной площадки:

)        культурный слой и насыпной грунт - не пригодны в соответствии со СНиП 2.02.01-83;

2)      Песок средней крупности, маловлажный, средней плотности =35º; с=1 кПа; Е=30 МПа, R=400 кПа

d=159,9-156,1=3,8 м

3.      По рельефу застраиваемой территории: ограничений нет

. По глубине заложения примыкающих зданий и сооружений: ограничений нет.

. По глубине сезонного промерзания грунтов:

Расчётная глубина сезонного промерзания грунтов:


где df,n-нормативная глубина промерзания, df,n=1,2;

kn-для наружных и внутренних фундаментов отапливаемых жилых помещений kn=1,1.

Абсолютная отметка заложения: 159,9-1,32=158,58

. По гидрогеологическим условиям строительной площадки

Фундаменты мелкого заложения попадают в уровень грунтовых вод (УГВ 157,2), ограничений к застройки нет, но следует предусмотреть мероприятия по гидроизоляции.

Сравниваем полученные отметки FL по всем условиям:

1. условие - 156,95 м.

. условие -3,8 м

. ограничений нет

. условие - ограничений нет

. условие - 158,58 м.

. условие - ограничений нет

В качестве расчётной принимаем минимальную отметку FL=156,95 м;

Тогда глубина заложения d=DL-FL=159,9-156,95=2,95 м;

Отметку подошвы ростверка назначаем по этим же условиям.

.2 Определение размеров подошвы фундамента

Определяем графическим методом:

 

так как фундамент сплошной ленточный, то A= ; γm=20кПа/м, d=2,95м.

Найдём P при:


, где

γс1, γс2-коэффициенты условий работы грунта, γс1=1,4; γс2=1,4;

Mγ, Mq, Mc- коэффициенты, зависящие от прочностных характеристик грунта,

Mγ=1,68, Mq=7,71, Mс=9,58;

Kz-коэффициент, зависящий от размеров фундамента, Kz=1;

b-ширина фундамента;

при b=2 м

при b=4м

γIII- осреднённый удельный вес грунта, залегающего выше подошвы фундамента,

;

cII-удельное сцепление грунта основания, cII=1кПа.

4.      Строим график и определяем точку пересечения функций f(b,P) и f(b,R). См. граф.1.


Точка пересечения графиков дает равенство R=P, опустив перпендикуляр на ось b получаем значение b-оптимальное

b=0,29м

Окончательно принимаем b=1м

4. Проектирование и конструирование фундамента мелкого заложения

Так как мы проектируем сборный железобетонный ленточный фундамент, то будем применять типовые элементы: фундаментные плиты (ФЛ) и фундаментные стеновые блоки (ФБС).

Таблица 1

ФЛ

ФБС

ФЛ 10.24-1, 10.12-1,  (h=300мм)

ФБС 24-6-6, 12-6-6, 9-6-6,  ФБС 24-6-5, 12-6-5, 9-6-5, ФБС 24-4-5, 12-4-5, 9-4-5,   (h=580мм;480мм)


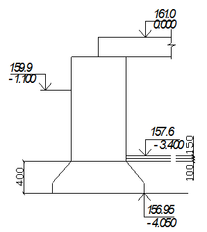
Рис. Схема фундамента мелкого заложения

Проверка прочности:


;

,64≤1599,05

Условие выполняется, следовательно, размеры фундамента подобраны, верно.

Проверка на плоский сдвиг.

Для проверки устойчивости фундамента на плоский сдвиг составляем расчетную схему указанием всех воздействий и определяем сумму сдвигающих и удерживающих сил.


;

где - активное давление


где φ - коэффициент трения грунта о бетон

с- удельное сцепление грунта




Следовательно, фундамент устойчив на плоский сдвиг.

5. Проверка давления на подстилающий слой слабого грунта

Так как слой грунта, находящийся ниже слоя выбранного под фундамент, является слабым необходимо провести проверку давления на этот слой.


α - принимаемый из табл. 1 СНиП, в зависимости от подошвы фундамента.


Mγ=0,47, Mq=2,89, Mс=5,48 , γс1=1,2; γс2=1,1, kz=1,1

6. Расчет осадок фундамента мелкого заложения

Расчет производим методом послойного суммирования.

Определяем напряжения от собственного веса грунта и строим эпюры


где γ - удельный вес грунтов, кН/м³;

h - мощность слоя грунта, м.

Производим расчёт осадок:

Расчетная схема.

Расчёт сводим в табл.2.

Таблица 2 ТАБЛИЦА РАСЧЕТА ОСАДКИ ФУНДАМЕНТА МЕЛКОГО ЗАЛОЖЕНИЯ МЕТОДОМ ПОСЛОЙНОГО СУММИРОВАНИЯ

№ точки

z, м

α№ слоя кПаh, мЕi. кПа








1

0,00

0,00

1,00







2

0,4

0,8

0,876

1

320,02

0,4

0,74

30000

0,00315748

3

0,8

1,6

0,612

2

253,83

0,4

30000

0,00250446

4

1,27

2,54

0,395

3

171,78

0,47

0,74

30000

0,0019915

5

1,87

3,74

0,237

4

107,81

0,6

0,62

11000

0,00364594

6

2,47

4,94

0,154

5

66,70

0,6

0,62

11000

0,00225567

7

3,07

6,14

0,106

6

44,35

0,6

0,62

11000

0,00149984

8

3,67

7,34

0,077

7

31,22

0,6

0,62

11000

0,00105563

9

3,91

7,82

0,069

8

24,91

0,24

0,62

11000

0,0003369

9

4,11

8,22

0,063












Суммарная осадка

0,01644742