Материал: Проектирование электроснабжения микрорайона Черемушки ЧМР Краснодар

Внимание! Если размещение файла нарушает Ваши авторские права, то обязательно сообщите нам

Проектирование электроснабжения микрорайона Черемушки ЧМР Краснодар















Проектирование электроснабжения микрорайона Черемушки ЧМР Краснодар

Введение

электрический подстанция микрорайон

Тема является актуальной, так как в связи с повсеместным расширением производства, строительства новых предприятий, жилых микрорайонов увеличивается и потребление электроэнергии. В данный момент многие подстанции очень сильно устарели или же их мощности не хватает для питания всех потребителей. Чтобы устранить эту проблему необходимо строить новые подстанции с возможностью их дальнейшего расширения, реконструировать и модернизировать уже имеющиеся подстанции. Все это должно происходить по новым требованиям экономичности и надежности.

Целью данной работы является проектирование системы электроснабжения микрорайона Черемушки ЧМР Краснодар.

Задачами являются:

·        Расчет электрических нагрузок

·        Выбор числа и мощности трансформаторов

·        Выбор сечения питающей линии 110 КВ

·        Выбор схемы подстанций 110/10 КВ

·        Выбор схемы электроснабжения микрорайона Черемушки

Объектом исследования диссертации - является электроснабжение Микрорайона Черемушки ЧМР Краснодар.

Предметом исследования - является проектирование системы электроснабжения микрорайона Черемушки ЧМР Краснодар.

В данном дипломе также представлены разделы организационно-экономический и безопасности жизнедеятельности, где рассматриваются задачи организации труда, стоимость электрооборудования и электромонтажных работ, вопросы охраны труда работников, безопасных методов производства электромонтажных работ. Все элементы системы электроснабжения посёлка и электрической сети должны соответствовать требованиям электробезопасности.

Потребители представлены электроприёмниками I, II, III категории.

Потребители должны получать питание от трансформаторных подстанций (ТП), расположенных на территории Микрорайона Черемушки. Эти ТП будут питаться кабельными линиями от проектируемой районной трансформаторной подстанции ПС-5 «Микрорайона Черемушки»).

Жилой фонд состоит из пяти-, девяти- и двенадцатиэтажных домов с электроплитами номинальной мощностью 6 кВт. Объекты социальной сферы также оборудованы электроплитами.

Были рассмотрены труды таких специалистов как: Конюхова, Е.А.,Липкина Б.Ю., Коновалова Л.Л.,Рожкова Л.Д.,Голубева М.Л.,Юрикова П.А. и других отечественных ученых.

1. Расчет электрических нагрузок

.1 Определение расчетных электрических нагрузок жилых зданий


Расчетные нагрузки жилых зданий определяются в соответствии с рекомендациями [12].

Расчетная активная нагрузка на шинах РУ-0,4 кВ ТП от электроприемников квартир жилого дома определяется по формуле:

Рр..кв = Ркв.уд n, кВт,

где Ркв.уд - удельная нагрузка электроприемников квартир, принимаемая по таблице 2.1.1 [12], в зависимости от количества квартир и типа кухонных плит, кВт/квартиру;

n - количество квартир в жилом доме.

Расчетная реактивная нагрузка жилого дома:

Qр..кв = Рр кв tgjкв, квар,

где tgjкв - коэффициент реактивной мощности электроприемников квартир, принимаемый по п. 2.1.4. [12].

Полная расчетная нагрузка:

, кВ·А.

Расчетная активная нагрузка линии питания лифтовых установок определяется по формуле:

Рр.л.=Кс.л.,  кВт,

где Кс.л - коэффициент спроса, определяемый по [12], в зависимости от количества лифтовых установок и этажности зданий;

n - количество лифтовых установок, питаемых линией;

Рнi - установленная мощность электродвигателя i-го лифта, кВт.

Исходные данные:

1. Ситуационный план Микрорайона Черемушки.

. Характеристики жилых домов приведены в табл. 1.

. Характеристики общественных зданий и сооружений приведены ниже.

. Площадь Микрорайона Черемушки F = 0,45 км2.

5. Число часов использования максимальной нагрузки  ч/год.

. Источник питания - шины 110 кВ районной подстанции ПС-5 «Микрорайона Черемушки».

. Мощность короткого замыкания на шинах 110 кВ SКЗ =4900 МВ·А.

. Расстояние от энергосистемы до проектируемой подстанции L = 13 км.

9. Удельное сопротивление грунта r=110 Ом× м.

Рисунок 1 - Ситуационный план Микрорайона Черемушки

Таблица 1Исходные данные по проекту

№ дома на ситуационном плане

Количество квартир

Количество подъездов

Количество этажей

Категория электроснабжения здания

1

88

8

5

I-II

2

72

2

9

I-II

3

108

10

5

I-II

4

40

2

5

I-II

6

93

8

5

I-II

7

93

8

5

I-II

8

93

8

5

I-II

15

88

8

5

I-II

16

251

17

9

I-II

18

35

1

9

I-II

19

35

1

9

I-II

20

40

2

5

I-II

21

88

8

9

I-II

22

35

1

9

I-II

23

251

17

9

I-II

24

40

2

5

I-II

25

35

1

9

I-II

26

35

1

9

I-II

27

35

1

9

I-II

28

35

1

9

I-II


Характеристики других зданий Микрорайона Черемушки.

Здание №11 - детский сад на 50 мест, I-II категория.

Здание №17 - детский сад на 250 мест, I-II категория.

Здание №5-магазин, площадью торгового зала - 420 м2, III категория.

Здание №9- продовольственный магазин с кондиционированием воздуха, площадью торгового зала - 120 м2, II категория.

Здания №14 - ресторан; активная нагрузка на вводе здания 20 кВт; cosφ=0,93; tgφ=0,4, II категория.

Здание № 10- ремонтные мастерские ЖКХ , III категория.

Здание № 13- ремонт обуви; активная нагрузка на вводе здания   12 кВт; cosφ=0,86; tgφ=0,6, I-II категория.

Здание № 12 - средняя общеобразовательная школа с электрифицированными столовой и спортзалом на 400 учащихся, I-II категория.

В каждом подъезде жилого 9 этажных домов расположена лифтовая установка с двигателем номинальной мощности Рн =8 кВт.

Расчетная реактивная нагрузка линий питания лифтовых установок:

, квар,

где tg jл - коэффициент реактивной мощности лифтов, принимаемый по п. 2.1.2. [12]. 

Полная нагрузка линий питания лифтовых установок равна:

 , кВ·А,

Мощность электродвигателей санитарно-технических устройств:

Pcту.=,

где  - коэффициент спроса, принимаемый по табл.2.1.3. [12].

n  - количество электродвигателей санитарно-технических устройств;

- установленная мощность электродвигателя насоса, вентилятора и других санитарно-технических устройств.

Мощность и количество электродвигателей санитарно-технических устройств для пяти-, девятиэтажных жилых зданий приведены в табл.2.

Таблица 2. Характеристика электродвигателей для жилых зданий

Количество Этажей здания

Количество электродвигателей

Мощность электродвигателей Pэд, кВт

9

4

3


7

1

5

2

3


4

1


= кВт;

= кВт;

Расчетные нагрузки жилого дома определяются по формулам [12]:

, кВт,

 квар;

, кВ·А.

где Ку =0,9 - коэффициент участия в максимуме нагрузки силовых электроприемников.

Приведем пример расчета 5 этажного жилого дома (здание №1).

Pр.кв.= Pкв.уд.·n = 1,5·88 =132 кВт;

Qр.кв.= 132·0,2=26,4 квар;

Pсту =7,5 кВт;

Qсту =7,5·0,75= 5,63 квар;

кВт;

квар;

 кВ·А.

Расчет нагрузок пятиэтажных жилых домов сведен в табл. 3.

Таблица 3Расчет нагрузок пятиэтажных жилых домов

№ здания

Ркв. уд, кВт/квартира

Рр. кв, кВт

Qр. кв, квар

Pсту., кВт

Qсту., квар

Pр.жд., кВт

Qр. жд, квар

Sр. жд, кВ·А

1

1,5

132

26,4

7,5

5,6

138,75

31,44

142,26

3

1,5

150

30

7,5

5,6

168,75

37,44

172,85

4

1,5

162

32,4

7,5

5,6

66,75

17,04

68,890

6

1,5

139,5

27,9

7,5

5,6

146,25

32,94

149,91

7

1,5

139,5

27,9

7,5

5,6

146,25

32,94

149,91

8

1,5

139,5

27,9

7,5

5,6

146,25

32,94

149,91

15

1,5

132

26,4

7,5

5,6

138,75

31,44

142,26

20

1,5

132

26,4

7,5

5,6

138,75

31,44

142,26

24

1,5

132

26,4

7,5

5,6

138,75

31,44

142,26

     Σ

1,5

 

 

 

 

1229,25

279,06

1260,51


Приведем пример расчета 9 этажного дома (здание №2)

Pр.кв.= Pкв.уд.·n =1,44·72 =103,68 кВт;

Qр.кв. =103,68·0,2 =20,736 квар;

 кВт;

 квар;

13,3 кВт;

квар;

143,73 кВт;

 квар.

 кВ·А

Расчет нагрузок девятиэтажных жилых домов сведен в табл. 4. 

Таблица 4. Расчет нагрузок девятиэтажных жилых домов

№ здан

Ркв уд,, кВт/кв

Рр.кв кВт

Qр.кввар

Pсту.,кВт

Qсту., квар

Кс.л.

Рр.л, кВт

Qр.л, квар

Pр.ж.д,кВт

Qр.ж.д,квар

S р жд, кВ·А

2

1,44

103,68

20,736

13,3

10

0,65

31,2

36,5

143,73

62,58

156,77

16

1,44

361,44

72,288

13,3

10

0,65

31,2

36,5

401,49

114,1

417,40

1,44

50,4

10,08

13,3

10

0,65

31,2

36,5

90,45

51,93

104,30

19

1,44

50,4

10,08

13,3

10

0,65

31,2

36,5

90,45

51,93

104,30

21

1,44

103,68

20,736

13,3

10

0,65

31,2

36,5

143,73

62,58

156,77

22

1,44

50,4

10,08

13,3

10

0,65

31,2

36,5

90,45

51,93

104,30

23

1,44

361,44

72,288

13,3

10

0,65

31,2

36,5

401,49

114,1

417,40

25

1,44

50,4

10,08

13,3

10

0,65

31,2

36,5

90,45

51,93

104,30

26

1,44

50,4

10,08

13,3

10

0,65

31,2

36,5

90,45

51,93

104,30

27

1,44

50,4

10,08

13,3

10

0,65

31,2

36,5

90,45

51,93

104,30

28

1,44

50,4

10,08

13,3

10

0,65

31,2

36,5

90,45

51,93

104,30

Σ

 

 

 

 

 

 

 

 

1723,6

716,9

1878,4


1.2 Определение расчетных нагрузок общественных зданий


Расчетные нагрузки общественных зданий определяются в соответствии с рекомендациями [12].

Расчетная нагрузка детского сада на 50 мест (здание №11) определяется по удельной нагрузке, которая составляет  кВт/место.

Коэффициент реактивной мощности tgφ=0,25.

Ррасч.д.сада = 0,46∙50 = 23 кВт;

Qрасч.д.сада = 23∙0,25 = 5,75 квар;

Sрасч.д.сада =  = 23,71 кВ∙А.

асчетная нагрузка детского сада на 250 мест (здание №17) определяется по удельной нагрузке, которая составляет  кВт/место.

Коэффициент реактивной мощности tgφ=0,25.

Ррасч.д.сада = 0,46∙250 = 115 кВт;

Qрасч.д.сада = 115∙0,25 = 28,75 квар;

 Sрасч.д.сада =  = 118,54 кВ∙А.

Расчетная нагрузка продовольственного магазина повседневного спроса (здание №5) определяется по удельной нагрузке, которая составляет  кВт/м2. Коэффициент реактивной мощности для продовольственного магазина  составляет tgφ=0,75.

Ррасч.маг = 0,25∙420 =105 кВт;

Qрасч.маг = 105∙0,75 =78,75 квар;

Sрасч.маг =  = 131,25 кВ∙А.      

Расчетная нагрузка продовольственного магазина повседневного спроса (здание №9) определяется по удельной нагрузке, которая составляет  кВт/м2.

Коэффициент реактивной мощности для продовольственного магазина  составляет tgφ=0,75.

Ррасч.маг = 0,25∙120 =30кВт;

Qрасч.маг = 30∙0,75 =22,5 квар;

Sрасч.маг =  = 37,5 кВ∙А.

Расчетная нагрузка ресторана (здание №20) определяется в соответствии с исходными данными.

Ррасч.рест.. = 20 кВт;

Qрасч.рест.. =20*0,4 =8 квар;

Sрасч.рест.. =  = 21,54 кВ∙А.

Расчетная нагрузка ремонта обуви (здание №13) определяется в соответствии с исходными данными.

Ррасч.рест.. = 12 кВт;

Qрасч.рест.. =12*0,6 =7.2 квар;

Sрасч.рест.. =  =13,99 кВ∙А.

Расчетная нагрузка ремонтные мастерские ЖКХ (здание №10) определяется в соответствии с исходными данными.

Ррасч.рест.. = 24 кВт;

Qрасч.рест.. =24*0,6 =14,4 квар;

Sрасч.рест.. =  =28,85кВ∙А.

Расчетная нагрузка школы на 400 мест (здание №12) определяется по удельной нагрузке, которая составляет  кВт/место.

Коэффициент реактивной мощности для школы составляет tgφ=0,38.

Ррасч.школы = 0,25∙400 = 100 кВт;

Qрасч.школы = 100∙0,38 = 38 квар;

Sрасч.школы =  = 107 кВ∙А.

Расчет нагрузок общественный зданий сведен в табл.5

Таблица 5. Расчет нагрузок общественных зданий

№ здания

Руд., кВт/место, кВт/м2

Кол-во мест, площадь и т.д.

Рр, кВт

Qр, квар

Sр, кВ·А

11

0,46

50 мест

23

5,75

23,71

17

0,46

250 мест

115

28,75

118,54

5

0,25

420м

105

78,75

131,25

9

0,25

120 м

30

22,5

37,50

14



20

8

21,54

13



12

7,2

13,99

10



24

14,4

28,85

12

0,25

400 мест

100

38

107

 Σ

 

 

429

203,35

482,38

 


Сумма нагрузок жилых домов, общественных зданий и наружного освещения:


1229,25+1723,59+429+129==3510,5 кВт;

50,4+401,5+203,35+ 43=698,25  квар;

SE=√3510,52+698,252= 3579,26 кВ·А.

Потери мощности в трансформаторах ТП и сетях до 1000 В Микрорайона Черемушки ориентировочно составят [15]:

∆Рпос = 0,03SS = 0,03·3579,26 =107,37 кВт;

∆Qпос= 0,1SS = 0,1∙3579,26 = 357,92 квар.

Расчетная электрическая нагрузка на шинах 10 кВ центра питания определится в соответствии с [15]

Pр.10 = kу PS + ∆Pпос = 0,75 ∙3510,5 +107,37 = 2740,24 кВт,

где kу = 0,75 - коэффициент совмещения максимумов нагрузок для жилой застройки при количестве трансформаторов 11-20 [15];

Qр.10 = kу QS + ∆Qпос = 0,75 ∙ 698,25+357,92 =881,60 квар.

Полная расчетная нагрузка :


                   = 2878,56 кВ·А

Для питания Микрорайона Черемушки проектируется двухтрансформаторная ПС-5 «Микрорайона Черемушки» с двумя трансформаторами мощностью Sном.т.=2500 кВ·А.

Выбор мощности трансформаторов ПС выполним с учетом допустимой 1,5-кратной перегрузки в послеаварийном режиме:

 =  1919,04 кВ∙А,

Выбираем ближайший больший по стандартной мощности трансформатор Sном .т = 2500 кВ·А.

Коэффициент загрузки трансформаторов составляет:

в нормальном режиме:

βнр =  =  = 0,41 < 0,7;

в послеаварийном режиме:

βп.ав. = 2∙βнорм = 2∙0,41 =0,82 < 1,5.

Выбираем трансформаторы марки ТМН-2500/110.

Это двухобмоточный трансформатор с естественным масляным охлаждением, с устройством РПН.

Технические характеристики трансформатора ТМН-2500/110:

напряжение обмотки ВН -115 кВ;

напряжение обмотки НН - 11 кВ;

потери холостого хода ∆Рхх =3.9кВт;

потери короткого замыкания ∆Ркз= 25 кВт;

напряжение короткого замыкания uк=11,5 %;

ток холостого хода Iх=0,6 %;

схема и группа соединения обмоток - Yо/Δ-11.

К установке выбираем двухтрансформаторные подстанции, так как доля нагрузок I и II категории значительна.

Площадь Микрорайона Черемушки F= 0,318 км2.

Расчетная активная нагрузка:

Рр10 = 2740,24 МВт.

Удельная нагрузка Микрорайона Черемушки составляет:

Руд =  =  =6,09 МВт/км2.

В районах многоэтажной застройки (9 этажей и выше) при плотности нагрузки от 5 до 8 МВт/км2 ,рекомендуется устанавливать трансформаторы мощностью 2х250 кВ∙А [12].

Расчетное число трансформаторов ТП:

N расч­ = = = 10,47 трансформаторов. 

где  β =0,9 - коэффициент загрузки трансформаторов.

Выбираем шесть блочных двухтрансформаторных подстанций типа КТПБ-2x250 с трансформаторами марки ТМГ.

Каждая ТП будет питать определенный участок Микрорайона Черемушки. При недостаточном коэффициенте загрузки принимаются трансформаторы меньшей мощности.

Пример расчета для ТП-1.

От ТП-1 будут получать питание жилые дома (здания 2,1,3), и приблизительно восьмая часть нагрузки наружного освещения (Росв =16,1 кВт, Qосв =5,4 квар).

Расчетная нагрузка ТП-1 в соответствии с табл. 2, 3, 4 и формулой (12) [1] составит

РТП-1= Рзд 2+ Росв +К1(Рзд 1,3) = 143,73+16,1+(138,75+138,75) =437,33 кВт;

QТП-1= Qзд 2+ Qосв + К1(Qзд 1,3) = 62,58+5,4+(31,44+31,44) =130,85 квар;

SТП-1=  кВ·А

где Рзд 2 (Qзд 2) - наибольшая из нагрузок зданий, питаемых от ТП-1;

К1=1,0 и К2=0,4 - коэффициенты, учитывающие долю нагрузок других жилых домов и кафе в расчетной нагрузке РТП-1 [12].

Результаты расчетов для других ТП сведены в табл. 6.

Таблица 6. Характеристики трансформаторов

№ ТП

№ зданий, запитанных от ТП

Нагрузка ТП, кВ∙А

Количество и мощность трансформаторов ТП, кВ∙А

Коэффициент загрузки в нормальном режиме, отн. ед.

Коэффициент загрузки в послеаварийном режиме, отн.ед.

1

2,1,3

456,59

2*250

0,91

1,82

2

16,4,6

456,59

2*250

0,91

1,82

3

18,7,8

456,59

2*250

0,91

1,82

4

19,15,17

407,10

2*250

0,81

1,63

5

5,11,12,9,14,13,10

406,15

2*250

0,81

1,62

6

Прочие здания района

447,10

2*250

0,89

1,79


1.3 Проектирование уличного освещения


Расчет уличного освещения определяется в соответствии с рекомендациями [29].

Для установки на магистральных дорогах принимаем светильники РКУ-400. Высота установки светильника - 10 м. Световой поток лампы составляет Ф =22000 лм.

Для установки на остальных дорогах принимаем светильники РКУ-250. Высота установки светильника - 10 м. Световой поток лампы составляет 12500 лм.

Расстояние между устанавливаемыми светильниками равно:

L =  , м,

где Ф - световой поток выбранной лампы;

hL - коэффициент использования светового потока по яркости [29];

LB - заданная яркость освещаемого объекта (кд/м2);

k - коэффициент запаса, k = 1,5 [29];

b - ширина освещаемой дороги (для магистралей - 18 м, для общегородских и районных дорог - 12 м, для проездов - 5 м, для проездов и проходов к корпусам и площадкам - 5 м).

На улицах общегородского значения:

Lм =  = 23 м.

На улицах районного значения:

Lм =  = 38 м.

На проездах и проходах к корпусам и площадкам:

Lм =  = 53 м.

В соответствии с генпланом микрорайона получим количество светильников:

светильники РКУ-400 - 112 шт;

светильники РКУ-250 - 338 шт.

Для индивидуально-компенсированных светильников tgφ = 0,33 [29].

Расчетная активная нагрузка уличного освещения:

Рр. осв=Рсв∙n, кВт,

где Рсв - мощность лампы в светильнике, кВт;

n - количество светильников, шт.

Расчетная реактивная нагрузка уличного освещения равна:

Qр. осв = Рр. осв tgφ, квар.

Полная расчетная нагрузка уличного освещения равна:

Sр. осв = , кВ∙А.

Для светильников с лампами мощностью Рсв = 400 Вт:

Рр. 400 = 0,4∙112 =45 кВт;

Qр. 400 =44,8∙0,33 =15 квар;

Sр. 400 =  = 47 кВ∙А.

Для светильников с лампами мощностью Рсв = 250 Вт:

Рр.250 = 0,25∙338 =85 кВт;

Qр. 250 = 84,5∙0,33 =28 квар;

Sр. 250 = =89 кВ∙А.

Расчетные нагрузки наружного освещения Микрорайона Черемушки равны:

 кВт;

 квар.

Выводы: В первой главе были проведены расчеты нагрузки жилых зданий и объектов района. Даны определения нагрузок как физических величин.

Определены данные нагрузки в соответствии с рекомендациями и стандартами. Рассчитаны нагрузки общественных зданий, уличных освещений, определенно их количество и характеристики.

Сумма нагрузок жилых домов, общественных зданий и наружного освещения:

216,18+280,57+203,35+ 43=698 квар;

 кВ·А.

Из полученных данных мы можем перейти ко второй главе диссертации, где будет рассчитана и спроектирована районная подстанция напряжением 110/10 кВ.

2. Расчет и проектирование районной подстанции напряжением 110/10 кВ

 

.1 Выбор числа и мощности трансформаторов ПС


Сумма нагрузок жилых домов, общественных зданий и наружного освещения:

951,75+726,12+429+129=3510,5 кВт;

216,18+280,57+203,35+ 43=698 квар;

 кВ·А.

Потери мощности в трансформаторах ТП и сетях до 1000 В Микрорайона Черемушки ориентировочно составят [15]:

∆Рпос = 0,03SS = 0,03·2356,12 =70,68 кВт;

∆Qпос= 0,1SS = 0,1∙2356,12 =235,61 квар.

Расчетная электрическая нагрузка на шинах 10 кВ центра питания определится в соответствии с [15]

Pр.10 = kу PS + ∆Pпос = 0,75 ∙2235,87 +201 = 1877,9 кВт,

где kу = 0,75 - коэффициент совмещения максимумов нагрузок для жилой застройки при количестве трансформаторов 11-20 [15];

Qр.10 = kу QS + ∆Qпос = 0,75 ∙ 743,1+235,61 =792,93 квар.

Полная расчетная нагрузка :

 2038,45 кВ·А.

Центром питания Микрорайона Черемушки в настоящее время является двухтрансформаторная ПС-5 «Микрорайона Черемушки» с двумя трансформаторами мощностью Sном.т.=2500 кВ·А. В связи с увеличением нагрузки Микрорайона Черемушки мощность трансформаторов изменится.

Коэффициент загрузки трансформатора в послеаварийном режиме составит: [15,стр.78]


Кн.п. = 2038,45/(2-1)1358,64 = 1,5

Выбор мощности трансформаторов ПС выполним с учетом допустимой 1,5-кратной перегрузки в послеаварийном режиме. :

 =  1358,64 кВ∙А,

Выбираем ближайший больший по стандартной мощности трансформатор Sном .т = 2500 кВ·А.

Коэффициент загрузки трансформаторов составляет:

в нормальном режиме:

βнр =  =  = 0,41 < 0,7;

- в послеаварийном режиме:

βп.ав. = 2∙βнорм = 2∙0,41 =0,82 < 1,5.

Выбираем трансформаторы марки ТМН-2500/110.

Это двухобмоточный трансформатор с естественным масляным охлаждением, с устройством РПН.

Технические характеристики трансформатора ТМН-2500/110:

напряжение обмотки ВН -115 кВ;

напряжение обмотки НН - 11 кВ;

потери холостого хода ∆Рхх =3.9кВт;

потери короткого замыкания ∆Ркз= 25 кВт;

напряжение короткого замыкания uк=11,5 %;

ток холостого хода Iх=0,6 %;

схема и группа соединения обмоток - Yо/Δ-11.

 

.2 Выбор числа и мощности трансформаторов ТП


К установке выбираем двухтрансформаторные подстанции, так как доля нагрузок I и II категории значительна.

Площадь Микрорайона Черемушки F= 0,318 км2.

Расчетная активная нагрузка:

Рр10 = 1,877 МВт.

Удельная нагрузка Микрорайона Черемушки составляет:

Руд =  =  =5,9 МВт/км2.

В районах многоэтажной застройки (9 этажей и выше) при плотности нагрузки от 5 до 8 МВт/км2 ,рекомендуется устанавливать трансформаторы мощностью 2х250 кВ∙А [12].

Расчетное число трансформаторов ТП:

N расч = = = 10,47 трансформаторов.

где  β =0,9 - коэффициент загрузки трансформаторов.

Выбираем шесть блочных двухтрансформаторных подстанций типа КТПБ-2x250 с трансформаторами марки ТМГ.

Каждая ТП будет питать определенный участок Микрорайона Черемушки. При недостаточном коэффициенте загрузки принимаются трансформаторы меньшей мощности.

Пример расчета для ТП-1.

От ТП-1 будут получать питание жилые дома (здания 2,1,3), и приблизительно восьмая часть нагрузки наружного освещения (Росв =16,1 кВт, Qосв =5,4 квар).

Расчетная нагрузка ТП-1 в соответствии с табл. 2, 3, 4 и формулой (12) [1] составит

РТП-1= Рзд 2+ Росв +К1(Рзд 1,3) = 143,73+16,1+(138,75+138,75) =437,33 кВт;

QТП-1= Qзд 2+ Qосв + К1(Qзд 1,3) = 62,58+5,4+(31,44+31,44) =130,85 квар;

SТП-1=  кВ·А

где Рзд 2 (Qзд 2) - наибольшая из нагрузок зданий, питаемых от ТП-1;

К1=1,0 и К2=0,4 - коэффициенты, учитывающие долю нагрузок других жилых домов и кафе в расчетной нагрузке РТП-1 [12].

Результаты расчетов для других ТП сведены в табл. 6.

Таблица 6. Характеристики трансформаторов

№ ТП

№ зданий, запитанных от ТП

Нагрузка ТП, кВ∙А

Количество и мощность трансформаторов ТП, кВ∙А

Коэффициент загрузки в нормальном режиме,    отн. ед.

Коэффициент загрузки в послеаварийном режиме, отн.ед.

1

2,1,3

456,59

2*250

0,91

1,82

2

16,4,6

456,59

2*250

0,91

1,82

3

18,7,8

456,59

2*250

0,91

1,82

4

19,15,17

407,10

2*250

0,81

1,63

5

5,11,12,9,14,13,10

406,15

2*250

0,81

1,62

6

Прочие здания района

447,10

2*250

0,89

1,79


2.3 Выбор сечения питающей линии 110 кВ


Расчетная мощность, передаваемая по линии 110 кВ равна:

P р.110 = P р.10+∆Pт;

Q р.110 = Q р.10+∆Qт,

где ∆Рт - потери активной мощности в трансформаторах, кВт;

∆Qт - потери реактивной мощности в трансформаторах, квар.

=  16,1 кВт;

=50,1 квар;

Pр. 110 = 1877,9+ 16,1= 1894 кВт;

Qр 110 = 792,93+ 50,1= 843,03 квар.

Полная мощность, передаваемая по линии 110 кВ, равна:

 кВ·А.

Определяем расчетный ток в линиях 110 кВ

Iр =  = =5,55 А.

Экономическое сечение проводов линии:

qэ = Iр / jэ = 5,44/1,1 =4,94 мм2,

где jэ =1,1А/мм2 - экономическая плотность тока для неизолированных сталеалюминиевых проводов при Тм = 4200 ч/год [22].

В соответствии с ПУЭ минимальное сечение провода для линии напряжением 110 кВ по условию потерь на корону составляет 70 мм2. Линию выбираем двухцепной. В соответствии с ПУЭ минимально допустимое по механической прочности сечение сталеалюминиевых проводов для двухцепной линии 120 мм2.

Выбираем для линии 110 кВ провода АС-120/19, Iдоп =375 А.

Проверим выбранное сечение по току послеаварийного режима:

Iдоп ≥ 2∙Iр;     375А >2 ∙ 5,55 = 11,1 А.

Выбранное сечение удовлетворяет условию допустимого нагрева.

2.4 Выбор схемы подстанции 110/10 кВ

 

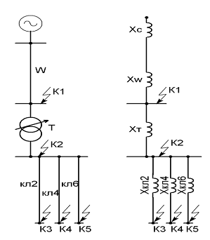
Схему подстанции принимаем упрощенной, т.е. без сборных шин на первичном напряжении 110 кВ. Со стороны трансформаторов на первичном напряжении ставим силовые выключатели. Кроме того, на стороне первичного напряжения ставим неавтоматизированную ремонтную перемычку с разъединителями для питания двух трансформаторов от одной линии при ремонте другой.

Схема электрических соединений подстанции показана на рис. 1

Рис. 1 Схема электрических соединений ПС

На стороне вторичного напряжения 10 кВ принимаем одиночную секционированную систему сборных шин с двумя секциями 1 и 2.

При построении системы электроснабжения микрорайона исходим из раздельной работы линий и трансформаторов, т.к. при этом снижаются токи короткого замыкания, упрощаются схемы коммутации и релейная защита. Для восстановления питания потребителей применены простейшие схемы автоматики (АВР на секционном выключателе в распределительном устройстве 10 кВ).

Для питания собственных нужд ПС устанавливаем трансформаторы собственных нужд. Для питания собственных нужд принимаем 2 трансформатора ТС-40/10.

2.5 Выбор схемы электроснабжения микрорайона Черемушки


Рассмотрим два варианта схем распределения электроэнергии на напряжении 10 кВ. Обе схемы двухлучевые магистральные. Схемы двух вариантов приведены на рис.2.

К прокладке выбираем кабели марки АПвП.

В первом варианте имеются 3 магистральные линии:

по кабельным линиям 1,2 питаются ТП-1, ТП-4;

по кабельным линиям 3,4 питаются ТП-2, ТП-3;

по кабельным линиям 5,6 питаются ТП-5, ТП-6.

Во втором варианте имеются также 3 магистральные линии:

по кабельным линиям 1,2 питаются ТП-1, ТП-4;

по кабельным линиям 3,4 питаются ТП-2, ТП-5;

по кабельным линиям 5,6 питаются ТП-3, ТП-6.

Количество трансформаторов и выключателей в обоих вариантах одинаковое; участки ТП-1 - ТП-4 в обоих вариантах одинаковые. Эти элементы при сравнении не учитываем.

Расчетные затраты при единовременных капитальных вложениях и постоянных издержках определяются по формуле в соответствии с [35] :

З = Ен ∙К+И , руб,

где Ен = 0,12 1/год;

К - единовременные капитальные вложения, руб;

И - ежегодные эксплуатационные издержки, руб/год.

И =Иа +Ир.о.+Ип.л.,

где Иа - ежегодные амортизационные издержки (4% от капитальных затрат для кабельных линий [35]);

Рис. 2. Варианты схем электроснабжения 10 кВ

Ир.о. - издержки на ремонт и обслуживание элементов сети (2,3 % от капитальных затрат для кабельных линий, проложенных в земле [35]);

Ип.л. - стоимость потерь электроэнергии в сети

Ип.л = ∆Wл∙CЭ ,

где ∆Wл - расчетные потери электроэнергии в сети, кВт∙ч/год;

CЭ = 0,146 руб/кВт∙ч - тариф на оплату технологических потерь электрической энергии на ее передачу по сетям, утвержденный ОАО «Ленэнерго» в 2008 г.

∆Wл = ∑∆Рл ∙ τ , кВт∙ч/год,

где τ - годовое число часов максимальных потерь электроэнергии, ч/год

τ = ==2886 ч/год,

где Тм =4500 ч/год. - заданное годовое число часов использования максимума нагрузки.

Потери активной мощности на участке кабельной линии

∆Рл = 3 I2p ro L 10-3, кВт,

где Iр - расчетный ток участка кабельной линии;

r0 - погонное сопротивление участка линии, Ом/км;

L - длина участка линии, км.

.6 Выбор вариантов схем электроснабжения

Рассмотрим вариант 1

По кабельным линиям 3,4 двулучевой магистральной схемы питаются ТП-2, ТП-3.

Нагрузка участка ПС-ТП-2:

SПС-ТП-2 =456,59+392,42=849 кВ∙А.

Расчетный ток:

IПС-ТП-2 = = 24,5 А.

Сечение кабелей:

qПС-ТП-2 = мм2,

где  jэ =1,7 А/мм2 - экономическая плотность тока, (для кабелей с изоляцией из сшитого полиэтилена, с алюминиевыми жилами, при годовом числе часов использования максимума нагрузки Тм =4200 ч/год).

Полученное сечение округляются до ближайшего стандартного сечения. В городских электрических сетях рекомендуется принимать сечение не менее 70 мм2 [12]. Поэтому qПС-ТП-2 = 70 мм2 (Iдоп =210 А, rо=0,4 Ом/км).

Для участка ТП-2-ТП-3:

SТП-2-ТП-3 = 456,59+392,42=849 кВ∙А.

IТП-2-ТП-3 = 24,5 А.

qТП-2-ТП-3 = 70 мм2.

По кабельным линиям 5,6 двулучевой магистральной схемы питаются ТП-5, ТП-6.

Для участка ПС-ТП-5:

SПС-ТП-5 = 456,59+392,42=849 кВ∙А.

IПС-ТП-5 24,5 А

qПС-ТП-5 = 70мм2.

Для участка ТП-5-ТП-6:

SТП-5-ТП-6 = 679,02кВ∙А;

IТП-5-ТП-6 = 19,6 А;

qТП-5-ТП-6 = 70 мм2.

Все участки удовлетворяют условию нагрева в нормальном режиме.

Проверим кабели по нагреву в послеаварийном режиме.

Участок ПС-ТП-5:

Iпа=2Ip=2 × 24,5= 49A < kn kпIдоп =0,9×1,23×210 = 230 А,

где kn =0,9 - поправочный коэффициент на количество кабелей в траншее (n=2);

kп = 1,23 - коэффициент перегрузки кабелей АПвП, проложенных в земле.

Для других участков условие проверки по нагреву в послеаварийном режиме выполняется.

Рассмотрим вариант 2.

По кабельным линиям 3,4 двулучевой магистральной схемы питаются ТП-2, ТП-5.

Нагрузка участка ПС-ТП-2:

SПС-ТП-2 =456,59+422,42=879 кВ∙А.

Расчетный ток:

IПС-ТП-2 = = 25,37А.

Сечение кабелей:

qПС-ТП-2 = мм2,

Для участка ТП-2-ТП-5:

SТП2-ТП-5 = 879 кВ∙А.

IТП-2-ТП-5 = 25,37А.

qТП-2-ТП-5 = 70мм2.

По кабельным линиям 5,6 двулучевой магистральной схемы питаются ТП-3, ТП-6.

Для участка ПС-ТП-3:

SПС-ТП-3 = 905 кВ∙А;

IПС-ТП-3 = 26,12 А;

qПС-ТП-3 = 70 мм2.

Для участка ТП-3-ТП-6:

SТП3-ТП-6 =404 кВ∙А;

IТП-3-ТП-6 = 11,66А;

qТП-3-ТП-6 = 70мм2.

Все участки удовлетворяют условию нагрева длительно допусимым тока в нормальном режиме.

Проверим по нагреву в послеаварийном режиме участок ПС-ТП-3:

Iпа=2Ip=2 × 26,12= 52,24 A < kn kпIдоп =0,9×1,23×210 = 230 А,

2.7 Технико-экономическое сравнение вариантов

Капитальные вложения для варианта 1 представлены в табл.7.

Таблица 7. Финансовые вложения для варианта 1

Оборудование

Количество единиц

Цена за единицу, тыс. руб.

Сумма, тыс. руб.

Кабельные линии сечением 70 мм2

  3,08 км

195,3

601,5


Расчет ежегодных затрат на возмещение потерь электроэнергии для варианта 1 приведен в табл.8.

Таблица 8. Расчет ежегодных затрат на возмещение потерь электроэнергии

Участок линии

ro,  Ом/км

L, км

Rл,  Ом

Iр,  А

∆Рл, кВт

∆Wл, кВт·ч/год

Ип.л, тыс. руб/год

ПС-ТП-2

0,4

0,7

0,280

59,7

2,99

8640

1,26

ТП-2-ТП-3

0,4

0,42

0,168

29

0,42

1223

0,18

ПС-ТП-5

0,4

1,47

0,588

62

6,78

19569

2,86

ТП-5-ТП-6

0,4

0,49

0,196

33

0,64

1848

0,27

Итого:






31280

4,57


Ежегодные издержки для варианта 1:

И = 0,04∙601,5+0,023∙601,5+4,57=42,5 тыс. руб/год.

Приведенные затраты для варианта 1   

З = 0,12∙601,5+42,5 =114,68 тыс. руб/год.

Капитальные вложения для варианта 2 представлены в табл.9.

Таблица 9.Финансовые вложения для варианта 2

Оборудование

Количество единиц

Цена за единицу, тыс. руб.

Сумма, тыс. руб.

Кабельные линии сечением 70 мм2

  3,51 км

195,3

685,5

Расчет ежегодных затрат на возмещение потерь электроэнергии для варианта 2 приведен в табл.10.

Таблица 10. Расчет ежегодных затрат на возмещение потерь электроэнергии для варианта 2

Участок линии

ro,  Ом/км

L, км

Rл,  Ом

Iр,  А

∆Рл, кВт

∆Wл, кВт·ч/год

Ип.л, тыс. руб/год

ПС-ТП-2

0,4

0,79

0,316

61

3,53

10180

1,49

ТП-2-ТП-5

0,4

0,79

0,316

30

0,85

2462

0,36

ПС-ТП-3

0,4

0,98

0,392

61

4,38

12629

1,84

ТП-3-ТП-6

0,4

0,95

0,38

33

1,24

3583

0,52

Итого:






28854

4,21


Ежегодные издержки для варианта 2

И = 0,04∙685,5+0,023∙685,5+4,21=47,4 тыс. руб/год.

Приведенные затраты для варианта 2

З = 0,12∙685,5+47,4 =129,66 тыс. руб/год.

Из расчетов видно, что затраты для первого варианта меньше на 13%. Далее все расчеты проводим для схемы первого варианта.

.8 Выбор сечений кабельных линий 0,4 КВ

К прокладке принимаем кабели с алюминиевыми жилами в поливинилхлоридной изоляции. Сечения кабельных линий 0,4 кВ выбираются по экономической плотности тока и проверяются по условию допустимого нагрева расчетным током в нормальном и послеаварийном режиме. Кабельные линии 0,4 кВ должны быть проверены по потерям напряжения от ТП до вводов в здание, которые должны быть не более 10 % [12]. Потери напряжения в кабеле определяются по формуле для послеаварийного режима:

∆U = , %.

Приведем пример выбора и проверки сечения кабельной линии для здания №1. Из табл.3 находим полную мощность, потребляемую зданием №1.

 кВ·А.

Предварительный расчет показывает, что при двух проложенных кабелях, практически на всех присоединениях , выбранное сечение не проходит по длительно допустимому току и(или) току в послеаварийном режиме. Поэтому целесообразно увеличить количество параллельно проложенных кабелей до четырех.

Ток, протекающий в кабеле равен:

А.

Определяем сечение кабели по экономической плотности тока по формуле:

qэ = Iр/jэ  , мм2,

где  Iр - расчетный ток кабеля;

 мм2

Округляем полученное сечение до ближайшего стандартного значения:

 мм2

Допустимый ток кабеля в нормальном режиме равен:

, А,

где: kпр’ - коэффициент прокладки, зависящий от числа кабелей в траншее [22];

Iдоп.табл. - допустимый ток кабеля выбранного сечения, принимаемый по справочным данным [22].

В нормальном режиме должно выполняться условие

Iдоп ≥ Iр.

Допустимый ток кабеля в послеаварийном режиме равен:

, А ,

где: kп/ав. - коэффициент допустимой перегрузки кабеля в послеаварийном режиме.

На период ликвидации аварии допускаются перегрузки кабелей с изоляцией из полиэтилена и поливинилхлоридного пластиката на 15 % [21].

В послеаварийном режиме должно выполняться условие

Iдоп п/а ≥ Iр п /а ,

где: Iр п/а = 2Iр (4/3Iр) при двух (четырех) кабелях в траншее. 

Допустимые длительные токи для четырёхжильных кабелей с алюминиевыми жилами в поливинилхлоридной оболочке при прокладке в земле равны [22]:

мм2 = 354А, 150 мм2 = 308А, 120 мм2 = 271А, 95 мм2 = 234А,

мм2 = 193А, 50 мм2 = 161А, 35 мм2 = 128А, 25 мм2 = 105А,

мм2 = 82А, 10 мм2 = 64А, 6 мм2 = 42А, 4 мм2 = 34А, 2,5 мм2 = 26А.

Iдоп=193·0,8=154 А > Iрасч=125А - сечение удовлетворяет условиям допустимого нагрева в нормальном режиме.

Iлоп п/а.=193·1,15·0,8=178 А >  Iрасч п/а.=125∙4/3=167 А - сечение удовлетворяет условиям допустимого нагрева в послеаварийном режиме.

2.9 Расчет токов КЗ и выбор оборудования


Расчет токов КЗ для выбора оборудования выполняем в соответствии с [6] для следующего по стандартной мощности трансформатора 2500 кВ×А с параметрами uк=10,5%, ∆Рк.= 60 кВт.

Расчет проводим в относительных базисных единицах.

В качестве базисных величин принимаем:

базисную мощность, равную мощности трехфазного короткого замыкания системы:

Sб = Sкз = 4900 МВ∙А, 

Базисная мощность Sб = 4900 МВ∙А.

Базисные напряжения Uб1 = 110 кВ, Uб2 = 10 кВ.

Базисные токи равны:

Iб1 =  =  = 7,87 кА, Iб2 =  =  = 86,6 кА.

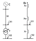
Преобразим расчетную схему в схему замещения для расчета сопротивлений.

Расчетная схема и схема замещения показаны на рис. 3.

Рис.3. Схема замещения

Рассчитаем сопротивления элементов схемы замещения.

Сопротивления системы равны: 

Xс = Sб/Sк.з. =4 900/4900 = 1,0;

Rс = Xc /50 = 1,0/50=0,02.

ЭДС системы  Ес = 1,05, т.к. в соответствии с п.1.4.9. [22] для выбора аппаратов и проводников по токам КЗ расчетное напряжение каждой ступени следует принимать на 5% больше номинального напряжения сети.

Сопротивления воздушной линии:

Xw =  = = 1,07;

Rw=  =  = 0,62,

где  Xуд = 0,43 Ом/км - удельное индуктивное сопротивление линии;

Rуд = 0,25 Ом/км - удельное активное сопротивление линии;

L - длина линии, км.

Результирующие сопротивления до точки К1:

Хрез.1 = Хс + Хw = 1,0+1,07 = 2,07.

Rрез1 = 0,02+0,62=0,64;

Поскольку , активные сопротивления можно не учитывать.

2.10 Расчет токов КЗ

Начальное значение периодической составляющей тока КЗ в точке К1:

Iк1 =  = =3,99 кА.

Расчет тока КЗ в точке К2.

Сопротивления трансформатора:

Xт = = = 15,75;

Rт = = = 0,9.

Результирующие сопротивления до точки К2:

Xрез.2 = Xс + Xw + Xт =1,0+1,07+15,75=17,82;

Rрез.2 = Rс + Rw + Rт =0,02+0,62+0,9=1,54.

Поскольку , активные сопротивления можно не учитывать.

Начальное значение периодической составляющей тока короткого замыкания в точке К2:

Iк2 = =  = 5,1 кА.

Постоянная времени до точки К1:

Ta1 = ==0,010 c.

Ударный коэффициент:

Ку1 ==1,37.

Ударный ток в точке К1:

iуК1 = 1,37∙∙3,99 = 7,73 кА.

Постоянная времени до точки К2:

Ta2 == =0,037 c.

Ударный коэффициент:

Ку2 ==1,76.

Ударный ток в точке К2:

iуК2 = 1,76∙∙5,1= 12,7 кА.

.11 Расчет теплового импульса тока КЗ

В результате длительного протекания тока короткого замыкания (КЗ) по кабелям при отключении присоединений действием резервных защит имели место пожары в кабельных хозяйствах электростанций вследствие нагрева токопроводящих жил кабелей до температур, при которых происходили разрывы оболочек и разрушения концевых заделок с возгоранием кабелей

Тепловой импульс тока КЗ (интеграл Джоуля) рассчитывается по формуле:

Bк = Iк2 ∙(tрз + tотк + Та) , кА2∙с,

где tрз - время действия релейной защиты;

tотк ≈ 0,05 с - время отключения коммутационного аппарата, с.

Та - постоянная времени (см. п. 6.1).

Для выключателей отходящих от ПС кабельных линий 10 кВ время tрз складывается из времени срабатывания предохранителей трансформаторов ТП (0,2 с) и одной ступени селективности (0,7 с). Для секционного выключателя 10 кВ добавляется одна ступень селективности, для выключателей вводов 10 кВ - еще одна ступень, для выключателей 110 кВ - еще одна ступень селективности.

Тепловой импульс для выключателя 10 кВ отходящих кабельных линий:

Bк = 5,12(0,2+0,7+0,05+0,037)= 25,7 кА2 × с.

Тепловой импульс для секционного выключателя 10 кВ:

Bк = 5,12(0,2+2×0,7+0,05+0,037)= 43,9 кА2 × с.

Тепловой импульс для выключателей вводов 10 кВ:

Bк = 5,12(0,2+3×0,7+0,05+0,037)= 62,1 кА2 × с.

Тепловой импульс для выключателей и разъединителей 110 кВ:

Bк = 3,992(0,2+4×0,7+0,05+0,010)= 48,7 кА2 × с.

.12 Определение термически стойкого сечения кабельных линий

Минимальное термически стойкое к током КЗ сечение кабеля определяется по формуле:

qмин = = 68,4 мм2,

где Вк = 46,9×106 А2×с - тепловой импульс для выключателя 10 кВ отходящих кабельных линий (см. п. 6.2);

С =100 Ас1/2/мм2 - температурный коэффициент для кабелей с алюминиевыми жилами и изоляцией из сшитого полиэтилена [13]

Выбранные ранее сечения кабелей (70 мм2) распределительной сети 10 кВ проходят по термической стойкости.

.13 Выбор коммутационных аппаратов

Выбор коммутационных аппаратов осуществляется для трансформатора номинальной мощностью 2,5 МВ∙А с учетом допустимости его 1,5-кратной перегрузки. Максимальный рабочий ток трансформатора на стороне 110 кВ

Iраб .max =  =  = 0,087 кА.

На стороне 110 кВ выбираем выключатель марки ВГТ-110-40/1250УХЛ1 и разъединитель марки РГП-110-1000УХЛ1. Проверка аппаратов сведена в табл.14 и табл.15.

Таблица 14.Проверка аппаратов

Расчетные параметры

Каталожные параметры выключателя

Условия выбора

Uуст =110 кВ

 Uном = 110 кВ

Uуст £ Uном

Iраб .max = 87 А

Iном =1250 А

Iраб.max £ Iном

IК1 = 3,99 кА

Iоткл.ном = 40 кА

IК1(3) £ Iоткл.ном

iук1= 7,73 кА

iдин = 102 кА

iук1 £ iдин

Вк = 48,7 кА2 × с

Iт2× tт =402×3 = 4800 кА2×с

Вк £ Iт2 × tт

Таблица 15. Проверка аппаратов

Расчетные параметры

Каталожные параметры разъединителя

Условия выбора

Uуст =110 кВ

Uном =110 кВ

Uуст £ Uном

Iраб.max = 87 А

 Iном =1000 А

Iраб.max £ Iном

iук1 = 7,73 кА

 im дин = 63 кА

iук1 £ im дин

Вк = 48,7 кА2 × с

 Iт2 × tт =252× 3 =1875 кА2× с

Вк £ Iт2 × tт


Максимальный рабочий ток трансформатора на стороне 10 кВ

Iраб.max =  =  = 0,866 кА.

Для вводов 10 кВ выбираем выключатели марки ВВПЭ-10-20/1000У3.

Проверка выключателей сведена в табл. 16.

Определим максимальный рабочий ток для выбора секционного выключателя:

Iраб.max =  =  = 0,433 кА.

Проверка секционного выключателя сведена в табл. 17.

Определим максимальный рабочий ток для выбора выключателей на отходящих линиях:

Iраб.max =  =  = 0,197 кА.

Выключатели на отходящих линиях, а также секционный выключатель выбираем марки ВВПЭ-10-10/250У3. Проверка выключателей на отходящих линиях сведена в табл. 18.

Таблица 16.Проверка выключателей

Расчетные параметры

Каталожные параметры

Условия выбора

Uуст =10 кВ

Uном = 10 кВ

Uуст £ Uном

Iраб.max = 866 А

Iном =1000 А

Iраб.max £ Iном

IК2 = 4,86 кА

Iоткл.ном = 20 кА

IК2(3) £ Iоткл.ном

iук2= 12,1 кА

im дин = 40 кА

iук2 £ im дин

ВК2 = 62,1 кА2 × с

 Iт2 × tт =202× 4 =1600 кА2× с

ВК2 £ Iт2 × tт


Таблица 17.Проверка секционного выключателя

Расчетные параметрыКаталожные параметрыУсловия выбора



Uуст =10 кВ

Uном = 10 кВ

Uуст £ Uном

Iраб.max = 433 А

Iном =250 А

Iраб.max £ Iном

IК2 = 5,1 кА

Iоткл.ном = 20 кА

IК2(3) £ Iоткл.ном

iук2= 12,7 кА

im дин = 40 кА

iук2 £ im дин

ВК2 = 43,9 кА2 × с

 Iт2 × tт =202× 4 =1600 кА2× с

ВК2 £ Iт2 × tт


Таблица 18.Проверка выключателей на отходящих линиях

Расчетные параметрыКаталожные параметрыУсловия выбора



Uуст =10 кВ

Uном = 10 кВ

Uуст £ Uном

Iраб.max = 197 А

Iном =250 А

Iраб.max £ Iном

IК2 = 5,1 кА

Iоткл.ном = 20 кА

IК2(3) £ Iоткл.ном

iук2= 12,7 кА

im дин = 40 кА

iук2 £ im дин

ВК2 = 25,7 кА2 × с

 Iт2 × tт =202× 4 =1600 кА2× с

ВК2 £ Iт2 × tт


На ТП установлены трансформаторы номинальной мощности 250 кВ×А. С учетом допустимой перегрузки на 80% максимальный рабочий ток трансформатора на стороне 10 кВ.

Iраб .max =  =  = 26,5 А.

Для РУ 10 кВ ТП выбираем выключатели нагрузки марки ВНА-10-250-20УЗ. Проверка аппаратов сведена в табл. 19.

Таблица 19.Выбор выключателей нагрузки

Расчетные параметры

Каталожные параметры

Условия выбора

Uуст =10 кВ

Uном = 10 кВ

Uуст £ Uном

Iраб.max = 67 А

Iном =250 А

Iраб.max £ Iном

iук2= 12,7 кА

im дин = 20 кА

iук2 £ im дин

ВК2 = кА2 × с

 Iт2 × tт =202× 4 =1600 кА2× с

ВК2 £ Iт2 × tт


2.7 Выбор оборудования РУ


Защита электроустановок от грозовых и коммутационных перенапряжений осуществляется ограничителями перенапряжений.

Принимаем к установке ОПН типа: ОПН-110 УХЛ1. Это ограничитель (О) перенапряжений (П) нелинейный (Н) на номинальное напряжение 110 кВ, предназначенный для работы в условиях умеренно холодного климата (УХЛ) на открытом воздухе (1). Каталожные данные ОПН указаны в табл. 20

Таблица 20 Каталожные данные ОПН

Тип

Uном кВ

Umax.раб кВ

Iр пер. А

U р.ост. кВ

I раз. кВ

U н.ост. кВ

Пропускная способность на волне 1,2/2,5, мс

Взрывобезопасность при токе КЗ длительностью 0,2с

ОПН-110 УХЛ1

110

156

1500

Не более 180

5

250

20 воздействий по 280-400А

20кА (действующее значение)


ВЫБОР ОГРАНИЧИТЕЛЕЙ ПЕРЕНАПРЯЖЕНИЯ (ОПН)

В нейтрали силового трансформатора устанавливаем ОПН-110/63, рабочее напряжение 63 кВ. На стороне 10 кВ принимаем к установке ограничители перенапряжений типа ОПН-10 УХЛ1 (табл. 21).

Таблица 21.Ограничители перенапряжений типа ОПН-10 УХЛ1

Тип

Uном кВ

Umax.раб кВ

Iр пер. А

U р.ост. кВ

I раз. кВ

U н.ост. кВ

Пропускная способность на волне 1,2/2,5, мс

Взрывобезопасность при токе КЗ длительностью 0,2 с

ОПН-10 УХЛ1

10

17,5

350

Не более 22

5

27

20 воздействий по 300-350А

-

 

ВЫБОР ТРАНСФОРМАТОРОВ НАПРЯЖЕНИЯ

Трансформаторы напряжения (ТН) предназначены для понижения ВН до стандартной величины 100 В или 100 В и для отделения цепей измерения и релейной защиты от первичных цепей высокого напряжения.

Трансформаторы напряжения выбираются по следующим условиям:

·   по напряжению установки: U уст ≤ U ном;

·   по конструкции и схеме соединения обмоток;

·   по классу точности;

·   по вторичной нагрузке: S2Σ ≤ S ном,

где    S ном - номинальная мощность в выбранном классе точности;

S2Σ - нагрузка всех измерительных приборов и реле, присоединенных к ТН, В∙А.

Принимаем к установке трансформатор напряжения типа НАМИТ-10-2 УХЛ2. Это трехфазный антирезонансный трансформатор напряжения, предназначенный для измерения напряжения и контроля изоляции в сетях 10 кВ с любым режимом заземления нейтрали. Выбор измерительных трансформаторов напряжения согласно [2] производим по классу точности и вторичной нагрузке SТ,ном≥S2. Схема соединения Y/Y/Δ.

ВЫБОР ТРАНСФОРМАТОРОВ ТОКА

Трансформаторы тока (ТТ) имеют следующее предназначение:

·   отделить цепи ВН от цепей измерительных приборов или аппаратов защиты, обеспечивая безопасность их обслуживания;

·   снизить измеряемый ток до значения, допускающего подключение последовательных катушек измерительных приборов или аппаратов защиты.

Трансформаторы тока выбираются по следующим условиям:

·   по номинальному напряжению Uном.т.т. ≥ Uном.у;

·   по току в первичной цепи Іном.1т.т. ≥ Іп.а , 

где    Іном.1т.т. - номинальный ток первичный, А;

Іп.а. - ток послеаварийного режима в первичной цепи, А;

·   по мощности нагрузки во вторичной цепи Sном.2т.т. ≥  Sрасч.,  

где Sном.2т.т. - допустимая (номинальная) нагрузка вторичной обмотки трансформатора тока, В·А;

- Sрасч. расчетная нагрузка вторичной обмотки ТТ в нормальном режиме;

- по термической стойкости :Вк ≤ І2т · tт;

·   по электродинамической стойкости :i у < i дин.

Принимаем к установке трансформаторы тока ТПЛК-10. Это трансформатор тока (Т) проходной (П) с литой изоляцией (Л) для КРУ (К) на напряжение 10 кВ. Согласно рекомендациям [5] для расчетного учета электроэнергии и для подключения указывающих электроизмерительных приборов, а также релейной защиты принимаем к установке трансформаторы тока класса точности 0,5.

РЕЛЕЙНАЯ ЗАЩИТА

Для выбора уставок релейной защиты расчет токов короткого замыкания выполним для трансформатора 2,5МВ·А.

Максимальный рабочий ток на стороне 10 кВ ТП с трансформаторами мощностью 250 кВ∙А:

Iт250===36,4 А.

Максимальный рабочий ток на стороне 110 кВ трансформаторов ПС:

Iт ПС ном1===33А.

Максимальный рабочий ток кабельных линий КЛ1-КЛ6 (с учетом коэффициента загрузки трансформаторов ТП, равном 0,9):

Iраб.max.КЛ = Iт250 ∙2·0,9 =36,4·2·0,9= 131 А.

Преобразим расчетную схему в схему замещения для расчета сопротивлений.

Схема замещения изображена на рис.4.

Рис. 4 Схема замещения

Расчет токов короткого замыкания.

В качестве базисных величин принимаем:

базисную мощность, равную мощности трехфазного короткого замыкания системы:

Sб = Sкз = 4900 МВ∙А,

базисное напряжение:

Uб1= 110 кВ,

Uб2 =10 кВ,

базисный ток:

Iб1 = =  =7,87 кА;

Iб2=  =  = 86,6 кА.

Приводим сопротивления линий, системы и трансформаторов к выбранным базисным условиям. Величины сопротивлений определяем в относительных единицах.

Сопротивление системы равно:

Xс = =1

Точка К1

Ток трёхфазного короткого замыкания равен:

I(3)к.з.К1 =  ,

где Xw2 - сопротивление линий W1 и W2.

XW1,W2 = L∙Xуд∙ = = 1,07,

где L1.2 - длина линии W1,W2, (км);

Xуд - удельное реактивное сопротивление линии;

Xуд =0,43 Ом/км.

Xрез1 = 1+1,07=2,07;

Активные сопротивления элементов схемы равны:

для системы:

Rс = Xc /50 = 1,0/50=0,02;

для воздушных линий;

Rw1,w2=  =  = 0,62

rрез1 = 0,02+0,62=0,64;

Так как , то начальное значение периодической составляющей тока короткого замыкания в точке К1 равно:

Iк1 = ,

I(3)к.з.К1= =3,8 кА.

Точка К2

Ток трёхфазного короткого замыкания равен:

I(3)к.з.К2 =  ,

где XТ2 - сопротивление трансформатора:

XТ2 =  =  = 25,

где Uк - напряжение короткого замыкания трансформатора;

Uк =10,5%.

I(3)к.з. К2 =  = 3,2 кА.

Точка К3

Ток трёхфазного короткого замыкания равен:

I(3)к.з.К2 =  ,

где Xкл2 -сопротивление кабельных линий КЛ-1,2

Xкл2 = Lкл2∙Xуд∙ = = 0,75,

где Lкл2 - длина кабельных линии КЛ-1, КЛ-2

LКЛ-1=LКЛ-2 = 0,578 км;

Xуд - удельное реактивное сопротивление линий,

Xуд =0,086 Ом/км.

I(3)к.з К3 =  =3,11 кА.

Точка К4

Ток трёхфазного короткого замыкания равен:

I(3)к.з.К4 =  ,

где Xкл4 -сопротивление кабельных линий КЛ-3,4.

Xкл4 = Lкл4∙Xуд∙ = = 0,72,

где Lкл4 = 0,56 км - длина кабельных линии КЛ-3, КЛ-4

I(3)к.з К4 =  = 3,12 кА.

Точка К5

Ток трёхфазного короткого замыкания равен:

I(3)к.з.К5 =  ,

где Xкл6 -сопротивление кабельных линии КЛ-5,6,

Xкл6 = Lкл6∙Xуд∙ = = 1,26,

где Lкл6 - длина кабельных линий КЛ-5,КЛ-6,

LКЛ-5,LКЛ-6 = 0,98 км;

Xуд - удельное реактивное сопротивление линии,

Xуд=0,086 Ом/км.

I(3)к.з К5 =  = 3,06 кА.

Защита трансформаторов 10/0,4 кВ

ПУЭ предписывает на трансформаторах мощностью менее 6,3 МВ∙А устанавливать следующие виды защит: МТЗ, токовую отсечку и газовую защиту. Газовая защита на трансформаторах марки ТМГ не устанавливается. Функции МТЗ и токовой отсечки будут выполнять предохранители.

Выбор плавкой вставки предохранителей с учетом допустимой послеаварийной и эксплуатационной перегрузок.

Iвс.ном ≥ 1,8∙Iт.ном (А).

Выбор плавкой вставки для трансформаторов мощностью 250 кВ∙А.

Iвс.250 = 1,8∙36,4= 65,5 А.

Для трансформаторов мощностью 250 кВ∙А выбираем предохранитель с номинальным током 80 А. Марка предохранителей ПКТ 103-10-80-20 У3.

Проверим выбранный предохранитель на ток отключения, сравнив паспортные данные с начальным значением периодической составляющей тока короткого замыкания в точках К3,К4,К5:

кА>3,12 кА

Защита кабельных линий 10 кВ

ПУЭ предписывает в кабельных линиях 3-10 кВ с изолированной нейтралью устанавливать защиты от многофазных замыканий в виде токовой отсечки и максимальной токовой защиты, а от однофазных замыканий на землю максимальную токовую защиту нулевой последовательности с использованием трансформатора тока нулевой последовательности.

Расчет МТЗ для КЛ-1,2.

Ток срабатывания защиты:

Максимальный рабочий ток линии равен:

Iраб.max. = 131 А.

Выбираем трансформаторы тока 200/5-коэффициент трансформации nТА=40.

А

где kн - коэффициент надежности kн = 1,2 [26];

kс.зап. - коэффициент самозапуска kс.зап = 1,5 [26];

kв - коэффициент возврата реле kв = 0,95 [26].

Коэффициент чувствительности определяется по формуле:

,

где I(2)к.зК3 = I(3)к.з. К3 ,

I(2)к.з. К3 =А.

Так как Кч получился слишком высоким, пересчитываем значение тока срабатывания тока защиты.

Пусть Кч=3, тогда:

 А

Ток срабатывания защиты удовлетворяет условиям чувствительности.

Время срабатывания предохранителей равно 0,01с.

tВ МТЗ КЛ1,КЛ2 = tВ МТЗ ТП +∆t = 0,01+0,7=0,71 с,

где ∆t - ступень селективности, равная 0,7с.

РАСЧЕТ МАКСИМАЛЬНОЙ ТОКОВОЙ ЗАЩИТЫ КАБЕЛЬНЫХ ЛИНИЙ КЛ1-КЛ6

Расчет МТЗ для КЛ-3,4.

Ток срабатывания защиты:

Максимальный рабочий ток линии равен

Iраб.max. = 131 А.

Выбираем трансформаторы тока 200/5-коэффициент трансформации nТА=40.

А

где kн - коэффициент надежности kн = 1,2 [26];

kс.зап. - коэффициент самозапуска kс.зап = 1,5 [26];

kв - коэффициент возврата реле kв = 0,95 [26].

Коэффициент чувствительности определяется по формуле:

,

где I(2)к.зК4 = I(3)к.з. К3

I(2)к.з. К4 =А

Так как Кч получился слишком высоким, пересчитываем значение тока срабатывания тока защиты.

Пусть Кч=3, тогда:

 А

Ток срабатывания защиты удовлетворяет условиям чувствительности.

Время срабатывания предохранителей равно 0,01с.

tВ МТЗ КЛ3,КЛ4 = tВ МТЗ ТП +∆t = 0,01+0,7=0,71 с,

где ∆t - ступень селективности, равная 0,7с.

Расчет МТЗ для КЛ-5,6.

Ток срабатывания защиты:

Максимальный рабочий ток линии равен:

Iраб.max. = 131 А.

Выбираем трансформаторы тока 200/5-коэффициент трансформации nТА=40.

А

где kн - коэффициент надежности kн = 1,2 [26];

kс.зап. - коэффициент самозапуска kс.зап = 1,5 [26];

kв - коэффициент возврата реле kв = 0,95 [26].

РАСЧЕТ МАКСИМАЛЬНОЙ ТОКОВОЙ ЗАЩИТЫ СЕКЦИОННОГО ВЫКЛЮЧАТЕЛЯ НА ШИНАХ 10 КВ ПС

Коэффициент чувствительности определяется по формуле:

,

где I(2)к.зК5 = I(3)к.з. К3 ,

I(2)к.з. К5 =А.

Так как Кч получился слишком высоким, пересчитываем значение тока срабатывания тока защиты.

Пусть Кч=3, тогда:

 А.

Ток срабатывания защиты удовлетворяет условиям чувствительности.

Время срабатывания предохранителей равно 0,01с.

tВ МТЗ КЛ5,КЛ6 = tВ МТЗ ТП +∆t = 0,01+0,7=0,71 с,

где ∆t - ступень селективности, равная 0,7с.

Для защиты кабельных линий устанавливаем микропроцессорную защиту с цифровым модулем  SPAC -805.

Максимальный ток, проходящий через секционный выключатель:

Выбираем трансформаторы тока 200/5-коэффициент трансформации nТА=40.

А

I(2)к.з. К2 =А

,

Так как Кч получился слишком высоким, пересчитываем значение тока срабатывания тока защиты.

Пусть Кч=3, тогда

 А

Ток срабатывания защиты удовлетворяет условиям чувствительности.

tВ МТЗ QB = tВ МТЗ КЛ +∆t = 0,71+0,3=1,01 с.

∆t =0,3 сек.

Для защиты секционного выключателя устанавливаем микропроцессорную защиту с цифровым модулем  SPAC -805.

Защита трансформаторов 110/10 кВ

Согласно требованиям ПУЭ, на трансформаторах мощностью 2,5 МВ∙А и более, устанавливается газовая защита от повреждений внутри трансформатора, дифференциальная токовая защита без выдержки времени и МТЗ.

Для защиты трансформаторов ПС устанавливаем микропроцессорную защиту с цифровым модулем  Сириус-Т.

Ток срабатывания защиты:

Iс.з. =  = = 93,8 А,

где kпер - коэффициент перегрузки, для трансформаторов средней мощности равен 1,5[5].

Выбираем трансформаторы тока.

Номинальные токи трансформаторов ПС

на стороне 110 кВ:

Iт ПС ном1===33А;

- на стороне 10 кВ:

Iт ПС ном2===364А.

Коэффициенты трансформации трансформаторов тока:

на стороне 110 кВ - 100/5, nта1Т.ПС = 20;

на стороне 10 кВ - 400/5, nта2Т.ПС = 80.

Коэффициент чувствительности защиты при КЗ в точке К2:

kЧ =  = =2,7 >1,5.

РАСЧЕТ МАКСИМАЛЬНОЙ ТОКОВОЙ ЗАЩИТЫ ТРАНСФОРМАТОРОВ ПС

Выдержку времени МТЗ трансформаторов ПС согласуем с выдержкой времени МТЗ секционного выключателя на шинах 10 кВ.

tВ МТЗ Т.ПС = tВ МТЗ QB +∆t = 1,01+0,3=1,31 с.

Расчет дифференциальной токовой защиты трансформаторов ПС .

Схема с точками короткого замыкания приведена на рис.5.

Рис. 5. Схема с точками короткого замыкания

Проходящий сквозной ток  вызывает дифференциальный ток:

, где

-коэффициент отстройки от тока небаланса =1,2

=2,0-коэффициент, учитывающий переходный режим, так как доля двигательной нагрузки меньше 50%

=1,0 - коэффициент однотипности трансформаторов тока.

=0,1- относительное значение полной погрешности трансформаторов тока в установившемся режиме

-равно полному размаху РПН:

За реально возможный диапазон регулирования напряжения принят диапазон от 96,5кВ до 126кВ. В таком случае середина диапазона равна:

Размах РПН ():

-ток внешнего короткого замыкания, приведенный к току ВН

=А

=0,04-коэффициент, учитывающий метрологические погрешности трансформаторов тока

=1,3∙(2,0∙1,0∙0,1+0,13+0,04) ·291=1,3∙0,37∙291=0,481·291=140 А

тормозной ток:


Коэффициент снижения торможения:

1-0,5∙0,37=0,815

=0,815∙291=237 А

Коэффициент торможения:

=59

-первая точка излома тормозной характеристики:


Защита удовлетворяет требованиям чувствительности.

Расчетные счетчики активной электроэнергии на подстанции, принадлежащей потребителю, должны устанавливаться:

) на вводе (приемном конце) линии электропередачи в подстанцию потребителя при отсутствии электрической связи с другой подстанцией энергосистемы или другого потребителя на питающем напряжении;

) на стороне высшего напряжения трансформаторов подстанции потребителя при наличии электрической связи с другой подстанцией энергосистемы или наличии другого потребителя на питающем напряжении.

СИСТЕМА УЧЕТА ЭЛЕКТРОЭНЕРГИИ

Учет активной электроэнергии трехфазного тока должен производиться с помощью трехфазных счетчиков.

Класс точности трансформаторов тока и напряжение для присоединения расчетных счетчиков электроэнергии должен быть не более 0,5. Допускается использование трансформаторов напряжения класса точности 1,0 для включения расчетных счетчиков класса точности 2,0.

Присоединение токовых обмоток счетчиков к вторичным обмоткам трансформаторов тока следует проводить, как правило, отдельно от цепей защиты и совместно с электроизмерительными приборами.

Для потребителей Микрорайона Черемушки не предусмотрен расчет за электроэнергию с учетом разрешенной к использованию реактивной мощности, следовательно, установка счетчиков реактивной энергии не требуется.

Счетчики активной энергии устанавливаем в узлах балансовой принадлежности системы электроснабжения Микрорайона Черемушки, а конкретно, на приемном конце линий электропередачи, питающих ПС.

Для установки в приемном конце линии электропередачи выбираем счетчик марки СЭТ-4ТМ.02.2-13, класса точности 0,5/0,5S, напряжения 100/57,7 В, ток 5-7,5 А.

Выводы: Во второй главе была рассчитана сумма нагрузок жилых домов, общественных зданий и наружного освещения. Исходя из этого был произведен расчет в соответствии с ПУЭ минимального сечения провода для линии напряжением 110 кВ по условию потерь на корону составляет 70 мм2. Линию выбрали двухцепной. В соответствии с ПУЭ минимально допустимое по механической прочности сечение сталеалюминиевых проводов для двухцепной линии 120 мм2.

К установке выбрали двухтрансформаторные подстанции, так как доля нагрузок I и II категории значительна.

Схему подстанции приняли упрощенной, т.е. без сборных шин на первичном напряжении 110 кВ. Со стороны трансформаторов на первичном напряжении ставим силовые выключатели.

Из расчетов видно, что затраты для первого варианта меньше на 13%. Далее все расчеты проводим для схемы первого варианта.

Предварительный расчет показывает, что при двух проложенных кабелях, практически на всех присоединениях, выбранное сечение не проходит по длительно допустимому току и(или) току в послеаварийном режиме. Поэтому целесообразно увеличить количество параллельно проложенных кабелей до четырех, также были произведены защитные мероприятия.

Исходя из полученных данных во второй главе, мы можем перейти к оценки технико-экономического эффективности и безопасности проекта подстанции в третьей главе.

3. Оценка технико-экономической эффективности и безопасности проекта районной подстанции напряжением 110/10кВ

 

.1 Безопасность жизнедеятельности


Безопасность людей, обслуживающие электрические установки и соприкасающихся с ними в значительной степени зависит от правильного выполнения заземляющих устройств. ПУЭ нормируют величину сопротивления заземляющего устройства Rз. Для установок выше 1000 В с большим током замыкания на землю

Rз ≤ 0,5 Ом.

Измеренное удельное сопротивление грунта ρ = 100 Ом∙м.

Размеры подстанции 40х30 м.

В качестве вертикальных заземлителей используем стальные прутки диаметром d = 16 мм и длиной lв = 5 м. В качестве горизонтального заземлителя принимаем полосовую сталь 40х4 мм.

Горизонтальный заземлитель, заложенный на глубину 0,7 м, проходит по периметру ПС и дополнительно одной продольной и поперечными полосами, образующими выравнивающий потенциал сетку. Поперечные полосы проложены на расстоянии от периферии к центру подстанции не более чем 4, 5, 6, 7 м.

Заглубленные в землю вертикальные заземлители расположены вдоль горизонтального заземлителя на расстоянии a ≈ l. Горизонтальный заземлитель приварен к верхним концам вертикальных заземлителей (рис. 6).

В соответствии с исходными данными сопротивление естественных заземлителей Re = 1,0 Ом. Тогда сопротивление искусственного заземлителя должно быть

Rи = =1 Ом.

Сопротивление горизонтального заземлителя (стальной соединительной полосы)

 1,2 Ом,

Рис. 6 . Схема заземляющего устройства ПС

где rрасч = rКс - расчетное сопротивление грунта;

Кс - коэффициент сезонности, учитывающий высыхание и промерзание грунта; Кс = 2,0 для горизонтальных заземлителей; Кс = 1,2 для вертикальных заземлителей;

lг = 420 м - суммарная длина горизонтального заземлителя;

с = 0,04 м - ширина стальной полосы;

tг = 0,7 м - глубина заложения горизонтального заземлителя.

Сопротивление горизонтального заземлителя с учетом коэффициента использования ηг=0,2 (табл. 22)

Rг = = =6,2 Ом.

Таблица 22

ав / lв

Количество вертикальных заземлителей Nв


10

20

40

60

Коэффициент hг для горизонтальных заземлителей

1

0,34

0,27

0,24

0,2

Коэффициент hв для вертикальных заземлителей

1

0,52-0,58

0,44-0,5

0,38-0,44

0,36-0,42


Примечание. ав - расстояние между вертикальными заземлителями.

Находим требуемое сопротивление вертикальных заземлителей

=  =1,2 Ом.

Сопротивление одного вертикального заземлителя

= 26,1 Ом,

где lв = 5 м - длина вертикального заземлителя;

d = 0,016 м - диаметр вертикального заземлителя;

tв = 3,2 м - глубина заложения, равная расстоянию от поверхности земли до середины вертикального заземлителя.

Число вертикальных заземлителей с учетом коэффициента использования hв=0,4

Nв = = =54 шт.

Молниезащиту оборудования ПС выполним четырьмя отдельно стоящими стержневыми молниеотводами (1, 2, 3 и 4), расположенными в углах территории ПС на расстоянии 1 м от ограды. (рис. 7).

Расчет молниезащиты проводим в соответствии с рекомендациями [28].

От стоек с молниеотводами должно быть обеспечено растекание тока молнии по магистралям заземления в трех направлениях. Кроме того, должны быть установлены три вертикальных электрода длиной 5 м на расстоянии не менее длины электрода от стойки с молниеотводом.

Обозначения параметров зоны защиты указаны на рис. 8.

Исходные данные для расчета:

высота молниеотводов h =15 м;

расстояние между молниеотводами L1 =40 м, L2=30 м.

высота объекта (трансформатора) hх = 5 м.

Расчет зоны защиты выполнен для степени надежности защиты Рз=0,99.

Высота зоны защиты у молниеотвода

hо = 0,8 h = 0,8 × 15 = 12 м.

Радиус зоны защиты молниеотвода на уровне земли

ro = 1,2 h = 1,2 × 15 = 18 м.

Предельные расстояния

Lc = 2,25h = 2,25 × 15 = 34 м;  Lmax = 4,75h = 4,75 × 15 = 71 м.

Высота зоны защиты между молниеотводами при соотношении Lc < L1 < Lmax

hc1 = = = 10 м.

При соотношениях L2 < Lc граница зоны защиты не имеет провеса, т.е.

hc2 = hо = 12 м.

Радиус зоны защиты в горизонтальном сечении на высоте объекта hx

rx = ro(ho - hx)/ho = 18(12 - 5)/12 = 10,5 м.

Рис.7. Молниезащита оборудования ПС

Полуширина горизонтального сечения в центре между молниеотводами на высоте объекта hx

rсх1 = ro(hс1 - hx)/hс1 = 18(10 - 5)/10 = 9 м.

rсх2 = ro(hс2 - hx)/hс2 = 18(12 - 5)/12 = 10,5 м.

Зона защиты на уровне трансформатора покрывает всю территорию ПС.

Молниезащита ТП

ТП выполнены в железобетонном корпусе. В соответствии с [22] молниезащиту закрытых подстанций, имеющих железобетонные несущие конструкции кровли, следует выполнять заземлением этих конструкций. Следовательно, железобетонную кровлю соединяем с контуром заземления ТП.

Вредные производственные факторы и комплекс мероприятий по защите персонала от действия этих факторов.

Электромагнитные поля.

В ОРУ и вблизи линий электропередачи, особенно 110 кВ и выше, токоведущими частями создается переменное электромагнитное поле. Оно характеризуется в основном напряженностью электрической составляющей поля Е, В/м, которая в РУ напряжением 10 кВ на высоте роста человека может достигнуть достаточно больших значений. Напряженность магнитной составляющей поля незначительна 10-20 А/м, поэтому ее влиянием пренебрегают. Электрическое поле неблагоприятно влияет на центральную нервнуюсистему человека, вызывает учащенное сердцебиение, повышенное кровяное давление и температуру тела. Работоспособность человека падает. Он быстро утомляется. Воздействие на человека электрического поля зависит от его напряженности и длительности пребывания в зоне влияния. Для защиты от воздействия электрического поля применяют защитные костюмы из металлизированной ткани, снабженные гибким проводом для заземления. Этот костюм полностью экранирует тело человека и исключает протекание по нему емкостного тока.

Шум и вибрация.

В результате гигиенических исследований установлено, что шум и вибрация ухудшают условия труда, оказывая вредное воздействие на организм человека. При длительном воздействии шума на организм человека происходят нежелательные явления: снижается острота зрения и слуха, повышается кровяное давление, снижается внимание. Сильный продолжительный шум может быть причиной функциональных изменений сердечно-сосудистой и нервной систем.

Вибрации также неблагоприятно воздействуют на организм человека, они могут быть причиной функциональных расстройств нервной и сердечнососудистой систем, а также опорно-двигательного аппарата. Эти заболевания сопровождаются головными болями, головокружением, повышенной утомляемостью.

Строительные нормы и правила СНиП 11-12-77 предусматривают защиту от шума строительно-акустическими методами:

а) звукоизоляция ограждающих конструкций;

б) установка в помещениях звукопоглощающих конструкций;

в) применение глушителей аэродинамического шума;

г) правильная планировка и застройка территорий городов.    Одним из основных методов уменьшения шума на объектах является снижение шума в самих его источниках. Методами снижения вибрации являются:

а) снижение вибрации в источнике ее возникновения;

б) конструктивные методы (виброгашение, вибродемпфирование, подбор определенных видов материалов, виброизоляция);

в) организационные меры;

г) организация режима труда и отдыха;

д) использование средств индивидуальной защиты (защита опорных поверхностей).

Электробезопасность

Основная опасность при обслуживании РУ подстанции является опасность поражения электрическим током. Источником опасности является открытые токоведущие части и токоведущие части с изоляцией, которая может оказаться по каким- либо причинам нарушенной. Воздействие тока на организм человека можно разделить на биологическое, термическое, электрическое. Оно вызывает различные нарушения в организме, вызывая как местное поражение тканей и органов, так и общее поражение организма.

Существует два вида поражения электрическим током: электрический удар и местные электрические травмы. К травмам относятся: ожоги, электрические знаки, электрометаллизация кожи и электрофтальмия.

При электрическом ударе воздействию тока подвергается нервная система, что может привести к остановке сердечной и дыхательных мышц. Интенсивность воздействия тока на организм определяется множеством факторов, например, длительностью прохождения тока, путём прохождения тока через тело, родом тока, индивидуальными особенностями человека. Пороговые значения тока:

) пороговый ощущаемый ток 5-7 мА/50Гц;

) пороговый не отпускающий ток 10-15 мА/50Гц;

) пороговый фибриляционный ток 70-100 мА/50Гц.

Основное условие обеспечения безопасности обслуживающего персонала - это исключение возможного прикосновения к токоведущим частям. Для этого необходимо ограждать все токоведущие элементы установок и использовать защитные средства, которые делятся на основные и дополнительные.

Основные защитные средства - средства, которые выдерживают рабочее напряжение, и позволяют производить работы непосредственно на токоведущих частях. Дополнительные защитные средства - средства, которые не позволяют производить работы на токоведущих частях. В пределах территории подстанции возможно замыкание на землю в любой точке. В месте перехода тока в землю, если не предусмотрены особые устройства для проведения тока в землю, возникают значительные потенциалы, опасные для людей, находящихся вблизи. Для устранения этой опасности на подстанции предусматривают заземляющие устройства, назначение которых заключается в снижении потенциалов до приемлемых значений.

Меры безопасности при обслуживании электроустановок.

Оперативное обслуживание электроустановок предусматривает периодические и внеочередные осмотры электрооборудования, контроль и учёт электроэнергии, оперативные переключения. Обслуживание электроустановок осуществляется инженерно-техническим, дежурным и оперативно-ремонтным персоналом. Обязанности, закреплённые за персоналом данной электроустановки, определяются местными инструкциями, в которых изложены конкретные меры по электробезопасности и пожаробезопасности применительно к эксплуатационному персоналу.

При обслуживании электроустановок напряжением выше 1000В старший в смене или дежурный должны иметь квалификационную группу по ТБ не ниже IV, а в ЭУ до 1000В - не ниже III. Во избежание поражения электрическим током во время осмотра действующих ЭУ, необходимо соблюдать следующие меры безопасности.

При осмотре ЭУ напряжением выше 1000В одним лицом не разрешается проникать за ограждения и входить в камеры РУ. Осматривать электрооборудование следует только с порога камеры или, стоя перед барьером. При обнаружении во время осмотра случайного замыкания токоведущих частей на землю, запрещается до отключения повреждённого участка приближаться к месту замыкания менее 8м на ОРУ и 4м в ЗРУ во избежание поражения шаговым напряжением. Если необходимо приближение к месту КЗ, то следует применять средства защиты (диэлектрические боты, калоши). В ЭУ до 1000В во время осмотра электрооборудования запрещается выполнять какие-либо работы на этом оборудовании, за исключением работ, связанные с предупреждением аварии или несчастного случая. Также запрещается снимать ограждения токоведущих частей и приближаться к ним на опасные расстояния.

Оперативные переключения в РУ подстанции производится дежурным или оперативным ремонтным персоналом по распоряжению или с ведома вышестоящего дежурного электротехнического персонала, в соответствии с установленным на предприятии режима работы.

Техническими мероприятиями по обеспечению безопасности работ в ЭУ являются:

) отключение ремонтируемого электрооборудования и принятия мер против его ошибочного включения;

) установка временных ограждений, не отключенных токоведущих частей и вывешивание запрещающих плакатов;

) присоединение переносного заземления;

) ограждение рабочего места и вывешивание на них разрешающего плаката.

При работе вблизи токоведущих частей находящихся под напряжением, необходимо обеспечить соответствующее расположение работающих по отношению к токоведущим частям, соблюдая минимальные расстояния до них. Недопустима работа в согнутом положении, если при выпрямлении, расстояние от любой точки тела до токоведущих частей будет менее допустимого. В помещениях, особо опасных в отношении поражения электрическим током людей, запрещены все виды работ.

Оценка опасных и вредных факторов, воздействующих на персонал, обслуживающий подстанцию 10 кВ, и меры по предотвращению этих факторов.

При эксплуатации объекта возможны следующие опасные факторы:

) поражение электрическим током при прикосновении к токоведущим частям;

) поражение электрическим током при прикосновении к токоведущим частям, нормально не находящихся под напряжением;

) влияние электромагнитного поля на организм;

) поражение электрическим током при работе с неисправным инструментом и средств индивидуальной и коллективной защиты;

) поражение обслуживающею персонала, находящегося в зоне растекания электрического потенциала, при замыкании на землю;

) возможность поражения персонала при проведении коммутационных операций;

) другие факторы.

Для предотвращения влияния опасных факторов на персонал, необходимо предусматривать следующие мероприятия:

) персонал должен действовать согласно ПТБ при работе в электроустановках;

) должна проводиться ежегодная проверка знаний, инструктаж по технике безопасности;

) при невозможности ограничения времени пребывания персонала под воздействием электрического поля необходимо применить экранирование рабочих мест: экраны над переходами, экранирующие козырьки и навесы над шкафами управления, съёмные экраны при ремонтных работах;

) установка заземляющего контура, заземление и зануление оборудования;

) соблюдение расстояний до токоведущих частей;

) выполнение организационно технических мероприятий для безопасного проведения работ.

Изучение и выявление возможных причин производственных несчастных случаев, профессиональных заболеваний, аварий, взрывов, пожаров, и разработка мероприятий и требований, направленных на устранение этих причин позволяют создать безопасные и благоприятные условия для труда человека.

Электромонтеры после демонтажа морально устаревшего электрооборудования трансформаторных подстанций осуществляют монтаж проектируемого электрооборудования. В процессе выполняемых работ рабочий персонал подвергается воздействию физических и психофизиологических негативных факторов производственной среды, оказывающих вредное влияние на здоровье и работоспособность человека.

К физическим негативным факторам производственной среды относятся:

метеорологические факторы, или микроклимат рабочего помещения (повышенные или пониженные температура и влажность помещения, большая запыленность рабочей зоны могут привести как к ухудшению самочувствия, так и к серьезным заболеваниям);

светотехнические факторы (недостаточная освещенность рабочей зоны);

электромагнитные факторы (повышенный уровень напряжения и тока в электрической сети, опасность поражения электрическим током);

К психофизиологическим негативным факторам производственной среды относятся физические перегрузки и нервно-эмоциональные нагрузки.

Физические перегрузки подразумевают:

статические нагрузки;

динамические нагрузки;

гиподинамия.

Нервно-эмоциональные нагрузки подразумевают:

умственное перенапряжение;

переутомление;

перенапряжение анализаторов (кожные, зрительные);

монотонность труда;

эмоциональные перегрузки.

Негативные факторы производственной среды при определенных условиях могут вызвать нежелательные функциональные сдвиги в организме электромонтера, снизить качество и эффективность его работы, оказать отрицательное влияние на его здоровье.

К организационным мероприятиям, обеспечивающим безопасность производства работ, относятся:

оформление работ нарядом, распоряжением или перечнем работ, выполняемых в порядке текущей эксплуатации;

допуск к работе;

надзор во время работы;

оформление перерыва в работе, перевода на другое место, окончание работы.

Ответственными за безопасное ведение работ являются:

выдающий наряд, отдающий распоряжение, утверждающий перечень работ, выполняемых в порядке текущей эксплуатации;

ответственный руководитель работ;

допускающий;

производитель работ;

наблюдающий;

член бригады.

Выдающий наряд, отдающий распоряжение, определяет необходимость и возможность безопасного выполнения работ. Он отвечает за достаточность и правильность указанных в наряде мер безопасности, за качественный и количественный состав бригады и назначение ответственных за безопасность, а также за соответствие выполняемой работе групп перечисленных в наряде работников.

Право выдачи нарядов и распоряжений предоставляется работникам из числа административно-технического персонала организации, имеющим группу 5 - в электроустановках напряжением выше 1000 B и группу 4 в электроустановках напряжением до 1000 В.

Допускающий отвечает за правильность и достаточность принятых мер безопасности и соответствие их мерам указанным в наряде, характеру и месту работы, за правильный допуск к работе, а также за полноту и качество проводимого им инструктажа членам бригады. Допускающие должны назначаться из числа оперативного персонала. В электроустановках напряжением выше 1000 В допускающий должен иметь группу 4, а в электроустановках до 1000 В - группу 3.

Допускающим может быть работник, допущенный к оперативным переключениям распоряжением руководителя организации.

Производитель работ отвечает:

за соответствие подготовленного рабочего места указаниям наряда, дополнительные меры безопасности, необходимые по условиям работ;

за четкость и полноту инструктажа членов бригады;

за наличие, исправность и правильное применение необходимых средств защиты, инструмента, инвентаря и приспособлений;

за сохранность на рабочем месте ограждений, плакатов, заземлений, запирающих устройств;

за безопасное проведение работы и соблюдение правил техники безопасности им самим и членами бригады.

Производитель работ, выполняемых по наряду в электроустановках напряжением выше 1000 B, должен иметь группу 4, а в электроустановках напряжением до 1000 B - группу 3.

Перевод на другое рабочее место и оформление перерывов в работе и ее окончания. Повторный допуск к работе после обедов и перерывов допускается только после разрешения допускающего или производителя работ с разрешения допускающего. Все защитные плакаты, заграждения и остальные защитные средства, на время перерыва не убираются.

До начала работ на объекте, персонал надо проинструктировать по охране труда. Инструктаж проводят лица ответственные за требования безопасности. Каждый работающий должен в процессе производственной деятельности руководствоваться правилами безопасности, уложенными в официальных изданиях.

Во всех опасных местах надо вывесить соответствующие плакаты и предупреждающие знаки. Все проемы должны быть ограждены, а отдельные участки монтажа иметь освещение.

Прежде чем приступить к работе, надо проверить наличие и исправность заземляющих устройств. Для наручных переносных ламп применяют напряжением не выше 36 B, а при работе в сырых помещениях, в баках выключателей и на металлоконструкциях не выше 12 B. На месте работы должна быть аптечка. Все работающие должны уметь оказывать первую медицинскую помощь.

При использовании переносных заземлений нельзя пользоваться случайными источниками. Крепление зажимов переносных заземлений к ТВЧ находящихся под напряжением производить с помощью изолирующих клещей или штанг. Крепление должно быть надежным. При ремонте электрических двигателей концы питающего кабеля должны быть отсоединены, замкнуты накоротко и заземлены.

При монтаже муфт кабель разогревают паяльной лампой. При разогреве кабельной массы не использовать случайную посуду, работать в спецодежде.

При ремонте кабельной линии все ремонтные работы выполняют при снятом напряжении, с применением средств индивидуальной защиты и коллективных защит; оперативный персонал с 3 и 4 группой работу выполняют по наряду - допуску, кабельные линии до 1 кВ - по распоряжению /26/.

Осмотр трансформаторов проводят с порога, не проходя за ограждение. Проход за ограждение возможен, если нижние фланцы изоляторов на крышке трансформаторов находятся на высоте более двух метров.

Требования безопасности при ремонте РУ:

оперативный персонал 4 группы, а помощник 3 группы;

отключают питание РУ, вход заземляют;

необходимо пользоваться диэлектрическими перчатками, ботами и ковриками;

рабочее место должно быть ограждено и вывешены плакаты; пользоваться исправным инструментом;

все работы выполнять по наряду - допуску.

Требования безопасности при монтаже кабельной линии:

наряд не менее двух лиц; всестороннее отключение кабеля;

проверка отсутствия напряжения и вывешивание плакатов;

при ремонтных работах в кабельных сооружениях, а также при земляных работах по раскопке кабельных трасс, есть наличие газа, установка должна быть заземлена, при испытании силового кабеля постоянным током, повышенным напряжением от кенотронной установки ее необходимо оградить и удалить с места работы людей /25/.

Работники из числа оперативного персонала, которым разрешается единолично обслуживать электроустановки и старшие в смене, за которым закреплена данная электроустановка, должны иметь группу по требованиям безопасности не ниже 4 в установках напряжением выше 1 кВ и 3 группу в установках напряжением до 1 кВ. Работники оперативного персонала работают по графику дежурств. При приемке смены заступивший на работу обязан:

ознакомится с состоянием и режимом работы оборудования на своем участке личным осмотром;

получить сведения от дежурного, сдающего смену, об оборудовании, за которым требуется более тщательное наблюдение и за тем, которое находится в ремонте или в резерве;

принять инструменты, материалы, средства защиты, документацию, ключи от электропомещений; ознакомится с записями, сделанными за время прошедшее с его последнего дежурства;

оформить приемку смены записью в журнале с подписями сдававшего и принимающего смену; доложить старшему по смене о вступлении на дежурство.

Приемка смены при неисправном оборудовании или аморальном режиме его работы допускается только с разрешения лица ответственного за установку.

Ответственными за безопасное ведение работ являются:

выдающий наряд, отдающий распоряжение, утверждающий перечень работ, выполняемых в порядке текущей эксплуатации;

ответственный руководитель работ;

допускающий;

производитель работ;

наблюдающий;

член бригады.

Для подготовки рабочего места при работе, требующей снятия напряжения, должны быть выполнены в указанном порядке следующие технические мероприятия:

произведены необходимые отключения и приняты меры, препятствующие подаче напряжения на место работы, вследствие ошибочного или самопроизвольного включения коммутационных аппаратов. Должны быть вывешены запрещающие плакаты;

на приводах ручного и на ключах дистанционного управления коммутационных аппаратов должны быть вывешены запрещающие плакаты;

проверено отсутствие напряжения на токоведущих частях, которые должны быть заземлены для защиты людей от поражения электрическим током;

наложено заземление (включены заземляющие ножи, а там, где они отсутствуют, установлены переносные заземления);

вывешены указательные плакаты «Заземлено», ограждены при необходимости рабочие места и оставшиеся под напряжением токоведущие части, вывешены предупреждающие и предписывающие плакаты.

Заземляющее устройство ТП состоит из полосы стальной 4×12 мм, проложенной внутри подстанции, и заземлителей. Заземлители связаны с магистралью заземления не менее чем двумя проводниками, присоединенными к заземлителю в разных местах (ПУЭ п.1.7.71). В качестве заземлителей принимается уголок 50×50×5 мм длиной l = 3000 мм и полоса стальная 4×12 мм. Количество электродов - 5 штук.

Присоединение заземляющих проводников к заземлителям и заземляющим конструкциям выполнено сваркой, а к главному заземляющему зажиму и корпусам аппаратов - болтовым соединением (для обеспечения возможности производства измерений). Контактные соединения должны отвечать требованиям государственных стандартов.

Каждая часть электроустановки, подлежащая заземлению или занулению, присоединена к сети заземления или зануления с помощью отдельного проводника.

Сопротивление заземляющего устройства должно быть не более 4 Ом.

Производственная среда - это часть техносферы, обладающая повышенной концентрацией негативных факторов. Факторы производственной среды, оказывающие вредное влияние на здоровье и работоспособность, чаще всего связаны с неправильной организацией производственного процесса, а также условиями среды (температура, влажность воздуха, сквозняки, шум, вибрация, пыль и т.д.).

Способы защиты персонала от неблагоприятных факторов могут быть активными и пассивными.

Способы активной защиты предполагают выявление неблагоприятного фактора и его ликвидацию. Но в ряде случаев активная защита оказывается невозможной и заменяется пассивной, то есть источник неблагоприятных факторов остается, а выполняются мероприятия, направленные на предупреждение воздействия этих факторов. Методы пассивной защиты могут быть общими или индивидуальными.

Источниками шума в основном является строительная техника, электроинструмент. Особо сильного шума они не создают, поэтому значительных средств защиты от шума не требуется.

При работе с вибрирующими инструментами или оборудованием для уменьшения вибрации применяются виброгасящие обшивки рукояток индивидуальной защиты (виброгасящие рукавицы и обувь) и виброизоляция рабочих мест (виброизолирующие помосты и сидения) /19/.

Электромагнитное излучение, исходящее от силовых трансформаторов не велико и составляет около 5 кВ/м, что позволяет защитить рабочих от вредного воздействия при помощи предусмотренных перерывов в работе.

В случае получения травмы на рабочем месте, первая медицинская помощь осуществляется посредствам медицинского пункта, находящегося рядом со строительной площадкой.

В процессе труда работоспособность, а соответственно, и функциональное состояние организма подвергается изменениям. Поддержание работоспособности на оптимальном уровне - основная цель рационального режима труда и отдыха.

Режим труда и отдыха - это устанавливаемые для каждого вида работ порядок чередования периодов работы и отдыха и их продолжительность. Рациональный режим - такое соотношение и содержание периодов работы и отдыха, при которых высокая производительность труда сочетается с высокой и устойчивой работоспособностью человека без признаков чрезмерного утомления в течение длительного времени. Две бригады электромонтажников работают по 8 - часовому графику в две смены, ремонтный персонал по 8 часов в сутки. Так же предусмотрены перерывы в работе по 15 минут каждые 2 часа.

Для отдыха рабочих предусмотрен передвижной вагон, в котором располагаются кухонная плитка, диван, душ и туалет.

Снабжение рабочих питьевой водой осуществляется в соответствии с установленными правилами и нормами.

Освещение ТП составляет только дежурное освещение. Для него используются лампы накаливания (100, 150 Вт).

Переносные светильники, применяемые при организации ремонтных работ, питаются от сети напряжением 12 В.

Важной задачей монтажа и эксплуатации подстанций и кабельных линий является обеспечение безопасности при их обслуживании. Условия производства работ на действующих электроустановках и необходимые организационные и эксплуатационные технические мероприятия для обеспечения безопасности строго регламентированы «Требованиями безопасности».

Чтобы обеспечить безопасность монтажных, а также последующих ремонтно-наладочных работ, правилами предусмотрены специальные технические и организационные мероприятия.

Пожарная безопасность предусматривает обеспечение безопасности людей и сохранения материальных ценностей.

Особенности подстанции и характер сооружений требуют при проектировании принятия мер по защите оборудования, кабелей и помещений от пожара и взрыва. Здания подстанции должны быть выполнены из негорючих материалов: сталь, стекло, бетон, кирпич. Также должны быть предусмотрены эвакуационные выходы, применяемые в случае возникновения пожара или аварии.

Пожар в подстанции может возникнуть при повреждении действующего оборудования и воспламенения горючих материалов, а так же во время ремонтных работ при пользовании открытым огнем (пайка, сварочные работы), в случае несоблюдения мер пожарной безопасности.

При работе на подстанции возможны возникновения следующих аварийных ситуаций: короткие замыкания, перегрузки, повышение переходных сопротивлений в электрических контактах, перенапряжение, возникновение токов утечки, неаккуратное обращение с огнем, неправильное проведение сварочных работ.

При возникновении аварийных ситуаций происходит резкое выделение тепловой энергии, которая может явиться причиной возникновения пожара.

К пожароопасному оборудованию относят все типы силовых трансформаторов и реакторов, масляные выключатели, конденсаторные батареи, в конденсаторах в которых содержится масло для изоляции, склад масла, шкафы КРУ с кабельными вводами.

Силовые кабели являются также потенциальными источниками возникновения пожара, как от внешних причин, так и от самовозгорания (например, при токах короткого замыкания).

На подстанции предусматривается набор первичных средств пожаротушения: порошковые и углекислотные огнетушители, ящик с песком емкостью 0,5, противопожарный инвентарь (лопаты, кирки, лом). Первичные средства пожаротушения должны размещаться у входа.

Пожарный гидрант должен быть в исправном состоянии. Подъезды и подходы к нему должны быть постоянно свободными. В зимнее время крышки люков колодцев должны очищаться от снега и льда.

Пожарные рукава должны проверяться на водоотдачу раз в полгода, затем их надо просушить и убрать в ящики, специально для этого предназначенные. Тушение пожара электрооборудования производят при снятом напряжении, не допуская перехода огня на рядом расположенные установки. При загорании маслонаполненной аппаратуры можно пользоваться любыми средствами пожаротушения: воздушно-механической пеной, распыленной водой, огнетушителями. Тушить контактными струями воды горящее масло не рекомендуется во избежание увеличения площади пожара.

При тушении кабелей, проводов, аппаратуры применяют углекислотные или углекислотно-бромэтиловые огнетушители, а также распыленную воду. Если напряжение снять невозможно, допускается тушение пожара компактными и распыленными водными струями. При этом ствол пожарного рукава должен быть заземлен, а работать следует в диэлектрических перчатках и ботах /22/.

Для подготовки рабочего места при работе, требующей снятия напряжения, должны быть выполнены в указанном порядке следующие технические мероприятия:

произведены необходимые отключения и приняты меры, препятствующие подаче напряжения на место работы, вследствие ошибочного или самопроизвольного включения коммутационных аппаратов;

должны быть вывешены запрещающие плакаты;

на приводах ручного и на ключах дистанционного управления коммутационных аппаратов должны быть вывешены запрещающие плакаты;

проверено отсутствие напряжения на токоведущих частях, которые должны быть заземлены для защиты людей от поражения электрическим током;

наложено заземление (включены заземляющие ножи, а там, где они отсутствуют, установлены переносные заземления);

вывешены указательные плакаты «Заземлено», ограждены при необходимости рабочие места и оставшиеся под напряжением токоведущие части, вывешены предупреждающие и предписывающие плакаты.

При обслуживании электроустановок напряжением до и выше 1000 B должны использоваться средства защиты от поражения электрическим током (электрозащитные средства), от электрических полей, повышенной напряженности, коллективные и индивидуальные средства защиты /23/.

Трансформаторные подстанции должно быть надежно защищено от попадания высоких потенциалов в результате грозовых разрядов молнии. Устройство молниезащиты должно практически полностью исключать такую возможность.

Молниезащита - комплекс защитных мероприятий от молнии, обеспечивающих безопасность зданий и сооружений, оборудования и материалов от взрывов, загораний, разрушений.

Молниеотвод - это устройство, защищающее сооружение от прямых ударов молнии.

Опасные грозовые перенапряжения в распределительном устройстве подстанции могут возникнуть как при непосредственном поражении их молнией, так и при набегании на подстанцию грозовых волн с высоковольтных линий в результате поражения проводов линий молнией или удара молнии в вершину опоры или трос. Защита оборудования подстанций от набегающих линий волн перенапряжений осуществляется защитой подходов линий от прямых ударов молнии тросом, а также установкой на подстанции вентильных разрядников.

Вредное действие магнитного поля на человека, проявляется только при высоких напряжениях порядка 150-200 А/м, возникающих на расстояниях до 1-1,5 метров от проводов фаз воздушных линий и силовых трансформаторов, и представляет опасность при работе под напряжением.

Непосредственное влияние электромагнитного поля на человека связано с воздействием на сердечно - сосудистую, центральную и периферийную нервные системы, мышечную ткань и другие органы. Вредные последствия пребывания человека в сильном электрическом поле зависят от напряженности поля и от продолжительности его воздействия.

Требования пожарной безопасности к электроустановкам в ТП:

помещения ТП должны содержать в чистоте. Не реже 1 раза в год, а в необходимых случаях чаще, должна производиться уборка от пыли и грязи;

на дверях помещения аккумуляторной батареи должны быть соответствующие надписи и знаки безопасности;

в помещении ТП запрещается курить, хранить кислоты, щелочи в количествах превышающих односменную потребность, оставлять спецодежду, посторонние предметы;

проездные дороги на прилегающей к ТП территории должны содержаться в исправном состоянии, а в зимнее время регулярно очищаться от снега.

Трансформаторные подстанции относятся к тем электротехническим объектам, которые практически не загрязняют окружающую среду и не представляют опасности для жизни людей со стороны загрязнений. Единственным элементом, которое может повлечь за собой экологическую аварию является трансформаторное масло, используемое для охлаждения силовых трансформаторов.

Для предотвращения растекания масла распространения пожара в случае повреждения маслонаполненных трансформаторов на ТП предусмотрены маслоприемники, объем которых рассчитан на прием масла, содержащегося в баке трансформатора. Маслоприемные устройства должны содержаться в состоянии, обеспечивающим прием масла в любое время года.

Так же негативное влияние на живые организмы оказывает электромагнитное поле /28/.

Влияние магнитного и электрического полей рассматривается отдельно. Вредное действие магнитного поля на живые организмы и в первую очередь на человека, проявляется только при очень высоких напряжениях порядка от 150 до 200 А/м, возникающих на расстоянии от 1 до 1,5 метра от проводов фаз воздушных линий и силовых трансформаторов, и представляет опасность при работе под напряжением.

Непосредственное (биологическое) влияние электромагнитного поля на человека связано с воздействием на сердечно-сосудистую, центральную и периферийную нервные системы, мышечную ткань и другие органы. При этом возможно изменение кровяного давления, пульса, аритмия, повышенная нервная возбудимость и утомляемость. Вредные последствия пребывания человека в силовом электрическом поле зависят от напряженности поля Е, кВ/м, и от продолжительности его воздействия.

В процессе работы эксплуатационный персонал находится в электрическом поле напряженностью 5кВ/м. Выполнение этих условий обеспечивает самовосстановление организма в течение суток без остаточных реакций и функциональных или патологических изменений.

Косвенное воздействие электрического поля заключается в возникновении тока или кратковременных разрядов при прикосновении человека, имеющего хороший контакт с землей, к изолированным объектам или, наоборот, при прикосновении изолированного от земли человека к заземленным объектам.

Монтаж ТП и кабельной линии сопровождается изъятием земельных ресурсов и изменением статуса этой территории.

Землями промышленности, транспорта, связи, радиовещания, телевидения, информатики и космического обеспечения, обороны и иного назначения признаются земли, предоставленные соответствующими государственными органами и органами местного самоуправления предприятиям, учреждениям, организациям и гражданам для развития различных отраслей промышленности и экономической деятельности, не связанной с ведением сельского, лесного и водного хозяйства. К этой категории относятся земли, занятые промышленными предприятиями, в том числе предприятиями горнодобывающей промышленности, дорогами и другими транспортными системами, инженерными коммуникациями, предприятиями и объектами обороны, объектами космоса и государственной безопасности.

С пользованием этими землями связывается наличие различных экологических проблем. Наиболее острой является проблема нарушения ландшафтных характеристик земель, захламление их твердыми отходами, загрязнение опасными химическими веществами в процессе обычной эксплуатации предприятий и в результате аварийных ситуаций. При выполнении строительных работ и эксплуатации предприятий на землепользователей возлагается обязанность принимать меры по охране природы, рациональному использованию природных ресурсов, благоустройству территорий и оздоровлению окружающей среды.

В большинстве случаев проекты пользования землями промышленности проходят процедуру оценки воздействия на окружающую среду (ОВОС) и экологической экспертизы. Земли промышленности и иного назначения могут находиться в государственной, муниципальной и частной (общей) собственности. Допускается предоставление этих земель также на праве пользования и аренды. Исключается получение земельного участка для развития промышленного производства, транспорта, связи и т.д. гражданами на право пожизненного наследуемого владения. В случае предоставления земель на право временного пользования, включая аренду, после завершения срока пользования предполагаются проведение мероприятий по восстановлению земель (рекультивации) и их возврат прежнему пользователю.

Демонтируемым оборудованием на подстанции является все оборудование, которое после демонтажа необходимо переместить на закрытый и охраняемый склад исполнителя или заказчика работ. Таким образом, вреда окружающей среде нанесено не будет.

Мероприятия по предупреждению аварий и катастроф представляют собой комплекс организационных и инженерно-технических мероприятий, направленных на выявление и устранение возможных причин аварий и катастроф, максимальное снижение возможных разрушений и потерь в случае, если эти причины полностью устранить не удается, а также на создание благоприятных условий для организации и проведения спасательных и неотложных аварийно-восстановительных работ.

К чрезвычайным ситуациям можно отнести такие как: обрыв линии и короткое замыкание на линиях, пожар трансформатора, пожар лесного массива, находящего рядом с подстанцией, шквалистый ветер, грозовые перенапряжения.

Пожар трансформатора приводит к перерыву электроснабжения потребителей на время АВР. При сгорании масла в атмосферу выделяются вредные токсичные газы. Данная ситуация также приводит к дополнительным затратам на восстановление трансформатора.

Защитой от шквалистых ветров, создающих возможность межфазного замыкания, является выдерживание предписанных расстояний между шинами и их надежное крепление к опорам.

Под инженерно-техническими мероприятиями гражданской обороны (ИТМ ГО) понимаются строительно-планировочные разработки, предусматривающие заблаговременное решение комплекса оборонно-технических задач, направленных на предотвращение угрозы для населения и территорий, и на повышение надежности и безопасности функционирования проектируемого объекта в условиях диверсий или открытого вооруженного конфликта.

Мероприятия по предупреждению чрезвычайных ситуаций (ИТМ ПЧС) обеспечивают выполнение идентичных задач, но с учетом угроз поражения людей и нанесения материального ущерба вследствие аварий, катастроф или стихийных бедствий в мирное время.

Эти мероприятия разрабатываются и внедряются комплексно, с охватом всех вопросов, от которых зависит безаварийная работа объектов, с учетом их производственных и территориальных особенностей, с привлечением всех звеньев управления производственной деятельностью.

На производственном участке должен быть создан штаб гражданской обороны. Назначается начальник штаба. Свои обязанности начальник штаба выполняет по совместительству с основной работой на производстве. Основу сил гражданской обороны участка должны составлять спасательные отряды, отделы и спасательные команды. Они предназначены для розыска пострадавших, извлечения из под завалов, оказания им первой медицинской помощи и выноса из очага поражения. При штабе имеются звенья разведки, дозиметрического контроля, связи и обеспечения.

При строительстве ТП предусмотрены меры, предупреждающие возникновение взрыва, а также уменьшающий ущерб от взрывной волны. Для защиты от взрывов, в наружной части ограждения здания устанавливают легкосбрасываемые конструкции (двери, ворота, облегченные конструкции).

При ликвидации последствий стихийных бедствий, крупных аварий, катастроф предусматриваются оповещение рабочих телефонной или диспетчерской связью. Мероприятия по организации и проведению эвакуации рабочих и служащих должны предусматриваться планом ГО. Указываются маршруты и пункты эвакуации, определяются силы и средства для поведения работ по ликвидации крупных аварий и катастроф, порядок управления, силы и средства связи, обеспечивающие управление. Также предусматривается организация питания, порядок заправки техники горюче-смазочными материалами и ее ремонт, обеспечение общественного порядка и органы материальных ценностей и личного имущества граждан.

Одним из основных условий работы трансформаторной подстанции, является устойчивость ее работы в условиях чрезвычайных ситуаций. Стабильность работы подстанции достигается за счет того, что на ней установлено два трансформатора которые могут работать независимо друг от друга. Питание трансформаторов, осуществляется по двум линиям электропередач.

Для того, чтобы защитить подстанций от актов терроризма создаются мобильные группы из числа работников служб безопасности энергокомпаний, изучающих обстановку вдоль линий электропередачи, а также у электростанций и подстанций. В каждой региональной энергокомпании открыты учебные центры по подготовке специалистов по антитеррористической и антидиверсионной деятельности.

 

.2 Организационно-экономическая часть проекта


Для определения капитальных вложений в проектируемую систему электроснабжения Микрорайона Черемушки составляем спецификацию основного оборудования (табл. 23).

Таблица 23. Спецификация основного оборудования

Наименование оборудования

Единица измерения

Количество

1

Двухцепная ВЛ 110 кВ на ж/б опорах, провод АС- 120/19

км

20


ПС



2

Разъединитель РГП-110-1000УХЛ1

шт.

6

3

Выключатель ВГТ-110-40/1250УХЛ1

шт.

2

4

Ограничитель перенапряжения ОПН-110 УХЛ1

шт.

2

5

Ограничитель перенапряжения ОПН-63 УХЛ1

шт.

2

6

Ограничитель перенапряжения ОПН-10 УХЛ1

шт.

2

7

Трансформатор тока ТОГ-110

шт.

2

8

Трансформатор напряжения НОГ-110

шт.

2

9

Трансформатор ТМН-2500/110

шт.

2

10

Ячейки с выключателем ВВПЭ-10-20/1000 УЗ

шт.

2

11

Ячейки с выключателем ВВПЭ-10-20/250 УЗ

шт.


2

Трансформатор тока ТПЛК-10

шт.

9

13

Трансформатор напряжения НАМИТ-10-2-УХЛ1

шт.

2

14

Трансформатор собственных нужд ТС-40/10

шт.

2


Распределительная сеть 10 кВ



15

Трансформаторные подстанции 10/0,4 кВ с двумя трансформаторами 250 кВ×А

шт

6

16

Выключатель нагрузки 10 кВ

шт.

30

17

Силовой кабель 10 кВ АПвП-3x70/16-10

км

3,08

18

Силовой кабель 0,4 кВ АВБбШв-4x10

км

2,2

19

Силовой кабель 0,4 кВ АВБбШв-4x16

км

0,69

20

Силовой кабель 0,4 кВ АВБбШв-4x25

км

1,47

21

Силовой кабель 0,4 кВ АВБбШв-4x35

км

7,73

22

Силовой кабель 0,4 кВ АВБбШв-4x50

км

2,78

23

Силовой кабель 0,4 кВ АВБбШв-4x70

км

2,78

24

Силовой кабель 0,4 кВ АВБбШв-4x185

км

0,63


Расчет капитальных вложений выполнен по укрупненным показателям стоимости электрических сетей, приводимым в [35].

Результаты расчета капитальных вложений сведены в табл. 22.

Доли затрат на сооружение проектируемого объекта составляют [35]:

для подстанционного оборудования:

строительные работы - 30%,

монтаж - 11%,

оборудование - 53%,

прочие затраты - 6%;

для кабельных линий:

строительные работы - 6%,

монтаж - 76%,

оборудование - 15%,

прочие затраты - 3%;

для воздушных линий:

строительные работы - 88%,

оборудование - 5%,

прочие затраты - 8%;

Таблица 22

Наименование оборудования

Единица измерения

Количество

Стоимость

Общая стоимость,

Всего, тыс. руб.





 единицы, тыс. руб.

тыс. руб.






Оборудование и материалы

Монтажные работы

Строительные работы

Прочие расходы

Оборудование и материалы

Монтажные работы

Строительные работы

Прочие расходы


1

2

3

4

5

6

7

8

9

10

11

12

13

1

ВЛ-110 кВ

км

20

73,5

0

1293,6

102,9

1470

0

25872

2058

29400

2

Разъединитель РГП-110-1000УХЛ1

шт.

6

47,5

9,86

26,89

5,38

285

59,15

161,32

32,26

537,74

3

Выключатель ВГТ-110-40/1250УХЛ1

шт.

2

215

44,62

121,70

24,34

430

89,25

243,40

48,68

811,32

4

Ограничитель перенапряжения ОПН-110 УХЛ1

шт.

2

40

8,30

22,64

4,53

80

16,60

45,28

9,06

150,94

5

Ограничитель перенапряжения ОПН-25 УХЛ1

шт.

2

35

7,26

19,81

3,96

70

14,53

39,62

7,92

132,08

6

Ограничитель перенапряжения ОПН-10 УХЛ1

шт.

2

30

6,23

16,98

3,40

60

12,45

33,96

6,79

113,21

7

Трансформатор тока ТОГ-110

шт.

2

30

6,23

16,98

3,40

60

12,45

33,96

6,79

113,21

8

Трансформатор напряжения НОГ-110

шт.

2

 30

6,23

16,98

3,40

60

12,45

33,96

6,79

113,21

9

Трансформатор ТМН-2500/110

шт.

7500

1556,60

4245,28

849,06

15000

3113,21

8490,57

1698,11

28301,89

10

Ячейки с выключателем ВВПЭ-10-20/1000 УЗ

шт.

2

63

13,08

35,66

7,13

126

26,15

71,32

14,26

237,74

11

Ячейки с выключателем ВВПЭ-10-20/250 УЗ

шт.

7

50

10,38

28,30

5,66

350

72,64

198,11

39,62

660,38

12

Трансформатор тока ТПЛК-10

шт.

9

8

1,66

4,53

0,91

72

14,94

40,75

8,15

135,85

13

Трансформатор напряжения НАМИТ-10-2-УХЛ1

шт.

2

10

2,08

5,66

1,13

20

4,15

11,32

2,26

37,74

14

Трансформатор собственных нужд ТС-40/10

шт.

2

50

10,38

28,30

5,66

100

20,75

56,60

11,32

188,68

15

Трансформаторные подстанции 10/0,4 кВ с двумя трансформаторами 250 кВ×А

шт.

6

270

56,04

152,83

30,57

1620

336,23

916,98

183,40

3056,60

16

Выключатель нагрузки  10 кВ

шт.

30

35

7,26

19,81

3,96

1050

217,92

594,34

118,87

1981,13

17

Силовой кабель АПвП-3x70/16-10

км

3,08

195,3

989,52

78,12

39,06

601,524

3047,72

240,61

120,30

4010,16

18

Силовой кабель 0,4 кВ АВБбШв-4x10

км

2,2

115,2

583,68

46,08

23,04

253,44

1284,10

101,38

50,69

1689,60

19

Силовой кабель 0,4 кВ АВБбШв-4x16

км

0,69

123,8

627,25

49,52

24,76

85,422

432,80

34,17

17,08

569,48

20

Силовой кабель 0,4 кВ АВБбШв-4x25

км

1,47

137,4

696,16

54,96

27,48

201,978

1023,36

80,79

40,40

1346,52

21

Силовой кабель 0,4 кВ АВБбШв-4x35

км

7,73

147,5

747,33

59,00

29,50

1140,175

5776,89

456,07

228,04

7601,17

22

Силовой кабель 0,4 кВ АВБбШв-4x50

км

2,78

163,8

829,92

65,52

32,76

455,364

2307,18

182,15

91,07

3035,76

23

Силовой кабель 0,4 кВ АВБбШв-4x70

км

2,78

203,5

1031,07

81,40

40,70

565,73

2866,37

226,29

113,15

3771,53

24

Силовой кабель 0,4 кВ АВБбШв-4x185

км

0,63

284,5

1441,47

113,80

56,90

179

908,12

71,69

35,85

1194,90

Капитальные вложения                                                                                                     89190,82                                                                                                                                                                                                                                                                                                                                                                                            

Сетевые сооружения спроектированной СЭС Микрорайона Черемушки эксплуатируются сетевой организацией.

Обслуживание осуществляется оперативно-выездной бригадой.       

Нормативы численности персонала приняты в соответствии с нормами [37]. Численность рабочих по ремонту и техническому обслуживанию двухцепной ВЛ-110 кВ на железобетонных опорах составляет:

ЧВЛ рем обсл = НВЛ × L/100 = 0,84 × 20/100 = 0,17 чел.,

где НВЛ = 0,84 - норматив численности на 100 км;

L = 20 км - длина линии.

Норматив численности рабочих по оперативному и техническому обслуживанию ПС составляет:

ЧПС обсл = 0,66 чел. на одну подстанцию.

Численность рабочих по ремонту трансформаторов ПС составляет:

ЧТР рем = НТР × n/100 = 3,77 × 2/100 = 0,08 чел.

где НТР = 3,77 - норматив численности на 100 трансформаторов;

n =2 - число трансформаторов на ПС.

Численность рабочих по ремонту присоединений с вакуумными выключателями составляет:

ЧВ рем = НВ × n/100 = 1,38 × 6/100 = 0,08 чел.

где НВ = 1,38 - норматив численности на 100 присоединений;

n =6 - число присоединений.

Численность рабочих по оперативному и техническому обслуживанию ТП составляет:

ЧТП обсл = НТП n/100 = 1,74 × 6/100 = 0,10 чел.

где НТП = 1,74 - норматив численности на 100 ТП;

n =6 - число ТП.

Численность рабочих по ремонту ТП составляет:

ЧТП рем = НТП n/100 = 0,99 × 6/100 = 0,06 чел.

где НТП = 0,99 - норматив численности на 100 ТП;

n =6 - число ТП.

Для КЛ 10 и 0,4 кВ численность рабочих по ремонту и техническому обслуживанию составляет:

ЧКЛ рем обсл = НКЛ × L/100 = 3,62 × 21,36/100 = 0,77 чел.,

где НКЛ = 3,62 - норматив численности на 100 км;

L = 21,36 км - длина кабельных линий.

Суммарная численность рабочих составляет:

ЧS = ЧВЛ рем обсл + ЧПС обсл + ЧТР рем + ЧВ рем + ЧТП обсл + ЧТП рем + ЧКЛ рем обсл = 0,17+0,66+0,08+0,08+0,10+0,06+0,77 = 1,92 чел.

Численность персонала ИТР определяется штатным расписанием сетевой организации. При предполагаемом увеличении числа рабочего персонала на 1,92 чел. увеличения штата ИТР не произойдет. Фактически численность рабочих сетевой организации увеличивается на одного человека. Объем работы, приходящийся на 1,92 чел. предполагается распределить между рабочими, выполняющими соответствующий объем работ. Затраты по заработной плате определяются на основании данных о количестве обслуживающего персонала и средней заработной платой.

Средняя основная заработная плата составляет:

Зср = 20 тыс. руб./мес.

Начисления на зарплату состоят из единого социального налога и отчисления на пенсионное страхование - 26,2%.

Годовой фонд заработной платы составляет:

ФЗП = 12 × Зср ЧS Кд.з. Кнач = 12×20×1,92·1,4×1,262 = 814,14 тыс. руб/год,

где 12 - количество месяцев в году;

Кд.з =1,4 - коэффициент дополнительной заработной платы;

Кнач = 1,262 - коэффициент, учитывающий начисления на зарплату.

Ежегодные эксплуатационные расходы включают в себя:

амортизационные отчисления;

отчисления на ремонт и обслуживание оборудования;

затраты на возмещение потерь электроэнергии;

зарплату обслуживающего персонала.

Ежегодные амортизационные отчисления, включающие в себя отчисления на реновацию и капитальные ремонты, определяются с помощью норм амортизационных отчислений на отдельные виды оборудования, составленных с учётом срока его службы. Величина амортизационных отчислений от капитальных вложений для различного оборудования принята в соответствии с [35]:

воздушные линии 110 кВ на железобетонных опорах - 5 %;

кабельные линии 10 кВ, проложенные в земле     - 4 %;

силовое электротехническое оборудование        - 6 % .

Определим отдельные составляющие амортизационных отчислений по видам оборудования:

Са.вл. = 0,05 ∙ Квл= 0,05 ·1470 =73,5 тыс.руб./год;

Са.кл. = 0,04 ∙ Ккл = 0,04 ∙ 3483 = 193,32 тыс. руб./год;

Са.п/ст. = 0,06 ∙ ( КПС+ КТП ) = 0,06 ∙ 19383 = 1162,98 тыс. руб./год;

Суммарные амортизационные отчисления составляют

Са = Са.вл. + Са.кл. + Са.п/ст =73,5+193,32+1162,98=1429,8 тыс. руб./год;

Величина ежегодных издержек на ремонт и обслуживание различных видов оборудования принята в соответствии с [35]:

воздушные линии 110 кВ на железобетонных опорах - 0,8 %;

кабельные линии 10 кВ, проложенные в земле     - 2,3 %;

силовое электротехническое оборудование        - 5,9 % .

Определим отдельные составляющие отчислений на ремонт и обслуживание по видам оборудования:

Ср.о. .вл. = 0,008 ∙ Квл= 0,008 ∙ 1470 = 11,76 тыс. руб./год;

Ср.о. .кл. = 0,023 ∙ Ккл = 0,023 ∙ 3483 = 80,11 тыс. руб./год;

Ср.о. .п/ст. = 0,059 ∙ ( КПС + КТП ) = 0,059 ∙ 19383 = 1143,6 тыс. руб./год.

Суммарные отчисления на ремонт и обслуживание составляют

Ср.о. = Ср.о. .вл. + Ср.о. .кл. + Ср.о. .п/ст = 11,76+80,11+1143,6 = 1235,47 тыс. руб./год.

Годовые потери электрической энергии в проектируемой системе электроснабжения складываются из потерь:

в питающей ВЛ-110 кВ;

трансформаторах ПС;

кабельных линиях распределительной сети;

трансформаторах ТП 10/0,4 кВ.

Потери электроэнергии в питающей ВЛ:

DWВЛ =2×3·Iр.2·ro ·L·t·10-3 = 2×3×14,92 ×0,4×20·2886×10-3 = 30755 кВт · ч/год,

где Iн.р - ток нормального режима, А (см. п. 3);

ro =0,4- удельное сопротивление провода, Ом/км;

L = 20 км - длина линии, км.

Потери в трансформаторах ПС

DWПС =n(DРкз·ßнр2 · t +·DРхх·Тм )= 2·(44×0,432 ×2886+10× 8760)= 222159 кВт · ч/год,

где Тв = 8760 ч/год - число часов работы трансформатора (число часов в году);

DРкз = 44 кВт - потери КЗ в трансформаторе;

DРхх =10 кВт - потери ХХ в трансформаторе;

ßнр = 0,43 - коэффициент загрузки трансформаторов в нормальном режиме;

n =2 - число трансформаторов.

Потери электроэнергии в трансформаторах ТП-1 определяются выражением:

DWТП1 = n(DРкз·ßнр2 · t + DРхх·Тв ) = 2(7,6×0,92 ·2886+1,56× 8760)= 62864 кВт · ч/год,

Потери электроэнергии в трансформаторах других ТП определяются аналогично. Расчет сведен в табл. 23

Таблица 23. Расчет потери электроэнергии в трансформаторах

№ ТП       βн.р.       ,

кВт, кВт, ч/год, кВт·ч/год




 

1

0,90

1,56

7,6

2886

62864

2

0,86

1,56

7,6

2886

59775

3

0,78

1,56

7,6

2886

54020

4

0,81

1,56

7,6

2886

56112

5

0,81

1,56

7,6

2886

56112

6

0,89

1,56

7,6

2886

62078

Итого





350962


Суммарные потери в трансформаторах всех ТП составляют

DWТП = 350962 кВт · ч/ год.

Суммарные потери в кабельных линиях (см. п. 5) составляют:

DWКЛ =31280 кВт · ч/год.

Суммарные годовые потери электроэнергии составляют:

DW = DWВЛ + DWПС + DWТП + DWКЛ = 30755+222159+350962+31280= 635156 кВт·ч/год.

Стоимость потерь электроэнергии:

Сп.э. = DW · Со =635156 · 0,146 ·10-3 = 92,73 тыс. руб./год,

где Со =0,146 руб./ кВт · ч. - тариф на оплату технологического расхода электроэнергии при передачи ее по сетям, утвержденный ОАО «Ленэнерго» в 2014 году.

Суммарные годовые эксплуатационные расходы:

И = Са + Ср.о. + Сп.э.+ ФЗП = 1429,8+1235,47+92,73+814,14= 3572,14 тыс. руб./год.

Годовое потребление электроэнергии:

W = PΣ · Tм = 6292,8 ·4500 = 28317600 кВт · ч/год,

где РΣ = 6292,8 кВт - суммарная расчётная нагрузка Микрорайона Черемушки (см. п. 2);

Tм = 4500 ч/год в соответствии с исходными данными.

Себестоимость передачи, трансформации и распределения электроэнергии определяется по выражению:

 руб/кВт×ч.

Основные технико-экономические показатели проектируемой системы электроснабжения Микрорайона Черемушки сведены в табл. 24.

Таблица 24. Технико-экономические показатели проекта

Наименование показателя

Значение

Установленная мощность трансформаторов ПС

МВ×А

2 * 6,3

Количество ТП 10/0,4 кВ

шт.

6

Суммарная установленная мощность трансформаторов 10/0,4 кВ

МВ×А

7,56

Капитальные вложения в систему  электроснабжения

тыс. руб.

89190,82

Годовые эксплуатационные расходы, в том числе: амортизационные отчисления отчисления на ремонт и обслуживание стоимость потерь электроэнергии годовой фонд заработной платы

тыс. руб./год

3572,14    1429,8 1235,47 92,73 814,14

Численность персонала системы электроснабжения

чел.

1,92

Себестоимость передачи, трансформации и распределения электроэнергии

коп. кВт× ч

13

Выводы: В последней главе рассмотрена безопасность людей, обслуживающие электрические установки и соприкасающихся с ними.

Описана молниезащита оборудования ПС выполненная четырьмя отдельно стоящими стержневыми молниеотводами, расположенными в углах территории ПС на расстоянии 1 м от ограды.

Даны понятия вредных производственных факторов и комплексов мероприятий по защите персонала от действия этих факторов.

Было также выяснено, что до начала работ на объекте, персонал необходимо проинструктировать по охране труда. Инструктаж проводят лица ответственные за требования безопасности. Каждый работающий должен в процессе производственной деятельности руководствоваться правилами безопасности, уложенными в официальных изданиях.

Для определения капитальных вложений в проектируемую систему электроснабжения Микрорайона Черемушки составляем спецификацию основного оборудования. Себестоимость передачи, трансформации и распределения электроэнергии определяется по выражению:

 руб/кВт×ч.

Суммарные годовые эксплуатационные расходы:

И = Са + Ср.о. + Сп.э.+ ФЗП = 1429,8+1235,47+92,73+814,14= 3572,14 тыс. руб./год.

Себестоимость передачи, трансформации и распределения электроэнергии определяется по выражению:

 руб/кВт×ч.

Таким образом, данный проект является экономически рентабельным.

Заключение


Электрификация обеспечивает выполнение задачи широкой комплексной механизации и автоматизации производственных процессов, что позволяет усилить темпы роста производительности общественного труда, улучшить качество продукции и облегчить условия труда.

Современная энергетика характеризуется нарастающей централизацией производства и распределения электроэнергии. Для обеспечении подачи электроэнергии от энергосистем к промышленным объектам, установкам, устройствам и механизмам служат системы электроснабжения состоящие из сетей напряжением до 1000 В и выше и трансформаторных, преобразовательных и распределительных подстанций. Для передачи электроэнергии на большие расстояния используются сверхдальние линии электропередач (ЛЭП) с высоким напряжением: 1150 кВ переменного тока и 1500 кВ постоянного тока.

Целью настоящего проекта является проектирование электроснабжения района. Основной задачей настоящего проекта является проектирование надежного бесперебойного электроснабжения приемников с капитальными минимальными затратами и эксплуатационными издержками и обеспечение высокой безопасности.

Рассмотрен вопрос о современных методах энергосбережения.

Уделено внимание вопросам охраны труда и техники безопасности при эксплуатации электрооборудования электрических сетей.

Проведено технико-экономическое обоснование элек­троснабжения жилого дома.

Рассмотрены вопросы охраны труда и техники безопасности при экс­плуатации оборудования электрических сетей. Рассмотрены вопросы экологии и охраны труда.

В первой главе были проведены расчеты нагрузки жилых зданий и объектов района. Даны определения нагрузок как физических величин.

Определены данные нагрузки в соответствии с рекомендациями и стандартами. Рассчитаны нагрузки общественных зданий, уличных освещений, определенно их количество и характеристики.

Во второй главе была рассчитана сумма нагрузок жилых домов, общественных зданий и наружного освещения. Исходя из этого был произведен расчет в соответствии с ПУЭ минимального сечения провода для линии напряжением 110 кВ по условию потерь на корону составляет 70 мм2. Линию выбрали двухцепной. В соответствии с ПУЭ минимально допустимое по механической прочности сечение сталеалюминиевых проводов для двухцепной линии 120 мм2.

К установке выбрали двухтрансформаторные подстанции, так как доля нагрузок I и II категории значительна.

Схему подстанции приняли упрощенной, т.е. без сборных шин на первичном напряжении 110 кВ. Со стороны трансформаторов на первичном напряжении ставим силовые выключатели.

Из расчетов видно, что затраты для первого варианта меньше на 13%. Далее все расчеты проводим для схемы первого варианта.

Предварительный расчет показывает, что при двух проложенных кабелях, практически на всех присоединениях, выбранное сечение не проходит по длительно допустимому току и (или) току в послеаварийном режиме. Поэтому целесообразно увеличить количество параллельно проложенных кабелей до четырех, также были произведены защитные мероприятия.

В последней главе рассмотрена безопасность людей, обслуживающие электрические установки и соприкасающихся с ними.

Описана молниезащита оборудования ПС выполненная четырьмя отдельно стоящими стержневыми молниеотводами, расположенными в углах территории ПС на расстоянии 1 м от ограды.

Даные понятия вредных производственных факторов и комплексов мероприятий по защите персонала от действия этих факторов.

Было также выяснено, что до начала работ на объекте, персонал необходимо проинструктировать по охране труда. Инструктаж проводят лица ответственные за требования безопасности. Каждый работающий должен в процессе производственной деятельности руководствоваться правилами безопасности, уложенными в официальных изданиях.

Для определения капитальных вложений в проектируемую систему электроснабжения Микрорайона Черемушки составляем спецификацию основного оборудования. Себестоимость передачи, трансформации и распределения электроэнергии определяется по выражению:

 руб/кВт×ч.

Суммарные годовые эксплуатационные расходы:

И = Са + Ср.о. + Сп.э.+ ФЗП = 1429,8+1235,47+92,73+814,14= 3572,14 тыс. руб./год.

Себестоимость передачи, трансформации и распределения электроэнергии определяется по выражению:

 руб/кВт×ч.

Таким образом, данный проект является экономически рентабельным.

 

Библиографический список


1. СП31-110-2003. Проектирование и монтаж электроустановок жилых и общественных зданий. - М.: Госстрой РФ, 2004.

. ГОСТ 2.709-89. Условные обозначения проводов и контактных соединений электроэлементов, оборудования и участков цепей в электросхемах. - М.: Издательство стандартов, 1989.

. ГОСТ 2.732-68. Источники света. Обозначения условные в графических схемах. - М.: Издательство стандартов, 1968.

. ГОСТ 2.755-87. Устройства коммутационные и контактные соединения. - М.: Издательство стандартов, 1987.

. ГОСТ 13109-97. Нормы качества электроэнергии в системах электроснабжения общего назначения. - М.: Издательство стандартов, 1997.

. ГОСТ 27514-87. Короткие замыкания в электроустановках. Методы расчета в электроустановках переменного тока напряжением свыше 1 кВ. - М.: Издательство стандартов, 1987.

. ГОСТ 28249-93. Короткие замыкания в электроустановках. Методы расчета в электроустановках переменного тока напряжением до 1 кВ. - М.: Издательство стандартов, 1993.

. ГОСТ 30323-95. Короткие замыкания в электроустановках. Методы расчета электродинамического и термического действия тока короткого замыкания. - М.: Издательство стандартов, 1995.

. ГОСТ 19431-84. Энергетика и электрифиракия. Термины и определения. - М.: Издательство стандартов, 1984.

. ГОСТ14209-97. Руководство по нагрузке силовых масляных трансформаторов. - М.: Издательство стандартов, 1997.

. СНиП 23-05-95. Естественное и искусственное освещение. - М.: Госстрой РФ,1995.

. РД34.20.185-94. Инструкция по проектированию городских электрических сетей. - М.: Энергоатомиздат, 1994.

. РД153-34.0-20.527-98. Руководящие указания по расчету токов короткого замыкания и выбору электрооборудования. - М.: Энергоатомиздат, 1998.

. ВСН 59-88. Ведомственные строительные нормы. Электрооборудование жилых и общественных зданий. - М.: Госстрой, 1988.

. Конюхова, Е.А. Электроснабжение объектов / Е.А. Конюхова. -

М.: Мастерство, 2001.

. Липкин, Б.Ю. Электроснабжение промышленных предприятий и установок / Б.Ю.Липкин. - М.: Высшая школа, 1990.

. Крупович, В.И. Справочник по проектированию электроснабжения. / В.И Крупович., Ю.Г. Барыбин, М.Л. Самовер.- М.: Энергия, 1980.

. Идельчик, В.И. Электрические системы и сети. / В.И. Идельчик. - М.: Энергоатомиздат, 1989.

. Коновалова, Л.Л. Электроснабжение промышленных предприятий и установок. . Л.Л.Коновалова, Л.Д.Рожкова.- М.: Энергоатомиздат, 1989.

. Рожкова, Л.Д. Электрооборудование станций и подстанций/ Л.Д. Рожкова, В.С. Козулин. - М.: Энергия, 1980.

. Правила технической эксплуатации электроустановок потребителей. - С.Пб.: ЦОТПБСП, 2003.

. Правила устройства электроустановок. - М.:(С.Пб),1999... 2005 г.

. Голубев, М.Л. Расчет уставок релейной защиты и предохранителей в сетях 0,4-35 кВ / М.Л. Голубев. - М.: Энергия, 1969.

. Юриков, П.А. Защита электростанций и подстанций 3-500 кВ от прямых ударов молний / П.А.Юриков. - М.: Энергоиздат, 1982.

. Карпов, Ф.Ф. Расчет городских распределительных электрических сетей / Ф.Ф.Карпов. - М.: Энергия, 1980.

. Андреев, В.А. Релейная защита и автоматика систем электроснабжения / В.А. Андреев. - М.: Высшая школа, 2006.

. Шабад, М.А. Расчеты релейной защиты и автоматики распределительных сетей / М.А. Шабад. - Л.: Энергоатомиздат, 1985.

. Инструкция по устройству молниезащиты зданий, сооружений и промышленных коммуникаций. - М.: Издательство НЦ ЭНАС, 2004.

. ВСН22 - 85. Инструкция по проектированию наружного освещения городов, поселков городского типа и сельских населенных пунктов. - М.: Госстрой, 1985.

. Кнорринг, Г.М. Осветительные установки / Г.М. Кнорринг. -

Л.: Энергоиздат,1981.

. Ларина, Э.Т. Силовые кабели и кабельные лини / Э.Т. Ларина. - М.: Энергоатомиздат, 1984.

. Крупович, В.И. Справочник по проектированию электроснабжения / В.И. Крупович, Ю.Г. Барыбин, М.Л. Самовер. - М.: Энергия, 1980.

. Костин, В.Н. Передача и распределение электроэнергии / В.Н. Костин, Е.В. Распопов, Е.А. Родченко. - СПб.: Изд-во СЗТУ, 2004.

. Гончар, В.С. Изоляция и перенапряжения / В.С. Гончар. - СПб.: Изд-во СЗТУ, 2006.

.Справочник по проектированию электрических сетей / под ред. Д.Л. Файбисовича.- М.: Энас, 2007.

. Организация, планирование производства и управление предприятием. Задание и методические указания к курсовой работе. - СПб.: СЗТУ, 1999.

37. Нормативы численности промышленно-производственного персонала электрических сетей. РАО «ЕЭС России». - М.: 2002.