Материал: Проектирование электроснабжения механического цеха серийного производства

Внимание! Если размещение файла нарушает Ваши авторские права, то обязательно сообщите нам

Проектирование электроснабжения механического цеха серийного производства

Введение

Электроснабжение - обеспечение потребителей электрической энергией. электроснабжение цех трансформатор кабель

Энергосистема - совокупность электростанций электрических и тепловых сетей, соединенных между собой и связанных общностью режимов в непрерывном процессе производства преобразования передачи и распределения электрической тепловой энергии при общем управлении этим режимом.

Электрическая часть энергосистемы - совокупность электроустановок электрических станций и электрических сетей энергосистемы.

Электроэнергетическая система - электрическая часть энергосистемы и питающиеся от нее приемники электрической энергии, объединенные общностью процесса производства передачи распределения и потребления электрической энергии.

Система электроснабжения - совокупность электроустановок, предназначенных для обеспечения потребителей электрической энергии (внешнее электроснабжение, внутризаводское электроснабжение, внутрицеховое электроснабжение).

Централизованное электроснабжение - это электроснабжение потребителей электрической энергии.

Электрическая сеть - совокупность электроустановок, предназначенных для передачи и распределения электрической энергии, состоящих из подстанций, распределительных устройств, токопроводов, воздушных и кабельных линий электропередачи, работающих на определенной территории.

Приемники электрической энергии - это аппараты, агрегаты и др., предназначенные для преобразования электрической энергии в другой вид энергии.

Потребители электрической энергии - это электроприёмник или группа электроприёмников, объединенных технологическим процессом и размещающихся на определенной территории.

Целью данного проекта является:

Целью курсового проекта является проектирование электроснабжения механического цеха серийного производства.

Задачи данного проекта:

расчёт передачи, распределение и потребление электроэнергии; - облегчение резервирования мощностей и повышение технического уровня эксплуатации;

расчёт полной мощности и расчётного тока;

выбор кабелей, проводов для данных элекроприёмников;

расчёт и выбор компенсирующих устройств;

расчёт рабочего и аварийного освещения;

выбор и расчёт мощности трансформаторов;

выбор аппаратуры защиты;

расчёт токов короткого замыкания;

расчёт заземления;

определение платы за электроэнергию.

1. Описательная часть

1.1 Характеристика объекта


Электромеханический цех (ЭМЦ) предназначен для подготовки заготовок из металла для электрических машин с последующей их обработкой различными способами.

Он является одним из цехов металлургического завода, выплавляющего и обрабатывающего металл. ЭМЦ имеет станочное отделение, в котором установлено штатное оборудование: слиткообдирочные, токарные, фрезерные, строгальные, анодно-механические станки и др.

В цехе предусмотрены помещения для цеховой ТП, вентиляторной, инструментальной, для бытовых нужд и пр. ЭМЦ получает ЭСН от подстанции глубокого ввода (ПГВ). Расстояние от ПГВ до цеховой ТП - 0,5 км, а от ЭНС до ПГВ - 10 км. Напряжение на ПГВ - 10 кВ.

Количество рабочих смен - 2. Потребители ЭЭ цеха имеют 2 и 3 категорию надежности ЭСН.

Грунт в районе ЭМЦ - песок с температурой +20°С. Каркас здания цеха смонтирован из блоков-секций длиной 8 и 9 м каждый.

Размеры цеха А*В*Н =48*30*9 м.

Вспомогательные помещения двухэтажные высотой 4 м.

Потребители электроэнергии это совокупность машин, аппаратов, линий электропередачи и вспомогательных устройств, предназначена для производства, преобразования, передачи и распределение электрической энергии.

Всё электрооборудование в цехе относится к потребителям низкого напряжения, так как все установки работают от сети 220/380 Вольт.

В электромеханическом цехе все ЭП работают от сети тока нормальной частоты 50 Гц.

Перечень оборудования электромеханического цеха дан в таблице 1.

Мощность электропотребления (Рэп) указана для одного электроприемника.

Таблица 1 - Перечень оборудования электромеханического цеха

№ на плане

Наименование ЭО

Рэп, кВт

Примечание

1

2

3

4

1, 21

Краны мостовые

36 кВ*А

ПВ = 25 %

2, 3, 22, 23

Манипуляторы электрические

3,2


6, 28

Точильно-шлифовальные станки

2


7, 8, 26, 27

Настольно-сверлильные станки

2,2


9, 10, 29, 30

Токарные полуавтоматы

10


11 … 14

Токарные станки

13


15…20, 33…37

Слиткообдирочные станки

3


24, 25

Горизонтально-фрезерные станки

7


31, 32

Продольно-строгальные станки

10


38 … 40

Анодно-механические станки

75


41

Тельфер

5


42, 43

Вентиляторы

4,5



По режиму работы ЭП делят на три группы:

С продолжительным режимом работы;

С повторно-кратковременным режимом работы;

С кратковременным режимом работы.

Кратковременный режим работы.

Режим, при котором относительно редкие периоды нагрузки сменяются периодами отключённого состояния, причём за время нагрузки части электротехнического устройства не успевают нагреться до установившейся температуры, а за время паузы успевают охладиться до температуры охлаждающей среды.

Продолжительный режим работы.

Режим электрического аппарата, машины - режим работы, при котором период нагрузки током без отключения продолжается столь долго, что все части аппарата (машины) приобретают установившуюся температуру (при неизменных условиях охлаждения).

Повторно-кратковременный режим работы.

Режим отличается самым меньшим энергопотреблением. Износ компрессора при нем, однако, достаточно высок.

План расположения электрооборудования ЭМЦ представлен на рисунке 1.

Рисунок 1 - План расположения электрооборудования в ЭМЦ

1.2 Определение категорий надежности и выбор схемы электроснабжения

Надёжность электроснабжения заключается в обеспечении предприятия электроэнергией хорошего качества, то есть работы должны проводиться без срыва плана производства и без аварийных перерывов в электроснабжении. Электроприемники электромеханического цеха относятся ко второй категории потребителей, так как перерыв в их электроснабжении приводит к массовому недоотпуску продукции, простою рабочих мест и механизмов.

Схема электроснабжения по назначению состоит из двух видов схем:

высоковольтная - питающая сеть напряжением 10 кВ;

низковольтная - распределительная сеть электроснабжения потребителей цеха (участка) на напряжение 0,4 кВ.

Питающая сеть берет начало с подстанции глубокого ввода (ПГВ). Распределительная сеть берёт начало с комплектной трансформаторной подстанции (КТП) через распределительное устройство (РУ) и прилегающие к КТП распределительные пункты (РП).

При выборе схемы учитывается единичная мощность электроприемников и их размещения, характер производства, надежность электроснабжения, расположение подстанций, конструктивное выполнение сети.

На участке от ПГВ до цеховой КТП принимается радиальная схема питания цеховой КТП. Высоковольтная линия проложена в земле кабелем.

В курсовом проекте принимается цеховая КТП с одним трансформатором, так как цех имеет вторую категорию по степени надежности электроснабжения КТП устанавливается внутри цеха. Силовой шкаф запитывается по радиальной схеме от цеховой КТП.

По распределению нагрузки (как высоковольтной, так и низковольтной) используется радиальная схема электроснабжения потребителей.

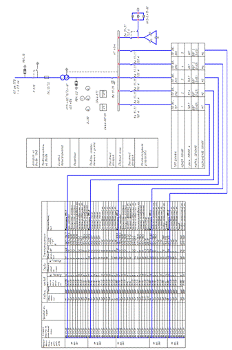
Схема электроснабжения электромеханического цеха указана на рисунке 2.

Рисунок 2 - Схема электроснабжения электромеханического цеха

.3 Мероприятия безопасного проведения работ в электроустановках

Проектом предусмотрено выполнение защитных мер электробезопасности в полном объеме, предусмотренном ПУЭ.

Для питания электропотребителей до 1000 В приняты четырех проводные сети переменного тока напряжением 400/230 В с глухо-заземленной нейтралью.

Занулению подлежат металлические корпуса всех электрических машин, трансформаторов, аппаратов и светильников, вторичные обмотки измерительных трансформаторов, металлические корпуса и каркасы распределительных щитов, шкафов управления, кабельные конструкции.

В качестве заземляющих устройств применяются горизонтальные и глубинные заземлители. Горизонтальные прокладываются в траншее на глубине от 0.5 до 1м. Глубинные заземлители в виде вертикальных электродов, установленных на глубину от 5 до 30 м, исходя из обеспечения переходного сопротивления заземления не более значений, регламентируемых ПЭЭП.

На всех протяженных металлических конструкциях и между параллельно проложенными металлическими трубопроводами при их сближениях на расстояние не менее 10 см устраиваются металлические перемычки.

Защита от заноса высокого потенциала по внешним наземным или подземным коммуникациям осуществляется присоединением их на вводе в здание к главной заземляющей шине.

Защита силовых трансформаторов на стороне ВН осуществляется предохранителями. Все распределительные устройства подстанций и остальные распределительные щиты, от которых осуществляется питание электропотребителей укомплектованы всеми необходимыми видами защиты от перегрузок и коротких замыканий.

2. Расчетная часть

2.1 Расчет электрических нагрузок

При расчете силовых нагрузок важное значение имеет правильное определение величины электрической нагрузки во всех элементах силовой сети. Завышение нагрузки может привести к перерасходу материала, удорожанию строительства; занижение нагрузи - к уменьшению пропускной способности электрической сети и невозможности обеспечения нормальной работы силовых электроприемников.

Применяем расчет методом упорядочных диаграмм. Группируем ЭП по коэффициенту использования , т.е. ЭП имеющие одинаковый технологический процесс, но не одинаковую мощность.

Определяем среднюю активную мощность за наиболее загруженную смену:

 [1]

где Ки - коэффициент использования, который показывает, как используется активная мощность за смену и cos φ;

ƩРном - суммарная мощность, кВт.

Рср1 = 0,1 · 36 = 3,6 кВт

Рср2 = 0,1 · 2 · 3,2 = 0,64 кВт

Рср3 = 0,14 · 2 = 0,28 кВт

Рср4 = 0,14 · 4,4 = 0,62 кВт

Рср5 = 0,14 · 20 = 2,8 кВт

Определим среднюю реактивную мощность за наиболее загруженную смену:

Qср = Рср · tgφ [2]

где Рср - средняя активная мощность, кВт

Qср1 = 3,6 · 1,73 = 6,23 кВАр

Qср2 = 0,64 · 1,73 = 1,11 кВАр

Qср3 = 0,28 · 1,73 = 0,48 кВАр

Qср4 = 0,62 · 1,73 = 1,07 кВАр

Qср5 =2,8 · 1,73 = 4,84 кВАр

Определяем сумму активной и реактивной мощности:

Ʃ = 3,6 + 0,64 + 0,28 + 0,62 + 2,8 = 7,94

ƩQ = 6,23 + 1,11 + 0,48 + 1,07 + 4,84 = 13,73

    :

-1 = Ʃ / Ʃ [3]

где ƩРср - сумма активной мощности, кВт

ƩРном - общая мощность по РП-1, кВт

КиРП-1 = 7,94 / 68,8 = 0,12

Определяем модуль силового распределительного пункта m по формуле:

m = Рмакс / Рмин [4]

где Рмакс - номинальная мощность наибольшего электроприемника, кВт;

Рмин - номинальная мощность наименьшего электроприемника, кВт;

m = 36 / 2 = 18

Определяем эффективное число электроприемников - это число однородных по режиму работы электроприемников одинаковой мощности, которое дает то же значение расчетного максимума, что и группа электроприемников, различных по мощности и режиму работы.

n* = n1 / n [5]

n*= 7 / 8 = 0.875

P* = Рn1 / Рн.n [6]

P*= 32,8 / 68,8 = 0,48

nэ* = f(n*,P*) = 0,28

nэ = nэ* · n [7]

nэ = 0,28 · 8 = 2,24

Определяем коэффициент максимума активной мощности в зависимости от эффективного числа и общего коэффициента использования для РП-1

Кмакс = 3,22

Рмакс = Кмакс · ƩРср [8]

где Кмакс - коэффициент максимума;

ƩРср - сумма активной мощности, кВт

Рмакс = 3,22 · 7,94 = 25,6 кВт

Определяем максимальную реактивную мощность

Принимает:

Qмакс = 1,1 · ƩQср, если nэф ≤ 10 [9]

Qмакс = ƩQср, если nэф > 10

где ƩQср - сумма реактивной мощности, кВАр

Qмакс = 1,1 · 13,73 = 15,1 кВАр Рмакс

Определяем полную максимальную мощность:

 [10]

где Рмакс - максимальная мощность в, кВт;

Qмакс - максимальная реактивная мощность, кВАр.


Определим максимальный расчетный ток нагрузки:

 [11]

где Sмакс - полная максимальная мощность, кВА;

Uном - номинальное напряжение, кВ.

Iмакс = 29,7 / (√3 · 0,38) = 45 А

Расчет для остальных групп электроприемников аналогичен. Определяем общую силовую нагрузку по электромеханическому цеху:

ƩРмакс = Рмакс РП-1 + Рмакс РП-2 + Рмакс РП-3 + Рмакс РП-4 + Рмакс РП-5 [12]

ƩРмакс = 25,6 + 33,3 + 44 + 50 + 72,5 = 225,4 кВт

ƩQмакс = Qмакс РП-1 + Qмакс РП-2 + Qмакс РП-3 + Qмакс РП-4 + Qмакс РП-5 [13]

ƩQмакс = 15,1 + 17,82 + 23,32 + 26,6 + 41,87 = 124,71 кВАр

ƩSмакс = Sмакс РП-1 + Sмакс РП-2 + Sмакс РП-3 + Sмакс РП-4 + Sмакс РП-5 [14]

ƩSмакс = 29,7 + 37,8 + 49,8 + 56,6 + 83,7 = 257,6 кВА.

Результаты расчетов заносятся в сводную ведомость нагрузок по цеху, таблица 2.



.2 Расчет осветительной нагрузки

Целью расчета является выбор количества светильников, определение мощности источников света, расположение их в помещение цеха, а также расчет осветительной сети.