Материал: Проектирование дискретных систем управления

Внимание! Если размещение файла нарушает Ваши авторские права, то обязательно сообщите нам

Проектирование дискретных систем управления

1. Запись условий работы устройства управления

При записи условий работы устройства управления даётся конкретная словесная формулировка, которая устанавливает соответствие между входными и выходными сигналами. Присваиваются обозначения входным и выходным сигналам.

Рассмотрим синтез схемы управления перемещения механизма по циклу 2-1-2-1-2t-3-2t-3-2.

На рисунке 1 представлена графическая модель цикла работы механизма.

Рис. 1 - Графическая модель цикла перемещения механизма

Перемещение каретки в направлении 1, 2, 3 принимают как перемещение вперёд, в направлении 3, 2, 1 - как перемещение назад.

В словесной формулировке описываем последовательность поступления входных сигналов устройства управления (с указанием их значений) и указываем, какие выходные сигналы при этом формируются.

Словесная формулировка условий работы устройства управления для рассматриваемого цикла будет иметь вид:

«В режиме "Автомат" (сигнал S6 = 1) при нажатии на кнопку "Пуск" (сигнал S4 = 1) при нахождении каретки в исходном положении 2 (сигнал S2 = 1) включается контактор КН (назад) и включается двигатель М (сигнал Xн= 1). При отпускании кнопки "Пуск" (сигнал S4 = 0) контактор КН остаётся включенным (сигнал Xн = 1) и продолжается движение механизма в направлении назад. Начинается перемещение механизма из положения 2 в положение 1. При достижении кареткой положения 1 срабатывает конечный выключатель S1 (сигнал S1 = 1), отключается контактор КН (сигнал Xн=0), включается контактор КВ (сигнал Xв = 1) и начинается перемещение каретки вперёд в положение 2. Конечный выключатель S1 выключается (S1 = 0), контактор КВ остаётся включённым (сигнал Xв = 1), продолжается перемещение каретки вперёд в положение 2. При достижении положения 2 конечный выключатель S2 включается (сигнал S2 = 1), контактор КВ выключается (сигнал Xв = 0) и включается контактор КН (сигнал Xн = 1), начинается перемещение каретки назад в положение 1. Конечный выключатель отключается S2 (сигнал S2 = 0), контактор КН остаётся включенным (сигнал Xн = 1) и продолжается перемещение каретки в направлении назад. При достижении кареткой положения 1 срабатывает конечный выключатель S1 (сигнал S1 = 1), отключается контактор КН (сигнал Xн=0), включается контактор КВ (сигнал Xв = 1) и начинается перемещение каретки вперёд в положение 2. Конечный выключатель S1 выключается (S1 = 0), контактор КВ остаётся включённым (сигнал Xв = 1), продолжается перемещение каретки вперёд в положение 2.

При достижении положения 2 конечный выключатель S2 включается (сигнал S2 = 1), контактор КВ выключается (сигнал Xв = 0), отключается контактор КН (сигнал Xн = 0), отключается двигатель М, останавливается каретка и по сигналу Т = 1 включается устройство выдержки времени УВВ. Происходит отсчёт выдержки времени. По окончании отсчёта выдержки времени на выходе устройства выдержки времени УВВ появляется сигнал t = 1. При этом включается контактор КВ (сигнал Xв = 1) и происходит перемещение каретки вперед в положение 3. Конечный выключатель отключается S2 (сигнал S2 = 0), контактор КВ остаётся включенным (сигнал Xв = 1) и продолжается перемещение каретки в направлении вперед. При достижении кареткой положения 3 срабатывает конечный выключатель S3 (сигнал S3 = 1), отключается контактор КВ (сигнал Xв = 0), отключается двигатель М, останавливается каретка и по сигналу Т = 1 включается устройство выдержки времени УВВ. Происходит отсчёт выдержки времени. По окончании отсчёта выдержки времени на выходе устройства выдержки времени УВВ появляется сигнал t = 1. При этом включается контактор КН (сигнал Xн = 1) и происходит перемещение каретки назад в положение 2. Конечный выключатель отключается S3 (сигнал S3 = 0), контактор КН остаётся включенным (сигнал Xн = 1) и продолжается перемещение каретки в направлении назад. Реле времени отключается (сигналы Т = 0, t = 0), контактор КН остаётся включенным (сигнал Xн = 1) и продолжается перемещение каретки в положение 2.При достижении кареткой положения 2 срабатывает конечный выключатель S2 (сигнал S2 = 1), отключается контактор КН (сигнал Xн = 0), отключается двигатель М, останавливается каретка и по сигналу Т = 1 включается устройство выдержки времени УВВ. Происходит отсчёт выдержки времени.

По окончании отсчёта выдержки времени на выходе устройства выдержки времени УВВ появляется сигнал t = 1. При этом включается контактор КВ (сигнал Xв = 1) и происходит перемещение каретки вперед в положение 3. Реле времени отключается (сигналы Т = 0, t = 0), контактор КВ остаётся включенным (сигнал Xв = 1) и продолжается перемещение каретки в положение 3. Конечный выключатель отключается S2 (сигнал S2 = 0), контактор КВ остаётся включенным (сигнал Xв = 1) и продолжается перемещение каретки в направлении вперед. При достижении кареткой положения 3 срабатывает конечный выключатель S3 (сигнал S3 = 1), отключается контактор КВ (сигнал Xв = 0), при этом включается контактор КН (сигнал Xн = 1) и происходит перемещение каретки назад в положение 2. Конечный выключатель отключается S3 (сигнал S3 = 0), контактор КН остаётся включенным (сигнал Xн = 1) и продолжается перемещение каретки в направлении назад. При достижении кареткой положения 2 срабатывает конечный выключатель S2 (сигнал S2 = 1), отключается контактор КН (сигнал Xн = 0), выключается двигатель и каретка останавливается.

В режиме "Наладка" (сигнал S6 =0) перемещение механизма происходит при нажатии и удержании кнопок "Вперёд" (сигнал S7 = 1) или "Назад" (сигнал S8 = 1) независимо от конечных выключателей.

При нажатии на кнопку "Стоп" (сигнал S5 = 1) происходит остановка привода механизма в любом месте цикла.

.1 Блочный синтез

В рассматриваемой схеме управления присутствует большое количество входных сигналов, что существенно затрудняет её формальное описание и синтез. Так как сигналы разделены по функциональному значению, целесообразно для упрощения проектирования разделить схему на отдельные функциональные блоки и наметить обмен информации между ними.

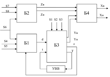
Блочная структура устройства управления представлена на рисунке 3.

Исходя из принципа действия, устройство управления можно разделить на четыре функциональных блока. Для связи между блоками введём дополнительные внутренние сигналы. Дадим описание каждого блока по отдельности.

Блок Б1 - блок, формирующий команду на отработку автоматического цикла.

Входные сигналы данного блока- сигнал с кнопки «Пуск»; S5 - сигнал с кнопки «Стоп»; S6 - сигнал выбора режима;

с - сигнал об окончании цикла перемещений.

Выходные сигналы- сигнал разрешения отработки автоматического цикла.

Блок работает следующим образом. При нажатии на кнопку «Пуск» S4 и при отсутствии сигналов «Стоп» S5 и сна выходе блока формируется сигнал d = 1, поступающий в блок Б3. При нажатии на кнопку «Стоп» S5 или при поступлении сигнала об окончании цикла с = 1 сигнал d на выходе блока становится равным нулю и отработка цикла перемещений прекращается.

Рис. 2. Блочная схема проектируемого устройства

Блок Б2 - блок режима "Наладка".

Выполняет перемещение каретки в режиме наладки. Входные сигналы- сигнал выбора режима;- сигнал с кнопки движения вперёд в режиме «Наладка»; S8 - сигнал с кнопки движения назад в режиме «Наладка». Выходные сигналыв - сигнал перемещения вперёд;н - сигнал перемещения назад.