Материал: Проектирование детали фланец редуктора переднего моста трактора

Внимание! Если размещение файла нарушает Ваши авторские права, то обязательно сообщите нам

В базовом техпроцессе такие операции как токарная и агрегатная, на которых обрабатывается стержневая часть заготовки и получаются фланцевые отверстия, а также два отверстия под резьбу в торце стержневой части, не соответствуют принципу концентрации операций. Данную проблему можно решить, исключив лишние переходы из токарной операции и скомпоновав новые, что в итоге даст возможность использовать на данной операции вместо 8-шпиндельного 6-шпиндельный токарный вертикальный полуавтомат, использование которого удешевит стоимость оборудования. В агрегатной же операции, применив комбинированный инструмент, также можно исключить ненужные переходы, что в свою очередь приведёт к использованию более дешёвого оборудования и снизит трудоёмкость обработки заготовки на данной операции.

Принцип единства баз не соблюдается при выдерживании:

длины посадочной поверхности шлицевого участка детали, так как технологической базой в данном случае является поверхность торца фланцевой части детали, а измерительной - торцевая поверхность шлицевой шейки;

длины шлицев полного профиля, так как измерительная база (торец шлицевой шейки) не совпадает с технологической (торец фланцевой части детали), размер между базами был получен на предыдущих операциях;

длины резьбы, так как измерительная база (торец стержневой части детали) не совпадает с технологической (торец фланцевой части детали);

Остальные размеры получаются с учетом принципа соблюдения единства баз.

Использование на гидрокопировальных станках специальных многосекторных копиров, позволяющих осуществлять многопроходную обработку, позволит сократить количество оборудования участвующего в производстве и снизит стоимость обработки.

Точность посадочных поверхностей в базовом ТП перед термообработкой соответствует 11-12 квалитету размерной точности. Исходя из того, что после термообработки размерная точность снизится на 1-2 квалитета, точность размеров после ТО будет соответствовать 12-14 квалитету. Так как за один проход размерная точность может повысится на 1-2 квалитета, то даже с применением скобы активного контроля (применяется в базовом ТП) для обеспечения требуемой точности диаметра может понадобится многократное повторение проходов, что увеличивает время обработки на круглошлифовальном станке (крайне нежелательно в крупносерийном и массовом производстве). Поэтому необходимо обработать перед ТО посадочные шейки до точности соответствующей 8-9 квалитету. Так как на гидрокопировальных станках (на которых производиться токарная обработка) точность обработки диаметральных размеров соответствует 10-12 квалитету, то для более точной чистовой обработки посадочных шеек (IT 8-9) ее следует проводить на отдельном гидрокопировальном станке повышенной точности с более жесткой технологической системой.

Важнейшим критерием при выборе оборудования для крупносерийного типа производства (выбран предварительно) является производительность. Вертикально-сверлильный станок 2Н125Л, применяемый в базовом ТП хоть и не соответствует данному критерию, однако используется на несложной операции (обработка фасок) с малым операционным временем, что допустимо.

Таблица 1.3 - Анализ базового варианта техпроцесса.

№ Опер.

Краткое содержание операции

Тип оборудования

Приспособление

Режущий инструмент

Измеритель. инструмент

1

2

3

4

5

6

005

Токарная: Поз.1 Установить и закрепить заготовку Поз.2,3 Точить поверхность на проход, выдерживая размер  Поз.4,5 Точить торец, выдерживая размеры , Точить торец, выдерживая размеры , Поз.6,7 Точить торец, выдерживая размеры , Точить торец, выдерживая размеры , Поз.8 Открепить и снять деталь со станка, подвесить на подвеску конвейера

1К282

Патрон трёхкулачковый 7122-5930

Резец проходной 2100-5183 TNMG 220412 Пластина МТ2 Резец проходной 2104-5005 SNMG 120412 Пластина МТ2 Резец проходной 2110-5094

Штангенциркуль ШЦ-I-125-0,1 ГОСТ 166-89 Глубиномер специальный 8146-7792

+

-

-

+

+

+

005а

Токарная: 1. Установить и закрепить заготовку 2. Точить торец, выдерживая размеры  3. Точить торец, выдерживая размеры , 4. Точить поверхность, выдерживая размер  5. Открепить и снять деталь со станка, подвесить на подвеску конвейера

1А730

Патрон трёхкулачковый 0662-045 Кулачки 7016-6452 Планшайба к патрону 9663-1832 Втулка 6101-0131 Кожух 7980-8372 Планшайба на переднюю бабку 7020-5022 Планшайба на заднюю бабку 7020-5101

Резец проходной 2102-5028 Резец проходной 2102-0256 Пластина PNUM 160612 Пластина PNUM 110108

Штангенциркуль ШЦ-I-125-0,1 ГОСТ 166-89

-

-

-

-

-

-

1

2

3

4

5

6

010

Токарная: Поз.1 Установить и закрепить заготовку Поз.2,3 Точить торец, выдерживая размеры , Точить торец, выдерживая размер  Поз.4,5 Точить поверхность, выдерживая размеры , Точить поверхность, выдерживая размеры , Точить поверхность, выдерживая размеры , Точить поверхность, выдерживая размеры , Поз.6,7 Точить поверхность, выдерживая размеры , Точить фаску, выдерживая размер  Точить поверхность, выдерживая размеры , Точить поверхность, выдерживая размеры , Точить поверхность, выдерживая размеры , Поз.8 Снять деталь со станка, повесить на подвеску конвейера

1К282

Патрон трёхкулачковый 7122-5930 Схема настройки 6769-5165

Резец подрезной PSBNL 3232P19 Резец проходной 2100-5041-04 Резец проходной 2100-5041-25 Резец проходной 2100-5183 Резец проходной 2104-5005 Резец фасочный 2104-5005 Пластина МТ2 TNMG 220412 Пластина МТ2 SNMG 120412 Резец подрезной 2100-5041-25

Штангенциркуль ШЦ-I-125-0,1 ГОСТ 166-89 Шаблон 2151-8584  Шаблон 8151-8585  Скоба 8102-9392  Скоба 8113-0162  Шаблон 8151-8586  Скоба 8113-0152  Шаблон 8152-7108

-

-

-

+

+

+

1

2

3

4

5

6

015

Двухсторонне-центровальная: 1. Сверлить одновременно центровое отверстие R6,3 ГОСТ 14034-74, выдержав размеры 14, ,  и центровое отверстие R5 ГОСТ 14034-74, выдержав размеры 11,2,  2. Открепить и снять деталь со станка, подвесить на подвеску конвейера

БС163А

Патрон д/центр. 6150-5055 Приспособление установочное 7980-9725

Сверло центровое  2317-0020 Сверло центровое  2317-0035

Штангенциркуль ШЦ-I-125-0,1 ГОСТ 166-89 Контрольное приспособ. 8517-5283

-

+

+

+

+

+

020

Токарная: 1 проход Поперечный суппорт 1. Точить торцы, выдерживая размеры ,,, Продольный суппорт 2. Точить по копиру предварительно наружный диаметр, выдерживая размер  2 проход Продольный суппорт 3. Точить по копиру окончательно наружный диаметр и торец, выдерживая размеры ,,

ЕМ-473-1-08

Патрон 7160-5002-01 СТП1181341-76 Противовес 7016-6269 СТП118134479 Центр пер.плав. 7032-6109 Упор 7146-5845-16 Центр задн. 7032-4005 СТП1181620-79

Резец сбор. 2110-5092 Пластина МТ2 TNMG 220412 Резец сбор. 2110-5094 Резец сбор. 2104-5005 Пластина МТ2 SNMG 120412

Шаблон  8102-8045 Шаблон  8151-8583 Штангенциркуль ШЦ-I-125-0,1 ГОСТ 166-89 Штангенциркуль ШЦ-II-250-0,05 ГОСТ 166-89 Котр. присп. 8532-5067 Индикатор ИЧ 0:10 кл.1 ГОСТ 577-68

+

-

+

+

-

+

1

2

3

4

5

6

025

Агрегатная: Поз.1 Установить и закрепить заготовку Поз.2 Сверлить отверстие, выдерживая размеры ,42 Поз.3 Сверлить отверстие, выдерживая размеры ,42,  Поз.4 Сверлить 8 отверстий, выдерживая размеры , Зенкеровать отверстие под резьбу и фаску, выдерживая размеры ,, 35 Поз.5 Зенкеровать 8 отверстий  и фаски  Зенкеровать 2-е отверстие под резьбу и фаску, выдерживая размеры ,, 35,  Поз.6 Развернуть 8 отверстий, выдерживая размер  Снять заготовку и повесить на подвеску конвейера

БС-533

Установочное при станке Плита кодуктор. при станке

Сверло  2301-3398 Сверло  2301-0058 Зенкер комб. 2330-5210 Зенкер комб. 2330-5183 Зенкер комб. 2330-5210 Развёртка  2365-5693

Штангенциркуль ШЦ-I-125-0,1 ГОСТ 166-89 Калибр 8360-7502 Пробка  8133-4596 Пробка  8133-4864 Пробка  8133-0932 Контр. присп. 8534-5882-01 Контр. присп. 8532-5067

+

-

-

+

-

+

030

Вертикально-сверлильная: 1. Установить и закрепить заготовку 2. Зенкеровать фаску в отверстиях, выдерживая размер  3. Открепить и снять деталь со станка, уложить в тару

2Н125Л

Подставка 7390-8034

Зенковка  2353-5088

Штангенциркуль ШЦ-I-125-0,1 ГОСТ 166-89

-

-

-

-

-

-

1

2

3

4

5

6

035

Резьбонарезная: 1. Установить, закрепить заготовку 2. Нарезать резьбу в отверстии, выдерживая размеры 26min 3. Повернуть приспособление 4. Нарезать резьбу в отверстии, выдерживая размеры 26min 5. Снять заготовку и повесить на подвеску конвейера

п/авт. 5053

Подставка поворотная 7390-8210

Метчик М12х1,25 2620-1497

Пробка ПР8220-00556Н НЕ8221-10556Н Пробка резьб. спец. 8166-7026

+

+

+

+

+

+

040

Токарная: Копировальный суппорт 1. Обточить по копиру пов-ть в размеры ,, Поперечный суппорт 2. Подрезать торец с образованием канавки, выдерживая размеры , 2а. Подрезать торец, выдерживая размер ,15min, ,,, R4* 2б. Точить фаску, выдерживая размер  3. Снять заготовку и повесить на подвеску конвейера

п/авт ЕМ473-1-08

Планшайба поводковая Центр перед. Центр задн. 7032-4005

Резец проходной Т15К6 Резец канавочный Т15К6 2126-5172 Резец подрезной 2126-5054-34 Пластина МТ1 TNMG 220412-43 СТП1181535-82 2102-5024 Резец проходной 2100-5098-09

Скоба  8113-5103 Штангенциркуль ШЦ-I-125-0,1 ГОСТ 166-89 Шаблон  8113-5332 Скоба  8119-0205 Шаблон  8151-8588 Скоба  8113-5332 Скоба  8113-5528 Контр. присп. 8532-5067 Шаблон R4 ТУ2-034-228-87 Индикатор ИЧ0-10 кл.1 ГОСТ 577-68 Фаскомер 8371-7048

+

-

+

+

+

+

1

2

3

4

5

6

045

Шлицефрезерная: 1. Установить, закрепить заготовку 2. Фрезеровать шлицы, согласно эскизу 3. Снять заготовку и повесить на подвеску конвейера

5Б312

Зубофрезерное 7530-5186

Фреза червяч. Р6М5 2511-5074

Скоба шаг. 8107-7122 Скоба  8316-7030 Скоба индик. 8546-5087 Эталон 8546-5088 Калибр шлиц. 8312-7006 Контр. присп. 8532-5 Штангенциркуль ШЦ-I-125-0,1 ГОСТ 166-89 Индикатор ИЧ0-10 кл.1 ГОСТ 577-68 Ролик  8344-7156

+

+

+

+

+

+

050

Моечная

Моечная машина

-

-

-

+

+

+

+

+

+

055

Контрольная

Стол контрольный Р684

-

-

-

+

+

+

+

+

+

060

Термическая: 1. Закалить ТВЧ на длине  на глубину 1,3-3,3мм, на длине  на глубину 1,4-3,4мм (по впадине шлиц 1-3мм) 2. Деталь повесить на подвеску конвейера

-

-

-

-

+

+

+

+

+

+

1

2

3

4

5

6

065

Круглошлифовальная: 1. Установить, закрепить заготовку 2. Шлифовать поверхность, выдерживая размеры ,59,52

3М151

Планшайба поводковая 6289-5261 Центр передний 7032-0110 Центр задний 7032-0030

Круг ПП 600х63х305 24А40СТ ГОСТ 2424-85

Скоба  8113-5494 Штангенциркуль ШЦ-I-125-0,1 ГОСТ 166-89 Контр. присп. 8532-5067 Индикатор ИЧ0-10 кл.1 ГОСТ 577-68 Скоба акт. контроля 8770-5063 Устр. измер. 8770-5059

+

+

+

+

+

+

070

Круглошлифовальная: 1. Установить, закрепить заготовку 2. Шлифовать поверхность, выдерживая размеры

п/авт. 3М151Е

Планшайба поводковая 6289-5261 Центр передний 7032-0110 Центр задний 7032-0030

Круг ПП 600х63х305 24А40СТ ГОСТ 2424-85

Скоба  8113-5494 Прибор акт. контроля Б-50 Контр. присп. 8532-5067 Индикатор ИЧ0-10 кл.1 ГОСТ 577-68 Прибор акт. контроля БВ 6060-2к Скоба навесная БВ 3155-80

+

-

+

+

+

+

1

2

3

4

5

6

075

Торцекруглошлифовальная: 1. Установить, закрепить заготовку 2. Шлифовать одновременно поверхности, выдерживая размеры ,15min и допуски согласно эскизу 3. Снять заготовку и повесить на подвеску конвейера

ХШЧ-12

Центр передний Центр задний 7032-0036 Приспособление для предв. установки 7981-6259 Планшайба Поводковая 7032-6057

Круг 1 750х80х305 34А25ПС 7к 50м/с ГОСТ 2424-83 Доработка круга 2715-5042 Гребёнка алмазная ИП-123Б

Система изм. осевой ориентации Скоба акт. контроля 8770-5085 Скоба 8113-0144 Скоба 8113-0151 Эталон 8546-5119 Контр. присп. 8532-5067 Индикатор ИЧ0-10 кл.1 ГОСТ 577-68 Шаблон  8103-9387 Радиусомер Н-1-R2,5 ТУ2-034-228-87

+

+

+

+

+

+

080

Торцекруглошлифовальная: 1. Установить, закрепить заготовку 2. Шлифовать одновременно поверхности, выдерживая размеры ,,,15min и допуски согласно эскизу 3. Проверить размеры 4. Снять заготовку и повесить на подвеску конвейера

3Т161

Центр передний Центр задний 7032-0030 Планшайба Поводковая 7032-6057

Круг 1 750х80х305 34А25ПС 7к 50м/с ГОСТ 2424-83 Доработка круга 2715-5042 Гребёнка алмазная ИП-123Б

Скоба акт. контроля 8770-5085 Скоба  8113-0144 Скоба  8113-0151 Эталон 8546-5119 Контр. присп. 8532-5067 Индикатор ИЧ0-10 кл.1 ГОСТ 577-68 Шаблон  8102-8753 Штангенциркуль ШЦ-I-125-0,1 ГОСТ 166-89

+

-

+

+

+

1

2

3

4

5

6

085

Круглошлифовальная: 1. установить, закрепить заготовку 2. Полировать поверхность  на длине 15min 3. Деталь уложить на тележку в 4 ряда по 5шт.

ЗБ151

Центр передний Центр задний 7032-0030 Планшайба поводковая 7032-6057

Круг ПП 600х50х305 Г92Е М28М3 ГОСТ 2424-83

Штангенциркуль ШЦ-I-125-0,1 ГОСТ 166-89 Скоба  8113-0151

+

+

+

+

+

+

090

Слесарная: 1. Калибровать резьбу М12х1,25 2. Переместить заготовки к конвейеру

Верстак МТЗ

-

Вороток 6910-0066 ГОСТ 22401-71 Метчик М12х1,25 2620-1499

-

+

+

+

+

+

+

095

Моечная

Моечная машина МТЗ

-

-

-

+

+

-

-

-

-

100

Контрольная

Стол контрольный Р684

-

-

-

+

+

+

+

+

+



.6 Выбор метода получения заготовки и разработка ее конструкции

Выбор методов получения исходной заготовки оказывает большое значение на решение задачи экономии металла. При выборе методов получения исходных заготовок следует учитывать потери металла связанные с этими методами. Так как при выборе метода получения заготовки важнейшими критериями являются стоимость и коэффициент использования материала (КИМ), то существует необходимость рассмотрения нескольких альтернативных вариантов заготовок со сравнением их по вышеперечисленным критериям.

Заготовкой для получения детали в базовом варианте является поковка, получаемая штамповкой на горизонтально-ковочных машинах (ГКМ). Этот метод получения заготовки имеет высокую производительность и используется в серийном, крупносерийном и массовом производстве. Он сможет обеспечить требуемую годовую программу выпуска. Точность линейных размеров поковки, полученной штамповкой на ГКМ, соответствует примерно 16-17 квалитету точности. Высокие требования к механическим и эксплуатационным свойствам детали, работающей под большими нагрузками, а также невысокие литейные свойства материала фланца не позволяет получать заготовку литьем. Применение в качестве заготовки в серийном производстве проката при больших перепадах диаметров шеек детали экономически неэффективно (из-за невысокого КИМ). Анализ конструкции детали показал, что целесообразней всего получать заготовку для фланца на ГКМ (использование кривошипных горячештамповочных прессов КГШП проблематично, так как плоскость разъема штампа для данного случая не будет совпадать с плоскостью симметрии детали). Поэтому для сравнения используем два варианта заготовки, полученные на ГКМ.

В базовом варианте часть заготовки, из которой после механической обработки получаются посадочные цилиндры под подшипники и манжету, представлена в виде двух конусных ступеней, без выделения третьей ступени. В проектируемом варианте два этих конуса заменим тремя цилиндрами для каждой ступени соответственно. Это усложнит конструкцию разъемной матрицы ГКМ, но, как предполагается, снизит массу заготовки (повысит КИМ, снизит стоимость), что для крупносерийного производства носит определяющий характер.

Рассмотрим экономический эффект, вызванный изменением конструкции заготовки. Для этого сравним стоимость базового варианта заготовки со стоимостью заново спроектированной заготовки, используя методику в [1].

Вариант 1 - Базовый вариант заготовки.

Стоимость заготовки, получаемой штамповкой на ГКМ для исходного варианта можно определить по следующей формуле:

, руб (1.1)

где - базовая стоимость 1 тонны поковок, руб.;

- масса поковки, кг;

- коэффициенты, зависящие от класса точности, группы сложности, массы, марки материала и объёма производства заготовок;

= 7,377 - масса готовой детали, кг;

= 28,1 - цена 1т отходов, руб.


Рассчитаем коэффициент использования материала (КИМ):

 (1.2)

Вариант 2 - Проектируемый вариант заготовки.

Для уточнения проектируемого варианта получения заготовки назначим припуски на поверхности для обработки детали, назначим допуски, радиусы закруглений по ГОСТ 7505-89.

Исходные данные:

Штамповочное оборудование - ГКМ. Материал заготовки сталь 45 ГОСТ 1050-88. Масса детали 7,377 кг.

Расчетная ориентировочная масса поковки:

. (1.3)

где - расчетный коэффициент, принимаем .

Класс точности Т4 (получение заготовки на ГКМ).

Группа стали М2 (сталь с массовой долей углерода 0,35…0,65%).

Конфигурация поверхности разъема штампа П (плоская).

Степень сложности определяется в зависимости от соотношения объемов (масс) поковки VП (mП) и простой геометрической фигуры Vф (mФ), описывающей поковку. При определении описывающей поковку геометрической фигуры будем учитывать увеличение в 1,05 раза габаритных линейных размеров детали, определяющих положение её обработанных поверхностей.

. (1.4)

. (1.5)

. (1.6)

Степень сложности С3, исходный индекс 16.

Определим основные припуски на механическую обработку, допускаемые отклонения размеров, припуски, учитывающие смещение по поверхности разъёма штампа, изогнутость и отклонение от плоскостности и прямолинейности, а также размеры заготовки. Сведём результаты в таблицу 1.4.

Радиус закругления наружных углов 4 мм.

Штампованные уклоны на наружной поверхности 5°.

Таблица 1.4 - Припуски на механическую обработку заготовки по ГОСТ 7505-89

Размер обрабаты- ваемой поверхности, мм

Основной припуск на обработку, мм

Смещение по поверхности разъема штампа, мм

Изогнутость и отклонение от плоскостности и прямолинейности, мм

Размер заготовки, мм

Допускаемые отклонения размеров, мм

1

2

3

4

5

6

Æ220-1,15

2,4

0,4

0,5

Æ226,5

Æ226,5

Æ165±0,3

2,4


0,5

Æ171,5

Æ171,5

Æ75-0,074

2,7


0,4

Æ80

Æ80

Æ50±0,008

2,7


0,4

Æ55

Æ55

Æ60

2,7


0,4

Æ65

Æ65

28±0,65

1,9


0,4

27,5

27,5

18±0,35

1,9


0,5

22,5

22,5

1

2

3

4

5

6

179±0,5

2,4

0,4

0,5

183,5

183,5

43±0,8

2,5


0,5

48

48

6

1,9


0,5

3,5

3,5

2+0,4

1,9


0,5

1

1

Æ142

2,2


0,5

Æ148

Æ148

Æ156

2,2


0,5

Æ162

Æ162



Произведём более точный расчёт массы поковки с помощью КОМПАС 3D V10.

Рисунок 1.2 - Эскиз поковки с уточнённым расчётом массы

Определим стоимость проектируемого варианта заготовки:

.

Коэффициент использования материала (КИМ) для нового варианта заготовки:


Сравнивая два вышеприведенных варианта заготовки по стоимости и коэффициенту использования материал (Sзаг1>Sзаг2, КИМ1<КИМ2) можно сделать вывод, что более рациональным является второй вариант конструкции заготовки.

.7 Выбор методов обработки

Произведем выбор методов обработки поверхностей детали "Фланец 82-2308017". Обоснование выбора приведем для наиболее ответственных поверхностей. При выборе методов будем стремиться к тому, чтобы одним и тем же методом обрабатывать по возможности большее количество поверхностей заготовки. Так наружные цилиндрические и торцевые поверхности фланца предварительно обрабатываем только точением, окончательно - шлифованием. Отверстия получаем обработкой инструментом, работающим с осевой подачей: сверла, зенкеры, развертки. Шлицы получаем фрезерной обработкой, а внутреннюю резьбу в двух отверстиях - обработкой метчиком. При этом возможно совместить обработку отдельных поверхностей, для получения которых используются одинаковые методы обработки (отверстия во фланцевой части детали, наружные цилиндрические поверхности и торцы фланца), что повысит концентрацию операций, а, следовательно, также повысит производительность и точность обработки.

Обоснование выбора методов обработки будем производить на основе требуемых величин уточнения Ку, рассчитанных по допускам линейных размеров или допускам формы и расположения соответствующих поверхностей, а так же требуемых параметров шероховатостей.

При выборе методов обработки будем пользоваться справочными таблицами экономической точности обработки согласно [2].

Выберем методы обработки наружной поверхности посадочной шейки Æ60n6() (требования точности диаметра соответствуют 6 квалитету размерной точности, Ra1,25, точность размера заготовки примерно соответствует 17 квалитету):

точение черновое (IT14) δ=0,74 мм;

точение получистовое (IT12) δ=0,3 мм;

точение получистовое (IT10) δ=0,12 мм;

точение чистовое (IT8) δ=0,046 мм;

термообработка (IT9);

шлифование предварительное (IT7) Т=0,03 мм;

шлифование чистовое (IT6) Т=0,019 мм;

шлифование тонкое (IT5) Т=0,013 мм;

Требуемый коэффициент уточнения:

. (1.7)

где Ку-требуемая величина уточнения;

dзаг-допуск размера, формы или расположения поверхностей заготовки;

dдет-допуск размера, формы или расположения поверхностей детали.

Расчетная величина уточнения по выбранному маршруту обработки:

 = 281,4. (1.8)

где К1, К2…Кn-величины уточнения по каждому переходу или операции при обработке рассматриваемой поверхности. Точность на черновом переходе обработки сталей обычно повышается на 1…3 квалитета размерной точности или степени точности и расположении поверхности. Точность на каждом чистовом и отделочном переходе при обработке сталей повышается на 1…2 квалитета или степени точности.

Единая система допусков и посадок ЕСДП построена так, что для одного интервала номинальных размеров допуски в соседних квалитетах отличаются в 1,6 раз. Поэтому расчетные величины уточнений для сталей будут равны:

К = 1,6…1,63 = 1,6…4,1 - для черновой обработке;

К = 1,6…1,62 = 1,6…2,56 - для чистовой обработки.

Так как соблюдается условие Ку. расч. ≥ Ку значит, требуемая точность будет обеспечиваться выбранными методами обработки.

Выберем методы для обработки наружной посадочной поверхности Æ75-0,074 (требования точности диаметра соответствуют 9 квалитету размерной точности, точность размера заготовки примерно соответствует 17 квалитету, Ra 0,63):

обтачивание черновое (IT14) δ=0,74 мм;

обтачивание получистовое (IT12) δ=0,3 мм;

обтачивание получистовое (IT10) δ=0,12 мм;

обтачивание чистовое (IT8) δ=0,046 мм;

термообработка (IT9);

шлифование (IT8) δ=0,074 мм;

полирование (IT8).

Требуемый коэффициент уточнения:

.

Расчетная величина уточнения по выбранному маршруту обработки:

.

Так как соблюдается условие Ку. расч. ≥ Ку значит, требуемая точность будет обеспечиваться выбранными методами обработки.

Выберем методы для обработки фланцевых отверстий Æ18+0,043 (лимитирующей величиной для количества переходов является точность диаметрального размера IT9, Ra5):

сверление (IT11) δ=0,11 мм;

зенкерование (IT9) δ=0,052 мм;

развертывание окончательное (IT8) δ=0,043 мм;

Требуемый коэффициент уточнения (в качестве допуска заготовки берем допуск после сверления):


Расчетная величина уточнения по выбранному маршруту обработки:


Так как соблюдается условие Ку. расч. ≥ Ку значит, требуемая точность будет обеспечиваться выбранными методами обработки.

Результаты выбора методов обработки сведем в таблицу 1.5.

Таблица 1.5 - Выбор методов обработки

Поверхность

Точность

Шероховатость

Методы обработки

1

Цилиндр Æ50±0,008

IT6

Ra 1,25

Точение черновое, точение получистовое, точение получистовое, точение чистовое, шлифование предварительное, шлифование чистовое, шлифование тонкое

2

Цилиндр Æ60

IT6

Ra 1,25

Точение черновое, точение получистовое, точение получистовое, точение чистовое, шлифование предварительное, шлифование чистовое, шлифование тонкое

3

Цилиндр Æ75-0,074

IT9

Ra 0,63

Точение черновое, точение получистовое, точение получистовое, точение чистовое, шлифование однократное, полирование

4

Цилиндр Æ18+0,043

IT9

Ra 5

Параллельное сверление, зенкерование, однократное развертывание

5

Цилиндр Æ60

IT7

Ra 2,5

Точение черновое, точение получистовое, точение получистовое, точение чистовое, шлифование однократное

6

Цилиндр Æ220-1,15

IT14

Ra 20

Точение однократное

7

Цилиндр Æ165±0,3

IT14

Ra 20

Точение однократное

8

18±0,35

IT13

Ra 20

Точение однократное, точение чистовое

9

43±0,8

IT14

Ra 2,5

Точение однократное, шлифование однократное

10

Фаски 1х45°

IT14

Ra 20

Зенкование

11

Фаски 1,6х45°, 2х45°

IT14

Ra 5

Точение однократное

12

2+0,4

IT14

Ra 2,5

Точение однократное

13

Фаска 2±0,5х30°

IT14

Ra 2,5

Точение однократное, шлифование однократное

14

Канавка Æ49,5

IT14

Ra 20

Точение однократное канавочным резцом

15

Резьба М12х1,25-6Н

6 степень точности

Ra 5

Сверление, однократное зенкерование, нарезание метчиком, калибрование

16

Цилиндр Æ142max

IT14

Ra 20

Точение однократное

17

Шлицы 12х51х60

-

Ra 5

Фрезерование однократное червячной фрезой

18

179±0,5

IT14

Ra 20

Точение однократное

19

Фаски 2,5х30° во фланцевых отверстиях

IT14

Ra 20

Зенкование



.8 Выбор технологических баз

Выбор баз для механической обработки производим с учётом достижения требуемой точности взаимного расположения поверхностей детали, по линейным и угловым размерам, обеспечения доступа инструментов к обрабатываемым поверхностям.

Сначала производим выбор чистовых баз и промежуточных баз.

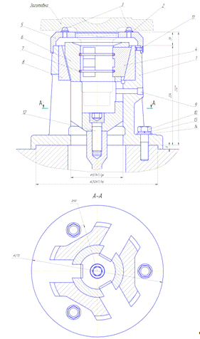
Для чистовых этапов обработки наружных поверхностей (шлифовании всех посадочных шеек с торцом и полировании шейки под манжету) базирование будем производить по двум центровым отверстиям и развитому торцу фланца (рисунок 1.3).

Данный комплект баз будет удовлетворять требованиям обработки наружных поверхностей вращения. При установке фланца в центрах, конические пояски центровых отверстий будут контактировать с конусом центра, что обеспечит точность совмещения центровых отверстий с осью центра. Это позволит добиться хорошей соосности наружных цилиндрических поверхностей фланца, обрабатываемых на разных станках, достигнуть стабильности размеров.

Двойной направляющей базой (т.1,2,3,4) будет являться ось центровых отверстий. Упорной базой (т.5), обеспечивающей ориентацию в осевом направлении, будет являться поверхность торца фланца. Базирование будем реализовывать используя передний плавающий центр, задний центр и планшайбу с поводком, закрепляемом в одном из фланцевых отверстий. Установка заготовки в данное приспособление связана с исключением возникновения погрешности на размеры в осевом направлении. В противном случае заготовка будет занимать различное положение в пределах партии. Поэтому конструкция левого центра предусматривает подпружиненный механизм.

Таким образом передний центр будет утапливаться в корпус патрона, при этом заготовки будут занимать одинаковое положение по длине, тем самым исключится погрешность базирования при выдерживании размеров от развитого торца фланца.

Рисунок 1.3 - Схема базирования при шлифовании всех посадочных шеек и торца, фрезеровании шлицев, а также полировании шейки под манжету

Рассмотренная выше схема базирования также будет применяться для обработки шлицев и при получистовой и чистовой токарной обработке стержневой части заготовки.

При нарезании резьбы в 2-х отверстиях, выполненных на торце стержневой части заготовки, базировать заготовку будем на опорную плиту поверхностью торца фланцевой части, которая будет являться установочной базой (т. 1, 2, 3). Необходимую ориентацию по угловому положению вокруг оси заготовки, а также позиционированию относительно фланцевых отверстий заготовка получит путём установки на два коротких пальца по поверхности противоположных фланцевых отверстий. В данном случае поверхность одного отверстия будет являться двойной опорной базой (т. 4, 5), а поверхность другого - опорной базой (т. 6). Базирование будем реализовывать с помощью специальной поворотной подставки.

Рисунок 1.4 - Схема базирования при нарезании резьбы в 2-х отверстиях

При обработке фасок во фланцевых отверстиях будем базировать заготовку по поверхности торца внутренней части фланца и по поверхностям двух фланцевых отверстий. В данном случае поверхность внутреннего торца фланца будет являться установочной базой (т. 1, 2, 3). Необходимую угловую ориентацию вокруг оси заготовки будет обеспечивать двойная упорная база (т. 4, 5) - поверхность одного отверстия, а также упорная база (т.6) - поверхность другого отверстия в торце фланце. Данную схему базирования будем реализовывать с помощью специального сверлильного приспособления.

Рисунок 1.5 - Схема базирования при обработке фасок во фланцевых отверстиях

При обработке фланцевых отверстий и 2-х отверстий в торце стержневой части заготовку будем базировать на опорную плиту по поверхности обработанного торца фланцевой части и центрового отверстия, используя плавающий центр, расположенный в плите. В данном случае поверхность торца будет являться установочной базой (т. 1, 2, 3), а поверхность центрового отверстия - центрирующей базой (т. 4, 5). Основной зажим будет осуществляться прижимами по торцу фланцевой части, противоположному тому по которому базируется заготовка. Необходимое угловое положение заготовки относительно оси центров будет обеспечиваться за счет момента трения между опорной плитой и торцом фланцевой части заготовки после зажима. Базирование будем реализовывать с помощью специального сверлильного приспособления.

Рисунок 1.6 - Схема базирования при обработке фланцевых отверстий и 2-х отверстий в торце стержневой части

При получении центровых отверстий формы R по ГОСТ 14034-74 базирование будем осуществлять по поверхностям наружных цилиндрических шеек и торцу стержневой части заготовки. Двойной направляющей базой (т.1,2,3,4) будет являться ось наружных цилиндров посадочных шеек, а упорной (т.5) - торец стержневой части. Базирование будем реализовывать с помощью приспособления состоящего из равномерно сходящихся призм и упора.

Рисунок 1.7 - Схема базирования при получении центровых отверстий формы R по ГОСТ 14034-74

При токарной обработке стержневой части заготовку будем устанавливать в трёхкулачковый самоцентрирующий патрон. При установке в патроне центрирование будет происходить по оси цилиндра фланцевого диска, обработанного ранее, поэтому будем использовать эту ось как центрирующую базу (т. 4, 5). А развитый внешний торец фланцевой части заготовки - установочную базу (т. 1, 2, 3). Базирование будем реализовывать с помощью трёхкулачкового самоцентрирующего патрона.

Рисунок 1.8 - Схема базирования при токарной обработке стержневой части заготовки

Производим выбор черновых баз.

При токарной обработке фланцевой части заготовку будем базировать по наружной цилиндрической поверхности посадочной шейки и поверхности выемки. Таким образом, ось наружного цилиндра посадочной шейки будет являться двойной направляющей базой (т. 1, 2, 3, 4), а поверхность выемки - упорной базой (т. 5). Базирование будем реализовывать с помощью специального трёхкулачкового патрона, работающего по принципу клинового.

Рисунок 1.9 - Схема базирования при токарной обработке фланцевой части заготовки

.9 Разработка технологического маршрута обработки детали

При составлении маршрута обработки, необходимо учитывать следующее:

каждый последующий переход должен уменьшить погрешность обрабатываемой поверхности и улучшить ее качество;

в первую очередь должны обрабатываться те поверхности, которые будут использоваться в качестве технологических баз на последующих переходах;

не рекомендуется совмещение черновой и чистовой обработки немерным инструментом на одном и том же станке.

Приняв во внимание вышеперечисленное, сформулируем технологический маршрут обработки "фланца":

все переходы, на которых производится основной съем металла лезвийной обработкой, осуществляем до термообработки (закалка + отпуск), которая повышает твердость и резко снижает обрабатываемость материала детали;

все переходы, на которых производится окончательная обработка точных (посадочных) поверхностей (шлифовка и полировка) располагаем после термообработки;

перед термообработкой производим промывку и выборочный контроль деталей, чтобы снизить уровень неисправимого брака, пошедшего на термообработку и дальнейшую абразивную обработку, и тем самым снизить расходы;

переходы, на которых производится сверление центровых отверстий и обработка торца стержневой части заготовки, выполняем после черновой обработки контура заготовки, так как на них формируются поверхности, используемые как чистовые базы на последующих переходах;

затем располагаем токарные переходы, на которых происходит чистовая обработка торцев фланцевой части заготовки, так как базирование при дальнейшей обработки отверстий происходит по заранее обработанным поверхностям фланцевого диска детали;

после этого выполняем обработку фланцевых отверстий и 2-х отверстий под резьбу, при установке по уже обработанным базам;

чистовую токарную обработку посадочных шеек для повышения жесткости и, следовательно, точности выполняем на отдельном станке;

затем, используя готовые комплекты чистовых баз, производим фрезерование пазов и шлицев, после чего заготовка проходит мойку, контроль и отправляется на термообработку;

после термообработки выполняем шлифование посадочных шеек и калибровку резьбы, полировку посадочной поверхности под манжету выполняем в конце маршрута, для минимизации возможности случайного повреждения.

после всей механической обработки осуществляем зачистку заусенцев, калибровку резьбы в 2-х отверстиях, промывку и контроль готовых деталей.

Запишем технологические переходы обработки детали в хронологическом порядке, учитывая записанные выше требования:

. Точение черновое наружного цилиндра фланцевого диска заготовки.

. Точение черновое 2-х торцев фланцевого диска с образованием уступов.

. Точение черновое 2-х фасок на наружном цилиндре фланца.

. Точение черновое торцов стержневой части заготовки и внутренней поверхности фланцевого диска.

. Точение черновое фасок на крайних посадочных шеек стержневой части заготовки.

. Точение черновое посадочных шеек стержневой части заготовки.

. Сверление центровых отверстий формы R по ГОСТ 14034-74.

. Сверление 2-х отверстий в торце стержневой части фланца.

. Сверление 8-ми отверстий во фланце заготовки.

. Зенкерование однократное 8-ми отверстий во фланце.

. Зенкование фасок в 8-ми отверстиях во фланце.

. Зенкерование 2-х отверстий в торце стержневой части фланца.

. Развертывание однократное 8-ми отверстий во фланце.

. Зенкование фасок в 8-ми отверстиях во фланце (со стороны развитого торца фланца).

. Нарезание резьбы М12х1,25-6Н.

. Точение получистовое по копиру посадочных шеек заготовки.

. Точение получистовое по копиру посадочных шеек заготовки.

. Точение чистовое по копиру посадочных шеек заготовки.

. Точение канавки и фаски на стрежневой части заготовки.

. Фрезерование шлицев.

. Промывка заготовки моющим раствором.

. Контроль выдерживаемых размеров.

. Термическая обработка 2-х шеек.

. Шлифование однократное наружного цилиндра  заготовки.

. Шлифование предварительное посадочной шейки  заготовки.

. Шлифование окончательное посадочной шейки  заготовки.

. Шлифование предварительное посадочных шеек ,.

. Шлифование чистовое посадочных шеек ,.

. Шлифование тонкое посадочной шейки , а также прилегающего бурта.

. Полирование посадочной шейки .

. Слесарная обработка детали, калибрование резьбы 2-х отверстий в торце стержневой части фланца.

. Промывка детали моющим раствором.

. Контроль выдерживаемых размеров.

Предварительно выберем оборудование, учитывая точность обработки, тип производства, концентрацию операций:

для выполнения переходов 1 - 3 выбираем токарный 6-шпиндельный вертикальный полуавтомат (применение данного типа оборудования для двух первых пунктов позволит обеспечить заданную производительность, однако при сравнении горизонтальных и вертикальных многошпиндельных полуавтоматов предпочтение будем отдавать вертикальным, так как они имеют большую жёсткость технологической системы, что является определяющим фактором при черновой токарной обработке);

для выполнения токарных переходов 4 - 6 выбираем токарный 6-шпиндельный вертикальный полуавтомат;

для выполнения перехода 7 выбираем двусторонне - центровальный полуавтомат;

для выполнения переходов 8 - 13 по обработке отверстий Æ18 и 2-х под резьбу выбираем агрегатно-сверлильный полуавтомат (применение данного оборудования позволит использовать многоинструментальную обработку при обработке заготовки, что будет соответствовать принципу концентрации операций;

для выполнения перехода 14 выбираем вертикально-сверлильный станок (применение данного оборудования позволит удешевить технологию изготовления детали, хоть и не совсем соответствует крупносерийному производству оно будет использоваться на операции с малым операционным временем);

для выполнения перехода 15 по нарезанию резьбы в 2-х отверстиях выбираем резьбонарезной полуавтомат (в рамках крупносерийного производства применение данного оборудования будет оправданным);

для выполнения токарного перехода 16 - 19 выбираем токарный гидрокопировальный полуавтомат (выполнение чистовой многопроходной токарной обработки в рамках крупносерийного производства обуславливает применение данного типа оборудования, имеющего жёсткую технологическую систему, позволяющую получить заданные точностные параметры, а также требуемую производительность);

для выполнения перехода 20 по фрезерованию шлицев выбираем шлицефрезерный полуавтомат (при этом сохранится требуемая точность обработки и увеличится производительность, что является определяющим фактором при обработке заготовок в крупносерийном производстве);

для выполнения перехода 24 выбираем круглошлифовальный полуавтомат;

для выполнения переходов 25 - 26 выбираем круглошлифовальный полуавтомат (использование данного типа оборудования в двух вышеперечисленных пунктах позволяет осуществлять круглое наружное врезное шлифование цилиндрических поверхностей);

для выполнения переходов 27 - 29 выбираем торцекруглошлифовальный станок (необходимость использования данного оборудования заключается предоставлении им возможности одновременно осуществлять шлифовку торца и двух цилиндрических поверхностей);

для выполнения перехода 30 выбираем круглошлифовальный станок (применение данного оборудования позволит исключить необходимость использования дорогостоящего специального полировального оборудования).

По общим признакам (одинаковое оборудование, схемы базирования, режущий инструмент и др.) объединим переходы в операции. Выделим следующие операции:

. Операция 005 - Токарно-автоматная (переход 1 - 3).

. Операция 010 - Токарно-автоматная (переходы 4 - 6).

Объединяем выбранные переходы, относящиеся к черновой токарной обработке заготовок, так как предварительно выбранное оборудование позволяет получить заданную производительность и точность обработки. Также эти переходы обладают общим набором следующих признаков: принадлежность к одной стадии обработки, одинаковость метода обработки, позволяющих применять одинаковое оборудование, вспомогательные и режущие инструменты, общность схемы базирования и закрепления.

. Операция 015 - Двухсторонне - центровальная (переход 7).

. Операция 020 - Агрегатная (переходы 8 - 13).

Объединяем выбранные переходы, так как они имеют такие схожие признаки, как принадлежность к одной стадии обработки, общность схемы базирования, вспомогательные и режущие инструменты. Также положительным моментом объединения данных переходов является возможность добиться максимальной концентрации переходов.

. Операция 025 - Вертикально-сверлильная (переход 14).

. Операция 030 - Резьбонарезная (переход 15).

. Операция 035 - Токарно-гидрокопировальная (переход 16 - 19).

По причине необходимости разделения черновой и чистовой стадии обработки заготовки, которая позволяет получить высокие точностные параметры, объединим получистовые и чистовые токарные переходы по обработке шеек стрежневой части фланца, учитывая возможности применяемого оборудования.

. Операция 040 - Шлицефрезерная (переход 20).

. Операция 045 - Моечная (переход 21).

. Операция 050 - Контрольная (переход 22).

На данной операции осуществляем промежуточный контроль выдерживаемых размеров, чтобы исключить возможность получения брака на дальнейших дорогостоящих операциях.

. Операция 055 - Термическая (переход 23).

. Операция 060 - Круглошлифовальная (переход 24).

. Операция 065 - Круглошлифовальная (переходы 25 - 26).

. Операция 070 - Торцекруглошлифовальная (переходы 27 - 29).

. Операция 075 - Полировальная (переход 30).

. Операция 080 - Слесарная (переход 31).

. Операция 085 - Моечная (переход 32).

Данная операция проводится с целью очистки от остатков стружки и мусора в растворе моечной машины.

. Операция 090 - Контрольная (переход 33).

.10 Разработка технологических операций

На этом этапе окончательно определяется состав и порядок выполнения переходов в пределах каждой технологической операции, производится выбор моделей оборудования, станочных приспособлений, режущих и измерительных инструментов.

В рамках крупносерийного производства будет приемлема параллельно-последовательная структура операций, реализуемая в основном на станках-полуавтоматах. Только данная структура будет применима не для всех операций проектируемого техпроцесса. Возможно использование параллельно-последовательной структуры в операциях 005, 010, 020, 035, так как на данных операциях используется токарные многорезцовые полуавтоматы и агрегатный станок. На всех остальных операциях будет применена последовательная структура по причине того, что в их состав входят шлифовальные операции, на которых применима только данная структура операций, и вертикально-сверлильная (025) с резьбонарезной (030), на которых последовательная структура характерна для выбранных в пункте 1.9 методов обработки.

Выбор оборудования будем производить с учетом принятых методов обработки поверхности, типа производства, а также габаритов детали и требуемой точности обработки. В исключительных случаях пояснения по выбору оборудования будут приводиться ниже.

На токарно-автоматных операциях (005 и 010) распределение переходов по позициям определено таким образом, чтобы обрабатывать сразу 4 заготовки на станке, при этом в соседних позициях будут выполняться одинаковые переходы одновременно над двумя заготовками.

Применяемые приспособления будем выбирать с учётом принятых схем базирования, возможности доступа инструмента при обработке поверхностей, а также с учётом типа производства.

На первых двух операциях (005, 010) в качестве режущего инструмента будем использовать резцы со сменными пластинами из твёрдого сплава. Материал пластин - Т15К6 выбираем с учётом того, что обрабатываемым материалом является сталь 45 и на данных операциях производится черновая обработка.

По причине сложности конструкции режущего инструмента на операциях 020, 025, 030 выбираем в качестве инструментального материала быстрорежущую сталь марки Р6М5. Использование твёрдого сплава в качестве инструментального на данных операциях на порядок увеличит стоимость применяемого инструмента из-за трудоёмкости его изготовления, что соответственно повлечёт увеличение стоимости готовой детали.

В качестве режущего инструмента на операции 035 будем использовать резцы со сменными пластинами из твёрдого сплава Т15К6, что соответствует виду обработки (чистовая) и обрабатываемому материалу (сталь 45).

На операции 040 в качестве режущего инструмента будем использовать сборную фрезу Æ125. Материалом для ножей, устанавливаемых во фрезу, является быстрорежущая сталь Р6М5.

В качестве режущего инструмента на операциях 060, 065 будем использовать круги прямого профиля (ПП), предназначенные для круглого наружного шлифования, также будем использовать в качестве абразивного материала электрокорунд белый (24А) с керамической связкой (К5) и средней твёрдостью (СТ2), который имеет высокую водоупорность, достаточную температурную стойкость и прочность.

В качестве режущего инструмента на операции 070 будем использовать специальный круг формы 1-N для шлифования двух шеек и торца. В качестве абразивного материала используем электрокорунд хромистый (34А) с керамической связкой (К5) и средней твёрдостью (С2), который применяется для чистовых и доводочных операций. За счёт улучшенных абразивных свойств по сравнению с элетрокорундом обеспечится значительное повышение производительности при обработке закалённых конструкционных сталей.

На операции 075 в качестве режущего инструмента будем использовать круг прямого профиля. Абразивным материалом будет являться электрокорунд хромотитанистый с графитовым наполнителем (Г92А) на бакелитовой связке (Б4) с мягкой твёрдостью (М3), обладающий высокой прочностью и упругостью, что соответствует процессу полирования.

Выбор измерительного инструмента будем производить с учётом точности получаемых размеров, типа производства, доступности произведения замеров, а также возможности автоматизации обработки на операциях.

Операция 005 - токарно-автоматная.

Выбираем токарный вертикальный шестишпиндельный полуавтомат 1Б284.

Приспособление - специальный патрон.

Позиция 1,6 (данные позиции используем как загрузочные).

. Установить и закрепить заготовки.

Позиция 2,3.

. Точить поверхность на проход, выдерживая размер .

Позиция 4,5.

. Точить торцы, выдерживая размеры ,,.

. Точить две фаски, выдерживая размер .

Позиция 1,6 (данные позиции используем как разгрузочные).

. Открепить и снять заготовки со станка, подвесить на подвеску конвейера.

Режущий инструмент - резец проходной 2100-5183 с пластиной МТ2 SNMG 220412, резец подрезной 2110-5094 с пластиной МТ2 SNMG 120412, резец подрезной 2110-5094 с пластиной МТ2 SNMG 120412, резец фасочный 2104-5005, резец фасочный 2104-5005.

Измерительный инструмент - штангенциркуль ШЦ-II-250-0,1 ГОСТ 166-89, глубиномер специальный, фаскомер 8371-7048.

Операция 010 - токарно-автоматная.

Выбираем токарный вертикальный шестишпиндельный полуавтомат 1Б284.

Приспособление - трёхкулачковый самоцентрирующий патрон.

Позиция 1,6 (данные позиции используем как загрузочные).

. Установить и закрепить заготовки.

Позиция 2,3.

. Точить торцы, выдерживая размеры , .

. Точить две фаски, выдерживая размер .

Позиция 4,5.

. Точить поверхности, выдерживая размеры ,, , , .

Позиция 1,6 (данные позиции используем как разгрузочные).

. Снять заготовки со станка, повесить на подвеску конвейера.

Режущий инструмент - резец подрезной PSBNL 3232P19, резец подрезной PSBNL 3232P18, резец проходной 2100-5041-04, резец проходной 2100-5041-25 с пластиной МТ2 TNMG 220412, резец проходной ГОСТ 18880-73 с пластиной 06 ГОСТ 25397-82 , резец фасочный 2104-5005, резец фасочный 2104-5005.

Измерительный инструмент - шаблон 2151-8584 , шаблон 8151-8585 , шаблон 8151-8585 , скоба 8102-9392 , скоба 8113-0162 , скоба 8113-0152 , фаскомер 8371-7048.

Операция 015 - двухсторонне-центровальная.

Выбираем двухсторонне-центровальный полуавтомат БС163А.

Приспособление - установочное при станке.

. Сверлить одновременно центровые отверстия Æ5 ГОСТ 14034-74 на глубину 14min.

Режущий инструмент - сверла центровые Æ5 2317-0035 ГОСТ 14952-75.

Измерительный инструмент - штангенциркуль ШЦ1-125-0,1 ГОСТ 166-89, контрольное приспособление 8517-5283.

Операция 020 - агрегатная.

Выбираем агрегатно-сверлильный станок БС-533.

Приспособление - установочное при станке.

Позиция 1 (данную позицию используем как загрузочную).

. Установить и закрепить заготовку

Позиция 2.

. Одновременное сверление, зенкерование, зенкование фаски, выдерживая размеры Æ17,7, 2,5х30°, 190.

Позиция 3.

. Развёртывание 8 отверстий Æ18+0,043

Позиция 4.

. Сверление 2-х отверстий в размеры Æ10,3, 35min, 30±0,42.

Позиция 5.

. Зенкерование 2-х отверстий в размеры Æ10,7, Æ16, 1,6, 35min, 30±0,42.

Позиция 6 (данную позицию используем как разгрузочную).

. Снять заготовку со станка, повесить на подвеску конвейера.

Режущий инструмент - сверло  2301-3398, зенкер комбинированный 2330-5210, сверло-зенкер комбинированный 2330-5210, развёртка 2365-5693.

Измерительный инструмент - штангенциркуль ШЦ-I-125-0,1 ГОСТ 166-89, калибр 8360-7502, пробка  8133-4596, пробка 8133-0932, контрольное приспособление 8534-5882-01, контрольное приспособление 8532-5067.

Операция 025 - вертикально-сверлильная.

Выбираем вертикально-сверлильный станок модели 2Н125Л (данный тип оборудования выбираем с учетом принятых методов обработки поверхности, требуемой точности обработки, хоть и оно не соответствует типу производства, но зато имеет небольшую стоимость. Также время обработки на операции, на которой данное оборудование используется достаточно мало, что допустимо).

Приспособление - специальное сверлильное приспособление.

. Зенкеровать поочередно фаску в восьми отверстиях в размер 1х45°.

Режущий инструмент - зенковка Æ27,8 2353-5088 Р6М5 с углом 45°.

Измерительный инструмент - фаскомер 8371-7053.

Операция 030 - резьбонарезная.

Выбираем резьбонарезной полуавтомат 5053 (данный тип оборудования выбираем с учетом принятых методов обработки поверхности, типа производства, а также требуемой точности обработки).

Приспособление - подставка поворотная 7390-8210.

. Нарезать резьбу в двух отверстиях, выдерживая размеры М12х1,25-6Н, 26.

Режущий инструмент - метчик М12х1,25 2620-1497.

Измерительный инструмент - пробка резьбовая специальная 8166-7026, пробка ПР8220-00556Н.

Операция 035 - токарно-гидрокопировальная.

Выбираем токарно-гидрокопировальный полуавтомат ЕМ-473-1-08 (данный тип оборудования выбираем с учётом типа производства и методов обработки, которые обуславливают использование оборудования с более жёсткой технологической системой для повышения точности обработки, что является необходимым).

Приспособление - планшайба с передним центром и поводком, задний центр.

Копировальный суппорт

. Обточить начисто по копиру поверхности, выдерживая размеры , , , R2.

Поперечный суппорт

. Подрезать фаску и торец с образованием канавки, выдерживая размеры ,, .

. Снять заготовку и повесить на подвеску конвейера.

Режущий инструмент - резец проходной 2100-5098-09 с пластиной МТ1 TNMG 220412-43, резец канавочный 2126-5172, резец фасочный 2104-5005.

Измерительный инструмент - штангенциркуль ШЦ-I-125-0,1 ГОСТ 166-89, шаблон  8113-5332, скоба  8119-0205, скоба  8113-5332, скоба  8113-5528, контрольное приспособление 8532-5067, шаблон R2, ТУ2-034-228-87, индикатор ИЧ0-10 кл.1 ГОСТ 577-68, фаскомер 8371-7048.

Операция 040 - шлицефрезерная.

Выбираем шлицефрезерный полуавтомат 5Б312.

Приспособление - приспособление шлицефрезерное, центр верхний.

. Фрезеровать шлицы, выдерживая размеры 57+4,6; Æ50-0,6 и требования к шлицам (см. чертеж детали).

Режущий инструмент - фреза червячная 2511-5074.

Измерительный инструмент - калибр-скоба Æ50-0,6 8322-7556, штангенциркуль ШЦ1-125-0,1 ГОСТ 166-89, калибр комплексный 8312-7006 для контроля шлицев (контроль геометрических параметров шлицев производить на посту ОТК).

Операция 045 - моечная.

Приспособление - подвеска.

. Промыть деталь моющим раствором согласно инструкции.

Операция 050 - контрольная.

Приспособление - стол контрольный.

. Контролировать выдерживаемые размеры согласно картам контроля.

Операция 055 - термическая.

Операция 060 - круглошлифовальная.

Выбираем круглошлифовальный полуавтомат 3А151Е.

Приспособление - планшайба с передним центром и поводком, задний центр.

. Шлифовать однократно поверхность, выдерживая размеры , 59,52.

Режущий инструмент - круг шлифовальный ПП 600х63 24А 40-П СТ2 5К6 35 м/с А1кл. ГОСТ 2424-73.

Измерительный инструмент - калибр-скоба  8771-5185, прибор активного контроля Б-50, скоба активного контроля 8770-5085, штангенциркуль ШЦ1-125-0,1 ГОСТ 166-89, профилометр ГОСТ 19300-86.

Операция 065 - круглошлифовальная.

Выбираем круглошлифовальный полуавтомат 3А151Е.

Приспособление - планшайба с передним центром и поводком, задний центр.

. Шлифовать начерно, начисто поверхность в размер Æ50±0,008, выдерживая допуск радиального биения согласно эскизу.

Режущий инструмент - круг шлифовальный ПП 600х63 24А 40-П СТ2 5К6 35 м/с А1кл. ГОСТ 2424-73.

Измерительный инструмент - калибр-скоба Æ50±0,008 8771-5186, скоба активного контроля 8770-5085, прибор активного контроля Б-50, приспособление для контроля радиального биения 8532-5067, профилометр ГОСТ 19300-86. Контроль радиального биения осуществлять на посту ОТК.

Операция 070 - торцекруглошлифовальная.

Выбираем торцекруглошлифовальный полуавтомат ХШ4-12.

Приспособление - планшайба с передним центром и поводком, задний центр.

. Шлифовать одновременно начерно, начисто, тонко две поверхности и торец, выдерживая размеры Æ75-0,074, Æ60-0,019 , R2, 43±0,8, , 15min и допуски радиального и торцевого биения согласно эскизу.

Режущий инструмент - круг шлифовальный 1-N-750х80х305 34А 25-П С2 7К5 50 м/с А1кл. ГОСТ 2424-73; гребенка алмазная ИП123Б.

Измерительный инструмент - калибр-скоба Æ75-0,074 8771-5193, калибр-скоба Æ60-0,019 8771-5199, прибор активного контроля Б-50 6-6060-2К, шаблон 43±0,8 8771-4532, скоба активного контроля 8770-5085, ШЦ1-125-0,1 ГОСТ 166-89, профилометр ГОСТ 19300-86, фаскомер 8371-7048, приспособление для контроля радиального и торцевого биения 8532-5068. Контроль радиального и торцевого биения осуществлять на посту ОТК.

Операция 075 - полировальная.

Выбираем круглошлифовальный станок модели 3Б151 (применение данного оборудования исключит необходимость использования дорогостоящего специального оборудования для полирования).

Приспособление - планшайба с передним центром и поводком, задний центр.

. Полировать поверхность, выдерживая размеры Æ75-0,074, 15min.

Инструмент - круг с графитовым наполнителем ПП 600х50-305 Г92А М28 М3 Б4 35 м/с ГОСТ 2424-83; карандаш 3908-0061 ГОСТ 607-75.

Измерительный инструмент - калибр-скоба Æ75-0,074, ШЦ1-125-0,1 ГОСТ 166-89, профилометр ГОСТ 19300-86, приспособление для контроля радиального биения 8532-5067. Контроль радиального биения осуществлять на посту ОТК.

Операция 080 - слесарная.

. Зачистить заусенцы после механической обработки, калибровать резьбу М12х1,25.

Инструмент - метчик М12х1,25.

Операция 085 - моечная.

Приспособление - подвеска.

. Промыть деталь моющим раствором согласно инструкции.

Операция 090 - контрольная.

Приспособление - стол контрольный.

. Контролировать выдерживаемые размеры согласно картам контроля.

.11 Расчёт припусков на механическую обработку аналитическим методом

Произведем расчет припусков расчетно-аналитическим методом для двух поверхностей разной формы и построим схемы расположения припусков и допусков для них согласно [12].

Произведём расчет припусков на обработку поверхности .

Заготовка фланца - поковка, получаемая горячей объемной штамповкой на горизонтально-ковочной машине (ГКМ), массой 10,3 кг из стали 45. Характеристика поковки по ГОСТ 7505-89: класс точности - Т4; группа стали - М2; степень сложности С3; исходный индекс 16. Допуск на диаметр посадочной шейки заготовки ТАо=3,6 мм. Этот допуск соответствует 17 квалитету точности.

Обработку производим в следующей последовательности:

. Черновое точение IT=14, TD1= 0,74 мм;

. Получистовое точение IT=12, TD2=0,3 мм;

. Получистовое точение IT=10, TD3=0,12 мм;

. Чистовое точение IT=8, TD4=0,046 мм;

Термообработка IT=9

. Черновое шлифование IT=7, TD5=0,03 мм;

. Чистовое шлифование IT=6, TD6=0,019 мм;

. Тонкое шлифование IT=5, TD7=0,013 мм;

Переход 1 выполняется на токарном вертикальном полуавтомате 1Б284. В качестве приспособления используется трёхкулачковый самоцентрирующий патрон. Переходы 2-4 выполняются на токарном гидрокопировальном полуавтомате ЕМ-473-1-08. В качестве приспособления используется поводковый патрон с плавающим центром и задний центр. Переходы 5-7 выполняются на шлифовальном полуавтомате 3А151Е. В качестве приспособления используется поводковый патрон с плавающим центром и задний центр.

Определим составляющие минимальных припусков Rzi-1 и hi-1 для поверхностей, получаемых после каждого перехода:

- для поверхности после штамповки Rz0=0,2 мм, h0=0,25 мм;

для поверхности после чернового точения Rz1=0,14 мм, h1=0,1 мм;

для поверхности после получистового точения Rz2=0,1 мм, h2=0,05 мм;

- для поверхности после получистового точения Rz3=0,05 мм, h3=0,025 мм;

- для поверхности после чистового точения Rz4=0,02 мм, h4=0,02 мм;

- для поверхности после чернового шлифования Rz5=0,0125 мм, h5=0,01 мм;

для поверхности после чистового шлифования Rz6=0,001 мм, h6=0,008 мм;

для поверхности после тонкого шлифования Rz7=0,0063 мм, h7=0,005 мм;

Значение пространственных отклонений для заготовки в виде тела вращения, установленной в патроне, рассчитывается по формуле:

 (1.9)

где  - погрешность радиального смещения оси обрабатываемого цилиндра (так как базирование происходит по предварительно подготовленной базе, то данная погрешность принимается как погрешность установки в трёхкулачковом патроне на операции по подготовке баз =0,21 мм);

 - погрешность коробления заготовки в месте расположения обрабатываемого цилиндра;

При этом коробление для длинной заготовки :

мкм. (1.10)

где L - расстояние от кулачков патрона до дальней точки обрабатываемого цилиндра (дальней точкой является крайняя точка цилиндра средней шейки, так как на операции обрабатывается вся поверхность заданной выше длины), мм;

- удельная кривизна заготовки, мкм/мм.

Тогда пространственное отклонение:

мм.

Значения  для припусков на другие переходы определим упрощенно по формуле:

 мм (1.11)

где Kуi-1 - коэффициент уточнения i-1 перехода;

ρi-2 - суммарная погрешность формы и расположения поверхности после i-2 перехода.

Величина остаточного пространственного отклонения после термической обработки определяется по формуле:

, мм (1.12)

где ρК - коробление детали из-за термической обработки.

после чернового точения:

, мм (1.13)

где - отклонение от соосности шейки, являвшейся технологической базой при обработке центровых отверстий, и оси центровых отверстий, мм.

Величина  определяется с учетом условий получения центровых отверстий по формуле:

 мм (1.14)

где  - отклонение оси технологической базы от оси центровых сверл, возникающие из-за рассеивания диаметра этой базы (не учитывается, так как для базирования используется приспособление с равномерно сходящимися призмами);

 - отклонение оси технологической базы от оси центровых сверл, возникающие из-за отклонения формы технологической базы;

 - погрешность эксцентриситета шейки заготовки, для которой рассчитывается припуск относительно шейки заготовки, по которой она базируется при центровке (не учитывается, так как базой является подготовленная поверхность);

 - погрешность увода оси сверла от его нормального положения.

Значение  принимается равным четверти допуска на диаметр базы.

. (1.15)

. (1.16)

где с0 - смещение оси просверленного отверстия от номинального положения, мкм;

 - удельный увод оси просверленного отверстия, мкм/мм;- длина отверстия, мм.

Тогда :

мм.

мм.

после получистового точения:

ρ2 = 0,194 /2,56 =0,076 мм.

после получистового точения:

ρ3 = 0,076/2,56=0,029 мм.

после чистового точения:

ρ4= 0,029/2,56=0,012 мм.

после термической обработки остаточное пространственное отклонение определим по формуле (1.12), а коробление поверхности определим по формуле (1.17):

 мм. (1.17)

мм.

после чернового шлифования:

ρ5= 0,099/2,56 =0,039 мм.

после чистового шлифования:

ρ6= 0,039/1,6 =0,024 мм.

после тонкого шлифования:

ρ7= 0,024/1,6 =0,015 мм.

Погрешность установки для первого перехода в трёхкулачковом патроне равна: мм.

Погрешность установки  заготовки в центрах рассчитывается по формуле:

, мм (1.18)

где - погрешность базирования, вызванная неточностью размера базы, возникает при базировании по поверхностям вращения;

- погрешность базирования, вызванная неточностью формы и шероховатостью базы;

 - погрешность закрепления;

- погрешность приспособления.

Принимаем , так как конусы центровых отверстий без зазора контактируют с конусами центров при любом значении диаметра центрового отверстия в пределах его допуска. Из-за малого значения погрешности формы центровых отверстий по сравнению с другими составляющими припуска можно принять . Так как сила прижима со стороны заднего центра действует перпендикулярно направлению отсчета припуска, погрешность закрепления возникает лишь в осевом направлении. Для радиального направления следует принять . Погрешностью изготовления и настройки центров и их износом за время обработки партии деталей пренебрегаем из-за их малости и принимаем . Таким образом , так как равны нулю все ее слагаемые. Так как условия установки для выполнения всех остальных переходов одинаковы, то .

Минимальные двухсторонние припуски для отдельных переходов мехобработки определяем по формуле:

 мм (1.19)

- для чернового точения:

 мм.

для получистового точения:

 мм.

для получистового точения:

мм.

для чистового точения:

мм.

для чернового шлифования:

мм.

для чистового шлифования:

мм.

для тонкого шлифования:

мм.

Минимальные размеры для каждого перехода определяем, начиная с последнего перехода, формирующего размер поверхности готовой детали.

Для тонкого шлифования:

 мм.

Для предыдущих переходов:

 (1.20)

для чистового шлифования:

min = 60,02+0,066 = 60,086 мм.

для чернового шлифования:

min = 60,086+0,123 = 60,209 мм.

для чистового точения:

min = 60,209+0,278 = 60,487 мм.

для получистового точения:

min = 60,487+0,208 = 60,695 мм.

для получистового точения:

min = 60,695+0,452 = 61,147 мм.

для чернового точения:

min = 61,147+0,868 = 62,015 мм.

для штамповки:

min = 62,015+1,41 = 63,425 мм.

Максимальные размеры для каждого перехода:

 (1.21)

max= 60,02 +0,013 = 60,033 мм.

для чистового шлифования:

max= 60,086 +0,019 = 60,105 мм.

- для чернового шлифования:

A5max = 60,209+0,03 = 60,239 мм.

для чистового точения:

max = 60,487+0,046 = 60,533 мм.

для получистового точения:

max = 60,695+0,12 = 60,815 мм.

для получистового точения:

max = 61,147+0,3 = 61,447 мм.

для чернового точения:

max = 62,015+0,74 = 62,755 мм.

для штамповки:

max =63,425+3,6 = 67,025 мм.

Максимальный двухсторонний припуск для каждого перехода мехобработки определяется по формуле:

 (1.22)

для тонкого шлифования:

Z7max =60,105-60,033 = 0,072 мм.

для чистового шлифования:

Z6max =60,239-60,105 = 0,134 мм.

для чернового шлифования:

Z5max =60,533-60,239 = 0,294 мм.

для чистового точения:

Z4max =60,815-60,533 = 0,282 мм.

для получистового точения:

Z3max =61,447-60,815 = 0,632 мм.

для получистового точения:

Z2max =62,755-61,447 = 1,308 мм.

для чернового точения:

Z1max =67,025-62,755 = 4,27 мм.

Общий двухсторонний минимальный припуск определяем по формуле, удвоив правую и левую ее части:

 (1.23)

∙Z∑min =1,41+0,868+0,452+0,208+0,278+0,123+0,066 = 3,405 мм;

Общий двухсторонний максимальный припуск определяем по формуле, удвоив правую и левую ее части:

 (1.24)

Z∑max =4,27+1,308+0,632+0,282+0,294+0,134+0,072 = 6,992 мм;

Выполним проверку правильности арифметических расчетов припусков по формуле, удвоив правую и левую ее части:

 (1.25)

где TA0 - допуск размера заготовки;- допуск размера готовой детали.

Z∑max =6,992=3,405+3,6-0,013 = 6,992 мм.

Результат расчета правой части совпадает со значением , что свидетельствует о правильности расчетов.

Следовательно, расчёты межоперационных припусков произведены правильно.

Все расчёты параметров припусков сведём в таблицу 1.6.

Общий номинальный двухсторонний припуск определим по формуле, удвоив припуски в правой и левой ее части и учитывая отклонения диаметров заготовки и детали:

Z∑ном = 2Z∑min - EI0 + EIм, мм (1.26)

Z∑ном = 3,405+1,2+0,02=4,625 мм.

Таблица 1.6 - Составляющие припусков, предельные припуски и размеры

 Номер перехода

Наименование перехода

Допуск, ТAi, мм

Составляющие минимального припуска, мм

Предельные припуски, мм

Предельные размеры, мм




Rzi

hi

ρi

εyi

2Zimin

2Zimax

Aimin

Aimax

0

Горячая штамповка

3,6

0,2

0,25


-

-

-

63,425

67,025

1

Черновое точение

0,74

0,14

0,1

0,244

0,14

1,41

4,27

62,015

62,755

2

Получистовое точение

0,3

0,1

0,05

0,095

0

0,868

1,308

61,147

61,447

3

Получистовое точение

0,12

0,05

0,025

0,037

0

0,452

0,632

60,695

60,815

4

Чистовое точение

0,046

0,02

0,02

0,015

0

0,208

0,282

60,487

60,533


Термообработка




0,089






5

Черновое шлифование

0,03

0,0125

0,01

0,035

0

0,278

0,294

60,209

60,239

6

Чистовое шлифование

0,019

0,01

0,008

0,022

0

0,123

0,134

60,086

60,105

7

Тонкое шлифование

0,013

0,0063

0,005

0,014

0

0,066

0,072

60,02

60,033

Предельные общие припуски обработки цилиндра ∅60

2Z∑min

2Z∑max

 


3,405

6,992

 


На основании заполненной таблицы 1.6 составляем схему расположения припусков, допусков и предельных размеров, представленную на рисунке 1.10.

Рисунок 1.10 - Схема расположения припусков, допусков и предельных размеров для наружной цилиндрической поверхности

Произведём расчет припусков на обработку поверхности Æ18+0,043.

Обработку производим в следующей последовательности:

. Сверление IT=11, TD1= 0,11 мм;

. Зенкерование IT=9, TD2=0,052 мм;

. Развёртывание окончательное IT=8, TD3=0,043 мм;

Переход 1-3 выполняется на агрегатно-сверлильном полуавтомате БС-533. В качестве приспособления используется установочное приспособление.

Определим составляющие минимальных припусков Rzi-1 и hi-1 для поверхностей, получаемых после каждого перехода:

- для поверхности после сверления Rz1=0,05 мм, h1=0,04 мм;

для поверхности после зенкерования Rz2=0,015 мм, h2=0,02 мм;

для поверхности после развёртывания Rz3=0,01 мм, h3=0,01 мм.

Пространственное отклонение формы и расположения поверхности отверстий после сверления рассчитываем по формуле:

, мм (1.27)

Значения  для припусков на другие переходы определим:

- после сверления:

 мм.

после зенкерования:

ρ1 = 0,308 /2,56 =0,12 мм.

после развёртывания:

ρ2 = 0,12/1,6=0,075 мм.

Погрешность установки заготовки определяем по формуле:

, мм (1.28)

где εп=0,02 мм - погрешность установки приспособления на станке (так как приспособление в процессе трех переходов перемещается вместе с заготовкой по разным позициям, то принимаем эту погрешность равной погрешности позиционирования агрегатного станка, εпоз = 0,02 мм);

εЗ=0 - так как сила зажима действует в направлении перпендикулярном рассчитываемому припуску;

εБ=0 - так как заготовка базируется по оси центров.

Тогда погрешность установки:

мм.

Минимальные двухсторонние припуски для отдельных переходов мехобработки определяем по формуле:

- для зенкерования:

мм.

для развёртывания:

 мм.

Минимальные размеры для каждого перехода определяем, начиная с последнего перехода, формирующего размер поверхности готовой детали:

для развёртывания:

max = 18+0,043=18,043 мм.

для зенкерования:

max = 18,043-0,31=17,733 мм.

после сверления:

A1max = 17,733-0,796=16,937 мм.

Максимальные размеры для каждого перехода:

- для развёртывания:

min = 18,043-0,043=18 мм.

для зенкерования:

min =17,733-0,052=17,681 мм.

для развёртывания:

min = 16,937-0,11=16,827 мм.

Максимальный двухсторонний припуск для каждого перехода мехобработки:

для развёртывания:

Z2max =18-17,681=0,319 мм.

для зенкерования:

Z1max =17,681-16,827=0,855 мм.

Общий двухсторонний минимальный припуск определяем по формуле, удвоив правую и левую ее части:

∙Z∑min =0,796+0,31= 1,106 мм.

Общий двухсторонний максимальный припуск определяем по формуле, удвоив правую и левую ее части:

Z∑max =0,855+0,319=1,174 мм.

Выполним проверку правильности арифметических расчетов припусков по формуле, удвоив правую и левую ее части:

 (1.29)

где TA0 - допуск размера после зенкерования;- допуск размера готовой детали.

Z∑max =1,174=1,106+0,11-0,043=1,174 мм.

Результат расчета правой части совпадает со значением , что свидетельствует о правильности расчетов.

Следовательно, расчёты межоперационных припусков произведены правильно.

Все расчёты параметров припусков сведём в таблицу 1.7.

Общий номинальный двухсторонний припуск определим по формуле, удвоив припуски в правой и левой ее части и учитывая отклонения диаметров заготовки и детали:

Z∑ном = Z∑min + ES0 - ESм, мм (1.30)

Z∑ном = 1,106+0,11-0,043=1,173 мм

Таблица 1.7 - Составляющие припусков, предельные припуски и размеры

Номер перехода

Наименование перехода

Допуск, ТAi, мм

Составляющие минимального припуска,мм

Предельные припуски, мм

Предельные размеры, мм




Rzi

hi

ρi

εyi

2Zimin

2Zimax

Aimin

Aimax

0

Сверление

0,11

0,05

0,04

0,308

0

-

-

16,827

16,937

1

Зенкерование

0,052

0,015

0,02

0,12

0

0,796

0,855

17,681

17,733

2

Развёртывание

0,043

0,01

0,01

0,075

0

0,31

0,319

18

18,043

Предельные общие припуски обработки отверстий ∅18

2Z∑min

2Z∑max

 


1,106

1,174

 



На основании заполненной таблицы 1.7 составляем схему расположения припусков, допусков и предельных размеров, представленную на рисунке 1.11.

Рисунок 1.11 - Схема расположения припусков, допусков и предельных размеров для наружной цилиндрической поверхности

.12 Расчёт режимов резания

Расчет режимов резания на два перехода производится по эмпирическим формулам источника [3].

. Произведём расчёт режимов резания для сверления 8-ми отверстий во фланцевой части заготовки. Данный переход осуществляется на агрегатной операции 020. Глубина резания равна половине диаметра сверла (Æ17 мм) t=8,5 мм. В зависимости от диаметра сверла, твердости обрабатываемого материала и с учетом поправки на достижение более высокого качества отверстия в связи с последующими операциями зенкерования и развертывания выбираем подачу сверла sо = 0,35 мм/об [3]. Скорость резания при сверлении рассчитывается по следующей формуле:

 м/мин (1.31)

где Т - период стойкости и показатели степеней находим для сверления напроход сверлом Æ17 из Р6М5 с подачей s = 0,35 мм/об по таблицам [3]:

СV = 9,8; q = 0,4; y = 0,5; m = 0,2; T = 45 мин;= 17 - диаметр инструмента, мм;= 0,35 - подача, мм/об.общий поправочный коэффициент на скорость резания, учитывающий фактические условия резания:

= KМVх KlVх KИV, (1.32)

где KМV - коэффициент, учитывающий качество обрабатываемого материала;- коэффициент, учитывающий глубину сверления;ИV - коэффициент, учитывающий материал инструмента.

 (1.33)

где sB = 650 МПа - физический параметр, характеризующий предел прочности материала при растяжении;

КГ и nv - коэффициент и показатель степени, характеризующие группу стали по обрабатываемости (сталь 45 обрабатывается сверлами из быстрорежущей стали).

ИV = 1 (материал - Р6М5); KГV = 1 - определяем по [3].

Тогда KV = 1,14х1х1 = 1,14.


Частота вращения сверла:


Так как обработка ведется на агрегатном станке, то настраиваем коробку на частоту равную стандартной n = 570 об/мин.

Уточним скорость резания:


Крутящий момент Mкр:

 Н∙м (1.34)

Коэффициенты и показатели степеней определяем для стали 45 и материала сверла Р6М5: СМ = 0,0345; у = 0,8; q = 2.

Коэффициент, учитывающий условия обработки КР = КМР.

КМР определяется для сверла из Р6М5 по формуле:

 (1.35)

Осевая сила:

 Н (1.36)

Коэффициент СР и показатели степеней определяем по таблицам [3]:

СР = 68; у = 0,7; q = 1.


Так как одновременно обрабатываются 8 отверстий, то:


Тогда мощность резания:

 (1.37)

Для обеспечения необходимой мощности в сверлильной головке агрегатного станка БС-533 должен быть установлен асинхронный двигатель с мощностью на 10…15% больше расчетной.

Произведем расчет основного времени:

 (1.38)

где l1+ l2 = 6 мм - суммарная величина врезания и перебега;= 18 мм - длина отверстия.


2. Произведём расчёт режимов резания при черновом точении наружного диаметра диска фланца на токарно-автоматной операции 005.

Обработка ведется проходным резцом с пластиной из Т15К6.

Глубина резания t = 3,25 мм.

Для чернового точения выбираем подачу для материала Т15К6 по [3] S = 0,8 мм.

Скорость резанья при точении:

 м/мин (1.39)

Период стойкости Т и показатели степеней находим по таблицам [3]:

СV = 280; x = 0,15; y = 0,45; m = 0,20; T = 50 мин.

Общий поправочный коэффициент на скорость резания, учитывающий фактические условия резания:

= KМV× KПV× KИV, (1.40)

где KМV - коэффициент, учитывающий качество обрабатываемого материала;ПV - коэффициент, учитывающий состояние поверхности заготовки;ИV - коэффициент, учитывающий материал инструмента.

 (1.41)

где sB = 650 МПа - физический параметр, характеризующий предел прочности материала при растяжении;

КГ и nv - коэффициент и показатель степени, характеризующие группу стали по обрабатываемости (сталь 45 обрабатывается резцом с пластиной из Т15К6).

ИV = 1 (для Т15К6); KПV = 0,8 (для поковки) - по таблицам [3].= 1,15х0,8х1 = 0,94.

Определяем скорость резания:


Частота вращения заготовки:


Принимаем по паспорту станка n = 160 oб/мин.

Уточним скорость резания:


Главная составляющая силы резанья при точении, Н:

 (1.42)

Коэффициенты и показатели степеней определяем для резца с пластиной из Т15К6 по таблицам [3]:

СР = 300; х = 1; у = 0,75; n = -0,15.

Определим поправочный коэффициент:

 (1.43)

КМР определяется по формуле:


Коэффициенты, учитывающие влияние геометрии резца на силу резания определим по таблицам [3]:

Кφр = 1,0; Кγр = 1,0; Кλр = 1,0; Кrр = 1,0.

Тогда тангенциальная сила резанья при продольном точении равна:


Определяем мощность, затрачиваемую на резание:

 (1.45)

Предварительно выбранный станок 1Б284 может обеспечить черновую обработку наружной цилиндрической поверхности.

Определяем основное время То:

 мин (1.46)

где Sо - оборотная подача, об/мин.

мин.

На все остальные операции режимы резания определим по нормативам, приводимым в технических справочнике [3], и полученные результаты расчетов режимов резания сведём в таблицу 1.8.

Таблица 1.8 - Сводная таблица режимов резания

№ операции

Наименование операции или перехода

t, мм

S, мм/об

T, мин

n, мин-1

V, м/мин

To, мин

Lр.х., мм

1

2

3

4

5

6

7

8

9

005

Токарно-автоматная


Черновое точение в размер Æ220-1,15

3,25

0,8

50

160

110,5

0,19

24,5


Подрезание торцев в размеры Æ142max, 18±0,35, Æ165±0,3

2,25; 2,25; 3,25

0,4

50

80

60,8

1,21

39


Точить фаски в размер 1,6х45°

1,6

0,8

50

80

60,8

0,03

2

010

Токарно-автоматная


Подрезание торцев в размеры 179±0,5, 2+0,4

2,25; 1,25

0,4

50

80

60,8

1,92

73


Точить фаски в размер 6х45°

2

0,8

50

80

60,8

0,05

3


Точить поверхности, выдерживая размеры Æ62-0,74, Æ52-0,74, Æ77-0,74 43,5, 27,8

3

0,6

50

375

94,2

0,58

131

015

Двухсторонне-центровальная


Сверление центровых отверстий R5 на глубину 14min

2,5

0,1

25

800

15,8

0,2

16

020

Агрегатная


Сверление 8 отв. Æ17

8,5

0,35

45

570

27,4

0,22

43


Зенкерование 8 отверстий Æ17,7

0,43

0,35

30

570

27,4

0,1

20


Зенкование фасок 2,5х30°

2,5

0,35

30

570

27,4

0,01

2,5


Развёртывание 8 отверстий Æ18

0,15

0,9

40

90

5

0,49

40


Сверление 2-х отверстий в размеры Æ10,3, 35min, 30±0,42

5,15

0,25

45

700

22,4

0,25

44


Зенкерование 2-х отверстий в размеры Æ10,7, Æ16, 1,6, 35min, 30±0,42

0,2; 1,6

0,3

30

500

15

0,28

42

025

Вертикально-сверлильная


Зенкование фасок 1х45°

1

0,3

30

160

9

0,32

2

030

Резьбонарезная


Нарезать резьбу, выдерживая размеры М12х1,25-6Н, 24min

1,25

0,6

100

250

9

0,32

24

035

Токарно-гидрокопировальная


Точение получистовое посадочных шеек

0,7

0,4

50

400

94,2

0,99

159

1

2

3

4

5

6

7

8

9


Точение получистовое посадочных шеек

0,34

0,3

50

400

94,2

1,32

159


Точение чистовое посадочных шеек в размеры Æ60,5-0,046, Æ50,5-0,046, Æ75,5-0,046

0,15

0,2

50

500

117,8

1,59

159


Точение канавки с фаской в размеры Æ49,5, 28±0,65, 2,5±0,5х30°

0,5; 2,5

0,5

50

500

117,8

0,02

6

040

Шлицефрезерная


Фрезерование шлицев, выдерживая размеры 57+4,6, Æ50-0,6

4,85

1,25 на оборот заготовки

130

nфр= 100 n1заг=8,3

Vфр=31,4 V1заг=1,5

3,7

107

060

Круглошлифовальная


Однократное шлифование поверхность, выдерживая размеры , 59,52

0,25

0,075

30

nкр= 1250 nзаг= 160

Vкр=35м/с Vзаг=30,1м/с

0,06

0,25

065

Круглошлифовальная


Предварительное шлифование поверхности в размеры Æ50,2-0,046

0,15

0,05

30

nкр= 1250 nзаг= 200

Vкр=35 м/с Vзаг=31,4м/с

0,03

0,15


Окончательное шлифование поверхности окончательно в размеры Æ50±0,008

0,1

0,005

30

nкр= 1250 nзаг= 160

Vкр= 35 м/с Vзаг=30,8м/с

0,04

0,1

070

Торцекруглошлифовальная


Черновое шлифование 2-х шеек в размеры Æ75,23-0,046, 15min, Æ60,26-0,03

0,135

0,05

30

nкр= 1000 nзаг= 160

Vкр=35м/с Vзаг=37,7м/с

0,02

0,135


Одновременное чистовое шлифование поверхности в размер Æ60,1-0,019 , Æ75-0,074, 15min

0,125

0,005

30

nкр= 1000 nзаг= 100

Vкр=35м/с Vзаг=23,6м/с

0,03

0,125


Тонкое шлифование поверхности в размеры , 43±0,8

0,05

0,001

30

nкр= 1250 nзаг= 100

Vкр= 35 м/с Vзаг=18,8м/с

0,03

0,05

075

Полировальная


Полирование наружной поверхности в размеры Æ75-0,074; 15min

-

-

-

nкр= 1000 nзаг= 80

Vкр=35м/с Vзаг=20м/с

0,15

-

Примечание:

расчёт произведён для двухзаходной червячной фрезы.

.13 Выявление и расчёт технологической размерной цепи

При разработке технологических процессов механической обработке заготовок деталей машин технологу часто приходится вместо конструкторских размеров использовать иные размеры и определять допуски на них, но так, чтобы в результате их выполнения обеспечивались размеры и допуски, установленные чертежом детали. Определение технологических размеров и допусков должно производиться на основе выявления и расчёта технологических размерных цепей, выражающих связь размеров обрабатываемой детали по мере выполнения технологического процесса.

Рассмотрим размерную цепь, возникающую при чистовом точении канавки на посадочной шейке в направлении параллельном оси заготовки. После выполнения токарного перехода по обработке поверхности канавки размер между её торцом и ближайшим в осевом направлении будет равен 28±0,65 мм. Данный размер отсчитывается не от технологической базы (внешнего торца цилиндра фланцевой части ∅220 мм), а от предварительно обработанной поверхности торца стержневой части фланца. При этом не соблюдается принцип единства технологической и измерительной базы поэтому необходимо рассчитать размеры А1 и А2, на которые будет настраиваться инструмент. В размерную цепь входят следующие размеры: расстояние от технологической базы до ранее обработанной поверхности, от которой проставлен чертежный размер; расстояние от технологической базы до обрабатываемой поверхности.

Произведём расчёт технологической размерной цепи, используя методику, приведенную в [13].

Размерная цепь имеет вид:

Рисунок 1.12 - Технологическая размерная цепь

Составляющими звеньями являются: уменьшающее звено А2, увеличивающее звено А1=179 мм. Номинальный размер звена:

А2= А1-AΔ=179-28=151 мм. (1.47)

К замыкающему звену предъявляются следующие требования:


Величина единицы допуска для каждого составляющего звена:

, мкм (1.50)

где Ас.г. j - среднее геометрическое границ интервала размеров, в который попадает Аj.

, (1.51)

где Amin и Amax - границы интервала размеров в таблице допусков, в который попадает номинальный размер составляющего звена.

.

Связь между допуском замыкающего звена и допусками составляющих звеньев устанавливается способом одинакового квалитета. Найдём количество единиц допуска:

(1.52)

где ij- единица допуска j-го звена.


По полученному значению аС назначаем допуски и предельные отклонения по 13 квалитету точности на все звенья, кроме замыкающего и корректирующего:

ТА1=630 мкм; А1=179-0,63 мм.

Расчет допуска корректирующего звена:

 мкм (1.53)

ТА2=1300-630=670 мкм.

Расчет координаты середины поля допуска составляющих звеньев:

 мкм (1.54)=0-630/2= -315 мкм.

Расчет координаты середины поля допуска корректирующего звена:

 (1.55)

где - ξ коэффициент для увеличивающего звена - 1, для уменьшающего звена - ( -1).

А2=1/-1∙(0-(-315))= -315 мкм.

Расчет предельных отклонений корректирующего звена:


В итоге расчета размерной цепи получили следующие размеры:


Сделаем вывод о годности принятого технологического процесса для получения размеров с найденной точностью. Для этого сравним допуски полученных размеров с допусками соответствующими средней экономической точности принятых методов обработки. Так как размеры А1 и А2 имеют допуск по 13 квалитету соответственно, а принятый технологический процесс обеспечивает получение данных размеров по 12-13 квалитету, то принятые методы обработки являются приемлимыми для обеспечения требуемой точности получения размеров.

.14 Определение норм времени технологических операций

Расчёт норм времени подробно приведем для токарно-гидрокопировльной операции 035 по методике [4].

Основное время на операции равно суммарному времени переходов, так как используется последовательная схема работы суппортов:

То = То1+То2+То3+То4.

То = 0,99+1,32+1,59+0,02=3,92 мин.

Определяем вспомогательное время:

Тв =Тус+Тзо+Туп+Тиз+Тконв, мин (1.58)

где Тус = 0,168 мин - время на установку и снятие детали в специальный пневмопатрон с плавающим центром;

Тзо = 0,036 мин - время на открепление и закрепление детали рукояткой пневматического зажима;

Тконв = 0,144 мин - время на снятие и навешивание детали на конвейер;

Туп = 0,275 мин - время на приёмы управления:

включить станок кнопкой - 0,015 мин;

подвод копировального суппорта к заготовке и его отвод - 0,2 мин;

подвод и отвод поперечного суппорта - 0,06 мин

Определим время на измерение детали (контроль выдерживаемых на операции параметров, осуществляемый на рабочем месте):

время на измерение калибром-скобой - 0,05 мин (всего 3 измерения);

время на измерение шаблоном - 0,044 мин (всего 1 измерение);

время на измерение штангенциркулем - 0,06 мин. (всего 1 измерение).

время на измерение фаскомером (радиусомером) - 0,02 мин (всего 2 измерения);

Тиз = (0,05∙3+0,044+0,06+2∙0,02) = 0,294 мин - время на измерение детали. Так как полное время измерения одной детали 0,294 мин меньше основного времени обработки, то совмещаем время на измерение с основным и в дальнейших расчетах не учитываем.

Тв = 0,168+0,036+0,275+0,144 = 0,619 мин.

Оперативное время:

Топ = Тв + То, мин (1.59)

Топ = 0,619+3,92 = 4,539 мин.

Время на обслуживание рабочего места определяется как:

Тобс = Ттех + Торг, мин (1.60)

где Ттех - время технического обслуживания, затрачиваемое на уход за рабочим местом в течение данной конкретной работы, мин;

Торг - время организационного обслуживания, затрачиваемое на уход за рабочим местом в течение всей смены, мин.


где tсм = 3,6 мин - время на смену резцовых блоков в копировальном и поперечном суппортах;

Т = 50 мин - стойкость резца.

Ттех =  = 0,282 мин.

Торг = 0,082 мин - 1,8% от Топ.

Тобс = 0,282 + 0,082 = 0,364 мин.

Определим время на перерывы, отдых и личные надобности (составляет 6% от Топ):

Тотд = 4,539∙6/100 = 0,272 мин.

Далее определяем норму штучного времени:

Тшт = Тосн+ Твсп + Тобс+ Тотд , мин (1.62)

Тшт = 3,92+0,619+0,364+0,272 = 5,175 мин.

Результаты расчета норм времени для всех операций сведем в таблицу 1.9.

Таблица 1.9 - Технические нормы времени по операциям, мин

№ операции

Наименование операции

Тв

То

Топ

Тобс+Тотд

Тшт.



Тус

Тзо

Т1уп

Т2из

Т4конв





005

Токарно-автоматная

0,15

0,036

0,275

(0,144)

0,144

1,43

2,035

0,159

2,194

010

Токарно-автоматная

0,17

0,036

0,275

(0,266)


2,55

3,175

0,248

3,423

015

Двухсторонне-центровальная

0,11

0,036

0,2

(0,045)


0,2

0,69

0,054

0,744

020

Агрегатная

0,2

0,036

0,35

(0,15)


1,35

2,08

0,162

2,242

025

Вертикально-сверлильная

0,11

0,036

0,815

(0,01)


0,32

1,425

0,111

1,536

030

Резьбонарезная

0,2

0,036

0,2

(0,05)


0,32

0,9

0,07

0,97

035

Токарно-гидрокопировальная

0,168

0,036

0,275

(0,294)


3,92

4,539

0,354

4,893

040

Шлицефрезерная

0,168

0,036

0,115

(0,04)


3,7

4,163

0,325

4,488

060

Круглошлифовальная

0,168

0,036

0,1

(0,05)


0,06

0,508

0,039

0,547

065

Круглошлифовальная

0,168

0,036

0,1

(0,05)


0,07

0,518

0,04

0,558

070

Торцекруглошлифовальная

0,168

0,036

0,1

(0,06)


0,08

0,528

0,041

0,559

075

Полировальная

0,168

0,036

0,1

(0,02)


0,15

0,598

0,047

0,645

Примечания

с учетом времени на холостые ходы

контролю на рабочем месте подлежат 15% деталей

нормы времени, приведенные в скобках, совмещены с основным временем

Тконв (время на снятие и навешивание детали на конвейер)

.15 Определение количества основного технологического оборудования и его загрузки

Необходимое количество станков S для выполнения годовой программы выпуска определяется по формуле, исходя из [1]:

 (1.63)

где Si - количество единиц оборудования для выполнения одной операции;

Тшт. - штучное время обработки изделия на данной операции, мин;- количество изделий, подлежащих обработке в год;= 4015 - действительный годовой фонд времени работы оборудования, час;

Кв = 1,1…1,3 - коэффициент выполнения норм времени.

Коэффициент загрузки оборудования согласно [1]:

, (1.64)

где Sпр - принятое количество станков.

Операция 005

; Sпр=1; .

Операция 010

; Sпр=1; .

Операция 015

; Sпр=1; .

Операция 020

; Sпр=1; .

Операция 025

; Sпр=1; .

Операция 030

; Sпр=1; .

Операция 035

; Sпр=1; .

Операция 040

; Sпр=1; .

Операция 060

 Sпр=1; .

Операция 065

 Sпр=1; .

Операция 070

 Sпр=1; .

Операция 075

 Sпр=1; .

На основании рассчитанных коэффициентов строим график загрузки оборудования.

Рисунок 1.13 - График загрузки оборудования

.16 Уточнение типа производства по коэффициенту закрепления операции

Уточнённый расчёт типа производства производится на основе определения коэффициента закрепления операции согласно [1]:

, (1.65)

где n - количество всех различных технологических операций, выполняемых в течение года.

Р - число рабочих мест, необходимых для выполнения производственной программы.

В предыдущем пункте мы определили коэффициенты загрузки оборудования разработанного техпроцесса. На тех операциях, где он меньше нормативного для массового производства (η = 0,8), станки будем догружать операциями из технологических процессов производства других фланцев данного типа, производящихся на предприятии, организуя многономенклатурную поточную линию. При этом упрощенно считаем, что операции из техпроцессов-аналогов загружают станки также как и одноименные операции из проектируемого техпроцесса.

Определим количество операций, выполняемых на каждом рабочем месте за год при нормативной загрузке оборудования согласно [1]:

, (1.66)

где η = 0,8 - нормативный коэффициент загрузки станков для крупносерийного типа производства;

ηi - коэффициент загрузки станка на каждой операции.

Операция 005:

= 0,8/0,248 = 3,22.

Операция 010:

= 0,8/0,387 = 2,07.

Операция 015:

= 0,8/0,1 = 8.

Операция 020:

= 0,8/0,254 = 3,15.

Операция 025:

= 0,8/0,174 = 4,59.

Операция 030:= 0,8/0,11 = 7,27.

Операция 035:

= 0,8/0,554 = 1,44.

Операция 040:

= 0,8/0,51 = 1,57.

Операция 060:

= 0,8/0,07 = 11,42.

Операция 065:

= 0,8/0,08 = 10.

Операция 070:

= 0,8/0,08 = 10.

Операция 075:

= 0,8/0,1 = 8.

Тогда коэффициент закрепления операций:

Кзо = (3,22+2,07+8+3,15+4,59+7,27+1,44+1,57+11,42+10+10+8)/12 = 5,89

Тип производства по ГОСТ 3.1108-74 характеризуется коэффициентом закрепления операций:

…10 - массовое и крупносерийное;

…20 - среднесерийное;

Так рассчитанное значение Кзо близко к 10, то можно сделать вывод о том, что предварительный выбор крупносерийного типа производства для выполнения требуемой годовой программы выпуска детали "Фланец 82-2308017" (30000 штук) верен.

2 Расчет и проектирование средств технологического оснащения

.1 Проектирование и расчет станочного приспособления для точения поверхностей 220h14 и 18h13

.1.1 Служебное назначение и описание конструкции приспособления

В качестве рабочего приспособления на токарном полуавтомате 1Б284, учитывая характер производства, будет служить проектируемое устройство - патрон трёхкулачковый. Для сокращения времени на установку заготовки на станке, а также повышения точности и надежности ее крепления широко используется механизированный привод к токарному патрону. Механизированные зажимные устройства обеспечивают постоянство сил зажима для всех деталей партии и облегчают труд рабочего при креплении заготовок на станке.

Приспособление "Патрон трёхкулачковый" 7122-5930 будет предназначено для базирования и закрепления заготовки на операции 005 - токарно-автоматная (черновое точение наружного цилиндра, 2-х торцевых поверхностей, и 2-х фасок фланцевой части детали на 6-шпиндельном вертикальном токарном полуавтомате 1Б284)

Базирование заготовки будет происходить по наружной цилиндрической поверхности стрежневой части детали и по выемке на внутренней поверхности фланцевой части детали. В осевом направлении перемещение заготовки будет ограничиваться упором в выемку на внутренней поверхности фланцевой части детали. В данном случае двойной направляющей базой является ось наружного цилиндра стрежневой части заготовки, а упорной базой - поверхность контакта упора приспособления с выемкой.

Рисунок 2.1 - Схема базирования заготовки в приспособлении

Приспособление будет устанавливаться на станок, базируясь по поверхности основания Æ250Н7 и буртику высотой 8мм.

Приспособление будет иметь несложную конструкцию, что будет говорить о его невысокой стоимости, но и обеспечит невысокую точность базирования, поэтому данное приспособление будет использоваться только на первой черновой операции для получения промежуточных баз.

Зажим будет происходить следующим образом:

Заготовка будет устанавливаться в приспособление до упора (позиция 3), ограничивающего осевое перемещение. После чего от пневмоцилиндра через шток и тягу (позиция 6) будет приходить в движение три кулачка (позиуия 4), закрепляющих заготовку. Преобразование осевого движения тяги в радиальное движение кулачков объясняется скольжением конической поверхностью самих кулачков с углом скоса клина = 15 0 по прилегающей к ней конической поверхности втулки (позиция 8). После зажима кулачки будут придавать заготовке верное радиальное положение. В тяге и кулачках будут выполнены канавки для размещения в них разжимных колец (позиция 7), это необходимо для лучшего отвода кулачков при откреплении заготовки.

Приспособление будет являться специальным, однако его можно будет переналадить на обработку заготовок другого типоразмера (переналадка производится путем замены 3-х кулачков и упора).

Конструкция патрона показана на рисунке 2.2.

Рисунок 2.2 - Специальный 3-кулачковый патрон с механизированным приводом

.1.2 Расчет сил зажима заготовки

Заготовка диаметром 65 мм установлена в 3-х кулачковом патроне и находится под действием крутящего момента Мр, создаваемого главной составляющей силы резания. Создаваемые силой W моменты трения Мтр1 (в контакте кулачков с наружной цилиндрической поверхностью заготовки) и Мтр2 (в контакте упоров с поверхностью выемки на внутреннем торце фланцевой части заготовки) противодействуют повороту заготовки.

Рисунок 2.3 - Схема действия силы и момента

Рассмотрим неблагоприятные варианты потери равновесия заготовки.

Условие равновесия, когда на заготовку действует крутящий момент от сил резания согласно формуле [5]:

, (2.1)

где f1 - коэффициент трения, f1 = 0,35;- радиус заготовки, по которому происходит обжим кулачков, r = 0,065 м;

Мр - крутящий момент при точении;- коэффициент запаса, учитывает неточность расчетов, непостоянство условий обработки и закрепления заготовки.

Коэффициент запаса определим дифференцированно согласно формуле [5], как произведение коэффициентов, отражающих поправки на различных этапах расчета:

 (2.2)

где к0 - гарантированный коэффициент запаса зажимной силы, к0 = 1,5;

к1 - коэффициент, учитывающий черновую токарную обработку, к1 = 1,4;

к2 - коэффициент, учитывающий увеличение сил резания от прогрессирующего затупления режущего инструмента в процессе обработки, к2=1,15;- коэффициент, учитывающий увеличение сил резания при обработке прерывистых поверхностей, k3=1,2;

к4 - коэффициент, учитывающий постоянство зажимной силы, развиваемой приводом приспособления, k4=1,0.


Момент при резании Мр:

МР = Рz·(Do+D)/4, (2.3)

где РZ - сила резания при точении, Н.

МР = 3656,7·(0,2265+0,22)/4=408,2 Н·м.

Тогда сила, создаваемая одним кулачком:


Оценим возможность выворачивания заготовки из кулачков под действием осевой силы резания.

Определим осевую силу резания, Н:

 (2.4)

Коэффициенты и показатели степеней определяем для резца с пластиной из Т15К6 по таблицам [3]:

СР = 339; х = 1; у = 0,5; n = -0,4.

Определим поправочный коэффициент:

 (2.5)

КМР определяется по формуле [3]:

 (2.6)

Коэффициенты, учитывающие влияние геометрии резца на силу резания определим по таблицам [3]:

Кφр = 1,0; Кγр = 1,0; Кλр = 1,0; Кrр = 1,0.

Тогда тангенциальная сила резанья при продольном точении равна (недостающие данные берём из пункта 1.12):


Условие равновесия, когда на заготовку действует крутящий момент от осевой силы резания. Предполагается, что деталь может повернуться в направлении рассматриваемой силы:

 (2.7)

Тогда получаем:


Приходим к выводу, что воздействие силы Рх не достаточно для того, чтобы вывернуть заготовку из кулачков в ходе обработки.

Действием радиальной силы резания при расчёте пренебрегаем, так как её влияние незначительно.

Далее необходимо выполнить расчет и выбор силового привода патрона.

Схема для его расчета представлена на рисунке 2.4.

Рисунок 2.4 - Расчетная схема сил зажимного механизма

Сила, которую должен передавать шток пневмоцилиндра для закрепления заготовки согласно [5]:

 (2.8)

где  - угол скоса клина, = 15 0(так как клиновой механизм используется в роли механизма-усилителя, то );

 - угол трения на скосе,  = 18 0;

N - количество кулачков, N=3.

Находим диаметр поршня пневмоцилиндра:

 (2.9)

где р - давление в сети сжатого воздуха, р = 0,5 МПа мм;

 - коэффициент полезного действия пневмоцилиндра, =0,9.

Найденное значение диаметра округляем до ближайшего большего из ряда диаметров вращающихся пневмоцилиндров, регламентированных ГОСТ 21821-76. Имеем Dn=320 мм.

Усилие, развиваемое штоком пневмоцилиндра:

 (2.10)

где dш - диаметр штока, конструктивно dш = 0,25*Dn , мм.

.1.3 Расчет приспособления на точность

Цель расчета приспособления на точность заключается в определении требуемой точности изготовления приспособления по выбранному точностному параметру и задании допусков размеров деталей и элементов приспособления.

На операции 005 токарно-автоматной, для которой будет использоваться проектируемое приспособление, будет обрабатывается наружная цилиндрическая поверхность фланца, при этом будет выдерживается размер ∅220h14.

Погрешность приспособления определим по формуле [5]:

, мм (2.11)

Где

- допуск выполняемого размера ∅220h14, =1,15мм;

- коэффициент, учитывающий отклонения рассеивания значений составляющих величин от закона нормального распределения, =1,1;

- коэффициент, учитывающий уменьшение предельного значения погрешности базирования при работе на настроенных станках, =0,85;

- коэффициент, учитывающий долю погрешности обработки в суммарной погрешности, вызываемой факторами, независящими от приспособления, =0,7;

-погрешность базирования, =0,052, так как базирование приспособления происходит по цилиндру Æ250Н7 (погрешностью базирования будет являться допуск данного размера);

-погрешность закрепления, εз = 0, так как в ходе обработки партии заготовок сила закрепления остаётся постоянной;

-погрешность установки приспособления на станке, =0,14мм;

-погрешность от перекоса инструмента из-за неточности изготовления направляющих элементов приспособления, =0, так как в приспособлении отсутствуют направляющие элементы;

-экономическая точность обработки согласно [2], =0,74мм;

-погрешность положения рабочих поверхностей рабочих элементов в результате их изнашивания в процессе эксплуатации приспособления, мм.

Погрешность от изнашивания установочных элементов определяем по формуле:

εu =, мм (2.12)

где- величина износа, мм;- количество замен данного элемента приспособления в год, n = 2;

Величину износа можно определить по формуле [5]:

, мкм (2.13)

где b - постоянная, зависящая от вида установочных элементов и условий контакта (выбирается по [5]), b = 0,005;- годовой объем выпуска изделий, N=30000;

После подстановки получим:

.

Тогда погрешность от изнашивания:

εu =мм.

Теперь зная все составляющие выражения формулы (2.11) найдем погрешность приспособления:

мм.

Полученная погрешность приспособления является положительной величиной. Это говорит о том, что все учтенные погрешности в сумме меньше допуска выдерживаемого параметра, а это значит, что требуемая чертежная точность будет обеспечена (существует "запас" погрешности в 515 мкм).

Таким образом, данное приспособление позволяет обеспечить необходимую точность обработки поверхностей.

2.1.4 Расчёт приспособления на прочность

Проанализировав конструкцию приспособления, можно прийти к выводу, что одним из наиболее слабым звеном является резьбовое соединение (М20х2,5) соединяющее тягу пневмоцилиндра и тягу приспособления.

Определим прочность витков на срез согласно [5]:

, МПа (2.14)

где - усилие, развиваемое штоком пневмоцилиндра, Н;

- диаметр ненарезной части болта, мм;

- число плоскостей среза;

- допускаемое напряжение на срез (для стали 30ХГСА ).

.

Исходя из условия, прочность витков резьбы будет обеспечена.

.2 Расчёт и проектирование сборной червячной фрезы для обработки шлицев с модулем 4,5 мм

.2.1 Расчет фрезы червячной с эвольвентным шлицем

Расчет шлицевой червячной фрезы будем вести по методике [9]:

Исходные данные:

Наружный диаметр Dн шлицевого отверстия - ∅60h7;

Внутренний диаметр dв шлицевого отверстия - ∅50-0,6;

Ширина шлицев Sd1 - 7,068;

Число шлицев nz - 12;

Модуль шлицев m=4,5 мм;

Число заходов а=2;

Длина L обрабатываемой поверхности - 57 мм;

Твердость НВ - 260.

Выбор материала режущей части и корпуса фрезы:

Корпус фрезы - сталь конструкционная легированная 40X ГОСТ 4543-71. Такая сталь обладает хорошей технологичностью механической обработки и имеет невысокую стоимость.

Материал режущей части рейки - сталь инструментальная быстрорежущая Р6М5 ГОСТ 19265-73. Данная сталь пригодна для изготовления всех видов режущего инструмента, работающих в условиях черновой обработки углеродистых конструкционных сталей.

Расчётный профильный угол исходной рейки в нормальном сечении вала - an=20 о.

Шаг по нормали, между соседними профилями фрезы, определим следующим образом:

= p×mn, мм (2.15)

где mn - модуль фрезы, мм.

= 3,14×4,5=14,13 мм.

Расчётная толщина зуба по нормали:

=tu-(Sd1+DS), мм (2.16)

где Sd1 - ширина шлица, мм;

DS - величина припуска под последующую чистовую обработку, мм; для окончательной обработки DS=0.

= 14,13-7,068=7,062 мм.

Тогда высота головки зуба фрезы:

, мм (2.17)

 мм.

Высота ножки зуба фрезы:

, мм (2.18)

 мм.

Полная высота зуба фрезы:

 (2.19)

 мм.

Радиус закругления на головке и ножке зуба:

, мм (2.20)

 мм.

Принимаем r1=r2=1,2 мм.

Радиус окружности начала фаски на шлицевом валу:

Rф=Rе-с, мм (2.21)

где Rе - номинальный наружный диаметр шлицевого вала, мм;

с - величина фаски, мм

ф=30-0,5=29,5 мм.

Наружный диаметр фрезы:

³(1,5…2,0)×d+2×H, мм (2.22)

где d - диаметр обрабатываемого цилиндра, d=60 мм;- высота шлица, мм.

,мм (2.23)

 мм.³(1,5...2,0)×60+2×10,13=110,26...140,26 мм.

Из стандартного ряда, для сборной конструкции согласно ГОСТ 9324-80, принимаем: Dе=125 мм.

Тогда число зубьев фрезы:

=360°/j, (2.24)j=(De-2×hu)/De, (2.25)

где hu - высота зуба фрезы, мм.

cos j=(125-2×5,86)/125=0,906;

j=25°3¢;=360/25,04»14.

Передний угол при вершине режущей кромки - γа=0 о.

Задний угол при вершине зуба - aв=10 о.       

Величина затылования:

, мм (2.26)

 мм.

Принимаем К=5 мм.

Длина рабочей части фрезы в нашем случае:

 (2.27)

где х - коэффициент, зависящий от модуля, х=4,5.

 мм.

Принимаем L1=130 мм.

Полная длина фрезы:

=L1 +2×, мм (2.28)

где lб - длина буртика, мм.

lб=3...5 мм.=130+2×5=140 мм.

Диаметр отверстия под оправку:

 (2.29)

 мм.

Принимаем dотв=50 мм.

Диаметр выточки в отверстии:

в=dотв+2, мм (2.30)в=50+2=52 мм.

Длину шлифованной части отверстия с каждой стороны определим по формуле:

=(0,2...0,3)×L, мм (2.31)=(0,2...0,3)×140=28...42 мм.

 
Принимаем l1=30 мм.

Диаметр начальной окружности:

, мм (2.32)

 мм.

Угол подъёма витков фрезы начальной окружности:

, (2.33)

где а - число заходов фрезы.

.

w=4°31¢46¢¢.

Шаг по оси между двумя витками:

 (2.34)

 мм.

Направление витков фрезы - правое.

Допуски на все элементы червячной фрезы и технические требования для её изготовления определяем по ГОСТ 9324-80.

.3 Расчёт и проектирование скобы активного контроля при шлифовании шейки ∅50js6

.3.1 Служебное назначение и описание конструкции

Применение активного контроля позволяет повысить производительность труда, улучшить качество обработки, вести одновременное обслуживание нескольких станков, получать высокую точность деталей, использовать на этих работах операторов относительно невысокой квалификации.

Разработаем измерительную систему для непосредственного автоматического контроля размера шейки фланца в процессе окончательной обработки вала на круглошлифовальном станке методом врезания. С помощью этой системы можно измерять фланец в процессе его обработки и выключать станок, когда вал достигнет требуемого размера.

Управление станком осуществляется с помощью команд, выдаваемых установленным на станке отсчетно-коммандным устройством. Сигнал от отсчетно-коммандного устройства поступает в систему автоматического управления станком.

В процессе обработки детали, по мере снятия припуска, измерительная система непрерывно измеряет размер детали и передает отклонение размера по пневмопроводу в отсчетно-коммандное устройство, которое позволяет вести одновременно визуальный и автоматический контроль.

При визуальном контроле оператор по стрелке отсчетно-командного устройства следит за изменением размера детали и вручную изменяет режим обработки и прекращает ее при достижении деталью заданного размера.

При автоматическом контроле измерительная система без участия оператора следит за изменением размера детали и в нужный момент по результатам измерений выдает управляющие команды исполнительным органам станка на изменение режима обработки и на прекращение обработки в момент достижения деталью заданного размера, что можно визуально наблюдать по загоранию сигнальных лампочек отсчетно-командного устройства.

Скоба навесная пневматическая (рисунок 2.5) предназначена для непосредственного измерения наружного диаметра обрабатываемой детали в процессе шлифования.

Рисунок 2.5 - Скоба навесная пневматическая

В рабочем положении скоба ориентируется на поверхности контролируемой детали тремя эльборовыми наконечниками (позиция 1-3), которые находятся в плоскости, перпендикулярной к оси обрабатываемой детали.

Верхний наконечник закреплен на подвижном измерительном штоке, подвешенном к корпусу на тройных плоских пружинах. Подвижный измерительный шток имеет несущий микровинт, при помощи которого происходит тонкая настройка скобы на заданный размер. Зазоры в резьбовой паре микровинта устраняются при помощи серьги и пружины сжатия, создающей необходимое радиальное усилие. Измерительное усилие на штоке обеспечивается пружиной.

Нижний наконечник крепится к сменной губке, несущей движок с боковым наконечником. Губка может перемещаться относительно корпуса и вертикальной плоскости в направляющих, выполненных в виде треугольной призмы, и закрепляется винтами. Тем самым происходит грубая настройка скобы на размер.

К корпусу жестко прикреплен кронштейн, в котором закреплена пневматическая головка с измерительным соплом. При помощи шланга, по которому подается воздух, пневматическая головка соединена с отсчетно-командным устройством.

Скоба, посредством втулки, на которой она закреплена, шарнирно подвешена на скалке, которая крепится на штанге пружинного амортизатора. На скалке закреплен ограничитель.

Амортизатор пружинный предназначен для подвешивания навесной скобы, ввода ее в рабочее положение - на измерительную позицию и отвод скобы в исходное положение, а также обеспечивает постоянный контакт скобы с деталью в процессе обработки.

Амортизатор состоит из корпуса, в котором на подшипниках установлена ось. На конце оси жестко закреплена штанга с подвешенной через скалку измерительной скобой. В прорези второго конца оси вставлен конец пружины кручения, а второй конец пружины вставлен в прорезь второй оси, на которой жестко закреплено храповое колесо с крышкой. Крутящий момент, создаваемый пружиной, образуется при повороте крышки по часовой стрелке. Храповое колесо стопорится подпружиненной собачкой, свободно посаженной на винт, не давая колесу провернуться в обратном направлении.

Корпус амортизатора установлен на валу кронштейна, по которому он имеет возможность подниматься и опускаться, обеспечивая тем самым регулировку измерительной скобы при ее установке и отладки.

При нахождении скобы в рабочем положении, пружина кручения тянет ее вверх, обеспечивая тем самым прижим нижнего наконечника скобы к поверхности обрабатываемой детали.

При снятии скобы с детали происходит освобождение пружины кручения и скоба под действием пружины поднимается вверх до положения, пока штанга не упрется в подпружиненный плунжер.

Установка скобы в рабочее положение и возврат ее в исходное положение производится вручную.

Амортизатор крепится к кожуху шлифовального круга с помощью кронштейна с установочными болтами болтом.

В качестве отсчетно-командного пневматического устройства 2 использован типовой пневмоэлектроконтактный преобразователь БВ-6060 (рисунок 2.6).

Рисунок 2.6 - Отсчетно-командное устройство

Он предназначен для преобразования выходного сигнала (давления воздуха) измерительного устройства типа "сопло-заслонка" (скобы), связанного с контролируемым изделием, в соответствующее показание по шкале или в соответствующие электрические команды по управлению станком и световой сигнализацией.

Работа преобразователя основана на пневматическом методе измерения с применением дифференциальной пневматической схемы, основным узлом которой является сильфонный блок, состоящий из 2-х упругих чувствительных элементов - сильфонов, один из которых подключен к ветви противодавления - где давление воздуха в процессе контроля не изменяется, а другой к ветви измерения - где давление воздуха в процессе контроля изменяется и зависит от диаметра контролируемой детали.

Результат измерения определяется как разность давления в двух пневматических ветвях, питаемых от одного стабилизатора давления.

Рабочий цикл измерительной системы, предназначенной для контроля наружного диаметра детали в процессе шлифования методом врезания с применением навесной пневматической скобы осуществляется следующим образом.

В начальной фазе цикла обработки шлифовальная бабка и навесная скоба занимают исходное положение. В этот период, для исключения ложных команд, связи между электросхемами измерительной системы и станка заблокированы.

После установки в центра станка детали, осуществляется ускоренный подвод шлифовальной бабки к детали. Измерительная скоба, шарнирно подвешенная на пружинном амортизаторе, вручную накидывается на деталь, включается вращение детали, начинается процесс шлифования.

В процессе обработки, по мере снятия припуска, уменьшается диаметр шлифуемой шейки, что вызывает линейное перемещение измерительного штока и закрепленного на нем микровинта скобы, а это, в свою очередь, ведет к изменению величины измерительного зазора между соплом и микровинтом, а значит к изменению давления воздуха в измерительной ветви отсчетно-командного устройства, с которой связано сопло. Давление будет изменятся и определятся величиной зазора между соплом и микровинтом, который зависит от диаметра детали.

Таким образом, выходной сигнал (величина давления воздуха), пропорциональный текущему размеру шлифуемой шейки, поступает от измерительной пневматической скобы в отсчетно-командное устройство, где он преобразуется, обеспечивая одновременно визуальный и автоматический контроль детали.

Визуальный контроль производится по шкале 1, по которой в процессе обработки перемещается стрелка. С помощью этой стрелки оператор визуально следит за изменением размера детали и наблюдает за ходом процесса ее обработки.

Автоматический контроль осуществляется при замыкании соответствующих контактов отсчетно-командного устройства, в зависимости от выбранного цикла обработки по мере снятия припуска, и подачей электрических команд исполнительным органам станка на регулирование скорости подачи шлифовальной бабки (переключение станка с черновой обработки на чистовую или на выхаживание) и на прекращение обработки. Обработка прекращается в момент достижения деталью заданного размера при срабатывании окончательной команды и шлифовальная бабка автоматически ускоренно отводится на исходную позицию, а навесная скоба вручную снимается с детали. Электросхемы измерительной системы и станка возвращаются в исходное положение и готовы к очередному циклу.

Срабатывание предварительной и окончательной команд можно наблюдать по загоранию сигнальных лампочек 3 на передней панели отсчетно-командного устройства.

.3.2 Расчет контрольно-измерительного приспособления на точность

При расчёте данного приспособления на точность следует учесть погрешность пневмодатчика (возьмём её из паспортных данных приспособления), а также погрешность настройки приспособления на нужный размер посредством микровинта (для этого умножим угловой шаг при вращении головки микровинта на осевой шаг винта).

Для того чтобы такое приспособление обеспечивало достаточную точность и правильность контроля, требуется, чтобы его погрешность была не больше предельной допускаемой погрешности измерений согласно [5].

, (2.35)

где Еи - суммарное значение погрешностей в процессе измерения.

Допустимая погрешность измерения:

, мм (2.36)

где TD - допуск выдерживаемого размера ф50js6, мм.

Тогда:

Погрешность измерения в нашем случае:

, мм (2.37)

где - допускаемая погрешность пневмодатчика, (датчик мод. БВ-3155);

- предел допускаемой погрешности показаний отсчётно-командного устройства БВ-6060, работающего по принципу пневмоэлектроконтактного преобразователя, .

Следовательно, суммарная погрешность данного приспособления равна:

.

Так как Еи =0,002 мкм < [Еu] =0,0053 мкм, то условие выполняется. Значит, измерение размера ф50js6 будет проведено с достаточной точностью.

.4 Расчёт и проектирование подвесного конвейера

Подвесной цепной конвейер предназначен для межоперационной транспортировки деталей "Фланец 82-2308017" на линии механической обработки детали. Конвейер состоит из ходовой части - разборной цепи с каретками, движущимися по монорельсовому замкнутому пути 3.

На рабочие каретки с определенным шагом навешиваются подвески, на которые укладываются транспортируемые детали. Конвейер приводится в движение с помощью привода-натяжки, представляющим собой комбинацию привода с натяжным устройством. Предварительное натяжение цепи создается натяжным устройством.

Поворот трассы конвейера в горизонтальной плоскости осуществляется с помощью поворотных блоков и роликовой батареи.

Для исправной работы конвейера необходима правильная его эксплуатация и систематический уход. В процессе эксплуатации конвейера необходимо регулярно смазывать трущиеся части и производить замену изношенного оборудования.

Проведем расчет конвейера по методике [6]. Исходя из расположения оборудования и удобства транспортирования принимаем шаг подвесок равным среднему расстоянию между рабочими местами на участке аn = 3 м.

Определяем скорость конвейера:

=, м/мин (2.38)

где Тшт - штучное время самой продолжительной операции, (Тшт=4,893 мин.)

 м/мин.

Произведём расчёт собственного веса подвески Gn и веса полезного груза на подвеске G, используя рисунок 2.7.

Рисунок 2.7 - Схема подвески

Согласно ГОСТ 8656-68 1 м стальной трубы 15х10 мм весит 0,348 кг. Необходимая длина данной трубы составляет 2,96 м. Соответственно получаем общую массу трубы mтр=1,03 кг.

Тогда масса полок вместе с кронштейнами, учитывая, что они изготовлены из стали 20:


Определяем вес подвески:

 (2.39)

Определяем вес полезного груза на подвеске, учитывая, что на подвеске будет передвигаться 8 заготовок, Н:

 (2.40)

где mз - масса одной заготовки, кг;- ёмкость подвески.


Погонные нагрузки:

на холостой ветви:

, Н/м (2.41)

где Gn , Gk - собственный вес подвески и каретки соответственно, Gn = 50 Н,= 50 Н;, аk - шаг подвесок и кареток соответственно, аn = 3м и ak = 0,5м;ц - вес одного погонного метра тягового элемента, qц = 57 Н/м.

.

на груженой ветви:

, Н/м (2.42)

где G - вес полезного груза на подвеске, G = 807 Н.

.

Предварительное определение наибольшего натяжения цепи:

, Н (2.43)

деталь фланец мост технологичность

где So - наименьшее натяжение цепи, So =1000 Н;- суммарный коэффициент местных сопротивлений, Km = 1,08;

ω - коэффициент сопротивления на прямолинейном участке, (ω = 0,02);гр - погонная нагрузка на груженой ветви, Н/м;г - горизонтальная проекция длины загруженной ветви, Lг = 45,4м;

Б - коэффициент, зависящий от количества поворотов и перегибов и их расположения на трассе, Б = 0,5.

.

Выбираем в качестве ходовой части конвейера тяговую разборную цепь типа Р2-100-220 ГОСТ 589-64 с шагом звена 80 мм, с цилиндрическими валиками диаметром ∅12 мм. Для прохождения грузов на поворотах выбираем звездочку с делительным диаметром ∅800мм.

Произведем уточненный тяговый расчет.

Рисунок 2.8 - Расчетная схема определения натяжения цепи конвейера

Принимаем So = 700 Н. Тогда натяжение цепи в точках 1, 2, 3.

S1 = So+ ω·qгр·Lг; (2.44)=S1·ξ; (2.45)=S2+ ω·qгр·Lг. (2.46)= 700+0,02·443·45,4=1102 Н;

S2 = 1102·1,02=1124 Н;= 1124+0,02·443·45,4=1526 Н.

Наибольшее натяжение получилось в точке 3: S3 = 1526 Н. Оно на 10% отличается от приближенно подсчитанного Smax = 1699 Н.

Тяговое усилие на приводной звездочке:

, Н (2.47)

где Sнб, Sсб - сила набегания и сбегания цепи, Н.


Потребная мощность электродвигателя:

, кВт (2.48)

где  - коэффициент полезного действия электродвигателя, = 0,8.


Принимаем электродвигатель типа 4А160S8У3 мощностью N = 7,5 кВт с числом оборотов n =750 мин-1.

Величина натяжного усилия:

, Н (2.49)н=1526-700+190=1016 Н.

Масса натяжного груза определяем по уравнению:

, кг (2.50)н=1016/0,9 ·9,81=116 кг.

3. Организация работы производственного участка

.1 Выбор средств межоперационного транспортирования, организация грузопотоков

Рассматривая грузопотоки заготовок, деталей и полуфабрикатов необходимо отметить следующее. Контейнеры с заготовками, полученными штамповкой на ГКМ, подвозятся погрузчиком к токарному вертикальному полуавтомату 1Б284, на котором выполняется токарно-автоматная операция 005. После выполнения операции 005 полуфабрикаты вешаются на специальные полки подвесок цепного подвесного конвейера, при помощи которого осуществляется транспортирование полуфабрикатов по всем остальным операциям технологического процесса. Необходимо отметить, что после контрольной операции 050 полуфабрикаты складируются в контейнер, который в свою очередь транспортируется в термический цех для выполнения термической операции 055. Заполненный контейнер увозят, заменяя его пустым. Затем заготовки движутся по конвейеру по ходу технологического процесса до последней операции 090, после чего складируются в контейнер для готовых деталей и транспортируются, в сборочный цех.

В цехе располагается мостовой кран грузоподъемностью 10 тонн. Его используют для монтажа оборудования, а также транспортирования контейнеров.

.2 Выбор состава вспомогательных служб

Обеспечением инструментом оборудования занимается ИРК. ИРК предназначена для своевременного обеспечения участков цеха настроенным инструментом. Сюда входит секция хранения и комплектации инструмента, секция доставки инструмента к рабочим местам. В секции хранения и комплектации инструмента производится получение инструмента из центрального инструментального склада (ЦИС) и центрального абразивного склада (ЦАС), раскладка его по стеллажам, а также поддержание оборотного фонда и подачи инструмента, карт наладки в секцию инструмента. Получив из зоны сборки и настройки готовый настроенный инструмент, комплектовщик отправляет его в зону доставки к рабочим местам. Доставка осуществляется поштучно, блоками и комплектами, целыми инструментальными магазинами в зависимости от вида оборудования.

Доставляется и возвращается инструмент к оборудованию транспортными рабочими.

Заточка инструмента производится в заточном отделении, которое организовывается в цехе. Так как количество станков 150…300.

Существуют следующие способы замены режущего инструмента.

Замена инструмента по отказам, то есть замена инструмента производится по мере выхода его из строя.

Смешанная замена, то есть каждый заменяют принудительно через определенный промежуток времени, а инструмент, вышедший из строя раньше этого периода, заменяют по отказу.

Смешанно-групповая замена, т.е. инструменты, имеющие одинаковые среднюю стойкость и закон ее распределения, заменяют одновременно по мере достижения ими определенного периода времени, независимо от времени работы каждого инструмента.

При смешанном и смешанно-групповом способах замены режущих инструментов в производстве применяют принудительное восстановление инструментов.

При числе станков в цехе более 100…200 организуется мастерская по ремонту инструментальной и технологической оснастки. В мастерской по ремонту оснастки выполняют малый ремонт приспособлений и другой оснастки.

Уход и надзор за действующим оборудованием, планово-предупредительный ремонт технических средств всех видов, а также модернизацию существующего и изготовление нестандартного выполняет ремонтно-механический цех завода, а также цеховые ремонтные базы и отделения по ремонту электрооборудования и электронных систем. Ремонтные базы цеха, производят малые и средние ремонты, а ремонтно-механический цех - капитальный ремонт оборудования. Для периодического осмотра и ремонта электродвигателей вентиляционных систем цеха, устройств электроавтоматики и электронных систем предназначено отделение по ремонту электрооборудования и электронных систем.

.3 Разработка планировки производственного участка

Осуществим планировку оборудования, руководствуясь следующими основными принципами:

- оборудование должно быть увязано с технологическими процессами;

- необходимо соблюдать минимально допустимое расстояние между единицами оборудования, а также между оборудованием и элементами зданий согласно утвержденным нормам технологического проектирования;

- расстановка оборудования должна обеспечивать экономное использование площади, рациональное и безопасное применение внутрицеховых и межоперационных транспортных средств, необходимые условия для выполнения ремонтных работ.

Технологическое оборудование разместим по предметному признаку в порядке последовательности технологических операций.

Рассчитаем предварительно площадь участка по формуле [10]:

 (3.1)

где Спр - принятое количество оборудования по участку;пр - удельная площадь на одну единицу оборудования, м2.

Для крупносерийного производства удельная площадь на одну единицу оборудования равна 24 м2 согласно [10]:

 м .2

После разработки планировки площадь участка уточняется.

При оформлении компоновочного плана здание в плане изображается в виде сетки продольных и поперечных разбивочных осей. Продольные оси обозначаются прописными буквами русского алфавита, а поперечные - арабскими цифрами.

Размер основной секции принимаем равным 72•72 м с учётом возможности размещения других участков в цеху. Ширина 72 м достаточна для размещения всего оборудования и вспомогательных (дополнительных) помещений.

Сетку колонн принимаем 24•12 м, так как такая сетка является наиболее компактной, и при этом экономится производственная площадь участка.

Высота пролёта Н рассчитывается по формуле [10]:

= h1 + h2 + h3 + h4 , мм (3.2)

где h1 - максимальная высота оборудования (высота вертикального токарного 6-шпиндельного полуавтомата 1Б284), h1 = 4015 мм;- минимальное расстояние между оборудованием и перемещаемым грузом, h2 > 400 мм;- высота транспортируемого груза, h3 = 1400 мм;- высота крана, h4 = 1000 мм.

H = 4015 + 420 + 1400 + 1000 = 6835 мм;

Принимаем высоту пролёта H = 7 м.

Ворота цеха располагаем в двух местах - по требованиям норм пожарной безопасности. Размеры ворот унифицированы. С учётом габаритов грузов принимаем размер ворот 4•5 м.

Рабочие места проектируем с учетом рабочего и вспомогательного пространства, представляющего собой трехмерное пространство, ограниченное пределами досягаемости рук в горизонтальной и вертикальной плоскости с учетом поворота корпуса на 180 градусов и перемещением рабочего на один - два шага.

На участке предусмотрены медицинские аптечки, пожарные щиты, пожарные краны, ящики с песком.

Вспомогательные помещения располагаются в конце участка.

Произведем расчет удельной массы стружки приходящаяся на 1 м2 площади участка:

, кг/м2 (3.3)

где Q - масса заготовки, кг (Q = 10,275кг);- масса детали, кг (q = 7,377кг);- годовой объем выпуска, шт (N = 30000);- площадь участка, м2 (S = 288 м2).

Получим:

 кг/м.2

Так как удельная масса стружки меньше допустимой [m]=300 кг/м2, то удаление стружки производится без комплексно-автоматизированной системой линейных и магистральных конвейеров. Стружка собирается в специальные контейнеры, затем отправляется на утилизацию.

СОЖ передают по трубопроводам из центральной установки к разборным кранам, установленным на участках. В процессе работы станка используется автономная система охлаждения станка, которая ежесуточно пополняется из разборных кранов для восполнения потерь жидкости вследствие ее разбрызгивания, уноса со стружкой и обработанной заготовкой.

Предприятия обеспечиваются электроэнергией от линий электропередач напряжением 110кВ. Для понижения напряжения используют следующий каскад: открытая понижающая станция 110/35 кВ, затем открытые центральные распределительные подстанции 35/10-6кВ и цеховые закрытые трансформаторные подстанции 6-10/0,4кВ. Подстанции приближают к основным потребителям электроэнергии для уменьшения потерь в сети.

При производстве фланца используется сжатый воздух для приводов пневматических зажимных устройств. Давление сжатого воздуха в сети составляет 0,5…0,6 МПа. Компрессорные станции размещены в изолированном помещении вследствие высокого уровня создаваемого ими шума.

4. Технико-экономическое обоснование техпроцесса

Исходные данные берем из технологического раздела проекта и материалов преддипломной практики, заносим их в таблицу 4.1.

Таблица 4.1 - Исходные данные для выполнения расчетов

№ опер.

Наименование операции

Модель оборудования

Тшт, мин

Трудоемкость программы выпуска, час

БАЗОВЫЙ ВАРИАНТ

005

Токарная

1К282

1,586

793

005а

Токарная

1А730

2,28

1140

010

Токарная

1К282

1,641

820,5

015

Двухсторонне-центровальная

БС163А

1,482

741

020

Токарная

ЕМ-473-1-08

2,6

1300

025

Агрегатная

БС-533

3,888

1944

030

Вертикально-сверлильная

2Н125Л

1,6

800

035

Резьбонарезная

5053

1,7

850

040

Токарная

ЕМ-473-1-08

1,95

975

045

Шлицефрезерная

5Б312

8,6

4300

050

Моечная

Машина моечная

0,3

150

055

Контрольная

Стол ОТК

4,5

2250

060

Термическая

Установка ТВЧ

-

-

065

Круглошлифовальная

3М151

1,496

748

070

Круглошлифовальная

3М151Е

1,503

751,5

075

Торцекруглошлифовальная

ХШ4-12

1,34

670

080

Торцекруглошлифовальная

3Т161

1,36

680

085

Полировальная

3Б151

0,833

416,5

090

Слесарная

Верстак слесарный

1,165

582,5

095

Моечная

Машина моечная

0,3

150

100

Контрольная

7,7

3850

ИТОГО:

48,834

24417

ПРОЕКТИРУМЫЙ ВАРИАНТ

005

Токарно-автоматная

1Б284

2,194

1097

010

Токарно-автоматная

1Б284

3,423

1711,5

015

Двухсторонне-центровальная

БС163А

0,744

372

020

Агрегатная

БС-533

2,242

1121

025

Вертикально-сверлильная

2Н125Л

1,536

768

030

Резьбонарезная

5053

0,97

485

035

Токарно-автоматная

ЕМ-473-1-08

4,893

2446,5

040

Шлицефрезерная

5Б312

4,488

2244

045

Моечная

Машина моечная

0,3

150

050

Контрольная

Стол ОТК

4,5

2250

055

Термическая

Установка ТВЧ

-

-

060

Круглошлифовальная

3А151Е

0,547

273,5

065

Круглошлифовальная

3А151Е

0,558

279

070

Торцекруглошлифовальная

ХШ4-12

0,559

279,5

075

Полировальная

3Б151

0,645

322,5

080

Слесарная

Верстак слесарный

1,165

582,5

085

Моечная

Машина моечная

0,3

150

090

Контрольная

Стол ОТК

7,7

3850

ИТОГО:

37,774

18887


Годовая программа выпуска продукции, шт - 30000;

Масса заготовки, кг: базовый - 11,6; проектируемей - 10,275.

Масса детали, кг - 7,377.

.1 Определение потребностей в материально-технических и трудовых ресурсах

Расчёт будем вести по методике [11].

Количество основных материалов (Мс) на годовую программу рассчитывается по нормам расхода материалов:

Мс = qн · Q, т (4.1)

где qн - нормы расхода материалов на одно изделие, кг;- годовой объём выпуска продукции, шт.

Базовый вариант:

Мс = 11,6 · 30000 = 348000 кг = 348 т.

Проектируемый вариант:

Мс = 10,275 · 30000 = 308250 кг = 308,25 т.

Таблица 4.2 - Состав оборудования и оснастки

№п/п

Модель оборудования или дорогостоящей оснастки

Количество на программу выпуска

Габариты, мм

Коэффициент загрузки

Мощность привода, кВт

Цена единицы оборудования, млн.руб.



расчетное

принятое





БАЗОВЫЙ ВАРИАНТ

1

1К282

0,18

1

3070х2945

0,18

55

124,5

2

1А730

0,26

1

2625х1825

0,26

13

59,5

3

1К282

0,19

1

3070х2945

0,19

55

124,5

4

БС163А

0,17

1

3970х1750

0,17

1,5

31,51

5

ЕМ-473-1-08

0,29

1

3980х1840

0,29

13

75,72

6

БС-533

0,44

1

4500х4200

0,44

20

220,2

7

2Н125Л

0,18

1

915х785

0,18

2,2

23,2

8

5053

0,19

1

730х648

0,19

2

22,7

9

ЕМ-473-1-08

0,22

1

3980х1840

0,22

13

75,72

10

5Б312

0,87

1

3100х2100

0,87

7,5

32,75

11

3М151

0,17

1

4635х2170

0,17

10

90,42

12

3М151Е

0,17

1

3184х3255

0,17

7

91,6

13

ХШ4-12

0,15

1

3480х3305

0,15

18,5

88,5

14

3Т161

0,15

1

3060х2460

0,15

13

90,26

15

3Б151

0,1

1

3100х2100

0,1

7

90,56

ИТОГО:

-

15

-

-

-

1241,64

ПРОЕКТИРУЕМЫЙ ВАРИАНТ

1

1Б284

0,248

1

2985х2987

0,248

22

102,8

2

1Б284

0,387

1

2985х2987

0,387

22

102,8

3

БС163А

0,1

1

3970х1750

0,1

1,5

31,51

4

БС-533

0,254

1

4500х4200

0,254

20

220,2

5

2Н125Л

0,174

1

915х785

0,174

2,2

23,2

6

5053

0,11

1

730х648

0,11

2

22,7

7

ЕМ-473-1-08

0,554

1

3980х1840

0,554

13

75,72

8

5Б312

0,51

1

1790х1000

0,51

7,5

32,75

9

3А151Е

0,07

1

3184х3255

0,07

7

91,6

10

3А151Е

0,08

1

3184х3255

0,08

7

91,6

11

ХШ4-12

0,08

1

3480х3305

0,08

18,5

88,5

12

3Б151

0,1

1

3100х2100

0,1

7

90,56

ИТОГО:

-

12

-

-

973,94



Количество производственных рабочих (Чр):

по трудоемкости механической обработки (включая разметочные и слесарные работы):

, (4.2)

по станкоёмкости (для расчета станочников по видам обработки):

, (4.3)

где Чр - расчетное количество производственных рабочих (расчетное количество станочников);

Тгод - трудоемкость работ на годовую программу работ, чел.-часы;

Тстi - трудоемкость механической обработки на годовую программу, станко-часы;

Фэ.р - эффективный годовой фонд времени рабочего, Фэ.р=1860 ч;

Кмн - коэффициент многостаночного обслуживания - количество станков, обслуживаемых одним рабочим.

В базовом варианте на токарной операции (005) по формуле (4.3) получим:

.

Принимаем одного рабочего.

Аналогично рассчитываем количество рабочих на других операциях и сводим в таблицу 4.3.

Таблица 4.3 - Количество производственных рабочих

 № операции

Модель оборудования

Количество производственных рабочих



Рассчитанное

Принятое

1

2

3

4

БАЗОВЫЙ ВАРИАНТ

005

Токарная

0,43

1

005а

Токарная

0,61

1

010

Токарная

0,44

1

015

Двухсторонне-центровальная

0,39

1

020

Токарная

0,69

1

025

Агрегатная

1,05

2

030

Вертикально-сверлильная

0,43

1

035

Резьбонарезная

0,46

1

040

Токарная

0,52

1

045

Шлицефрезерная

2,31

3

050

Моечная

0,08

1

055

Контрольная

1,21

2

060

Термическая

0,27

1

065

Круглошлифовальная

0,4

1

070

Круглошлифовальная

0,4

1

075

Торцекруглошлифовальная

0,36

1

080

Торцекруглошлифовальная

0,37

1

085

Полировальная

0,22

1

090

Слесарная

0,31

1

095

Моечная

0,08

1

100

Контрольная

2,07

3

ИТОГО:

27

ПРОЕКТИРУЕМЫЙ ВАРИАНТ

005

Токарно-автоматная

0,59

1

010

Токарно-автоматная

0,92

1

015

Двухсторонне-центровальная

0,2

1

020

Агрегатная

0,6

1

025

Вертикально-сверлильная

0,41

1

030

Резьбонарезная

0,26

1

035

Токарно-автоматная

1,32

2

040

Шлицефрезерная

1,21

2

045

Моечная

0,08

1

050

Контрольная

1,21

2

055

Термическая

0,27

1

060

Круглошлифовальная

0,15

1

065

Круглошлифовальная

0,15

1

1

2

3

4

070

Торцекруглошлифовальная

0,15

1

075

Полировальная

0,17

1

080

Слесарная

0,31

1

085

Моечная

0,08

1

090

Контрольная

2,07

3

ИТОГО:

23


Число производственных рабочих в первой смене принимается в процентах от общего количества - 50%.

Вспомогательные рабочие:

В базовом и проектируемом вариантах принимаем следующую численность вспомогательных рабочих: 1 наладчик на 1 ставку, 1 слесарь-ремонтник на 0,5 ставки, 1 электромонтер 0,5 ставки, 1 смазчик на 0,25 ставки.

Численность вспомогательных рабочих в первой смене принимается в процентах от общего количества - 55%.

Инженерно-технические работники:

Принимаем численность ИТР: 1 мастер, 1 технолог на 0,5 ставки, 1 инженер-нормировщик на 0,5 ставки.

Младший обслуживающий персонал:

В базовом и проектируемом вариантах площадь участка находится в пределах 300-400 м2, поэтому принимаем 1 уборщицу.

.2 Расчёт технико-экономических показателей

Расчет капитальных вложений.

В общем случае величина капитальных (К) вложений включает в себя следующие составляющие:

К = Коб + Кзд + Косн + Кинв + ОбС, млн.руб. (4.4)

Капиталовложения в оборудование (техническое, энергетическое, подъемно-транспортное, средства контроля и управления):

Так как проектируемый участок предназначен для изготовления одного изделия, учитывается его полная занятость по выпуску разрабатываемой детали. Капиталовложения (Коб) определяются по следующей формуле:

, млн.руб. (4.5)

где h - количество типоразмеров (моделей) оборудования;

ЦБi - балансовая стоимость единицы оборудования (транспортного средства) с учетом затрат на доставку, монтаж и устройство фундамента (если исходных сведений о таких затратах нет, то не более 20% от стоимости оборудования), руб;

Оi - количество единиц оборудования i-го типоразмера (вида);

mi - значение коэффициента занятости оборудования i-го типоразмера (вида) изготовлением рассматриваемой продукции, (mi = 1).

Базовый вариант:

124,5+59,5+124,5+31,51+75,72+220,2+23,2+22,7+75,72+32,75+90,42+91,6+

+88,5+90,26+90,56=1241,64 млн. руб.

Проектируемый вариант:

102,8+102,8+31,51+220,2+23,2+22,7+75,72+32,75+91,6+91,6+88,5+90,56=973,94 млн. руб.

Капвложения в здание (Кзд) определяются следующим образом:

Кзд = (Sц + Sтс) · mср · Цзд, млн. руб. (4.6)

где Sц - производственная площадь, занимаемая участком, цехом, м2 (базовый вариант Sц =381,5 м2, проектируемый вариант Sц = 368,5 м2);

mср - средний коэффициент занятости площади при изготовлении рассматриваемой продукции (определяется аналогично mi);тс - площадь, потребная для размещения транспортных средств и устройств, м2 (5% Sц);

Цзд - стоимость 1 м2 площади механического цеха, 2400 тыс. руб.

Базовый вариант:

Кзд = 1,05·381,5·1·2,4 = 961,38 млн. руб.

Проектируемый вариант:

Кзд = 1,05·368,5·1·2,4 = 928,62 млн. руб.

Капиталовложения в дорогостоящую оснастку (Косн) в механических цехах в первом приближении принимаем в размере 10% от стоимости станочного оборудования.

Базовый вариант:

Косн = 0,1·1241,64 = 124,16 млн. руб.

Проектируемый вариант:

Косн = 0,1·973,94 = 97,39 млн. руб.

Капиталовложения в запасы материалов (оборотные средства ОбС).

Они охватывают вложения в запасы основных и вспомогательных материалов, топлива, а также различных комплектующих изделий. Капиталовложения в запасы материалов рассчитываются следующим образом:

, млн. руб. (4.7)

где w - число видов материалов, необходимых для производства продукции;

Мс - необходимое количество материалов с-го вида на объем выпуска продукции, т (шт.- если учитывать количество заготовок);

Дп - длительность рассматриваемого периода, дни;

Доб - длительность одного оборота оборотных средств, дни;

, дни (4.8)

где tшт - штучное время выполнения операций технологического процесса, мин;- коэффициент, учитывающий длительность операций, связанных с перемещением, маркировкой, оформлением документов и др. (k = 1,5 - 2,5);

Тз - количество дней на которые создается текущий, страховой и транспортный запасы, принимается в зависимости от частоты поставок материалов, дни (Тз = 5-30 дней);

Цм.с - оптовая цена заготовок с-го вида с учётом способа их получения (материала), тыс. руб./т (тыс. руб./шт. если цена заготовки);тз.с - коэффициент, учитывающий транспортно-заготовительные расходы по приобретению материалов с-го вида.

Коэффициент kтз с может быть принят в первом приближении, равным 1,04 - 1,08 для основных материалов и 1,08 - 1,10 - для вспомогательных материалов.

Базовый вариант:

дней.

 млн. руб.

Проектируемый вариант:

дней.

 млн. руб.

Капиталовложения в инвентарь (Кинв):

Кинв определяют в первом приближении вложения в производственный и хозяйственный инвентарь определяются по следующим укрупненным показателям: для производственного инвентаря - 1-2% от стоимости основного оборудования.

Базовый вариант:

Кинв = 0,01·1241,64 = 12,42 млн. руб.

Проектируемый:

Кинв = 0,01·973,94 = 9,74 млн. руб.

Результаты расчета отдельных элементов капитальных вложений сводятся в следующую таблицу 4.4.

 

Таблица 4.4 - Состав капитальных вложений, млн. руб.

Наименование

Условные обозначения

Величина, млн. руб.



Базовый вариант

проектируемый вариант

Капиталовложения в оборудование в том числе: технологическое подъемно-транспортное

Коб -//-

 1241,64 185

 973,94 185

Капиталовложения в здание

Кзд

961,38

928,62

Капиталовложения в оснастку

Косн

124,16

97,39

Капиталовложения в запасы материалов (оборотные средства)

ОбС

139,66

123,71

Капиталовложения в инвентарь

Кинв

12,42

9,74

Всего капиталовложения

К

2664,26

2318,4


.3 Расчёт себестоимости продукции

Затраты на материалы (См):

Базовый вариант:

См = 30000·104,4/1000 = 3132 млн. руб.

Проектируемый вариант:

См = 30000·92,48/1000 = 2774,4 млн. руб.

Расчет основной и дополнительной заработной платы производственных рабочих и служащих.

Основная заработная плата рабочих-сдельщиков определяется по формуле:

, млн.руб. (4.9)

где Тгод - суммарная трудоемкость изготовления продукции за год, чел.-ч.;

Сзcч - средняя часовая тарифная ставка заработной платы на участке, руб./чел.-ч;от - отраслевой коэффициент, kот=1,2;м - коэффициент доплат за многостаночное обслуживание, kм=1,0.

Фонд заработной платы рабочих-повременщиков рассчитываем следующим образом:

, млн. руб. (4.10)

где n- потребное количество рабочих-повременщиков, чел.;

Фэр - эффективный фонд времени рабочего, ч.;зан - коэффициент занятости работника выпуском рассматриваемой продукции.

Среднечасовая тарифная ставка рассчитывается как средневзвешенная величина:

Сзсч = , млн. руб. (4.11)

где n, n, n… - количество рабочих соответствующих разрядов, чел.;

С, С, С… - тарифные часовые ставки этих рабочих, тыс. руб.

Подставив значения в формулы (4.10) и (4.11) получим:

Ссд =  тыс. руб./ч.;

Ссд = тыс. руб./ч.;

Свр =  тыс. руб./ч.;

С вр =  тыс. руб./ч.

СБ= 24417·7,86·1,2∙1,0/1000 = 230,3 млн. руб.;

СПР= 18887∙7,83·1,2∙1,0/1000 = 177,46 млн. руб.;

СБ= 2∙1860∙8,29∙1∙1,2∙1,0/1000 = 30,84 млн. руб.;

СПР= 2∙1860∙8,29∙1∙1,2∙1,0/1000 = 30,84 млн. руб.

Дополнительная заработная плата рабочих:

С= С·k/100, млн.руб. (4.12)

где k - коэффициент, учитывающий дополнительную плату, с учетом премиальных выплат (принимается 10-50%).

СБ = 230,3·30/100 = 69,1 млн. руб.

СПР = 177,46·30/100 = 53,24 млн. руб.

С Б = 30,84·30/100 = 9,25 млн. руб.

С ПР = 30,84·30/100 = 9,25 млн. руб.

Отчисления на социальное страхование с заработной платы рабочих:

С= (С+ С)·kсс/100, млн. руб. (4.13)

где kсс - коэффициент, учитывающий отчисления в фонд социальной защиты (и отчисления на обязательное страхование).

СБ = (230,3+69,1)·35/100 = 104,79 млн. руб.

СПР = (177,46+53,24)·35/100 = 80,75 млн. руб.

С Б = (30,84+9,25)·35/100 = 14,03 млн. руб.

С ПР = (30,84+9,25)·35/100 = 14,03 млн. руб.

Годовой фонд заработной платы ИТР и служащих с отчислением в фонд социальной защиты и на соцстрах, находящихся на штатно-окладной системе:

С= С= nи·Зм· k∙(1+ k/100)∙(1+ kсс/100), млн.руб. (4.14)

где nи - количество работающих определенной специальности, чел.;

Зм - месячный оклад работника определённой специальности, млн. руб./мес.

С Б = 2·3,5·1·12∙(1+30/100)∙(1+35/100) = 147,42 млн. руб.

С ПР = 2·3,5·1·12∙(1+30/100)∙(1+35/100) = 147,42 млн. руб.

Годовой фонд заработной платы уборщицы рассчитывается так же как и для ИТР но с другим окладом:

С = 1·1,8·1·12∙(1+30/100)∙(1+35/100)/1000 = 37,91 млн. руб.

Затраты на амортизацию оборудования, транспортных средств и дорогостоящей оснастки (А):

, млн. руб. (4.15)

где h - количество моделей оборудования;

ЦБi - балансовая стоимость единицы оборудования (транспортного средства), руб;

Оi - количество единиц оборудования i-го вида;

mi - значение коэффициента занятости оборудования i-го вида изготовлением рассматриваемой продукции;

На - норма годовых амортизационных отчислений на замену оборудования (транспортных средств и дорогостоящей оснастки) i-го вида.

Для универсальных и специальных станков


Для автоматов и полуавтоматов


Для конвейера


Базовый вариант:

АБ = (220,2+23,2+90,56)·+(124,5+59,5+124,5+31,51+75,72+22,7+75,72+32,75+

+90,42+91,6+88,5+90,26)·+185· = 114,51 млн. руб.


АПР=(220,2+23,2+90,56)·+(102,8+102,8+31,51+22,7+75,72+32,75+91,6+91,6+88,5)·+185·= 96,58 млн. руб.

Затраты на ремонт оборудования:

Затраты на ремонт оборудования составляют 5% в год от его стоимости, конвейера - 15%.

Базовый вариант:

С= 1241,64·0,05+185·0,15=89,83 млн. руб.

Проектируемый вариант:

С= 973,94·0,05+185·0,15=76,45 млн. руб.

Затраты на энергию Сэ складываются из затрат на силовую, технологическую электроэнергию, топливо, сжатый воздух, газ:

Сэ=Стэ+Ссж+Спар+Стоп, млн. руб. (4.16)

где Стэ - затраты на силовую и технологическую электроэнергию, млн. руб.;

Ссж - затраты на сжатый воздух, млн. руб.;

Спар - затраты на пар, млн. руб.;

Стоп - затраты на топливо, млн. руб.

Стэ = kод·kп·Цэ∙ Мэi·Fдi, млн.руб. (4.17)

где h - количество моделей оборудования;

Мэi - суммарная установленная мощность электродвигателей, кВт;дi - действительный фонд времени работы i-го оборудования, ч;од - коэффициент спроса электроэнергии, 1,05;п - коэффициент, учитывающий потери в сети, 1,05;

Цэ - цена 1 кВт·ч электроэнергии, Цэ=1450 руб./кВт·ч.

СтэБ=1,05∙1,05∙1450∙(55·793+13·1140+55·820,5+1,5·741+13·1300+20·1944+2,2·800+

+2·850+13·975+7,5·4300+10·748+7·751,5+18,5·670+13·680+7·416,5) =

= 392830121 руб. = 392,83 млн. руб.

СтэПР=1,05∙1,05∙1450∙(22·1097+22·1711,5+1,5·372+20·1121+2,2·768+2·485+13·2446,5+

+7,5·2244+7·273,5+7·279+18,5·279,5+7·322,5) = 235565147 руб. = 235,57 млн. руб.

Затраты на сжатый воздух определяют для тех групп оборудования, где применяется пневматика или обдув сжатым воздухом:

Ссж = Нсж·Fд· kп·Цсж, млн. руб. (4.18)

где Нсж - среднечасовая норма расхода сжатого воздуха на один станок (2 м3/час);

- действительный суммарный фонд времени работы оборудования, использующего сжатый воздух, ч;п - коэффициент, учитывающий потери сжатого воздуха, kп=1,5;

Цсж - цена 1 м3 сжатого воздуха, Цсж=167 руб./м3.

СсжБ =2·(793+1140+820,5+741+1300+1944+800+850+975+4300+748+751,5+670+680+416,5)·1,5·167 = 8481680 руб. = 8,48 млн. руб.

СсжПР =2·(1097+1711,5+372+1121+768+485+2446,5+2244+273,5+279+279,5+

+322,5)·1,5·167 = 5711150 руб. = 5,71 млн. руб.

Затраты на пар для производственных нужд определяют следующим образом:

Спар= Цп · (Нр.пар · Рпод+ Рсуш) ·Мс, млн.руб. (4.19)

где Цп - стоимость 1 тонны пара, руб/т;

Нр.пар - норма расхода воды в моечной машине (≈0,35 м3/т);

Рпод - расход пара на подогрев 1 м3 воды (0,16... 0,19 т/м3);

Рсуш - расход пара на сушку 1 тонны деталей (≈0,1 т/т);

Мс - годовой объём выпуска продукции, т.

СпарБ = 53000·(0,35·0,175+0,1)·221,3 = 1891285,1 руб. = 1,89 млн. руб.

СпарПР = 53000·(0,35·0,175+0,1)·221,3 = 1891285,1 руб. = 1,89 млн. руб.

СЭБ = 392,83+8,48+1,89 = 403,2 млн. руб.

СЭПР = 235,57+5,71+1,89 = 243,17 млн. руб.

Затраты на воду складываются из следующих статей:

затраты на приготовление СОЖ;

затраты на промывку деталей;

затраты на бытовые нужды.

Для того, чтобы произвести расчет затрат на воду вышеперечисленных пунктов, необходимо сначала посчитать затраты на промывку деталей. Поэтому вводим промежуточный расчет.

Затраты на промывку деталей равны:

Свп = Нр.вод·Мд·Цвп, млн.руб. (4.20)

где Нр.вод - расход воды на производственные нужды в моечной машине (3,5 м3/т);

Цв.п - стоимость 1 м3 воды на производственные нужды (4200 руб/м3).

Свп = 3,5·221,3·4200 = 3253110 руб. = 3,25 млн. руб.

Затраты на приготовление СОЖ (Ссож) и охлаждение оборудования (Сохл) принимаем соответственно в размере 5% и 3% от затрат воды для промывки деталей.

Ссож = 0,05·3,25 = 0,16 млн. руб.

Сохл = 0,03·3,25 = 0,09 млн. руб.

Затраты на воду для бытовых нужд:

Св.б=Нв.б·kзан·п·Цв.б∙Драб, млн.руб. (4.21)

где Нв.б - норма расхода воды на одного работающего в смену (0,06 м3);

Цв.б - стоимость 1 м3 воды для бытовых нужд (7200 руб/м3);

п - количество работающих, чел;

кзан - коэффициент занятости работника выпуском рассматриваемой продукции;

Драб - количество рабочих дней в году (260 дней).

Св.бБ = 0,06·1·29·7200∙260 = 3257280 руб. = 3,26 млн. руб.

Св.бПР = 0,06·1·25·7200∙260= 2808000 руб. = 2,81 млн. руб.

Затраты на смазочно-обтирочные (вспомогательные) материалы для оборудования:

Св = Оi·Нр.в.м, млн.руб.  (4.22)

где Нр.в.м - средняя величина затрат на смазочно-обтирочные материалы за год в расчете на единицу оборудования i-го вида, (руб/год)/ед.об.;

Оi - количество принятого производственного оборудования i-го вида, шт.

С = 15∙60000 = 900000 руб. = 0,9 млн. руб.

С = 12∙60000 = 720000 руб. = 0,72 млн. руб.

Затраты по приспособлениям, режущему и мерительному инструментам и прочей оснастке:

Синстр.= 18%·Косн, млн. руб. (4.23)

С= 0,18·124,16 = 22,35 млн. руб.

С= 0,18·97,39 = 17,53 млн. руб.

Затраты на содержание помещений и амортизацию зданий:

Затраты на содержание помещений охватывают расходы на ремонт, отопление, освещение и уборку для механического цеха можно принять 2% от его стоимости:

Ссод. здб= 0,02∙961,38 = 19,23 млн. руб.

Ссод. здпр= 0,02∙928,62 = 18,57 млн. руб.

Затраты на амортизацию зданий определяются по формуле:

, млн. руб. (4.24)

где Кзд - капвложения в здание;

Нз - норма амортизационных отчислений по производственным помещениям.

Затраты на текущий ремонт зданий и инвентарь составляют 1% от их первоначальной стоимости с учетом коэффициента использования.

АзБ == 9,74 млн. руб.

АзПР = = 9,38 млн. руб.

Расходы на испытания, опыты, исследования, рационализацию и изобретательство принимаем как и в базовом варианте 0,5 млн. руб. в год на одного работающего.

СиспБ = 0,5∙27 = 13,5 млн. руб.

СиспПР = 0,5∙23 = 11,5 млн. руб.

Расходы на охрану труда:

Сохр.тр.= 5% · С, млн.руб. (4.25)

С= 0,05·230,3 = 11,52 млн. руб.

С= 0,05·177,46 = 8,87 млн. руб.

Затраты на малоценный и быстроизнашивающийся инвентарь:

Принимаем как и в базовом варианте 0,18 млн. руб. в год на одного основного рабочего.

Смби.=0,18·27= 4,86 млн. руб.;

Смби.=0,18·23= 4,14 млн. руб.

На основании произведенных расчетов заполняем таблицы 4.5-4.7.

Таблица 4.5 - Смета расходов на содержание и эксплуатацию оборудования, млн. руб.

Наименование статей расходов

Величина расходов


Базовый вариант

Проектируемый вариант

1. Амортизация оборудования, транспортных средств, ценного инструмента и приспособлений

114,51

96,58

2. Затраты на эксплуатацию оборудования, в том числе: - стоимость вспомогательных материалов; - основная и дополнительная зарплата вспомогательных рабочих, с отчислениями на соцстрах; - затраты на энергию для технологических целей; - затраты по приспособлениям, режущему и мерительному инструментам и прочей оснастке.

 0,9  6,14 392,83  22,35

 0,72  6,14 235,57  17,53

3. Затраты на текущий ремонт оборудования и транспортных средств

89,83

76,45

4. Затраты на МБП

4,86

4,14

ИТОГО:

631,42

437,13


Таблица 4.6 - Смета цеховых расходов, млн. руб.

Наименование статей расходов

Величина расходов


Базовый вариант

Проектируемый вариант

1. Содержание аппарата управления участком (зарплата служащих с отчислениями)

12,29

12,29

2. Содержание прочего персонала (МОП)

3,16

3,16

3. Затраты на воду

6,51

6,06

4. Амортизация зданий

9,74

9,38

5. Содержание зданий

19,23

18,57

6. Испытания, опыты и исследования, рационализация и изобретательство

13,5

11,5

7. Охрана труда

11,52

8,87

8. Прочие расходы (3% от суммы затрат пунктов 1-7)

2,28

2,09

ИТОГО:

78,23

71,92


Таблица 4.7 - Калькуляция цеховой себестоимости продукции, млн. руб.

Наименование статей расходов

Величина расходов


Базовый вариант

Проектируемый вариант

1. Стоимость основных материалов, за вычетом возвратных отходов

3132

2774,4

2. Основная заработная плата производственных рабочих

230,3

177,46

3. Дополнительная заработная плата производственных рабочих

69,1

53,24

4. Налоги и отчисления в бюджет и внебюджетные фонды с зарплаты производственных рабочих

104,79

80,75

5. Расходы на содержание и эксплуатацию оборудования

631,42

437,13

6. Цеховые расходы

78,23

71,92

ИТОГО:

4226,78

3579,68


.4 Общая экономическая эффективность

Общая экономическая эффективность проекта оценивается показателем (коэффициентом), характеризующим величину прироста чистой прибыли предприятия на каждый рубль необходимых для получения этой прибыли капиталовложений, то есть:

 (4.26)

где Пч - чистая прибыль предприятия от реализации годового объема произведенных изделий, руб.;

К - капиталовложения, необходимые для производства годового объема изделий, руб.

Определение годового объема продукции в отпускных ценах и чистой прибыли:

При определении годового объема продукции в отпускных ценах и чистой прибыли (Пч) принято упрощение, которое уменьшает трудоемкость расчетов, но не снижает точность определения величины чистой прибыли. Суть упрощения состоит в следующем: при определении величины чистой прибыли в затраты и результаты не включаются составляющие, которые тождественны по величине во всех рассматриваемых вариантах технологических процессов. К тождественным составляющим результатов и затрат относятся: общезаводские расходы, налоги и сборы, неизменные по величине во всех вариантах.

Для базового варианта расчёты проводят в следующей последовательности:

Пч = Q - (С+Ннед+Нпр+Нндс), млн. руб.         (4.27)

где Q - годовой объём выпуска продукции в стоимостном выражении, руб.

= С + Пбал+Нндс, млн. руб. (4.28)

где С - себестоимость годового выпуска продукции, млн. руб.;

Пбал - балансовая прибыль по выпускаемой продукции, млн. руб.

, млн. руб. (4.29)

где R - реальная или введённая норма рентабельности базового проекта, (R = 20%);

Пбал = 4226,78·20/100 = 845,36 млн. руб.;

Сумма налога на недвижимость:

, млн. руб. (4.30)

где Тнед - ставка налога на недвижимость, 1 %;

Кзд - капиталовложения в здания, млн. руб.

Ннед = 961,38·1/100 = 9,61 млн. руб.

Сумма налога на прибыль:

, млн.руб. (4.31)

где Пнал - прибыль предприятия, облагаемая налогом на прибыль, млн. руб.;

Тпр - ставка налога на прибыль, 18%.

, млн. руб. (4.32)

Пнал = 845,36 - 9,61 = 835,75 млн. руб.

Нпр = 835,75·18/100 = 150,44 млн. руб.

Сумма налога на добавленную стоимость:

Нндс = (С+Пбал) , млн. руб. (4.33)

где Тндс - ставка налога на добавленную стоимость, 20%.

Нндс = (4226,78+845,36) · млн. руб.

Подставив значения в формулы (4.27) и (4.28) получим:

= 4226,78+845,36+1014,43 = 6086,57 млн. руб.

ПЧ = 6086,57-(4226,78+9,61+150,44+1014,43) = 685,31 млн. руб.

По формуле (4.26) находим:

 = 0,26.

Расчеты для проектируемого варианта.

Определим норму рентабельности:

Пбал = (Q - 1,18·C)/1,18, млн. руб. (4.34)

Пбал = (6086,57-1,18·3579,68)/ 1,18 = 1578,43 млн. руб.

 (4.35)

.

Сумма налога на недвижимость по формуле (4.30):

Ннед = 928,62·1/100 = 9,28 млн. руб.

Прибыль предприятия, облагаемая налогом на прибыль по формуле (4.32):

Пнал = 1578,43-9,28 = 1569,15 млн. руб.

Сумма налога на прибыль по формуле (4.31):

Нпр = 1569,15·18/100 = 282,45 млн. руб.

Сумма налога на добавленную стоимость по формуле (4.33):

Нндс = (3579,68+1578,43)·20/100 = 1031,62 млн. руб.

Чистая прибыль по формуле (4.27):

ПЧ = 6086,57-(3579,68+9,28+282,45+1031,62) = 1183,54 млн. руб.

Подставив значения в формулу (4.26), для проектируемого варианта получим:

 =0,51 .

.5 Сравнительная экономическая эффективность

Важнейшими показателями сравнительной экономической эффективности, по которым оценивается предпочтительность того или иного варианта проекта, являются приведенные суммарные затраты (Зпр) по каждому рассматриваемому варианту и годовой экономический эффект (Эг):

Зпр = С + Ен·К, млн. руб. (4.36)

Эг = (Сб - Спр) - Ен·(Кпр - Кб), млн. руб. (4.37)

где Ен - нормативный коэффициент сравнительной экономической эффективности, принимается равным процентной ставке за пользование долгосрочным кредитом (Ен = 0,25);

К - капиталовложения по одному из вариантов: Кб - в базовом варианте, Кпр - в проектируемом;

Сб, Спр - себестоимость продукции в базовом и проектируемом вариантах.

Базовый:

Зпр = 4226,78+0,25·2664,26 = 4892,85 млн. руб.

Проектируемый:

Зпр = 3579,68+0,25·2318,4 = 4159,28 млн. руб.

ЭГ = (4226,78-3579,68) - 0,25·(2664,26-2318,4) = 560,64 млн. руб.

Таблица 4.8 - Основные технико-экономические показатели проекта.

Наименование показателя

Единица измерения

Величина показателя

Величина отклонения



Базовый вариант

Проектируемый вариант

Абсолютная

Отноительная, %

1. Годовой выпуск продукции: - в натуральном выражении - в стоимостном выражении по цене базового предприятия

 шт. млн.руб.

 30000 6086,57

 30000 6086,57

 - -

 - -

2. Общая стоимость основных производственных фондов, всего: В том числе: - здания - оборудования

 млн.руб.  млн.руб. млн.руб.

 2388,02  961,38 1426,64

 2087,56  928,62 1158,94

 300,46  32,76 267,7

 14,39  3,53 23,1

3. Производственная площадь участка

м2

381,5

368,5

13

3,5

4. Численность рабочих, всего В том числе: - основных производственных рабочих - вспомогательных рабочих

чел.  чел. чел.

29  27 2

25  23 2

4  4 -

16  17,4 -

5. Трудоемкость изготовления единицы продукции

мин/шт.

48,834

37,774

11,06

29,3

6. Выпуск продукции на одного производственного рабочего: - в стоимостном выражении - в натуральном выражении

  млн.р/чел шт./чел.

  209,88 1034,5

  243,46 1200

  -33,58 -165,5

  -13,79 -13,79

7. Фондоотдача

руб./руб.

2,55

2,92

-0,37

-12,67

8. Фондовооруженность труда

млн.р./чел

82,35

83,5

-1,15

-1,38

9. Средняя загрузка оборудования


0,25

0,22

0,03

13,6

10. Цеховая стоимость годового объема выпуска продукции

млн.руб.

4226,78

3579,68

647,1

18,1

11. Размер чистой прибыли

млн.руб.

685,31

1183,54

-498,2

-42,1

12. Рентабельность продукции

%

20

44,1

-24,1

-54,6

13. Абсолютная (общая) эффективность капиталовложений


0,26

0,51

-0,25

-49

14. Годовой экономический эффект

млн.руб.

560,64

-

-



. Экономия энергетических ресурсов

.1 Оценка экономической эффективности использования ресурсов

Данный раздел проекта представляем на основе уже выполненных экономических расчетов. Он отражает эффективность принятых решений с позиции экономии энергетических ресурсов и материалов, так как сокращение затрат на энергию и ресурсы в настоящее время является важной и актуальной задачей.

В разработанном варианте технологии изготовления детали "Фланца 82-2308017" снижение затрат достигается путем объединения подобных операций, снижения количества оборудования, уменьшения потребляемой мощности, площади здания, а также снижение затрат на электрическую и тепловую энергию.

Необходимые данные для расчета экономии энергоресурсов внесём в таблицу 5.1.

Таблица 5.1 - Данные для расчета экономии энергоресурсов

Модель оборудования

Мощность электродвигателя станка, кВт

Основное время, мин

Площадь, занимаемая станком, м2

Расход электроэнергии на 1 деталь, кВт×ч

Годовой объем выпуска изделий, шт

1

2

3

4

5

6

Базовый вариант

55

0,87

9,04

0,79

30000

1А730

13

1,46

4,79

0,32


1К282

55

0,91

9,04

0,83


БС163А

1,5

0,76

6,95

0,02


ЕМ-473-1-08

13

1,51

7,32

0,33


БС-533

20

2,89

18,9

0,96


2Н125Л

2,2

0,74

0,72

0,03


5053

2

0,78

0,47

0,03


ЕМ-473-1-08

13

1,27

7,32

0,28


5Б312

7,5

7,5

1,79

0,94


3М151

10

0,79

10,06

0,13


3М151Е

7

0,8

10,36

0,09


ХШ4-12

18,5

0,54

11,5

0,17


1

2

3

4

5

6

3Т161

13

0,54

7,53

0,12

30000

3Б151

7

0,2

6,51

0,02


Проектируемый вариант

1Б284

22

 1,43

8,84

0,52

30000

1Б284

22

2,55

8,84

0,94


БС163А

1,5

0,2

6,95

0,01


БС-533

20

1,35

18,9

0,45


2Н125Л

2,2

0,32

0,72

0,01


5053

2

0,32

0,47

0,01


ЕМ-473-1-08

13

3,92

7,32

0,85


5Б312

7,5

3,7

1,79

0,46


3А151Е

7

0,06

10,36

0,01


3А151Е

7

0,07

10,36

0,01


ХШ4-12

18,5

0,08

11,5

0,02


3Б151

7

0,15

6,51

0,02




Расчеты по определению энергетических затрат будем вести по источнику [7].

Расход электроэнергии на обработку годового объема выпуска деталей составит:

 (5.1)

где ΣPi - суммарный расход электроэнергии по операциям, кВт×ч;- годовой объем выпуска деталей.

Для базового варианта:

.

Для проектируемого варианта:

.

Следовательно, экономический эффект от снижения расхода электроэнергии:

 (5.2)

где Цэ - цена 1 кВт×ч электроэнергии, руб.

По данным "Белэнерго" цена 1 кВт×ч электроэнергии для предприятий составляет 1450 руб. Тогда:

.

Второй составляющей энергосбережения является снижение затрат на обогрев промышленного здания в связи с уменьшением его объема. Объем здания определим по формуле:

 (5.3)

где S - площадь, занимаемая станками по вариантам, м2;

Н - высота здания от уровня чистого пола до фермы, м;

,3 - коэффициент, учитывающий дополнительный объем (от фермы до кровли).

Принятая в проекте высота здания Н=7 м (раздел 3 пояснительной записки) м и . Тогда для базового варианта:

.

Для проектируемого варианта . В таком случае имеем:

.

Для обогрева 1 м3 здания расход тепловой энергии составляет 0,05 Гкал, а цена 1 Гкал равна ЦТ=290 860 руб. (по данным предприятия).

Расход тепловой энергии определяем по формуле:

 (5.4)

где рТ1 =0,05/м3 - расход тепловой энергии на обогрев 1 м3здания.

Для базового варианта:


Для проектируемого варианта:


Тогда экономический эффект от снижения расхода тепловой энергии:

 (5.5)

Следовательно:

.

Суммарный эффект по энергосбережению составит:

. (5.6)

Экономия материальных ресурсов.

В базовом варианте, также как и в проектируемом, используется в качестве заготовки поковка, полученная на горизонтально-ковочной машине. Снижение материальных затрат будет наблюдаться только в разнице получения формы поковки базового и проектируемого вариантов технологии изготовления фланца. Расчеты по определению затрат на материал были выполнены ранее (раздел 4 пояснительной записки).

6. Охрана труда

.1 Пояснительная часть по охране труда

В соответствии со статьёй 221 Трудового кодекса техника безопасности определена как система организационных мероприятий, предотвращающих воздействие на рабочих опасных производственных факторов, а производственная санитария - как система организационных, технических средств, предотвращающих или уменьшающих воздействие на работающих вредных производственных факторов.

Важнейший социальный эффект от реализации мер по охране труда - это сохранение жизни и здоровья работающих. Потому что здоровые и безопасные условия труда способствуют повышению производительности, удовлетворённости работника своим трудом, созданию хорошего психологического климата в коллективе, что приводит к снижению текучести кадров, созданию стабильных трудовых коллективов.

Так как совершенно безопасных и безвредных производств не существует, задача охраны труда - свести к минимальной вероятность поражения или заболевания работающего с одновременным обеспечением комфорта при максимальной производительности труда. Реальные производственные условия характеризуются, как правило, наличием некоторых опасных и вредных производственных факторов.

Правила по технике безопасности содержат требования технического характера, направленные на защиту работающих от воздействия предметов и средств труда, безопасную работу машин, оборудования и инструментов, снабжение станков и машин конструктивными ограждениями, предохранительными приспособлениями и др.

Нормы по производственной санитарии и гигиене труда определяют устройство производственных и бытовых помещений, рабочих мест в соответствии с физиологией и гигиеной труда, а также безопасные пределы содержания в воздухе производственных помещений пыли, газов, паров и др.

Рассмотрим одну из норм санитарных гигиенических условий - освещенность.

Правильно спроектированное и выполненное освещение на предприятиях, машиностроительной промышленности обеспечивает возможность нормальной производственной деятельности. Сохранность зрения человека, состояние его центральной нервной системы и безопасность на производстве в значительной мере зависят от условий освещения. От освещения зависят также производительность труда и качество выпускаемой продукции.

При освещении производственных помещений используют естественное освещение, создаваемое светом неба, искусственное, осуществляемое электрическими лампами, и совмещенное, при котором в светлое время суток недостаточное по нормам естественное освещение дополняется искусственным.

Искусственное освещение может быть двух систем - общее и комбинированное, когда к общему освещению добавляется местное, концентрирующее световой поток непосредственно на рабочих местах, например, светильник, установленный на станке.

Общее освещение подразделяют на общее равномерное освещение (при равномерном распределении светового потока без учета расположения оборудования) и общее локализованное освещение (при распределении светового потока с учетом расположения рабочих мест). Применение одного местного освещения внутри зданий не допускается.

На машиностроительных предприятиях рекомендуется применять систему комбинированного освещения при выполнении точных зрительных работ (слесарные, токарные, фрезерные операции) там, где оборудование создает глубокие, резкие тени или рабочие поверхности расположены вертикально. Система общего освещения может быть рекомендована в помещениях, где по всей площади выполняются однотипные работы, а также в административных конторах, складских помещениях и проходных.

Нормы освещения на рабочих местах определяем согласно межотраслевым правилам по охране труда от 28.07.2004 года №7/92 и вносим в таблицу 6.1.

Таблица 6.1 - Нормы освещенности для проектируемого участка

Наименование оборудования

Модель станка

Освещенность, лк

Токарный вертикальный

1Б284

2000

Двусторонне-центровальный

БС163А

2000

Агрегатный

БС-533

2000

Вертикально-сверлильный

2Н125Л

1000

Резьбонарезной

5053

1000

Токарный гидрокопировальный

ЕМ-473-1-08

2000

Шлицефрезерный

5Б312

2000

Круглошлифовальный

3А151Е

1500

Торцекруглошлифовальный

ХШ4-12

1500

Круглошлифовальный

3Б151

1500

Верстак слесарный

-

2000

Стол ОТК

-

2000


Коэффициент естественной освещенности - 7,0 (при естественном освещении) и 4,2 (при совмещенном).

В целях экономии электроэнергии, для обеспечения требуемой освещенности на рабочих местах, будем использовать местное освещение. Для освещения производственных помещений будем использовать газоразрядные лампы.

При планировке участка соблюдены все нормы охраны труда согласно ГОСТ 12.2.049-80 "Оборудование производственное. Общие эргономические требования", расстояния между станками, подвесным конвейером, магистральными проездами; ширина магистральных проездов, откатных ворот, дверей, окон; грузоподъемность мостового крана; подвод к оборудованию электрических шин, СОЖ, сжатого воздуха.

Ширина магистральных проездов - 5,5 м. Оборудование на участке расположено последовательно, согласно операциям техпроцесса, что позволяет уменьшить грузопотоки. Располагаем станки от проезжей части на расстоянии 800 мм, от электрических шин на расстоянии 200 мм расстояние между станками при продольном расположении - 800 мм; при поперечном - 1600 мм. При таком расположении оборудования экономно используется производственная площадь, при этом есть возможность монтажа, демонтажа и ремонта оборудования, удобство подачи заготовок и инструментов, удобство уборки отходов.

Для межоперационной транспортировки полуфабрикатов предусмотрен подвесной цепной конвейер, который позволяет автоматизировать технологический процесс и уменьшить труд рабочих для передачи заготовок от станка к станку. Стружечный конвейер не используется, так как (согласно 3-му разделу дипломного проекта) удельная масса стружки m=297,8 кг на 1м2 в год меньше допустимой [m]=300 кг/м2. Поэтому стружка собирается в специальные контейнеры, затем отправляется на утилизацию.

На всех станках предусмотрено заземление, для исключения поражения электрическим током в случае пробоя на корпус.

Основными травмоопасными производственными факторами, которые могут проявится в процессе обработки детали на нашем участке, являются следующие:

вес готовой детали составляет 7,377 кг, а заготовки 10,275 кг, Транспортирование между операциями производится в подвесках подвесного конвейера, при падении заготовок рабочий может получить серьёзную травму. Основные транспортные операции производятся при помощи конвейера, а расстояние от конвейера до станков является минимальным и составляет 1м. Необходимо предусмотреть систему знаков и сигналов предупреждающих о наличии опасности;

в техпроцессе имеется термообработка, это увеличивает опасность возникновения пожара. Участок термообработки является вредным для человека, вследствие наличия высоких температур, электромагнитных полей и загрязненного воздуха, поэтому термообработку предусматриваем в отдельном помещении;

вьющаяся и отлетающая стружка на токарно-автоматных операциях и на токарно-гидрокопировальной, в процессе обработки острая и горячая стружка может попасть на кожный покров или в глаз рабочего;

отлетающая стружка на шлифовальных операциях, процесс обработки сопровождается образованием очень мелкой стружки, оказывающей вредное воздействие на организм человека, попадая и накапливаясь в легких и на кожном покрове;

при обработке с использованием СОЖ на всех операциях, выделяются вредные испарения;

на операциях, где есть возможность появления отлетающей стружки которая может попасть на кожный покров или в глаз рабочего необходимо предусмотреть наличие специальных экранов;

чтобы не допустить ранения работающих острыми кромками и заусенцами на детали, предусмотрено наличие слесарных операций;

при работе на токарных станках резец следует зажимать с минимально возможным вылетом и не менее чем 4 болтами. При установке резцов необходимо проявлять максимальную осторожность, для исключения порезов; Зона обработки должна ограждаться как со стороны рабочего, так и с противоположной ему стороны для защиты персонала, работающего на расположенном рядом оборудовании; режимы резания должны строго соблюдаться, т.к. одной из причин травмирования может быть разрушение режущих инструментов; Во время работы для предотвращения захвата одежды, необходимо соблюдать правила ее ношения (отсутствие свисающих концов и т.д.)

приспособление для закрепления обрабатываемой детали на агрегатной операции специальное. Оно представляет собой опасность как при случайном прикосновении, так и в случаях захвата одежды выступающими частями в процессе работы станка, при повороте барабана на следующую позицию. Для предотвращения травматизма необходимо предусмотреть систему световых или звуковых сигналов;

на шлицефрезерной операции необходимо устанавливать обрабатываемую деталь правильно и надежно, что бы во время работы станка были исключены возможности ее вылета или какие-либо другие нарушения технологического процесса. Выколачивая фрезу из шпинделя, нельзя поддерживать ее незащищенной рукой - для этого надо использовать эластичную прокладку. При скоростном фрезеровании, кроме ограждений, применяют приспособления для улавливания и отвода стружки. В процессе фрезерования нельзя допускать скопления стружки на фрезе и оправке. Удаляют стружку вблизи вращения фрезы только кисточками. При смене детали или измерении фрезу следует отводить на безопасное расстояние.

при обработке на сверлильном, резьбонарезном станках, для предупреждения возникновения травмоопасных аварийных ситуаций необходимо руководствоваться требованиями: прежде чем приступить к работе на станке необходимо привести в порядок одежду: застегнуть и обвязать обшлага рукавов, надеть головной убор; женщины должны убрать волосы под косынку. Запрещено работать в рукавицах и перчатках; Необходимо следить за надежность и прочностью крепления инструмента на станке, а также правильностью центровки. При смене инструмента шпиндель должен быть опущен и остановлен.

при работе с абразивными инструментами безопасность должна обеспечиваться с учетом вероятности воздействия следующих опасных и вредных факторов: разрыва шлифовального круга, повышенной запыленности воздух рабочей зоны, образования в ней аэрозолей при обработке с СОЖ; Перед установкой на станок абразивный инструмент должен быть осмотрен. Не допускается эксплуатация инструмента с трещинами на поверхности, а также без отметки об испытании. Механическую прочность и запас прочности кругов следует проверять на специальных стендах. Не допускается использование без СОЖ инструмента, предназначенного для работ с ее применением, а также работа боковыми (торцовыми) поверхностями круга, если он для этого не предназначен. На оборудовании должны быть предусмотрены устройства для удаления абразивной пыли и отходов шлифования из зоны обработки; устройства для защиты рабочего от аэрозолей;

При обработке на металлорежущих станках необходимо, чтобы запыленность в зоне дыхания станочников соответствовала предельно допустимым нормам, предусмотренным ГОСТ 12.1.005-88 "Воздух рабочей зоны. Общие санитарно-гигиенические требования".

Обычно частицы промышленной пыли имеют размеры от 0,1 до 150 мкм. Крупные частицы (более 10 мкм) быстро оседают и практически отсутствуют в воздухе. Опасными для человека являются частицы от 0,2 до 7 мкм, так как именно они способны отлагаться и накапливаться в легких. Более мелкие частицы выдыхаются обратно, а более крупные задерживаются в носоглотке.

Для снижения и предотвращения вредного воздействия применяются средства индивидуальной и коллективной защиты. К индивидуальным относятся спецодежда, спецобувь, средства защиты органов дыхания. К коллективным средствам защиты относят систему вытяжной вентиляции (общей, локальной и местной), замена сухих процессов на мокрые с применением эмульсий, изоляция рабочей зоны оборудования, дистанционное управление рабочим процессом. Для защиты кожного покрова от воздействия СОЖ и пыли применяют дерматологические защитные средства (профилактические пасты, мази, кремы).

высокое напряжение в сети;

Основными мерами защиты от поражения электрическим током на планируемом участке являются: изоляция токоведущих проводов и изделий (сопротивление изоляции сети на участке между двумя смежными предохранителями должно составлять не менее 5 МОм), недоступность токоведущих частей, электрические токоразделения сети с помощью специальных разделяющих трансформаторов, применение малого напряжения при местном освещении рабочего места (не выше 24 В), использование двойной защиты, защитное заземление оборудования (сопротивление защитного заземления в любое время года не должно превышать 4 Ом), предупредительная сигнализация, блокировка, знаки безопасности. Обязательно применение специальных электрозащитных средств, организация безопасной эксплуатации электроустановок.

Одним из важных факторов, влияющим на благоприятные условия труда, являются метеоусловия в помещении. Показателями, характеризующими микроклимат, являются:

температура воздуха;

относительная влажность воздуха;

скорость движения воздуха;

интенсивность теплового излучения.

В соответствии с ГОСТ 12.1.005-88 работы, выполняемые на участке относятся к категории средней тяжести IIа - работы, связанные с ходьбой, с перемещением предметов весом до 10 кг. Им соответствуют показатели микроклимата, приведенные в таблице 6.2. Допустимые величины показателей микроклимата устанавливаются в тех случаях, когда по технологическим требованиям, техническим и экономическим причинам не обеспечиваются оптимальные нормы. Таким местом является рабочее место возле моечной машины, где используется пар.

Таблица 6.2 - Оптимальные и допустимые величины показателей микроклимата в рабочей зоне производственных помещений

Сезон года

Температура, С

Относительная влажность, %

Скорость движения воздуха, м/с


Оптим.

Доп.

Оптим.

Доп.

Оптим.

Доп.

Холодный период

18-20

17-23

60-40

75

0,2

не более 0,3

Теплый период

21-23

18-27

60-40

65

0,3

0,2-0,4


При обработке на металлорежущих станках необходимо, чтобы допустимые шумовые характеристики соответствовали предельно допустимым нормам, предусмотренным ГОСТ 12.2.107-85 "Шум. Станки металлорежущие. Допустимые шумовые характеристики" - наиболее чувствительно ухо к колебаниям в диапазоне частот от 1000 до 3000 Гц, и уровнем интенсивности звука 80 дБА.

Для предотвращения вредного воздействия необходимо снизить шум в источнике возникновения, подавить шум звукопоглощением, применять средства индивидуальной защиты.

Технологический процесс сопряжен с перемещением большого количества тяжелых грузов: заготовки, детали, готовые изделия, оснастка. Для этих целей применяются разнообразные подъемно-транспортные машины и механизмы: мостовой кран грузоподъёмностью 10 т., подвесной цепной конвейер для транспортировки деталей, автопогрузчики для доставки на участок заготовок и транспортирования готовых деталей - создающие вместе с перемещаемым грузом потенциальную опасность. Скорость движения транспорта на территории предприятия ограничена 5 км/ч и не более 3 км/ч по территории цехов и складских помещений.

В технологических целях используется большое количество воды: для приготовления эмульсий, смазочно-охлаждающих жидкостей, моющих растворов, которая после использования проходит цикл очистки и повторно используется. Для этих целей применяются очистные установки.

Так как помещение обладает высокой степенью огнестойкости и низкой степенью пожароопасности применение противопожарных зон, преград, разрывов, и оборудования автоматическими установками пожаротушения необязательно. Применяется пожарная сигнализация. Участок должен быть оснащен первичными средствами пожаротушения: огнетушители (например ОУ - 8); пожарные краны; ломы; топоры, которые располагаются на пожарном щите.

Особого влияния на окружающую среду разработанный технологический процесс не оказывает, промышленных отходов при изготовлении фланца достаточно мало, вредных выбросов в атмосферу практически нет. Стружка собирается в контейнерах и перерабатывается. Техническая вода пропускается через систему очистки, которая состоит из отстойников, фильтров.

Система организации труда на участке организована в соответствии с требованиями законодательства. Соблюдение требований техники безопасности на участке контролирует мастер производственного участка, который также проводит первичный инструктаж на рабочем месте со всеми вновь прибывшими рабочими на участок.

На участке требования безопасности должны выполняться на протяжении всего технологического процесса, включая операции технологического контроля и уборки технологических отходов производства. В технологической документации на обработку металлов резанием должны быть указаны средства защиты работающих и инструкции по охране труда.

.2 Расчётная часть по охране труда

Расчет освещенности будем производить по методике [8].

Основная задача освещения на производстве - создание наилучших условий для видения. Эту задачу возможно решить осветительной системой.

Рассчитаем искусственное освещение:

Для освещения производственных помещений выберем люминесцентный энергосберегающий светильник модели LS255.

Выбираем систему общего равномерного освещения.

Отношение расстояния между центрами светильников L к их высоте подвеса над рабочей поверхностью Нр составляет для светильников - 1,4 м.

Норма освещенности на рабочем месте для люминисцентных ламп: Ен = 200 лк.

Для расчета общего равномерного освещения при горизонтальной рабочей поверхности основным является метод светового потока. Световой поток рассчитывается по формуле:

Фп = 100·Ен·S·z·k/N·h , лм (6.1)

где Ен - нормированная минимальная освещенность, лк;- площадь помещения, м2;- коэффициент минимальной освещенности, Z = 1,1 [9];- коэффициент запаса, k = 1,5 [9];- число ламп;

h - коэффициент использования светового потока, h = 40 [9].

 лм.

Исходя из светового потока, подбираем лампу LS255. Световой поток лампы LS255 равна 8000 лм, а мощность, потребляемая им, равна 104 Вт. Мощность установки равна произведению потребляемой мощности одной лампы на общее количество ламп:

Р = 104·62 = 6448 Вт

Расстояние между центрами подвеса светильников L = 4 м.

Рисунок 6.1 - Схема расположения светильников

6.3 Пояснительная часть по обеспечению безопасности в чрезвычайных ситуациях

Предупредить чрезвычайную ситуацию целесообразно еще на этапе возникновения опасности. В общем случае можно выделить источники опасности и систему, подвергающуюся опасности. Источниками опасности можно считать опасные природные и антропогенные процессы, в том числе ошибки и недоработки нашей собственной деятельности. Системами, подвергающимися опасности, можно считать человека и объекты народного хозяйства.

Основными путями обеспечения безопасности являются: организация и проведение защитных мероприятий; прогнозирование и профилактика чрезвычайных ситуаций. На основании знаний опасностей, возможных последствий чрезвычайных ситуаций основные усилия системы безопасности должны быть направлены на выявление негативных явлений, их причин, на их устранение, профилактику или локализацию.

В проектируемом производственном участке источником возникновения чрезвычайной ситуации может быть:

- неправильное устройство или поломка системы вентиляции. Рециркуляционные системы вентиляции наиболее опасны, так как при возникновении пожара в одном помещении дым и продукты горения поступают в приточную камеру, откуда нагнетаются во все помещения, оборудованные данными системами;

- прорыв трубопроводов со смазочно-охлаждающей жидкостью и водой, в результате чего эти токопроводящие жидкости могут попасть на электрооборудование и вызвать поражение работающих электрическим током или возгорание в результате короткого замыкания;

- прорыв трубопроводов с паром (опасен возможностью получения ожогов, кроме того, резкое повышение влажности в помещении может вызвать короткое замыкание в электрооборудовании);

- самовоспламенение или самовозгорание, возникшее из-за неправильного хранения пожароопасных веществ и материалов;

- неисправность технологического оборудования и нарушение технологического процесса;

- неисправность отопительных приборов;

- халатное или неосторожное обращение с огнем (курение, оставление без присмотра нагревательных приборов, разогрев деталей открытым огнем).

При ликвидации пожаров проводится их тушение (локализация и дотушивание) и окарауливание. Локализация - прекращение распространения огня, дотушивание - ликвидация очага пожара, окарауливание - непрерывный или периодический осмотр пройденной пожаром площади.

Основными средствами тушения загораний и пожаров являются вода, водяной пар, инертные газы, углекислый газ, пена, галоидированные углеводороды, порошковые составы, песок, асбестовые и брезентовые покрывала, а также ветки деревьев и одежда. Однако водой нельзя тушить легковоспламеняющиеся и горючие жидкости с плотностью меньше единицы. Будучи легче воды, они всплывают на её поверхность, продолжают гореть и, растекаясь, увеличивают площадь горения.

Нельзя водой тушить электросети и электроустановки, находящиеся под напряжением, так как через струю воды может быть поражение электрическим током. Разрешается применять воду для тушения электроустановок в тонко распыленном виде, при этом должно выдерживаться допустимое расстояние, ствол заземляться, а боец, тушащий пожар, должен надеть диэлектрические боты и перчатки.

Углекислый газ применяется для тушения в снегообразном состоянии в виде хлопьев, а также в газообразном состоянии. При тушении пожара в закрытом помещении огнегасительная концентрация углекислого газа в воздухе помещения составляет 30%, поэтому необходимо применять защиту органов дыхания.

К тушению пожара следует приступать в начальном периоде, умело применяя огнегасительные средства.

Для оповещения о возникновении чрезвычайной ситуации, в цехе установлена звуковая и световая сигнализация. При их срабатывании, рабочие участка, цеха прекращают работу, выключают и обесточивают оборудование и без паники покидают опасную зону согласно плана эвакуации.

Для предотвращения возникновения чрезвычайных ситуаций, на предприятии назначается группа лиц во главе с инженером по охране труда, которые контролируют соблюдение правил техники безопасности, проверяют цеха и участки на соблюдение правил противопожарной безопасности. Контролируют сроки плановых проверок, работ по профилактике особо опасных объектов.

В настоящее время все ЧС в зависимости от тяжести последствий разделены на следующие классы: локальная (пострадавших от ЧС менее 10 человек), местная (11-500 человек), территориальная (также 11-500 человек), региональная (51-500 человек), федеральная (более 500 человек), трансграничная (выходит за пределы страны либо произошла за рубежом).

При планировании затрат на предупреждение ЧС должен прогнозироваться суммарный ущерб Ус, учитывающий прямой Уп и косвенный Ук ущербы, причем последний может превышать величину Уп в 2...10 раз.

В целом для предприятия опасность представляют стихийные бедствия и пожары.

В данном цехе основную опасность представляет возможность возникновения пожара, в результате неправильного обращения с электроустановками, возможностью возгорания ветоши, неправильного обращения с горелками, сварочными аппаратами при проведении ремонтных работ.

Учитывая степень огнестойкости для здания - I степень, категорию объектов пожарной опасности (ПО) - Д, по [8] определяем, что расстояние до эвакуационного выхода не ограничивается. Минимальная ширина прохода - 1 м, минимальная ширина коридора - 1,4 м, минимальная ширина двери 0,8 м.

На устойчивость функционирования предприятия в ЧС влияют следующие факторы: надежность защиты работающих от последствий стихийных бедствий, аварий (катастроф), а также воздействия первичных и вторичных поражающих факторов; способность инженерно-технического комплекса объекта противостоять в определенной степени этим воздействиям; надежность системы снабжения объекта всем необходимым для производства продукции (сырьем, топливом, электроэнергией, газом, водой и т.п.); устойчивость и непрерывность управления производством и ГО; подготовленность объекта к ведению спасательных и других неотложных работ (СиДНР) и работ по восстановлению нарушенного производства.

Перечисленные факторы определяют и основные требования к устойчивому функционированию предприятия в условиях ЧС и пути его повышения.

Оценка устойчивости предприятий к воздействию различных поражающих факторов проводится с использованием специальных методик. Исходными данными для проведения расчетов по оценке устойчивости предприятия являются: возможные максимальные значения параметров поражающих факторов; характеристики объекта и его элементов.

Параметры поражающих факторов обычно задаются вышестоящим штабом ГО. Если такая информация не поступила, то максимальные значения поражающих факторов определяются расчетным путем. При отсутствии и этих данных характер и степень ожидаемых разрушений могут быть определены для различных значений интенсивности землетрясений (в баллах) или избыточного давления воздушной ударной волны ядерного взрыва, вызывающего в зданиях и сооружениях слабые, средние и сильные разрушения.

Оценка степени устойчивости объекта к воздействию сейсмической (ударной) волны заключается в выявлении основных элементов объекта (цехов, участков, систем), от которых зависит его функционирование и выпуск необходимой продукции; определение предела устойчивости каждого элемента и объекта в целом по минимальному пределу входящих в его состав элементов; сопоставлении найденного предела устойчивости объекта с ожидаемым максимальным значением сейсмической (ударной) волны и заключении о его устойчивости. Устойчивость самих элементов оценивается по средним разрушениям.

В выводах и предложениях на основе анализа результатов оценки устойчивости каждого элемента и объекта в целом даются рекомендации по целесообразному повышению устойчивости наиболее уязвимых элементов объекта.

Целесообразным пределом повышения устойчивости принято считать такое значение сейсмической (ударной) волны, при котором восстановление поврежденного объекта возможно в короткие сроки и экономически оправдано (обычно при получении объектом слабых и средних разрушений).

Оценка устойчивости объекта к воздействию светового излучения взрыва заключается в определении предела устойчивости здания к световому излучению и сопоставлении этого значения с ожидаемым максимальным световым импульсом на объекте. Оценка устойчивости объекта к воздействию проникающей радиации ядерного взрыва заключается в определении максимального значения дозы излучения, ожидаемой на объекте, определении степени поражения людей и повреждения материалов и приборов, чувствительных к радиации (ЭВМ, оптические приборы).

Те же принципы лежат и в основе методик оценки устойчивости к химическому заражению, а также ко вторичным факторам поражения СДЯВ: затоплению местности и др.

Пожарная обстановка на промышленном предприятии определяется исходя из характера застройки, огнестойкости зданий и категорий пожарной опасности объекта. Исходными данными для оценки служат: расстояние между зданиями R, м; длина фронта пожара L, м; относительная влажность воздуха; тип защитных сооружений (встроенные, отдельно стоящие, негерметичные) К; скорость ветра VB, м/с.

Затем устанавливается категория пожарной опасности (ПО) объекта исходя из характера технологического процесса и типа промышленного производства.

Кроме того, учитывается, что в зданиях I степени огнестойкости пожар возникает от повреждения газовых и электрических сетей при взрывах с избыточным давлением РФ = 30...50 кПа [8].

Категории объектов по пожарной опасности (ПО):

Д - предприятия по холодной обработке металла, корпусные, механосборочные цехи [8].

Вероятность возникновения и распространения пожара для средних топографических и климатических условий определяется как функция Р =У(П) по графику [8]:

Вероятность Р, % определяется (по плотности застройки П,%), или в зависимости от расстояния между зданиями R: при R = 20м Р = 27% [8];

Исходя из вышеизложенного определим степень огнестойкости для используемых зданий - I степень. Категории объектов пожарной опасности (ПО) - Д. Расстояние между зданиями R=20 м, так как при этом осуществляется максимальная экономия площадей и резко падает вероятность распространения пожара (Р=27%).

Заключение

Темы дипломных проектов должны отражать реальные задачи, стоящие перед отечественным машиностроением и, в частности, перед предприятием - базой практики, или перед его подразделением. Они должны предусматривать повышение эффективности работы механических или сборочных участков и цехов на основе рационализации действующих единичных, типовых, групповых технологических процессов, а также на основе усовершенствования конструкций оборудования, технологической оснастки, средств механизации и автоматизации операций и организации производства.

В соответствии с конкретной темой в дипломном проекте может преобладать технологическая, конструкторская, организационная или исследовательская часть, однако, в соответствии с типовой структурой проекта. Для подтверждения рациональности выполненных разработок в дипломном проекте предусматривается расчет их экономической эффективности.

Список использованных источников

1. Бабук В.В. и др. "Проектирование технологических процессов механической обработки в машиностроении". - Мн.: Высшая школа. 1987.

. Справочник технолога-машиностроителя. Под редакцией Косиловой А.Г. Т. 1. М.: Машиностроение. 1985.

. Справочник технолога-машиностроителя. Под редакцией Косиловой А.Г. Т. 2. М.: Машиностроение. 1985.

. Общемашиностроительные нормативы вспомогательного времени и времени на обслуживание рабочего места на работы, выполняемые на металлорежущих станках. Массовое производство. Изд. 3-е. М.: Машиностроение, 1974. - 136 с.

. Технологическая оснастка: Учебник для студентов машиностроительных вузов / М.Ф. Пашкевич, Ж.А. Мрочек, Л.М. Кожуро, В.М. Пашкевич. - Мн.: Адукацыя i выхаванне, 2002. - 320 с.

. Спиваковский А.О., Дьячков В.К. Транспортирующие машины: Учеб. пособие для машиностроительных вузов. - 3-е изд., перераб. - М.: Машиностроение, 1983. - 487 с.

. Технология машиностроения. Курсовое и дипломное проектирование. М.Ф. Пашкевич и др. - Минск: Изд-во Гревцова, 2010. - 400с.

. Справочная книга по охране труда в машиностроении/Г.В. Бектобеков, Н.Н. Борисова, В.И. Коротков и др.; Под общ. ред. О.Н. Русака - Л.: Машиностроение. Ленингр. отдел, 1989.

. Расчеты зуборезных инструментов. Романов В.Ф. М., "Машиностроение", 1969, стр. 251.

. Методические указания для выполнения лабораторных и практических работ "Разработка технологических планировок" для студентов специальности "Технология машиностроения". БрГТУ, 2008.

. Методические указания к выполнению экономического раздела дипломного проекта по специальности "Технология, оборудование и автоматизация машиностроения". БрГТУ, 2006.

. Методические указания по расчету припусков расчетно-аналитическим методом для студентов специальности "Технология машиностроения". БрГТУ, 2010.

. Методические указания к практическим работам "Размерный анализ технологических процессов изготовления деталей" для студентов специальности "Технология оборудования и автоматизация машиностроения". БрГТУ, 2001.

. Обработка металлов резанием. Справочник технолога. Под редакцией

Панова А. М. - М.: Машиностроение, 1985.

. Горохов В.А. Проектирование и расчет приспособлений. Мн. Высшая школа, 1983г.

. Афонькин М.Г., Магницкая М.В. Производство заготовок в машиностроении. Ленинград. Машиностроение, 1987 г.

Аннотация

с., в том числе 12 ил., 15 табл., 9 листов чертежей, 1 лист плакат

В дипломном проекте дано описание объекта производства, указаны конструктивные особенности сборочной единицы, в которую входит обрабатываемая деталь. Проведены анализ служебного назначения фланца переднего моста и отработка его конструкции на технологичность. Обоснован выбор метода получения заготовки и произведен расчет поковки. Произведен выбор технологических баз и методов обработки поверхностей детали для всех этапов технологического процесса. Разработан маршрутно-операционный технологический процесс. Выполнены аналитические расчеты: припусков - на две поверхности, режимов резания - на два перехода, норм времени - на одну операцию. Выбран тип производства. Выполнен проектный расчет размерной цепи. Произведен выбор количества оборудования и определены коэффициенты его загрузки

Спроектированы: специальный трёхкулачковый патрон на токарно-автоматную операцию, сборная червячная фреза для нарезки шлицев фланца, скоба активного контроля для шлифовальной операции, цепной подвесной конвейер. Приведена схема инструментальной наладки на токарно-автоматную операцию. Решен комплекс технико-организационных вопросов. Разработана планировка участка. Произведены экономические расчеты и составлена таблица технико-экономических показателей обработки фланца при этом экономический эффект составил 560,64 млн. руб. Разработаны и освещены основные мероприятия по охране труда и окружающей среды.

Необходимая техническая документация оформлена в виде комплекта документов на изготовление детали в соответствии с требованиями ЕСКД на соответствующие карты по ГОСТ 3.1118-82, ГОСТ 3.1105-84, ГОСТ 3.1302-85, ГОСТ 3.1404-86 и другие.