Материал: Проектирование цифровых систем передачи

Внимание! Если размещение файла нарушает Ваши авторские права, то обязательно сообщите нам

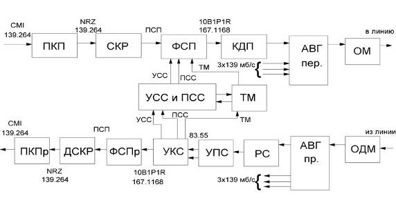
Выделенные сигналы СС и ТМ поступают в блок телемеханики и СС (БТМСС), а также при необходимости выделяется дополнительный цифровой поток с R=2,048 Мбит/с.

Восстановленный информационный сигнал объединяется с сервисными сигналами, преобразуется в оптический сигнал с помощью лазерного диода и через оптический разъем подается в линейный ОК.

В тракте приема ОП линейный оптический сигнал из OK поступает на плату приема, где осуществляется преобразование его в электрический. Преобразованный сигнал регенерируется по амплитуде, длительности и положению на тактовом интервале. Из регенерированного сигнала выделяются сигналы ПCC и УСС, а также ТМ. После выделения из сигнала всей сервисной информации в формирователе приема (ФСПр) происходит преобразование сигнала в коде 10В1Р1R в сигнал с понижением скорости до 139,264 Мбит/с и дальнейшей его подачей на аппаратуру временного группообразования, а также выделение цифрового потока с 2,048 Мбит/с.

Функциональная схема аппаратуры солт

ПКП - преобразователь кода

СКР - скремблер

ДСКР - дескремблер

ФСП - формирователь случайной последовательности

КДП - компенсатор дрейфа постоянной составляющей

АВГ - аппаратура временного группообразования

ОМ - оптический модулятор

ОДМ - оптический демодулятор

УКС - устройство контроля синхронизации

УПС - устройство преобразования сигнала

РС - регенератор стационарный

.4 Нормирование параметров качества на участках сети ЦСП

При проектировании цифровых систем передачи и оценке их параметров необходимо учитывать ряд особенностей.

В цифровых системах передачи аналоговые сигналы преобразуются в цифровую форму, поэтому не существует непосредственной взаимосвязи между характеристиками цифрового сигнала и мощностью исходного аналогового сигнала т.е. параметры цифровой системы передачи в значительной степени не зависят от загрузки. Таким образом, понятие часа наибольшей нагрузки, весьма важное для АСП, практически теряет свое значение для цифровых систем передачи. Одной из важнейших характеристик цифровых систем передачи является коэффициент ошибок. Для цифровых систем передачи характерно наличие определенного порога, ниже которого система работает почти идеально, а при превышении его оказывается практически непригодной для использования.

Поэтому поддержанию требуемого отношения сигнал/шум, а следовательно коэффициента ошибок в цифровых системах передачи, необходимо уделять особое внимание. При нормировании параметров каналов передачи и групповых трактов первичной сети за основу принимаются параметры ОЦК. При проектировании цифровых трактов передачи обычно стремятся обеспечить вероятность ошибки . Для выполнения этого требования при международном соединении, максимальная протяженность которого в соответствии с рекомендациями МККТТ составляет 27500 км, должны выполняться более жесткие требования к значениям  на различных участках номинальной цепи ОЦК ВСС РФ. В настоящее время окончательно не установлены принципы нормирования параметров качества, определяемых рекомендацией МККТТ G.821 на отдельных участках сети. Рассмотрим один из подходов к распределению указанных норм между различными участками соединения.

Международное соединение канала с пропускной способностью 64 кбит/с (т.е. ОЦК) предлагается рассматривать как линию, состоящую из участков низшего и среднего классов качества на каждом конце соединения и участка высшего класса качества максимальной протяженностью 25000 км.

При этом общие нормы соответствующих параметров качества при оценке ошибок при международном соединении разделяются по участкам следующим образом: на весь участок высшего качества отводится 80 % общей нормы, на каждый участок среднего качества по 8 %, а на участки низшего качества по 2 %.

Если принять указанное распределение за основу, то при переходе от международного соединения к номинальной цепи ОЦК (национальная сеть) получим следующие значения параметров качества: на номинальную цепь магистральной первичной сети (протяженностью 12500 км), входящую в состав участка высшего качества национальной сети, отводится 40 % общих норм, на участок внутризоновых первичных сетей (протяженностью 600 км), соответствующий участку среднего класса качества.

Участок низшего класса качества состоит из участка местной первичной сети (протяженностью 100 км) и абонентского участка местной вторичной сети, соединение на котором должны обеспечивать ЦСП вторичных сетей.

Таким образом, нормы, отводимые на участок низшего качества, должны быть распределены между участком местной первичной сети и абонентским участком. Возможное распределение норм параметров на различных участках номинальной цепи ОЦК

Если для каждого из национальных участков международного соединения принять  и распределить эту норму между участками цепи ОЦК ВСС, то получим:

; ; ,

где  - допустимая вероятность ошибки соответственно для местного, внутризонового и магистрального участков номинальной цепи ОЦК ВСС.

Учитывая, что в ЦСП ошибки суммируются (накапливаются), можно получить нормированные условные значения вероятности ошибки в расчете на один километр линейного тракта (этот параметр аналогичен километрической норме шумов в АСП):

; ;

Пользуясь значением километрической нормы вероятности ошибок, можно определить допустимые значения вероятностей ошибки для рассчитываемого участка:

;

; ,

, , .

Используя эти значения, можно оценить требования к линейным регенераторам ЦСП (установить допустимую защищенность на входе решающего устройства регенератора), работающего на соответствующих участках номинальной сети.

Т.к. линия внутризоновая и , то следует использовать формулу для внутризонового расчета ошибки расчёта ошибки:


2. Оценка параметров дискретизации, квантования и кодирования.

Выбор частоты дискретизации в ЦСП в ВД-ИКМ

В цифровых системах передачи с ВД-ИКМ дискретизации подвергается индивидуальный сигнал (сигнал КТЧ). Возможность передачи дискретизированных по времени сигналов вместо непрерывных и их неискаженного восстановления в месте приема основана на применении известной теоремы В.А. Котельникова.

В соответствии с ней любой непрерывный сигнал, спектр которого находится в полосе частот от  до , можно воспроизвести по последовательности его мгновенных значений, следующих через интервалы времени, не превышающие . Таким образом, частота следования дискретных отсчетов сигнала, то есть частота дискретизации:

.

Для восстановления непрерывного сигнала из последовательности его дискретных отсчетов в пункте приема используется ФНЧ с частотой среза . Если выбрать , то, как видно из рисунка 3, нижняя боковая полоса, определяемая из условия , совпадает с верхней частотой спектра модулирующего сигнала и для восстановления непрерывного сигнала из последовательности его дискретных отсчетов необходимо использовать идеальный ФНЧ с частотой среза .

В реальных системах ФНЧ реализуется на LC-элементах, поэтому частоту дискретизации выбирают больше критической: , то есть относительная полоса расфильтровки , где  - полоса расфильтровки,  - частота среза реального ФНЧ (рисунок 4).

Восстановление непрерывного сигнала из последовательности его дискретных отсчетов идеальным ФНЧ

Восстановление непрерывного сигнала из последовательности его дискретных отсчетов реальным ФНЧ

Исходный аналоговый сигнал обычно не имеет четко выраженной верхней граничной частоты, поэтому перед дискретизацией требуется ограничить его спектр. Так, спектр сигнала тональной частоты занимает полосу 0,3...3,4 кГц. Рассчитаем частоту дискретизации для КТЧ.

При  , получим .

3. Определение параметров линейного тракта

Для ЦСП «Сопка-4М» будем использовать оптический кабель ОКЛ-01-0.3 Магистральный кабель ОКЛ изготавливается из одномодовых волокон с сердцевиной диаметром 10 мкм, имеет две модификации: с медными проводниками диаметром 1,2 мм для дистанционного питания регенераторов и без медных проводников с питанием от местной сети или автономных источников теплоэлектрогенераторов (ТЭГ).

Оптический кабель типа ОКЛ

- оптическое волокно фирмы "Корнинг"

- гидрофобный заполнитель

- центральный силовой элемент (стеклопластиковый стержень или стальной трос в ПЭ оболочке)

- водоблокирующая лента (по требованию)

- полимерная трубка

- скрепляющая лента

- вспарывающий корд(по требованию)

- кордель

- полимерная защитная оболочка

- маркировка

Центральный силовой элемент выполнен из стеклопластиковых стержней.

Наружный покров кабеля имеет несколько разновидностей: для прокладки в канализации - это полиэтиленовый шланг (марка ОКЛ), для подземной прокладки - броневой покров из стеклопластиковых стержней (ОКЛС), стальных лент (марка ОКЛБ), круглой проволоки (ОКЛК).Для подводных речных переходов создан кабель с алюминиевой оболочкой и круглопроволочной броней (ОКЛАК). Для станционных вводов и монтажа используется кабель ОКС.

.1 Выбор типа кода ЛЦС для ЦСП на оптическом кабеле

К линейным кодам ВОСП предъявляются следующие требования:

1)   Энергетический спектр кода в линии должен иметь минимальную спектральную плотность на нулевой частоте, а также минимальные НЧ и ВЧ составляющие.

2)      Линейный код должен содержать информацию о тактовой частоте передаваемого сигнала.

)        Непрерывная часть энергетического спектра должна иметь низкий уровень в области тактовой (или кратной) частоты, используемой для синхронизации приема.

)        Желательно, чтобы основная доля энергии непрерывной составляющей энергетического спектра была сосредоточена в относительно узкой части спектра.

)        Для удобства выделения синхрочастоты и обеспечения устойчивой работы регенераторов статистические характеристики цифровых сигналов должны быть произвольными. В частности, должно быть ограничено максимальное число последовательностей символов одного уровня или амплитуды.

)        Код не должен налагать какие-либо ограничения на передаваемое сообщение и однозначную передачу любой последовательности единиц и нулей.

)        Алгоритм формирования цифрового сигнала должен позволять надежно контролировать качество передачи в процессе автоматической эксплуатации ВОСП путем контроля ошибок регенераторов.

)        Устройства кодирования, декодирования и контроля ошибок должны быть простыми, надежными и малоэнергоемкими.

)        Желательно, чтобы линейный код позволял осуществлять передачу сервисных сигналов.

)        Линейный код не должен приводить к существенному размножению ошибок при декодировании.

)        Желательно, чтобы линейный код имел малую избыточность.

)        Структура линейного кода и форма элементарных символов кода должны соответствовать характеристикам оптического кабеля.

)        Возможность без труда менять число каналов.

)        Совместимость с существующими кодами для электрических кабельных линий.

В ЦСП «Сопка-4М» используется код 10B1P1R с битом служебной связи.

В качестве символов кода 10B1P1R помимо десяти информационных символов присутствуют еще два дополнительных P и R. Функции символа R заключаются в передаче дополнительной информации, а именно: кода синхронизации, сигналов СС, символов ТМ (телемеханики), резервных цифровых потоков. Функции символа P заключаются в организации процесса компенсации дрейфа постоянной составляющей кода 10B1P1R. Частота следования символов Р и R составляет 27,85 МГц при скорости передачи сигналов в линии 167,1168 Мбит/с.

Энергетический спектр кодов 10В1Р1R и 2В4В

.2 Расчет длины регенерационного участка ЦСП

В настоящее время для ЦСП применяются различные типы кабелей связи. Это симметричные, коаксиальные, а в последнее время широкое применение получили оптические кабели. По заданию требуется рассчитать ЦСП на оптическом кабеле - ОКЛ 01-0.3.