Материал: Проектирование цифровых систем передачи

Внимание! Если размещение файла нарушает Ваши авторские права, то обязательно сообщите нам

Проектирование цифровых систем передачи

ФЕДЕРАЛЬНОЕ АГЕНТСТВО ПО ОБРАЗОВАНИЮ

РЯЗАНСКИЙ ГОСУДАРСТВЕННЫЙ РАДИОТЕХНИЧЕСКИЙ УНИВЕРСИТЕТ

Кафедра РУС









Пояснительная записка к курсовой работе

на тему: «Проектирование цифровых систем передачи»

по дисциплине «Многоканальные телекоммуникационные системы»


Выполнил: ст.гр.118

Коньков Д.И.

Проверил:

Казаков Ю.К.




Рязань, 2015 г.

Содержание

Введение

. Эскизное проектирование ЦСП

.1 Исходные данные при проектировании ЦСП

.2 Выбор трассы магистрали

.3 Выбор аппаратуры уплотнения

.4 Нормирование параметров качества на участках сети ЦСП

. Оценка параметров дискретизации, квантования и кодирования

.1 Выбор частоты дискретизации в ЦСП с ВД-ИКМ

. Определение параметров линейного тракта

.1 Выбор типа кода ЛЦС для ЦСП на оптическом кабеле

.2 Расчет длины регенерационного участка ЦСП

.2.1 Расчет длины регенерационного участка по затуханию

.2.2 Расчет длины регенерационного участка по дисперсии

.3. Оценка требуемой помехозащищенности регенератора

.4 Сравнительный анализ ОР и ОУ

. Формирование структуры цикла передачи

.1 Выбор метода согласования скоростей

4.2 Формирование временной структуры группового сигнала и

оценка сетки частот генераторного оборудования

.2.1 Формирование структуры цикла передачи для систем

передачи низшего порядка (первичная, субпервичная)

.2.2 Формирование структуры цикла передачи для систем

передачи высших порядков (вторичная, третичная)

.3 Оценка параметров системы цикловой синхронизации

. Оценка эффективности и надёжности проектируемой ЦСП

.1 Оценка эффективности проектируемой ЦСП

.2 Оценка надёжности проектируемой ЦСП

Список литературы

Введение

В настоящее время во всём мире, в том числе и в РФ, возросли требования к сетям связи как с точки зрения обеспечения высоких показателей надёжности связи, так и расширения предоставляемых услуг абонентам. Удовлетворение потребностей в средствах связи, развитие и модернизация сетей электросвязи могут быть реализованы на базе новых технологий, таких как оптические линии связи, цифровые системы коммутации и цифровые системы передачи.

Интенсивное развитие цифровых систем передачи (ЦСП) объясняется существенными их преимуществами по сравнению с аналоговыми системами передачи (АСП). Основными преимуществами ЦСП перед АСП является следующее:

) более высокая помехоустойчивость;

) независимость качества передачи от длины линии;

) стабильность параметров канала ЦСП;

) эффективность использования пропускной способности каналов для

передачи дискретных сигналов;

) более простая математическая обработка сигналов;

) Возможность построения цифровой сети связи;

) высокие технико-экономические показатели.

Основным недостатком ЦСП, работающих на электрическом кабеле, является необходимость использования для передачи одинакового объёма информации значительно более широкого, чем в аналоговых системах, спектра частот в линии, из-за чего промежуточные регенерационные станции приходится размещать более часто, чем усилительные пункты в аналоговых системах. Однако при использовании ЦСП для работы на оптическом кабеле (ОК), благодаря широкой полосе пропускания и малому затуханию оптического волокна, это обстоятельство оказывается, несущественным и расстояние между регенераторами на ОК во много раз превышает длину усилительного участка АСП.

Достоинства ЦСП в наибольшей степени проявляется в условиях цифровой сети связи. Такая сеть содержит только цифровые тракты, которые соединяются на сетевых узлах и заканчиваются цифровыми системами коммутации и цифровыми абонентскими установками.

В настоящее время в нашей стране идёт интенсивный процесс цифровизации связи, то есть переход с традиционных аналоговых систем передачи на цифровые.

1. Эскизное проектирование ЦСП

цифровой сигнал передача

1.1 Исходные данные при проектировании

Исходными данными при проектировании ЦСП являются:

-       информационная емкость, определяемая числом каналов ТЧ: N = 1300;

-       оконечные пункты магистрали, определяющие длину трассы: Москва-Владимир.

-       режим работы ЦСП.

.2 Выбор трассы магистрали

Трасса линии передачи прокладывается так, чтобы при обеспечении связью всех пунктов затраты на сооружение и эксплуатацию магистрали были минимальными.

Трасса магистрали выбирается, как правило, вдоль шоссейных и железных дорог, чтобы обеспечить удобное эксплуатационное обслуживание линейных сооружений связи, проходит через населенные пункты, в которых можно разместить обслуживаемые усилительные пункты (ОУП).

При сравнении вариантов трасс учитываются следующие факторы: протяженность трассы, необходимое количество каналов между различными пунктами, рельеф местности, энерговооруженность промежуточных пунктов и т. п.

Электрическая длина кабеля равна 101% от длины трассы. В дальнейших расчетах под длиной трассы подразумевают электрическую длину кабеля.

Ситуационная схема трассы Москва - Владимир

.3 Выбор аппаратуры уплотнения и построение схемы организации связи

В соответствии с выбранной трассой осуществляются выбор аппаратуры уплотнения и построение схемы организации связи. При этом необходимо знать назначение проектируемой системы, требуемую дальность связи и количество каналов между оконечными и промежуточными пунктами.

Составим схему условного размещения пунктов связи (рисунок 2) с указанием необходимого количества каналов между оконечными и промежуточными пунктами, исходя из задания на проектирование.

Расстояние между Москвой и Коломной составляет , а электрическая длина кабеля при этом .

В качестве вариантов рассматриваются стандартные ЦСП. Выбор наилучшего варианта обусловлен совокупностью технических и экономических показателей системы передачи.

Наиболее эффективным вариантом построения ЦСП на заданное число каналов N при заданной длине  магистрали является вариант определенный по минимальной сумме приведенных затрат .

Схема условного размещения пунктов связи

В качестве вариантов аппаратуры уплотнения будем рассматривать системы передачи:

вариант: ИКМ-1920;

вариант: ИКМ-480.

Рассчитаем экономическую эффективность этих вариантов.

Значения показателей для КОО оконечных станций для всех вариантов могут быть приняты как: ,

 - нормированный коэффициент эффективности

ИКМ-1920 (1 вариант)

Удельные затраты по каналообразующему оборудованию(КОО):

Годовые эксплуатационные расходы на КОО:

Удельные затраты по оборудованию линейно-аппаратного цеха (ЛАЦ):

Годовые эксплуатационные расходы на ЛАЦ:

Удельные затраты по линейному тракту:

Годовые эксплуатационные расходы по линейному тракту:

Удельные капитальные затраты на один телефонный канал:


Годовые эксплуатационные расходы на один телефонный канал:


Наименьшая сумма приведенных затрат:


ИКМ-480 (2 вариант)

Удельные затраты по каналообразующему оборудованию(КОО):

Годовые эксплуатационные расходы на КОО:

Удельные затраты по оборудованию линейно-аппаратного цеха (ЛАЦ):

Годовые эксплуатационные расходы на ЛАЦ:

Удельные затраты по линейному тракту:

Годовые эксплуатационные расходы по линейному тракту:

Удельные капитальные затраты на один телефонный канал:

Годовые эксплуатационные расходы на один телефонный канал:


Наименьшая сумма приведенных затрат:


Сводная таблица расчета:

Номер варианта

Кiкоо

Ciкоо

Kiлац

Ciлац

KiL

CiL

Kimin

1 вар. (ИКМ-1920)

117

53

120

36

18

0.6

971.79

2 вар. (ИКМ-480)

117

53

152

70

8

0.7

742.43


По результатам расчетов мы видим что использование системы ИКМ-1920 будет обходиться дороже системы ИКМ-480, но нельзя забывать о том, что по численности населения на 1 января 2014 года, Владимир находится на 52 месте из 1100 городов Российской Федерации и с каждым годом население города увеличивается. Так же Владимир является крупным промышленным центром Центральной России. Поэтому в будущем городу могут потребоваться дополнительные каналы связи. Ещё одной причиной выбора ИКМ-1920 может являться то, что для обеспечения связи по заданным каналам нам потребуется 3 стойки аппаратуры уплотнения ИКМ-480, а следовательно в 3 раза больше кабеля в отличие от одной стойки ИКМ-1920.

Таким образом, видно, что наиболее целесообразным следует считать 1-ый вариант, т. е. построение ЦСП на основе системы связи ИКМ-1920.

Рассмотрев два варианта выбора аппаратуры уплотнения, я выбираю оптическую систему «Сопка-4М».

При проектировании цифровой системы передачи между Москвой и Владимиром нельзя не обратить внимания на населенные пункты находящиеся на пути прокладки кабеля. Исходя из этого в данной курсовой работе мною было принято решение о предоставлении каналов связи данным населенным пунктам.

Из-за частого ввода-вывода цифрового потока в плезиохронной цифровой иерархии мы рискуем качеством принимаемой информации в городах первостепенной важности. Для решения данных проблем было предложено параллельно с аппаратурой «Сопка 4М» установить ИКМ-120

Характеристики ЦСП «Сопка-4М»:

Число каналов N

1920

Частота дискретизацииFД, кГц

14256

Цикловая частота FЦ, кГц

64

Число разрядов кода, m

8

Защищённость от шумов квантования Aз, дБ

61

Максимальная частота согласования скоростей Fс, Гц

870

Среднее время восстановления синхронизма tв, мс

0.15

Скорость передачи в линейной тракте V, кбит/с

167117

Тип линейного кода

10B1P1R

Предельная длина однородного линейного тракта, км

830

Длина регенерационного участка Lру, км

70

Тип электрического кабеля

ОКЛ-01-0.3

Рабочая длина волны λ, мкм

1.55

Энергетический потенциал системы Э, дБ

38

Энергетический запас системы З, дБ

4

Число уровней квантования

256

Максимальное число НРП на участке между двумя соседними ОП

12


Принцип работы оборудования линейного тракта:

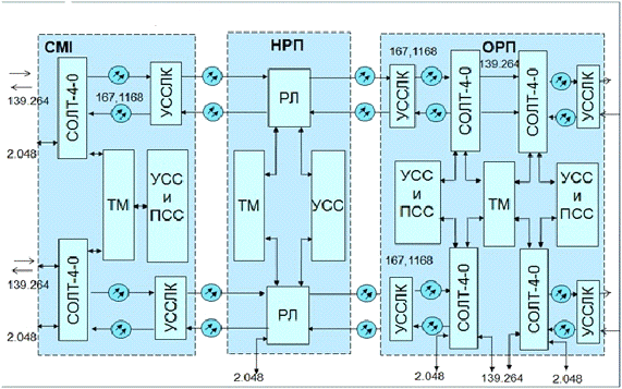
Структурная схема ВОСП-1920 представлена на рис.3. Сигнал со скоростью 139,264 Мбит/с в коде стыка СМ-1 поступает в тракт передачи стойки СОЛТ-4-0, где происходит его преобразование сигнала в код NRZ без изменения скорости. На эту стойку так же подается дополнительный цифровой поток. Далее сигналы поступают в формирователь сигнала (ФСП), где осуществляется формирование оптического сигнала в коде 10B1P1R с увеличением скорости сигнала до 167,1168 Мбит/с, тем самым образуются дополнительные места для ввода сигналов ПСС и УСС. С выхода ФСП оптический информационный сигнал и сигнал СС объединяется с сигналом ТМ, поступающим с фазового модулятора. Объединенный оптический сигнал через оптический разъем УССЛК (устройство стыковки станционного и линейного кабеля) поступает в оптический линейный кабель (ОК).

Структурная схема ВОСП «Сопка -4, -4М»

УССЛК- устройство стыковки станционного и линейного кабеля

СОЛТ-4М-стойка оборудования линейного тракта

ТМ-устройства телемеханики

УСС-устройство служебной связи

РЛ-линейный регенератор

ОП-оборудование оконечных пунктов

ОРП-обслуживаемый регенерационный пункт

НРП-необслуживаемый регенерационный пункт

Входной оптический сигнал из OK поступает в НРП на блок регенератора линейного (БРЛ), где детектируется - преобразуется в электрический и усиливается. Далее в информационном сигнале восстанавливаются амплитудно-временные характеристики с разделением его на два информационных сигнала, один из которых несет информацию о четных символах исходного сигнала, другой о нечетных, для осуществления поиска синхро-группы в информационном сигнале, для восстановления и удержания состояния синхронизма.