Для уменьшения площади печатных плат применяют многослойные печатные платы (МПП), состоящие из чередующихся слоев диэлектрика с проводящими рисунками, между которыми выполнены требуемые соединения. Соединения между проводящими рисунками слоев МПП могут быть осуществлены через металлизированные отверстия. Распределение печатных проводников в слоях МПП позволяет значительно сократить размеры печатных плат, что особенно важно при использовании микросхем, содержащих множество выводов.
В устройствах малой сложности и в аппаратуре, к которой не предъявляются очень высокие требования к плотности монтажа, применяют однослойные и двухслойные платы. В аппаратуре средней и большой сложности часто используют многослойные печатные платы.
Однослойные и двухслойные платы состоят из основания, на которое с одной или двух сторон наносятся печатные проводники. Основания плат должны обладать достаточной механической прочностью, малыми диэлектрическими потерями, высокой нагревостойкостью и хорошей адгезией (сцепляемостью) материалов платы и печатных проводников. При изготовлении печатных плат широко используют стеклотекстолит, стеклоткань, гетинакс, фторопласт-4 и некоторые другие диэлектрики. Толщина плат 0,8-3 мм, а их типовые габаритные размеры 135X110; 135X246; 140X130; 140X150; 140X240; 150X200; 170X75; 170X110; 170X120; 170Х130; 170X150; 170X160; 170X200. Печатные проводники выполняют чаще всего из меди, алюминия, никеля или золота толщиной 20 - 70 мкм.
При выборе сечения, конфигурации и расстояния между проводниками исходя из допустимой плотности тока (менее 20 А/мм2), рабочего напряжения, условий теплоотвода и прочности сцепления проводников с основанием. Ширина проводников печатных плат обычно составляет 1,5 - 2,5 мм, а расстояние между ними 0,3 - 1 мм. Для плат с повышенной плотностью монтажа ширину проводников и зазоры между ними уменьшают до 0,15 - 0,5 мм.
Печатные платы с установленными на них элементами закрепляют с помощью крепежных отверстий на элементах конструкций электронной аппаратуры, к которым относят субблоки, блоки, каркасы, контейнеры, стойки, пульты. В современной электронной аппаратуре, построенной на базе микросхем, в качестве субблоков обычно применяют печатные узлы, которые вставляют по направляющим в блоки. Электрические соединения субблоков с блоками и блоков между собой осуществляют через контактные разъемы. Таким образом, из субблоков и блоков, как из отдельных «кирпичей», создают сложные приборы и устройства. Блочный принцип конструирования электронной аппаратуры облегчает поиск и устранение неисправностей, а также повышает технологичность аппаратуры.
Для построения печатной платы прибора
воспользуемся приложением PCB Layout. Приложение автоматически переводит
спроектированную электрическую схему в печатную плату, проводит трассировку,
оптимизацию и коррекцию печатной платы.
3.Технологический
процесс
.1 Проектирование
технологического процесса
Для изложения технологических процессов в МК используют способ заполнения, при котором информацию вносят построчно несколькими типами строк. Каждому типу строки соответствует свой служебный символ.
Служебные символы условно выражают состав информации, размещаемой в графах данного типа строки формы документа, и предназначены для обработки содержащейся информации средствами механизации и автоматизации.
Простановка служебных символов является обязательной и не зависит от применяемого метода проектирования документов.
Допускается не проставлять служебный символ на последующих строках, несущих ту же информацию, при описании одной и той же операции, на данном листе документа, для документов, заполняемых рукописным способом или с помощью печатающей машинки и не подлежащих обработке средствами механизации и автоматизации.
В качестве обозначения служебных символов приняты буквы русского алфавита, проставляемые перед номером соответствующей строки, и выполняемые прописной буквой, например, М01, А12 и т.д.
Для изложения технологических процессов в МК используют способ заполнения, при котором информацию вносят построчно несколькими типами строк. Каждому типу строки соответствует свой служебный символ.
Служебные символы условно выражают состав информации, размещаемой в графах данного типа строки формы документа, и предназначены для обработки содержащейся информации средствами механизации и автоматизации.
Простановка служебных символов является обязательной и не зависит от применяемого метода проектирования документов.
Допускается не проставлять служебный символ на последующих строках, несущих ту же информацию, при описании одной и той же операции, на данном листе документа, для документов, заполняемых рукописным способом или с помощью печатающей машинки и не подлежащих обработке средствами механизации и автоматизации.
В качестве обозначения служебных символов
приняты буквы русского алфавита, проставляемые перед номером соответствующей
строки, и выполняемые прописной буквой, например, М01, А12 и другие.
.2 Документы
технологического процесса
Проектируемый технологический процесс оформляют соответствующей технологической документацией из числа стандартов ЕСТД. Комплектность, виды и формы технологических документов выбирает разработчик.
Полный состав технологических документов, правила и положения по порядку их разработки и оформления определяет Единая система технологической документации (ЕСТД).
К технологическим документам относятся графические и текстовые документы, которые в совокупности или в отдельности определяют технологический процесс изготовления или ремонта изделия и содержат необходимые данные для его организации.
Технологические документы подразделяют на документы общего назначения и документы специального назначения (на технологические процессы, специализированные по технологическим методам выполнения).
К документам общего назначения относятся:
титульный лист (ТЛ);
карта эскизов (КЭ);
технологическая инструкция (ТИ).
К специальным документам относятся:
маршрутная карта (МК) - для маршрутного или маршрутно-операционного описания технологического процесса или указания полного состава технологических операций при операционном описании изготовления или ремонта изделия (составных частей изделия), включая контроль и перемещения по всем операциям различных технологических методов в технологической последовательности с указанием данных об оборудовании, технологической оснастке, материальных нормативах и трудовых затратах;
карта технологического процесса (КТП)-для операционного описания технологического процесса изготовления или ремонта изделия (составных частей изделия) в технологической последовательности по всем операциям одного вида формообразования, обработки, сборки или ремонта с указанием переходов, технологических режимов и данных о средствах технологического оснащения, материальных и трудовых затратах;
карта типового (группового) технологического процесса (КТТП). Применяется вместе с ведомостью деталей (сборочных единиц) к типовому (групповому) технологическому процессу (ВТП);
карта технологического процесса ремонта (КТПР) - для разработки технологического процесса ремонта изделия, сборочной единицы и детали по операциям с привязкой к имеющимся дефектам;
операционная карта (ОК) -для описания технологической операции с указанием последовательного выполнения переходов, данных о средствах технологического оснащения, режимах и трудовых затратах.
Разработка технологических процессов производится для изделий, конструкция которых отработана на технологичность и включает комплекс взаимосвязанных работ. К ним относятся:
выбор заготовок;
выбор технологических баз;
подбор типового технологического процесса;
определение последовательности и содержания технологических операций;
определение, выбор и заказ новых средств технологического оснащения (в том числе средств контроля и испытания);
назначение и расчет режимов обработки;
нормирование процесса;
выбор средств механизации и автоматизации элементов технологических процессов и внутрицеховых средств транспортирования и другие.
При разработке технологических процессов используются классификаторы технологических операций, системы обозначения, типовые технологические процессы, стандарты, каталоги, справочники и "Единая система технологической документации (ЕСТД)".
При разработке типовых технологических процессов необходимо учитывать конкретные производственные условия типового представителя группы изделий, обладающих общими конструктивно-технологическими признаками.
К типовому представителю группы изделия обычно относится такое изделие, изготовление которого требует наибольшего количества основных и вспомогательных операций, характерных для изделий, входящих в эту группу.
Необходимость разработки типовых технологических процессов определяется экономической целесообразностью, связанной с частотой применения изделия группы. Типизация осуществляется в двух направлениях:
типизация и стандартизация отдельных операций обработки различных изделий.
Типовые технологические процессы могут быть оперативными и перспективными.
Типовые технологические процессы и стандарты на технологические операции являются информационной основой при разработке рабочего технологического процесса.
Разработанные технологические процессы
оформляются в виде технологических документов следующих видов, предусмотренных
Государственным стандартом ЕСТД (ГОСТ 3.1001-74 и 3.1106-74.).
.3 Маршрутная
карта
Маршрутная карта (МК) - технологический документ, содержащий описание технологического процесса изготовления или ремонта изделия (включая контроль и перемещения) по всем операциям различных видов и технологической последовательности с указанием данных об оборудовании, оснастке, материальных и трудовых нормативах в соответствии с установленными формами. Маршрутная карта является обязательным документом. Эту карту допускается разрабатывать на отдельные виды работ.
Маршрутная карта (МК) является составной и неотъемлемой частью комплектов ТД, разрабатываемых на ТП изготовления или ремонта изделий и их составных частей. Формы МК, установленные ГОСТ 3.1118 - 82, являются унифицированными и их следует применять независимо от типа и характера производства и степени детализации описания ТП.
Для изложения технологических процессов в МК используют способ заполнения, при котором информацию вносят построчно несколькими типами строк. Каждому типу строки соответствует свой служебный символ. Служебные символы условно выражают состав информации, размещаемой в графах данного типа строки формы документа и предназначены для обработки содержащейся информации средствами механизации и автоматизации. Простановка служебных символов является обязательной.
В качестве обозначения служебных символов приняты буквы русского алфавита, проставляемые перед номером соответствующей строки и выполняемые прописной буквой, например, M01, A12 и т.д.
Служебные символы условно выражают состав информации и их следует проставлять перед номером соответствующей строки:
А - Номер цеха, участка, рабочего места, где выполняется операция, номер операции, код и наименование операции, обозначение документов, применяемых при выполнении операции.
Б - Код, наименование оборудования и информация по трудозатратам.
К - Информация по комплектации изделия (сборочной единицы) составными частями с указанием наименования детали, сборочных единиц, их обозначение, обозначение подразделений, откуда поступают комплектующие составные части, кода единицы величины, единицы нормирования, количества на изделие и нормы расхода.
М - Информация о применяемом основном материале и исходной заготовке, информация о применяемых вспомогательных и комплектующих материалах с указанием наименования и кода материала, обозначения подразделения, откуда поступает материал, кода единицы величины, единицы нормирования, количества на изделие и нормы расхода.
О - Содержание операции (перехода).
Т - Информация о применяемой при выполнении операции технологической оснастке.
Р - Переменные данные по режимам резания,
расчётные данные по основному и вспомогательному времени.
Заключение
В ходе написания данного курсового проекта на тему «Проектирование цифрового универсального триггера» было изучено:
устройство и принцип действия универсального триггера.;
проведен сравнительный анализ разновидностей устройства.
Были приобретены навыки по проектированию цифрового устройства.
В процессе работы изучалась научная литература, выполнялось составление пакета технологических документов, таких как: электрическая принципиальная схема, расположение элементов на печатной плате и сборочная схема.
Приобретены навыки по проектированию цифрового устройства.
Выполнена работа с программой Dip Trace, в которой в результате были разработаны чертежи: чертеж печатной платы, схема электрическая принципиальная. Все чертежи прилагаются. На примере проектирование универсального триггера, были проработаны стадии проектирования, которые регламентированы стандартами ГОСТ 2.103-68 и ГОСТ Р 15.201-2000.
Это удобная программа,
которая призвана создавать конструкторскую и технологическую документацию,3D
модели и чертежи, что позволило справиться с задачами курсового проекта.
Список литературы
В. Амосов Схемотехника и средства проектирования цифровых устройств - М.:2007;
И.П. Норенкова Системы автоматизированного проектирования - М.: 1986;Ltd DipTrace. Руководство пользователя - М.:2012;
ГОСТ
2.105-95 - Единая система конструкторской документации. Общие требования к
текстовым документам / Автор: Царева Н.А.
Приложение А
(обязательное)
Электрическая принципиальная схема
универсального триггера

Приложение Б
(обязательное)
Проектирование универсального триггера в САПР
DipTrace
Приложение В
(справочное)
Глоссарий
Глосса́рий - словарь <https://ru.wikipedia.org/wiki/%D0%A1%D0%BB%D0%BE%D0%B2%D0%B0%D1%80%D1%8C> узкоспециализированных терминов <https://ru.wikipedia.org/wiki/%D0%A2%D0%B5%D1%80%D0%BC%D0%B8%D0%BD> в какой-либо отрасли знаний с толкованием, иногда переводом <https://ru.wikipedia.org/wiki/%D0%9F%D0%B5%D1%80%D0%B5%D0%B2%D0%BE%D0%B4> на другой язык, комментариями и примерами. Собрание глосс <https://ru.wikipedia.org/wiki/%D0%93%D0%BB%D0%BE%D1%81%D1%81%D0%B0> (иноязычных или непонятных слов в тексте книги с толкованием) и собственно глоссарии стали предшественниками словаря <https://ru.wikipedia.org/wiki/%D0%A1%D0%BB%D0%BE%D0%B2%D0%B0%D1%80%D1%8C>.
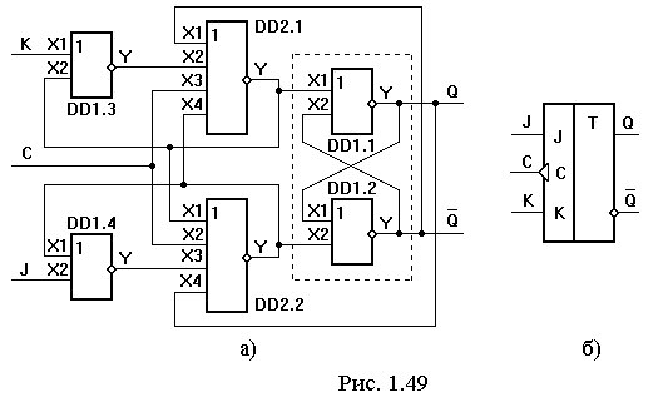
Триггер - класс электронных устройств, обладающих способностью длительно находиться в одном из двух устойчивых состояний и чередовать их под воздействием внешних сигналов. Каждое состояние триггера легко распознаётся по значению выходного напряжения. По характеру действия триггеры относятся к импульсным устройствам - их активные элементы (транзисторы, лампы) работают в ключевом режиме, а смена состояний длится очень короткое время.
Коммутатор локальной сети (local area network switch) - устройство, обеспечивающее взаимодействие сегментов одной либо группы локальных сетей.
Унификация - установление оптимального числа размеров или видов продукции, процессов или услуг, необходимых для удовлетворения основных потребностей.
Стандартизация - это деятельность, направленная на разработку и установление требований, норм, правил, характеристик как обязательных для выполнения, так и рекомендуемых, обеспечивающая право потребителя на приобретение товаров надлежащего качества за приемлемую цену, а также право на безопасность и комфортность труда.