Материал: Проектирование автоматизированной газовой котельной для системы теплоснабжения Вологодского завода ЖБК и СД

Внимание! Если размещение файла нарушает Ваши авторские права, то обязательно сообщите нам

Количество котлов, необходимых к установке, определяется исходя из тепловой нагрузки на систему отопления и горячего водоснабжения для максимально-зимнего периода. Согласно СНиП II-35-76 «Котельные установки», для нужд отопления и вентиляции требуется как минимум два котла, один из которых будет работать в среднеотопительный период, когда тепловая нагрузка значительно снижается, или, в случае аварии, может служить резервным.

Кроме того, при выборе следует останавливаться на котлах одной марки, обладающих максимальным КПД, а также требуемой температурой на выходе. При этом температура после котла должна быть больше или равна температуре в подающем трубопроводе в соответствии с расчетным температурным графиком. Наиболее рациональным является подбор котлов равной производительности.

Результаты подбора котлов показаны в таблице 6.6.

Таблица 6.6 - Сводные данные по характеристике котлоагрегатов

Показатель

1 котел

2 котел

Ед.изм.

Производительность/марка

ЗИОСАБ - М3500

ЗИОСАБ - М750

-

Мощность

3500

750

кВт

Количество

3

1

шт

Расход топлива

379,5

81,3

м3/ч

КПД котла

92

92

%

Давление по газу

-

-

кПа

Сопротивление газового тракта

950

700

Па

Сопротивление водяного тракта

2,5

2,5

кПа

Водяная емкость котла

4,3

0,91

м3

Длина камеры сгорания

3673

2260

мм

Габаритные размеры

4690х1970х2192

3120х1260х1475

мм

Так же подбираем один паровой котел. Паровой котел - это устройство, имеющее систему поверхностей нагрева для получения пара из непрерывно поступающей в него питательной воды путем использования теплоты, выделяющейся при сгорании органического топлива.
Для подбора необходимо рассчитать требуемую паропроизводительность котла, которая находиться из уравнения (6.10).

                      (6.10)

Из расчетов паропроизводительность равна 3,98 т/ч. Исходя из этого подбираем котел.

Результаты подбора котлов показаны в таблице 6.7.

Таблица 6.7 - Сводные данные по характеристике котлоагрегата

Показатель

1 котел

Ед.изм.

Производительность/марка

ЗИОСАБ FR-25-4-16

-

Паропроизводительность

4

т/ч

Количество

1

шт

Расход топлива

721

м3/ч

КПД котла

90

%

Давление пара рабочее

1,4

МПа

Сопротивление газового тракта

1080

Па

Длина камеры сгорания

3410

мм

Габаритные размеры

4680x2750x2650

мм

График загрузки и переключения котлов является наглядным изображением величины производительности котлов при их совместной работе по общей выработке тепловой энергии на нужды отопления и горячего водоснабжения.
Коэффициент загрузки, %, котла определяется по уравнению 6.11.

,                                                                      (6.11)

где Zк - загрузка котлоагрегата, ;

Qк - теплопроизводительность котлоагрегата, кВт;

Nк - количество работающих котлоагрегатов, шт;

Qот - требуемая тепловая нагрузка при данной температуре, кВт.

Расчетные данные для построения графика переключения котлов показаны в таблице 6.8.

Таблица 6.8 - Расчетные данные для построения графика переключения работы водогрейных котлов

Температура наружного воздуха, °С

Требуемая тепловая нагрузка, кВт

Мощность 1 котла, кВт

Количество 1 котлов, шт

Мощность 2 котла, кВт

Количество 1 котлов, шт

Загрузка 1 котла, %

Загрузка 2 котла, %

1

2

3

4

5

6

7

8

-32

11097,8

3500

3

750

1

99

94

-31

10881,3

3500

3

750

1

97

94

-30

10664,8

3500

3

750

1

95

94

-29

10448,2

3500

3

750

1

93

94

-28

10231,7

3500

3

750

1

91

94

-27

10015,2

3500

3

750

1

89

94

-26

9798,7

3500

750

1

87

94

-25

9582,1

3500

3

750

1

85

94

-24

9365,6

3500

3

750

1

82

94

-23

9149,1

3500

3

750

1

80

94

-22

8932,6

3500

3

750

1

78

94

-21

8716,1

3500

3

750

1

76

94

-20

8499,5

3500

3

750

1

74

94

-19

8283,0

3500

3

750

1

72

94

-18

8066,5

3500

3

750

1

70

94

-17

7850,0

3500

3

750

1

68

94

-16

7633,4

3500

2

750

1

99

94

-15

7416,9

3500

2

750

1

96

94

-14

7200,4

3500

2

750

1

93

94

-13

6983,9

3500

2

750

1

90

94

-12

6767,3

3500

2

750

1

87

94

-11

6550,8

3500

2

750

1

84

94

-10

6334,3

3500

2

750

1

80

94

-9

6117,8

3500

2

750

1

77

94

-8

5901,2

3500

2

750

1

74

94

-7

5684,7

3500

2

750

1

71

94

-6

5468,2

3500

2

750

1

68

94

-5

5251,7

3500

2

750

1

65

94

-4

5035,2

3500

2

750

1

62

94

-3

4818,6

3500

2

750

1

59

94

-2

4602,1

3500

2

750

1

56

94

-1

4385,6

3500

2

750

1

53

94

0

4169,1

3500

1

750

1

99

94

1

3952,5

3500

1

750

1

93

94

2

3736,0

3500

1

750

1

87

94

3

3519,5

3500

1

750

1

80

94

4

3303,0

3500

1

750

1

74

94

5

3086,4

3500

1

750

1

68

94

6

2869,9

3500

1

750

1

62

94

7

2653,4

3500

1

750

1

56

94

8

2436,9

3500

1

750

1

49

94

9

2220,3

3500

1

750

1

43

94

10

2003,8

3500

1

750

1

37

94

11

563,7

3500

0

750

1

0

75

12

563,7

3500

0

750

1

0

75

13

563,7

3500

0

750

1

0

75

14

563,7

3500

0

750

1

0

75

15

563,7

3500

0

750

1

0

75

16

563,7

3500

0

750

1

0

75

17

563,7

3500

0

750

1

0

75

18

563,7

0

750

1

0

75

19

563,7

3500

0

750

1

0

75

20

563,7

3500

0

750

1

0

75

21

563,7

3500

0

750

1

0

75

22,3

563,7

3500

0

750

1

0

75

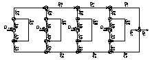
График переключения работы четырех водогрейных котлов разной производительности представлен на рисунке 6.2.

Рисунок 6.2 - График переключения работы четырех водогрейных котлов разной производительности ЗИОСАБ М-3500 и ЗИОСАБ М-750

6.3.2 Подбор горелочных устройств

Газовые горелки необходимы для подачи газа в дозированных количествах в зону сгорания и поддержания заданных тепловых характеристик во время горения. Устройства работают в автоматическом режиме. Основные элементы горелок: смеситель, горелочная насадка и стабилизирующее устройство.
На выбор горелки для котла влияют следующие факторы:
1.       Мощность. Значение мощности горелки должно быть больше топочной мощности котла.
2.       Тип регулирования мощности.
.        Тип топлива.
.        Давление газа перед горелкой и диаметр газовой арматуры.
Учитывая все факторы, подбираем одну горелку Ecoflam BLU 1000.1 PR мощностью до 875 кВт для котла ЗИОСАБ - М750 и три горелочных устройства Ecoflam BLU 4000.1 PR мощностью до 3900 кВт для котлов ЗИОСАБ - М3500. Характеристики горелочных устройств приведены в приложениях 11 и 12 в соответствии с данными [10].

6.3.3 Подбор ГРУ

Подбор осуществляется исходя из максимального и минимального давления газа на входе в котельную, давления подключения газа к горелкам и максимальный и минимальный расходы газа.
Устанавливаем газорегуляторную станцию ГСГО-02 с одной линией редуцирования на базе регулятора давления РДБК1-50 и байпасом, предназначенный для снижения давления природного газа, автоматического поддержания выходного давления в заданных пределах независимо от изменения входного давления и расхода газа, очистки его от механических примесей, блокировки подачи газа при критическом изменении заданных параметров давления и учета расхода газа.
Характеристики подобранных газорегуляторного пункта и регулятора давления газа в соответствии с данными [11] и [12] приведены в таблицах 6.9 и 6.10.

Таблица 6.9 - Характеристики газорегуляторного пункта ГСГО-02

Показатель

Давление

Ед. изм.


минимальное

максимальное


1

2

3

4

Исходные данные

Давление на входе

0,1

0,6

МПа

Давление на выходе

5

кПа

Максимальный расход газа

1051

м3/ч

Минимальный расход газа

54

м3/ч

Технические характеристики

Тип ГРП

Газорегуляторная станция

Марка

ГСГО-02

Регулятор давления

РДБК1-50

Загрузка ГРП:

- при максимальном расходе

74,3

20,7

%

- при минимальном расходе

19,1

5,3

%

Габариты

1550 х 1900 х 760

мм

Масса

250

кг

Таблица 6.10 - Характеристики регулятора давления РДГ - 50Н

Показатель

Значение

Ед. изм.

1

2

3

Регулируемая среда

Природный газ по ГОСТ 5542-87

Диапазон входного давления

0,05 - 1,2

МПа

Диапазон настройки выходного давления

1 - 60

кПа

Диапазон настройки отключающего устройства:

- при понижении выходного давления

(0,15 - 0,5)Рвых

кПа

- при повышении выходного давления

(1,25 - 1,5)Рвых

кПа

Пропускная способность:

- при минимальном входном давлении Рmin = 0,1 МПа

600

м3/ч




- при максимальном входном давлении Рmax = 0,6 МПа

2150

м3/ч




Неравномерность регулирования

±10

%

Диаметр седла

35

мм

Диаметр присоединительного патрубка:

- вход

50

мм

- выход

50

мм

Строительная длина

365

мм

Вид соединения

Фланцевое по ГОСТ 12820 - 80

Габаритные размеры

230х412х278

мм

Масса

39

кг

6.3.4 Расчет тепловой схемы котельной

Принципиальная тепловая схема характеризует сущность основного технологического процесса преобразования энергии и использования в установке теплоты рабочего тела. Она представляет собой условное графическое изображение основного и вспомогательного оборудования, объединенного линиями трубопроводов рабочего тела в соответствии с последовательностью его движения в установке.
При этом каждая дуга потокового графа является вектором, определяющим направление потока, у которого есть собственная характеристика (семантические данные) - это расход и температура. Для дальнейших расчетов необходимо перейти от температурной характеристики теплоносителя к энергетической - в форме энтальпии.

Рисунок 6.3 -Расчетный граф для системы отопления

Очевидно, что напрямую использовать эту информацию для построения расчетной математической модели невозможно.
Поэтому необходимо заменить графическое отображение каждого элемента на их математическую запись. Точечный объект одновременно является узлом математического графа. Линейный объект одновременно является дугой математического графа, Отсюда следует, что в начале и конце такого линейного объекта обязательно должны находиться точечные объекты, являющиеся узлами.
Далее для каждого узлового элемента составляется материальный и энергетический балансы в соответствии с законами сохранения массы и энергии вида:

                                                                                 (6.11)

                                                                                 (6.12)

                                                                                    (6.13)

где Gвхiи Gвыхj - входящие и выходящие для данного узла материальные потоки соответственно (иначе, расход теплоносителя), м3/ч;

Евхiи Евыхj - входящие и выходящие для данного узла энергетические потоки соответственно (иначе, расход тепловой энергии), м3/ч;

i - энтальпия теплоносителя, ккал/кг.

При этом поток будет со знаком «+», если он является входящим, и с «-», если он - выходящий. Таким образом, для системы отопления, вентиляции и горячего водоснабжения будут следующие системы уравнений:

К1:- G12 = 0∙ i11 - G12∙ i12= - QКА1

К2:- G22 = 0∙ i21 - G22∙ i22= - Q КА2

К3:- G32 = 0∙ i31 - G32∙ i32= - Q КА3

К4:- G42 = 0∙ i41 - G42∙ i42= - Q КА4

Узел 1:- G15 - G13 = 0∙ i12 - G15∙ i15+ G13∙ i13 = 0

Узел 2:+ G14 - G11 = 0∙ i13- G14∙ i14 - G11∙ i11 = 0

Узел 3:- G25- G23 = 0∙ i22- G25∙ i25- G23∙ i23 = 0

Узел 4:+ G23 - G21 = 0∙ i24 + G23∙ i23 - G21∙ i21 = 0

Узел 5:- G35 - G33 = 0∙ i32 + G35∙ i35- G33∙ i33 = 0

Узел 6:+ G33 - G31 = 0∙ i34 + G33∙ i33 - G31∙ i31 = 0

Узел7:- G45 - G43 = 0∙ i42- G45∙ i45 - G43∙ i43 = 0

Узел8:+ G43 - G41 = 0∙ i44 - G43∙ i43 - G41∙ i41 = 0

Узел9:+ G25 - G3 = 0∙ i15+ G25∙ i25 - G3∙ i3 = 0

Узел10:- G24 - G14 = 0∙ i5 - G24∙ i24 - G14∙ i14 = 0

Узел11:+ G3 - G4 = 0∙ i35- G3∙ i3 - G4∙ i4 = 0

Узел12:- G34 - G5 = 0∙ i6 - G34∙ i34 - G5∙ i5 = 0

Узел13:+ G4 - G1 = 0∙ i45+ G4∙ i4 - G1∙ i1 = 0

Узел14:- G44 - G6 = 0∙ i2 - G44∙ i44 - G6∙ i6 = 0

ТО:х + G1 - Gг - G2 = 0х∙ iх + G1∙ i1 - Gг∙ iг - G2∙ i2 = 0

Далее преобразуем полученную систему уравнений в равностороннюю матрицу. Матричная запись будет выглядеть следующим образом:

Таблица 6.8 - Матрица А

G11

G12

G13

G14

G15

G21

G22

G23

G24

G25

G31

G32

G33

G34

G35

G41

G42

G43

G44

G45

G3

G4

G5

G6

G1

1

-1

0

0

0

0

0

0

0

0

0

0

0

0

0

0

0

0

0

0

0

0

0

0

0

80

-115

0

0

0

0

0

0

0

0

0

0

0

0

0

0

0

0

0

0

0

0

0

0

0

0

0

0

0

0

1

-1

0

0

0

0

0

0

0

0

0

0

0

0

0

0

0

0

0

0

0

0

0

0

0

80

-115

0

0

0

0

0

0

0

0

0

0

0

0

0

0

0

0

0

0

0

0

0

0

0

0

0

0

0

0

1

-1

0

0

0

0

0

0

0

0

0

0

0

0

0

0

0

0

0

0

0

0

0

0

0

80

-115

0

0

0

0

0

0

0

0

0

0

0

0

0

0

0

0

0

0

0

0

0

0

0

0

0

0

0

1

-1

0

0

0

0

0

0

0

0

0

0

0

0

0

0

0

0

0

0

0

0

0

0

0

80

-115

0

0

0

0

0

0

0

0

0

1

-1

0

-1

0

0

0

0

0

0

0

0

0

0

0

0

0

0

0

0

0

0

0

0

-1

0

1

1

0

0

0

0

0

0

0

0

0

0

0

0

0

0

0

0

0

0

0

0

0

-80

0

115

70

0

0

0

0

0

0

0

0

0

0

0

0

0

0

0

0

0

0

0

0

0

0

0

0

0

0

0

1

-1

0

-1

0

0

0

0

0

0

0

0

0

0

0

0

0

0

0

0

0

0

0

0

-1

0

1

1

0

0

0

0

0

0

0

0

0

0

0

0

0

0

0

0

0

0

0

0

0

-80

0

115

70

0

0

0

0

0

0

0

0

0

0

0

0

0

0

0

0

0

0

0

0

0

0

0

0

0

0

0

1

-1

0

-1

0

0

0

0

0

0

0

0

0

0

0

0

0

0

0

0

0

0

0

0

-1

0

1

1

0

0

0

0

0

0

0

0

0

0

0

0

0

0

0

0

0

0

0

0

0

-80

0

115

70

0

0

0

0

0

0

0

0

0

0

0

0

0

0

0

0

0

0

0

0

0

0

0

0

0

0

0

1

-1

0

-1

0

0

0

0

0

0

0

0

0

0

0

0

0

0

0

0

0

0

0

0

-1

0

1

1

0

0

0

0

0

0

0

0

0

0

0

0

0

0

0

0

0

0

0

0

0

-80

0

115

70

0

0

0

0

0

0

0

0

0

0

1

0

0

0

0

1

0

0

0

0

0

0

0

0

0

-1

0

0

0

0

0

0

0

-1

0

0

0

0

-1

0

0

0

0

0

0

0

0

0

0

0

0

0

1

0

0

0

0

0

0

0

0

0

0

0

0

0

0

0

0

1

0

0

0

0

0

1

-1

0

0

0

0

0

0

0

0

0

0

0

0

0

0

0

0

-1

0

0

0

0

0

0

0

0

-1

1

0

0

0

0

0

0

0

0

0

0

0

0

0

0

0

0

0

0

0

0

1

0

1

0

0

-1

0

0

0

0

0

0

0

0

0

0

0

0

0

0

0

0

0

0

-1

0

0

0

0

-1

0

0

0

0

0

0

0

0

0

0

0

0

0

0

0

0

0

0

0

0

0

0

0

0

0

1

0

0

0

0

0

0

0

0

0

0

0

0

0

0

0

0

0

0

0

0

0

0

0

0

115