Таблица П2.1 - Расход тепловой энергии на вентиляцию
|
Наименование потребителя |
а |
q, ккал/м*ч*0С |
\/нар, мЗ |
tвн, град |
tнаp, град |
Q, Мкал/ч |
G, т/ч |
|
Лесопильный цех |
0,99 |
0,45 |
13510 |
18 |
-32 |
300,94 |
12,04 |
|
Деревообрабатывающий цех |
0,99 |
0,45 |
24121 |
18 |
-32 |
537,30 |
21,49 |
|
Арматурный цех |
0,99 |
0,2 |
19788 |
16 |
-32 |
188,07 |
7,52 |
|
Гаражи ЖБИ |
0,99 |
0,65 |
15200 |
10 |
-32 |
410,81 |
16,43 |
|
Трансформаторный цех |
0,99 |
0,12 |
6770 |
18 |
-32 |
40,21 |
1,61 |
|
ЦПД (сварочный участок) |
0,4 |
7063 |
16 |
-32 |
134,25 |
5,37 |
|
|
ИТОГО: |
1611,57 |
64,46 |
|||||
Таблица П3.1 - Расход тепловой энергии на горячее водоснабжение
|
Наименование потребителя по схеме |
Количество человек в смену, чел |
Норма ГВС на 1 работника, л/сут |
Схема подключения ПГВкТС |
Qcp, Мкал/ч |
Qмах, Мкал/ч |
G, т/ч |
|
Ремстройпуть |
28 |
11 |
Паралл. |
16,9 |
40,7 |
1,36 |
|
Здание собора |
25 |
60 |
Паралл. |
82,5 |
198,0 |
6,60 |
|
Лесопильный цех |
16 |
11 |
Паралл. |
9,7 |
23,2 |
0,77 |
|
ЦПД (сварочный участок) |
10 |
11 |
Паралл. |
6,1 |
14,5 |
0,48 |
|
Деревообрабатывающий цех - ввод-1 |
20 |
11 |
Паралл. |
12,1 |
29,0 |
0,97 |
|
Бытовые помещения котельной |
20 |
24 |
Паралл. |
26,4 |
63,4 |
2,11 |
|
Арматурный цех |
12 |
11 |
Паралл. |
7,3 |
17,4 |
0,58 |
|
Формовочный цех |
20 |
11 |
Паралл. |
12,1 |
29,0 |
0,97 |
|
Администрация ЖБИ |
59 |
7 |
Паралл. |
22,7 |
54,5 |
1,82 |
|
Трансформаторный цех (администр.) |
15 |
7 |
Паралл. |
5,8 |
13,9 |
0,46 |
|
РБУ-1 |
21 |
7 |
Паралл. |
8,1 |
19,4 |
0,65 |
|
Администрация автобазы |
18 |
7 |
Паралл. |
6,9 |
16,6 |
0,55 |
|
Новая контора автобазы |
23 |
7 |
Паралл. |
8,9 |
21,3 |
0,71 |
|
ИТОГО: |
225,4 |
540,94 |
18,03 |
|||
Таблица П4.1 - Результаты гидравлического расчета тепловой сети
|
Узел начальный |
Узел конечный |
Длина l, м |
Диаметр d, мм |
Скорость ν, м/с |
Потери напора, м |
Удельные потери, мм/м |
||
|
1 |
2 |
3 |
4 |
5 |
6 |
7 |
8 |
|
|
Укот |
Быт.помещения |
10 |
40 |
2,0 |
4,16 |
415,9 |
9 |
|
|
Укот |
ТК1 |
10 |
207 |
1,6 |
0,29 |
28,7 |
16,75 |
|
|
ТК1 |
Ул.ц. |
53 |
82 |
1,1 |
2,49 |
46,9 |
11,77 |
|
|
ТК1 |
пер.Д |
90 |
150 |
0,2 |
0,08 |
0,9 |
16,58 |
|
|
пер.Д |
ТК |
15 |
82 |
0,8 |
0,35 |
23,6 |
15,87 |
|
|
ТК3 |
Гараж |
25 |
50 |
0,2 |
0,1 |
4 |
13,86 |
|
|
ТК |
ТКсд.соб. |
90 |
82 |
0,8 |
2,12 |
23,6 |
11,62 |
|
|
ТКсд.соб. |
ТКсоб. |
48 |
50 |
0,5 |
0,91 |
18,9 |
9,81 |
|
|
ТКсоб. |
Церковная лавка |
18 |
40 |
0,1 |
0,02 |
1,1 |
9,77 |
|
|
ТКсд.соб. |
Здание собора |
6 |
50 |
1,6 |
1,21 |
202,1 |
9,2 |
|
|
ТКсоб. |
Храм |
12 |
50 |
0,4 |
0,17 |
14,3 |
9,47 |
|
|
Укот |
ТК2 |
43 |
150 |
1,5 |
1,6 |
37,3 |
14,11 |
|
|
Кот. ЖБИ СЖД |
Укот |
20 |
207 |
2,5 |
1,34 |
67 |
17,32 |
|
|
ТК2 |
Мастерские ЖБИ |
12 |
40 |
0,5 |
0,36 |
29,7 |
13,4 |
|
|
ТК1 |
ТК3 |
70 |
207 |
1,3 |
1,35 |
19,2 |
14,06 |
|
|
ТК3 |
РМЦ |
47 |
50 |
0,5 |
0,95 |
20,3 |
12,15 |
|
|
ТК3 |
ТК4 |
31 |
207 |
1,3 |
0,56 |
18 |
12,94 |
|
|
ТК4 |
Дерев. цех-1 |
10 |
82 |
0,9 |
0,28 |
28 |
12,38 |
|
|
ТК4 |
ТК5 |
50 |
207 |
1,1 |
0,6 |
12,1 |
11,73 |
|
|
ТК5 |
ЦПД |
25 |
100 |
0,3 |
0,08 |
3,3 |
11,57 |
|
|
ТК5 |
ТК6 |
71 |
207 |
0,8 |
0,48 |
6,8 |
10,77 |
|
|
ТК6 |
Проходная ЖБИ |
7 |
25 |
0,0 |
0 |
0,2 |
10,76 |
|
|
ТК4 |
ТК7 |
75 |
150 |
0,2 |
0,04 |
0,6 |
12,85 |
|
|
ТК7 |
ТК8 |
10 |
150 |
0,2 |
0,01 |
0,6 |
12,84 |
|
|
ТК8 |
Гаражи - 1 |
60 |
100 |
0,2 |
0,1 |
1,6 |
12,65 |
|
|
ТК8 |
Угар |
45 |
69 |
0,4 |
0,33 |
7,3 |
12,18 |
|
|
Угар |
Гаражи - 3 |
85 |
69 |
0,2 |
0,14 |
1,7 |
11,89 |
|
|
Угар |
Гаражи - 2 |
10 |
50 |
0,4 |
0,11 |
11,96 |
||
|
ТК6 |
ТК9 |
34 |
207 |
0,8 |
0,23 |
6,8 |
10,3 |
|
|
ТК9 |
ТК10 |
44 |
150 |
1,0 |
0,75 |
17 |
8,81 |
|
|
ТК10 |
РБУ |
10 |
82 |
0,3 |
0,03 |
3,2 |
8,75 |
|
|
ТК10 |
ТК11 |
55 |
150 |
0,9 |
0,78 |
14,2 |
7,25 |
|
|
ТК11 |
ТК12 |
65 |
100 |
0,4 |
0,33 |
5 |
6,6 |
|
|
ТК12 |
ТК13 |
40 |
100 |
0,2 |
0,05 |
1,3 |
6,5 |
|
|
ТК13 |
ТК14 |
35 |
100 |
0,2 |
0,03 |
0,8 |
6,44 |
|
|
ТК14 |
пер.Д2 |
12 |
100 |
0,0 |
0 |
0,1 |
6,44 |
|
|
пер.Д2 |
Пош.шоссе, 4 |
11 |
50 |
0,2 |
0,03 |
2,5 |
6,39 |
|
|
ТК14 |
Говор. пр-д 1 |
9 |
50 |
0,5 |
0,16 |
18,2 |
6,12 |
|
|
ТК13 |
Говор. пр-д 3 |
11 |
50 |
0,2 |
0,03 |
2,4 |
6,45 |
|
|
ТК12 |
Говор. пр-д 5 |
3 |
50 |
0,8 |
0,16 |
51,8 |
6,29 |
|
|
ТК11 |
ТК15 |
61 |
150 |
0,7 |
0,55 |
9,1 |
6,14 |
|
|
ТК7 |
Вагон бытовой |
3 |
25 |
0,1 |
0 |
0,9 |
12,85 |
|
|
Ул.ц. |
Лесопильный цех |
5 |
69 |
1,5 |
0,56 |
112,4 |
10,65 |
|
|
Ул.ц. |
Станция пож. |
40 |
32 |
0,2 |
0,27 |
6,8 |
11,23 |
|
|
ТК15 |
ТК20 |
20 |
150 |
0,6 |
0,13 |
6,7 |
5,88 |
|
|
ТК20 |
ТК21 |
14 |
150 |
0,6 |
0,07 |
5,2 |
5,73 |
|
|
ТК21 |
ТК23 |
16 |
150 |
0,4 |
0,04 |
2,3 |
5,66 |
|
|
ТК23 |
У3 |
15 |
100 |
0,1 |
0 |
0,1 |
5,65 |
|
|
У3 |
Прох. Автобазы |
20 |
50 |
0,0 |
0 |
0 |
5,65 |
|
|
У3 |
Админ. АБ |
10 |
69 |
0,1 |
0,01 |
0,6 |
5,64 |
|
|
ТК23 |
ТК24 |
75 |
150 |
0,4 |
0,15 |
2 |
5,35 |
|
|
ТК24 |
Трансп. цех-1 |
36 |
100 |
0,3 |
0,07 |
2 |
5,2 |
|
|
ТК24 |
Выстав. центр |
60 |
82 |
0,1 |
0,02 |
0,3 |
5,31 |
|
|
ТК24 |
У2 |
15 |
82 |
0,7 |
0,27 |
18 |
4,81 |
|
|
У2 |
Трансп. цех-2 |
5 |
82 |
0,5 |
0,04 |
8,4 |
4,73 |
|
|
У2 |
Админ.зд. |
73 |
50 |
0,6 |
1,9 |
26,1 |
1,02 |
|
|
ТК21 |
ТК22 |
85 |
100 |
0,4 |
0,43 |
5 |
4,91 |
|
|
ТК22 |
Таксопарк |
30 |
69 |
0,2 |
0,04 |
1,5 |
4,82 |
|
|
ТК22 |
ТК25 |
30 |
82 |
0,5 |
0,28 |
9,4 |
4,38 |
|
|
ТК25 |
У4 |
40 |
82 |
0,3 |
0,13 |
3,4 |
4,16 |
|
|
У4 |
Газавтосервис |
5 |
50 |
0,4 |
0,05 |
9,4 |
4,08 |
|
|
У4 |
Галацентр |
45 |
69 |
0,2 |
0,12 |
2,7 |
3,95 |
|
|
ТК20 |
ТК16 |
35 |
100 |
0,2 |
0,03 |
0,8 |
5,82 |
|
|
ТК16 |
ТК17 |
50 |
100 |
0,1 |
0,02 |
0,4 |
5,77 |
|
|
ТК17 |
ТК18 |
23 |
100 |
0,0 |
0 |
0 |
5,77 |
|
|
ТК16 |
У5 |
5 |
32 |
0,5 |
0,16 |
31,8 |
5,5 |
|
|
У5 |
Г.пр.7А гараж |
3 |
32 |
0,1 |
0,01 |
1,8 |
5,49 |
|
|
У5 |
Г.пр.7А Маст. |
3 |
32 |
0,4 |
0,06 |
18,4 |
5,39 |
|
|
ТК17 |
У6 |
5 |
50 |
0,4 |
0,06 |
11,4 |
5,66 |
|
|
У6 |
Стол.цех |
5 |
40 |
0,4 |
0,09 |
17,4 |
5,48 |
|
|
У6 |
Кровельн.цех |
5 |
40 |
0,2 |
0,02 |
4,2 |
5,62 |
|
|
ТК18 |
Г.пр.7А гараж 2 |
10 |
50 |
0,1 |
0,9 |
5,75 |
||
|
ТК15 |
Говор. пр-д, 7А |
5 |
50 |
0,9 |
0,33 |
66,3 |
5,48 |
|
|
ТК2 |
ТК26 |
40 |
150 |
1,5 |
1,42 |
35,5 |
11,28 |
|
|
ТК26 |
Столовая |
20 |
69 |
0,5 |
0,2 |
9,8 |
10,88 |
|
|
ТК26 |
ТК27 |
26 |
150 |
1,4 |
0,81 |
31 |
9,67 |
|
|
ТК27 |
У10 |
40 |
150 |
1,4 |
1,24 |
31 |
7,19 |
|
|
У10 |
Арматурный цех |
10 |
82 |
1,3 |
0,62 |
62,2 |
5,94 |
|
|
У10 |
Мастерс. жест. |
70 |
40 |
0,1 |
0,08 |
1,2 |
7,02 |
|
|
У10 |
У11 |
45 |
150 |
1,0 |
0,71 |
15,8 |
5,76 |
|
|
У11 |
Формов. цех |
10 |
82 |
1,2 |
0,52 |
52,5 |
4,71 |
|
|
У11 |
Админ. ЖБИ |
15 |
50 |
0,9 |
0,83 |
55,3 |
4,1 |
|
|
ТК9 |
ТК30 |
153 |
125 |
0,7 |
1,71 |
11,2 |
6,88 |
|
|
ТК30 |
Говор.пр-д, 13 |
15 |
50 |
0,7 |
0,64 |
42,6 |
5,61 |
|
|
ТК30 |
Склад-1 СУ-2 |
12 |
69 |
0,3 |
0,07 |
5,8 |
6,75 |
|
|
ТК30 |
ТК29 |
49 |
125 |
0,5 |
0,26 |
5,3 |
6,36 |
|
|
ТК29 |
Гов.пр.13 прох. |
51 |
50 |
0,0 |
0 |
0 |
6,36 |
|
|
ТК29 |
У15 |
35 |
125 |
0,5 |
0,19 |
5,3 |
5,99 |
|
|
У15 |
ТК28 |
22 |
100 |
0,5 |
0,16 |
7,2 |
5,67 |
|
|
ТК28 |
РБУ-2 |
40 |
100 |
0,2 |
0,03 |
0,7 |
5,62 |
|
|
У15 |
Склад-2 СУ-2 |
5 |
50 |
1,1 |
0,48 |
96,2 |
5,03 |
|
|
ТК28 |
У14 |
9 |
82 |
0,5 |
0,09 |
10,3 |
5,49 |
|
|
У14 |
Заготовит.цех |
5 |
50 |
0,9 |
0,33 |
66,5 |
4,82 |
|
|
У14 |
Ремстройпуть |
85 |
50 |
0,5 |
1,45 |
17 |
2,64 |
|
|
У11 |
ТК31 |
145 |
150 |
0,5 |
0,68 |
4,7 |
4,4 |
|
|
ТК31 |
Гаражи экологии |
130 |
100 |
0,1 |
0,07 |
0,6 |
4,25 |
|
|
ТК31 |
ТК32 |
105 |
125 |
0,2 |
0,12 |
1,2 |
4,15 |
|
|
ТК32 |
У16 |
63 |
82 |
0,4 |
0,48 |
7,6 |
3,2 |
|
|
ТК32 |
Петина - маг. |
110 |
50 |
0,3 |
0,61 |
5,5 |
2,94 |
|
|
У16 |
Транс.цех-Адм. |
10 |
82 |
0,2 |
0,01 |
0,9 |
3,18 |
|
|
У16 |
Трансф.цех |
10 |
82 |
0,3 |
0,03 |
3,2 |
3,14 |
|
|
ТК5 |
Дерев. цех-2 |
20 |
100 |
0,8 |
0,36 |
18,1 |
11,01 |
|
|
ТК25 |
Служ.-техн. зд. |
30 |
82 |
0,2 |
0,05 |
1,5 |
4,29 |
|
|
ТК31 |
Гараж ЖБИ |
20 |
82 |
1,0 |
0,8 |
40,1 |
2,79 |
|
Таблица П5.1 - Результаты расчета дросселирующих диафрагм на отопление
|
Наименование потребителя |
Напор на вводе в систему, м |
Диам. шайбы, мм |
Дрос напор шайбой, м |
|
1 |
2 |
3 |
4 |
|
Админ. АБ |
5,64 |
6,4 |
4,64 |
|
Админ. ЖБИ |
4,05 |
15,3 |
3,05 |
|
Арматурный цех |
5,87 |
29,2 |
4,87 |
|
Быт.помещения |
8,53 |
15,7 |
7,53 |
|
Вагон бытовой |
12,85 |
3,1 |
11,85 |
|
Выстав. центр |
5,31 |
9,3 |
4,31 |
|
Г.пр.7А гараж |
5,48 |
3,9 |
4,48 |
|
Г.пр.7А гараж 2 |
5,75 |
6 |
4,75 |
|
Г.пр.7А Маст. |
5,35 |
7 |
4,35 |
|
Газавтосервис |
4,07 |
11,9 |
3,07 |
|
Галацентр |
3,94 |
13,7 |
2,94 |
|
Гараж |
13,85 |
6,7 |
12,85 |
|
Гараж ЖБИ |
2,76 |
30,9 |
1,76 |
|
Гаражи - 1 |
12,65 |
14 |
11,65 |
|
Гаражи - 2 |
11,94 |
9,1 |
10,94 |
|
Гаражи - 3 |
11,89 |
8,8 |
10,89 |
|
Гаражи экологии |
4,25 |
14,9 |
3,25 |
|
Гов.пр.13 прох. |
6,36 |
3 |
5,36 |
|
Говор. пр-д 1 |
6,08 |
12,4 |
5,08 |
|
Говор. пр-д 3 |
6,44 |
7,3 |
5,44 |
|
Говор. пр-д 5 |
6,19 |
16 |
|
|
Говор. пр-д, 7А |
5,35 |
17,8 |
4,35 |
|
Говор.пр-д, 13 |
5,52 |
15,8 |
4,52 |
|
Дерев. цех-1 |
12,36 |
21,5 |
11,36 |
|
Дерев. цех-2 |
11 |
15,1 |
10 |
|
Заготовит.цех |
4,69 |
18,5 |
3,69 |
|
Здание собора |
9,14 |
12,6 |
8,14 |
|
Кровельн.цех |
5,61 |
6,5 |
4,61 |
|
Лесопильный цех |
10,57 |
19,7 |
9,57 |
|
Мастерс. жест. |
7,02 |
4,4 |
6,02 |
|
Мастерские ЖБИ |
13,34 |
8,3 |
12,34 |
|
Петина - маг. |
2,93 |
11,7 |
1,93 |
|
Пош.шоссе, 4 |
6,38 |
7,4 |
5,38 |
|
Прох. Автобазы |
5,65 |
3 |
4,65 |
|
Проходная ЖБИ |
10,76 |
3 |
9,76 |
|
РБУ |
8,74 |
13,2 |
7,74 |
|
РБУ-2 |
5,62 |
14,1 |
4,62 |
|
Ремстройпуть |
2,63 |
12,2 |
1,63 |
|
РМЦ |
12,11 |
10,5 |
11,11 |
|
Склад-1 СУ-2 |
6,73 |
14 |
5,73 |
|
Склад-2 СУ-2 |
4,84 |
20,1 |
3,84 |
|
Служ.-техн. зд. |
4,28 |
14,5 |
3,28 |
|
Станция пож. |
11,21 |
4,4 |
10,21 |
|
Стол.цех |
5,45 |
9,3 |
4,45 |
|
Столовая |
10,86 |
13,9 |
9,86 |
|
Таксопарк |
4,82 |
10,9 |
3,82 |
|
Транс.цех-Адм. |
3,18 |
14,3 |
2,18 |
|
Трансп. цех-1 |
5,2 |
19,2 |
4,2 |
|
Трансп. цех-2 |
4,71 |
21,6 |
3,71 |
|
Трансф.цех |
3,14 |
15,2 |
2,14 |
|
Формов. цех |
4,62 |
33,5 |
3,62 |
|
Храм |
9,44 |
10,3 |
8,44 |
|
Церковная лавка |
9,77 |
3,9 |
8,77 |
|
ЦПД |
11,56 |
15,1 |
10,56 |
Таблица П6.1 - Результаты расчета дросселирующих диафрагм на горячее водоснабжение
|
Наименование потребителя |
Напор на вводе в систему, м |
Диам. шайбы, мм |
Дрос напор шайбой, м |
|
Админ. АБ |
5,64 |
5,2 |
4,52 |
|
Админ. ЖБИ |
4,09 |
10,6 |
2,97 |
|
Арматурный цех |
5,94 |
5,3 |
4,82 |
|
Быт.помещения |
8,95 |
8,9 |
7,83 |
|
Дерев. цех-1 |
12,38 |
5 |
11,26 |
|
Здание собора |
9,05 |
15,8 |
7,92 |
|
РБУ |
8,75 |
5 |
7,62 |
|
Ремстройпуть |
2,64 |
10,8 |
1,51 |
|
Трансф.цех |
3,14 |
5,9 |
2,01 |
|
Формов. цех |
4,71 |
7,4 |
3,59 |
|
ЦПД |
11,57 |
4 |
10,44 |
Таблица П7.1 - Расчетные потери теплоты в трубопроводах
|
Узел начальный |
Узел конечный |
Длина участка, м |
Диаметр участка, мм |
Тип прокладки |
Плотность теплового потока |
Потери тепловой энергии |
|||||
|
|
|
|
|
|
зимой |
летом |
зимой |
летом |
год |
||
|
|
|
|
|
|
ккал/ч |
ккал/ч |
Мкал/пер |
Мкал/пер |
Мкал/год |
||
|
1 |
2 |
3 |
4 |
5 |
6 |
7 |
8 |
9 |
10 |
||
|
Укот |
Быт.помещения |
10 |
40 |
Подземная |
23,2 |
13,8 |
0,23 |
0,14 |
0,37 |
||
|
Укот |
ТК1 |
10 |
200 |
Подземная |
49,9 |
28,4 |
0,50 |
0,28 |
0,78 |
||
|
ТК1 |
Ул.ц. |
53 |
80 |
Подземная |
31,8 |
18,1 |
1,69 |
0,96 |
2,64 |
||
|
ТК1 |
пер.Д |
90 |
150 |
Подземная |
40,4 |
23,2 |
3,64 |
2,09 |
5,73 |
||
|
пер.Д |
ТК |
15 |
80 |
Подземная |
31,8 |
18,1 |
0,48 |
0,27 |
0,75 |
||
|
ТК3 |
Гараж |
25 |
50 |
Подземная |
25,8 |
14,6 |
0,64 |
0,37 |
1,01 |
||
|
ТК |
ТКсд.соб. |
90 |
80 |
Подземная |
31,8 |
18,1 |
2,86 |
1,63 |
4,49 |
||
|
ТКсд.соб. |
ТКсоб. |
48 |
50 |
Подземная |
25,8 |
14,6 |
1,24 |
0,70 |
1,94 |
||
|
ТКсоб. |
Церковная лавка |
18 |
40 |
Подземная |
23,2 |
13,8 |
0,42 |
0,25 |
0,67 |
||
|
ТКсд.соб. |
Здание собора |
6 |
50 |
Подземная |
25,8 |
14,6 |
0,15 |
0,09 |
0,24 |
||
|
ТКсоб. |
Храм |
12 |
50 |
Подземная |
25,8 |
14,6 |
0,31 |
0,18 |
0,48 |
||
|
Укот |
ТК2 |
43 |
150 |
Подземная |
40,4 |
23,2 |
1,74 |
1,00 |
2,74 |
||
|
Кот. |
Укот |
20 |
200 |
Подземная |
49,9 |
28,4 |
1,00 |
0,57 |
1,56 |
||
|
ТК2 |
Мастерские ЖБИ |
12 |
40 |
Подземная |
23,2 |
13,8 |
0,28 |
0,17 |
0,44 |
||
|
ТК1 |
70 |
200 |
Подземная |
49,9 |
28,4 |
3,49 |
1,99 |
5,48 |
|||
|
ТК3 |
РМЦ |
47 |
50 |
Подземная |
25,8 |
14,6 |
1,21 |
0,69 |
1,90 |
||
|
ТК3 |
ТК4 |
31 |
200 |
Подземная |
49,9 |
28,4 |
1,55 |
0,88 |
2,43 |
||
|
ТК4 |
Дерев. цех-1 |
10 |
80 |
Подземная |
31,8 |
18,1 |
0,32 |
0,18 |
0,50 |
||
|
ТК4 |
ТК5 |
50 |
200 |
Подземная |
49,9 |
28,4 |
2,49 |
1,42 |
3,91 |
||
|
ТК5 |
ЦПД |
25 |
100 |
Подземная |
35,3 |
20,6 |
0,88 |
0,52 |
1,40 |
||
|
ТК5 |
ТК6 |
71 |
200 |
Подземная |
49,9 |
28,4 |
3,54 |
2,01 |
5,56 |
||
|
ТК6 |
Проходная ЖБИ |
7 |
25 |
Подземная |
20,6 |
12,0 |
0,14 |
0,08 |
0,23 |
||
|
ТК4 |
ТК7 |
75 |
150 |
Подземная |
40,4 |
23,2 |
3,03 |
1,74 |
4,77 |
||
|
ТК7 |
ТК8 |
10 |
150 |
Подземная |
40,4 |
23,2 |
0,40 |
0,23 |
0,64 |
||
|
ТК8 |
Гаражи - 1 |
60 |
100 |
Подземная |
35,3 |
20,6 |
2,12 |
1,24 |
3,35 |
||
|
ТК8 |
Угар |
45 |
70 |
Подземная |
29,2 |
17,2 |
1,32 |
0,77 |
2,09 |
||
|
Угар |
Гаражи - 3 |
85 |
70 |
Подземная |
29,2 |
17,2 |
2,48 |
1,46 |
3,95 |
||
|
Угар |
Гаражи - 2 |
10 |
50 |
Подземная |
25,8 |
14,6 |
0,26 |
0,15 |
0,40 |
||
|
ТК6 |
ТК9 |
34 |
200 |
Подземная |
49,9 |
28,4 |
1,70 |
0,96 |
2,66 |
||
|
ТК9 |
ТК10 |
44 |
150 |
Подземная |
40,4 |
23,2 |
1,78 |
1,02 |
2,80 |
||
|
ТК10 |
РБУ |
10 |
80 |
Подземная |
31,8 |
18,1 |
0,32 |
0,18 |
0,50 |
||
|
ТК10 |
ТК11 |
55 |
150 |
Подземная |
40,4 |
23,2 |
2,22 |
1,28 |
3,50 |
||
|
ТК11 |
ТК12 |
65 |
100 |
Подземная |
35,3 |
20,6 |
2,29 |
1,34 |
3,63 |
||
|
ТК12 |
ТК13 |
40 |
100 |
Подземная |
35,3 |
20,6 |
1,41 |
0,83 |
2,24 |
||
|
ТК13 |
ТК14 |
35 |
100 |
Подземная |
35,3 |
20,6 |
1,23 |
0,72 |
1,96 |
||
|
ТК14 |
пер.Д2 |
12 |
100 |
Подземная |
35,3 |
20,6 |
0,42 |
0,25 |
0,67 |
||
|
пер.Д2 |
Пош.шоссе, 4 |
11 |
50 |
Подземная |
25,8 |
14,6 |
0,28 |
0,16 |
0,44 |
||
|
ТК14 |
Говор. пр-д 1 |
9 |
50 |
Подземная |
25,8 |
14,6 |
0,23 |
0,13 |
0,36 |
||
|
ТК13 |
Говор. пр-д 3 |
11 |
50 |
Подземная |
25,8 |
14,6 |
0,28 |
0,16 |
0,44 |
||
|
ТК12 |
Говор. пр-д 5 |
3 |
50 |
Подземная |
25,8 |
14,6 |
0,08 |
0,04 |
0,12 |
||
|
ТК11 |
ТК15 |
61 |
150 |
Подземная |
40,4 |
23,2 |
2,47 |
1,42 |
3,88 |
||
|
ТК7 |
Вагон бытовой |
3 |
25 |
Подземная |
20,6 |
12,0 |
0,06 |
0,04 |
0,10 |
||
|
Ул.ц. |
Лесопильный цех |
5 |
70 |
Подземная |
29,2 |
17,2 |
0,15 |
0,09 |
0,23 |
||
|
Ул.ц. |
Станция пож. |
40 |
32 |
Подземная |
22,4 |
12,9 |
0,89 |
0,52 |
1,41 |
||
|
ТК15 |
ТК20 |
20 |
150 |
Подземная |
40,4 |
23,2 |
0,81 |
0,46 |
1,27 |
||
|
ТК20 |
ТК21 |
14 |
150 |
Подземная |
40,4 |
23,2 |
0,57 |
0,33 |
0,89 |
||
|
ТК21 |
ТК23 |
16 |
150 |
Подземная |
40,4 |
23,2 |
0,65 |
0,37 |
1,02 |
||
|
ТК23 |
У3 |
15 |
100 |
Подземная |
35,3 |
20,6 |
0,53 |
0,31 |
0,84 |
||
|
У3 |
Прох. Автобазы |
20 |
50 |
Подземная |
25,8 |
14,6 |
0,52 |
0,29 |
0,81 |
||
|
У3 |
Админ. АБ |
70 |
Подземная |
29,2 |
17,2 |
0,29 |
0,17 |
0,46 |
|||
|
ТК23 |
ТК24 |
75 |
150 |
Подземная |
40,4 |
23,2 |
3,03 |
1,74 |
4,77 |
||
|
ТК24 |
Трансп. цех-1 |
36 |
100 |
Подземная |
35,3 |
20,6 |
1,27 |
0,74 |
2,01 |
||
|
ТК24 |
Выстав. центр |
60 |
80 |
Подземная |
31,8 |
18,1 |
1,91 |
1,08 |
2,99 |
||
|
ТК24 |
У2 |
15 |
80 |
Подземная |
31,8 |
18,1 |
0,48 |
0,27 |
0,75 |
||
|
У2 |
Трансп. цех-2 |
5 |
80 |
Подземная |
31,8 |
18,1 |
0,16 |
0,09 |
0,25 |
||
|
У2 |
Админ.зд. |
73 |
50 |
Подземная |
25,8 |
14,6 |
1,88 |
1,07 |
2,95 |
||
|
ТК21 |
ТК22 |
85 |
100 |
Подземная |
35,3 |
20,6 |
3,00 |
1,75 |
4,75 |
||
|
ТК22 |
Таксопарк |
30 |
70 |
Подземная |
29,2 |
17,2 |
0,88 |
0,52 |
1,39 |
||
|
ТК22 |
ТК25 |
30 |
80 |
Подземная |
31,8 |
18,1 |
0,95 |
0,54 |
1,50 |
||
|
ТК25 |
У4 |
40 |
80 |
Подземная |
31,8 |
18,1 |
1,27 |
0,72 |
1,99 |
||
|
У4 |
Газавтосервис |
5 |
50 |
Подземная |
25,8 |
14,6 |
0,13 |
0,07 |
0,20 |
||
|
У4 |
Галацентр |
45 |
70 |
Подземная |
29,2 |
17,2 |
1,32 |
0,77 |
2,09 |
||
|
ТК20 |
ТК16 |
35 |
100 |
Подземная |
35,3 |
20,6 |
1,23 |
0,72 |
1,96 |
||
|
ТК16 |
ТК17 |
50 |
100 |
Подземная |
35,3 |
20,6 |
1,76 |
1,03 |
2,79 |
||
|
ТК17 |
ТК18 |
23 |
100 |
Подземная |
35,3 |
20,6 |
0,81 |
0,47 |
1,29 |
||
|
ТК16 |
У5 |
5 |
32 |
Подземная |
22,4 |
12,9 |
0,11 |
0,06 |
0,18 |
||
|
У5 |
Г.пр.7А гараж |
3 |
32 |
Подземная |
22,4 |
12,9 |
0,07 |
0,04 |
0,11 |
||
|
У5 |
Г.пр.7А Маст. |
3 |
32 |
Подземная |
22,4 |
12,9 |
0,07 |
0,04 |
0,11 |
||
|
ТК17 |
У6 |
5 |
50 |
Подземная |
25,8 |
14,6 |
0,13 |
0,07 |
0,20 |
||
|
У6 |
Стол.цех |
5 |
40 |
Подземная |
23,2 |
13,8 |
0,12 |
0,07 |
0,18 |
||
|
У6 |
Кровельн.цех |
5 |
40 |
Подземная |
23,2 |
13,8 |
0,12 |
0,07 |
0,18 |
||
|
ТК18 |
Г.пр.7А гараж 2 |
10 |
50 |
Подземная |
25,8 |
14,6 |
0,26 |
0,15 |
0,40 |
||
|
ТК15 |
Говор. пр-д, 7А |
5 |
50 |
Подземная |
25,8 |
14,6 |
0,13 |
0,07 |
0,20 |
||
|
ТК2 |
ТК26 |
40 |
150 |
Подземная |
40,4 |
23,2 |
1,62 |
0,93 |
2,55 |
||
|
ТК26 |
Столовая |
20 |
70 |
Подземная |
29,2 |
17,2 |
0,58 |
0,34 |
0,93 |
||
|
ТК26 |
ТК27 |
26 |
150 |
Подземная |
40,4 |
23,2 |
1,05 |
0,60 |
1,65 |
||
|
ТК27 |
У10 |
40 |
150 |
Подземная |
40,4 |
23,2 |
1,62 |
0,93 |
2,55 |
||
|
У10 |
Арматурный цех |
10 |
80 |
Подземная |
31,8 |
18,1 |
0,32 |
0,18 |
0,50 |
||
|
У10 |
Мастерс. жест. |
70 |
40 |
Подземная |
23,2 |
13,8 |
1,63 |
0,96 |
2,59 |
||
|
У10 |
У11 |
45 |
150 |
Подземная |
40,4 |
23,2 |
1,82 |
1,04 |
2,86 |
||
|
У11 |
Формов. цех |
10 |
80 |
Подземная |
31,8 |
18,1 |
0,32 |
0,18 |
0,50 |
||
|
У11 |
Админ. ЖБИ |
15 |
50 |
Подземная |
25,8 |
14,6 |
0,39 |
0,22 |
0,61 |
||
|
ТК9 |
ТК30 |
153 |
125 |
Подземная |
37,0 |
22,4 |
5,66 |
3,42 |
9,08 |
||
|
ТК30 |
Говор.пр-д, 13 |
15 |
50 |
Подземная |
25,8 |
14,6 |
0,39 |
0,22 |
0,61 |
||
|
ТК30 |
Склад-1 СУ-2 |
12 |
Подземная |
29,2 |
17,2 |
0,35 |
0,21 |
0,56 |
|||
|
ТК30 |
ТК29 |
49 |
125 |
Подземная |
37,0 |
22,4 |
1,81 |
1,10 |
2,91 |
||
|
ТК29 |
Гов.пр.13 прох. |
51 |
50 |
Подземная |
25,8 |
14,6 |
1,32 |
0,75 |
2,06 |
||
|
ТК29 |
У15 |
35 |
125 |
Подземная |
37,0 |
22,4 |
1,29 |
0,78 |
2,08 |
||
|
У15 |
ТК28 |
22 |
100 |
Подземная |
35,3 |
20,6 |
0,78 |
0,45 |
1,23 |
||
|
ТК28 |
РБУ-2 |
40 |
100 |
Подземная |
35,3 |
20,6 |
1,41 |
0,83 |
2,24 |
||
|
У15 |
Склад-2 СУ-2 |
5 |
50 |
Подземная |
25,8 |
14,6 |
0,13 |
0,07 |
0,20 |
||
|
ТК28 |
У14 |
9 |
80 |
Подземная |
31,8 |
18,1 |
0,29 |
0,16 |
0,45 |
||
|
У14 |
Заготовит.цех |
5 |
50 |
Подземная |
25,8 |
14,6 |
0,13 |
0,07 |
0,20 |
||
|
У14 |
Ремстройпуть |
85 |
50 |
Подземная |
25,8 |
14,6 |
2,19 |
1,24 |
3,44 |
||
|
У11 |
ТК31 |
145 |
150 |
Подземная |
40,4 |
23,2 |
5,86 |
3,37 |
9,23 |
||
|
ТК31 |
Гаражи экологии |
130 |
100 |
Подземная |
35,3 |
20,6 |
4,58 |
2,68 |
7,27 |
||
|
ТК31 |
ТК32 |
105 |
125 |
Подземная |
37,0 |
22,4 |
3,88 |
2,35 |
6,23 |
||
|
ТК32 |
У16 |
63 |
80 |
Подземная |
31,8 |
18,1 |
2,00 |
1,14 |
3,14 |
||
|
ТК32 |
Петина - маг. |
110 |
50 |
Подземная |
25,8 |
14,6 |
2,84 |
1,61 |
4,45 |
||
|
У16 |
Транс.цех-Адм. |
10 |
80 |
Подземная |
31,8 |
18,1 |
0,32 |
0,18 |
0,50 |
||
|
У16 |
Трансф.цех |
10 |
80 |
Подземная |
31,8 |
18,1 |
0,32 |
0,18 |
0,50 |
||
|
ТК5 |
Дерев. цех-2 |
20 |
100 |
Подземная |
35,3 |
20,6 |
0,71 |
0,41 |
1,12 |
||
|
ТК25 |
Служ.-техн. зд. |
30 |
80 |
Подземная |
31,8 |
18,1 |
0,95 |
0,54 |
1,50 |
||
|
ТК31 |
Гараж ЖБИ |
20 |
80 |
Подземная |
31,8 |
18,1 |
0,64 |
0,36 |
1,00 |
||
|
|
125,83 |
72,79 |
198,62 |
|
|||||||
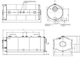
Таблица П8.1 - Технические характеристики котлов серии «ЗИОСАБ» тепловой мощностью от 125 кВт до 3 МВт
Рисунок П8.2 - Габаритные и установочные размеры котлов «ЗИОСАБ»
Таблица П9.1 - Технические характеристики котлов серии «ЗИОСАБ - М3500»
|
Характеристика |
Значение |
|
Теплопроизводительность ном. |
3500 кВт (3,010 Гкал/час) |
|
Диапазон регулирования 30…100 % |
30…100 % |
|
Давление расчетное воды на выходе из котла |
0,6 Мпа |
|
Водяной объем котла |
4,3 м³ |
|
Гидравлическое сопротивление |
0,025 Мпа |
|
Температура воды на входе в котел |
70°C |
|
Температура воды на выходе из котла |
115°C |
|
Расход воды через котел при температуре 115°C |
66,9 т/час |
|
Мин. длина пламенной головы горелки |
490 мм |
|
Толщина поворотной камеры |
375 мм |
|
Расчетное аэродинамическое сопротивление |
9,5 мбар |
|
Габариты топки: |
|
|
Длина |
3673 мм |
|
Диаметр |
1076 мм |
|
КПД, не менее: |
|
|
-природный газ |
92% |
|
-дизель |
91% |
|
Расход топлива: |
|
|
-природный газ |
379,5 м³/ч |
|
-дизель |
325 кг/ч |
|
Температура уходящих газов: |
|
|
-природный газ |
180°C |
|
-дизель |
210°C |
|
Габариты котла: |
|
|
-длина |
4690 мм |
|
-ширина |
1970 мм |
|
-высота |
2192 мм |
|
Диаметр газохода |
520 мм |
|
Масса котла без воды |
7850 кг |