ПОЯСНЮВАЛЬНА ЗАПИСКА
до курсового проекту
з теми:
"Проект планування та забудови
мікрорайону"
Зміст
1. Вступ
2. Аналіз природних і антропогенних умов території
3. Організація житлової і суспільної забудови мікрорайону
4. Функціональне зонування території
5. Техніко-економічні показники
Висновок
Список використаної літератури
1.
Вступ
Мікрорайон це елемент житлової забудови району, який входить до складу району, але являє собою по своєму задуму, ізольований проект від основного міського руху, з повним набором зручностей для населення.
Проектування мікрорайону повинно проводиться з дотриманням вимог будівельних норм і правил (ДБН).
При проектуванні мікрорайону необхідно врахувати ряд питань.
. Чисельність населення мікрорайону і необхідну кількість житлової площі.
. Необхідна кількість установ щоденного обслуговування населення.
. Підбір будівель і споруд на підставі діючих типових проектів.
. Функціональне зонування території мікрорайону.
. Визначення схем проїздів і пішохідних алей мікрорайону, а також підбір споруд і майданчиків комунально-побутового і спортивного обслуговування населення.
. Озеленення території мікрорайону.
. Техніко-економічні показники генплану.
Вирішення цих питань надаються в пояснювальній записці до курсового проекту.
планування забудова мікрорайон територія
Велике місто, адміністративний центр Сумської області.
Проектований населений пункт розташований в центральній географічній зоні. Кліматична зона - I ДСТУ "Будівельна кліматологія" (східна степ). По карті містобудівного районування визначимо інженерно-будівельні умови території - антропогенно-порушені території, території інтенсивної яружно-балочної ерозії. За ДБН “Будівельна кліматологія” визначимо кліматичні характеристики місцевості. Середня температура зовнішнього повітря по місяцях:
Середньорічна температура +7,5° С.
Середня температура найбільш холодного періоду - 10° С.
Тривалість періоду з середньодобовою температурою ≤ 0° С 122 діб.
Середня місячна відносна вологість повітря в 13ч найбільш холодного місяця - 88%, найбільш жаркого місяця - 43%.
Кількість опадів за рік - 524 мм.
Дані про направлення і швидкості вітру заносимо в
таблицю 1.
Рис. 1." Роза вітрів "
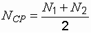
Визначення чисельності населення і житлового фонду мікрорайону
Норма житлової забезпеченості на одного жителя -
25 м2. Населення мікрорайону визначається за формулою:
Де N1 - кількість жителів мікрорайону, певне за щільністю
населення за формулою:= PN S, де- показник щільності населення згідно завдання
на курсовий проект, PN = 420 чол / га;- площа мікрорайону, га;- чисельність
населення мікрорайону, визначена виходячи з щільності житлового фонду за
формулою:
P21 S2= - -------------
m
- показник щільності житлового фонду виходячи з умови
розрахункової житлової забезпеченості 21 м2/ос. При забудові будинками
різної поверховості щільність житлового фонду визначається за формулою:
Де - Загальна площа житлових будинків заданої в проекті
поверховості у відсотках від загальної площі всіх житлових будинків у
мікрорайоні;
- Щільність житлового фонду мікрорайону 21 м2/ос.
Р=
100/ (0,003+0,011) = 7142 м2
- розрахункова норма житлової забезпеченості, м2/ос.
= (
7142,85*23) /21=7823 людей
мік. = 23 га= 9660 чол.
сер. ![]()
=8741 людей
Визначаємо житловий фонд мікрорайону:
=23*8741 =201043 м 2 загальної площі.
Розрахунок і підбір необхідної кількості житлових будинків
Визначивши житловий фонд мікрорайону відповідно до заданих процентним співвідношенням забудови житлових будинків по поверхах, визначаємо кількість загальної площі житлових будинків різної поверховості.
Житловий фонд мікрорайону 176543 м2.
Мікрорайон забудовується по наступному% -ному
співвідношенню житлових будинків, по поверховості:
Таблиця 2
Поверховість житлових будинків
Поверховість
житлових будівель
%
9
20
12
80
Визначаємо кількість загальної площі житлових
будинків заданої поверховості де аn - кількість житлових будинків різної
поверховості, %
(заг) = (201043*20) /100=40208 м2 у
дев’яти поверховому будинку(заг) = (201043*80) /100 =160834 м2 у
дванадцяти поверховому будинку
Визначимо кількість житлових будинків різної
поверховості за формулою:
Nn= де Fобщ (n) - загальна площа житлових
будинків різної поверховості
=40208/5280= 7 шт. (9-ти поверхові
будинки)=160834/3380,64=47шт. (12-ти поверхові будинки)
Таблиця 3 Підбір житлових будинків
Розрахунок і підбір необхідної кількості установ
щоденного обслуговування населення
Мікрорайон являє собою функціональне та
архітектурно-планувальне об'єднання житлових будинків з установами громадського
обслуговування, розрахованими на забезпечення повсякденних культурно-побутових
та навчально-виховних потреб.
. Кількість місць у дитячих яслах-садках - місць
на 1000 жителів. Населення мікрорайону - 9660 осіб. Тоді число необхідних місць
1) Дитячі садки
Значить ми повинні підібрати дитячі ясла-сади з таким
розрахунком, щоб розмістити в них 349 дітей.
Отримуємо 1 садочок місткістю 349 дітей.
Норма площі для садка чисельністю дітей від 100 до 500 - 35
м2 на людину.
Площа під садок Sсад = 35 * 3 = 12215 м2 = 1,22 га - площа
ділянки га.
. Розрахунок місткості загальноосвітніх шкіл: 120 місць на
1000 жителів. Тоді число необхідних місць - 2)
Школи Отримуємо 1 школу місткістю 1048 учнів.
Площа під школу Sшк = 3 га.
. Рівень автомобілізації на розрахунковий термін 300
легкових автомобілів на 1000 жителів. На земельних ділянках, призначених для подальшого
будівництва гаражів, слід передбачати відкриті майданчики для зберігання
автомобілів.
Визначаємо кількість машин розміщуються в гаражах і на
відкритих стоянках:
Населення мікрорайону 9660 людини. Кількість машин у
мікрорайоні: 9660 300 = 2898 машини.
На території мікрорайону повинна розміщуватись не менше 70%
кількості автомобілів громадян, що проживають в даному мікрорайоні.
* 0,7 = 2028 машин.
Норма для автостоянки N стоянки = 25 м2 на машину.
Отримуємо загальна площа під стоянки Sст. = 25 * 1690=
50700 м2 = 5,7 га.
Таблиця 4
Розрахунок і підбір необхідної кількості установ
щоденного обслуговування населення
Установи
Одиниця
виміру
Норма
на 1000 жит.
Розрахункова
вміщуємо
Розмір
ділянки
1
2
3
4
5
Дитячі
дошкільні установи
місць
40
8741*40/
1000 = 349
1,22
Школа
місць
120
8741*120/
1000 = 1048
3,0 га
Поліклініка
Відвідувань
у зміну
24
8741*24/
1000 = 209
0,3 га
Аптека
об'єктів
0,09
8741*0,09/
1000 = 0,8
0,3 га
або вбудована
Відкриті
майданчики спортивні споруди в житловому мікрорайоні
Кв. м.
на чел
0,01
8741*0,01=
87,41
50 кв.
м.
Приміщення
для фізкультурно-оздоровчих занять
Кв. м
загальної площі
70
8741*70/
1000 = 611 Приміщення
для дозвілля
місць
відвідування
55
8741*55/
1000 = 480
0,4 га
Магазин
продовольчих товарів
Кв. м
торг. площі
70
8741*70/
1000 = 611
0,6 га
Магазин
непродовольчих-них товарів
Кв. м
торг. площі
30
8741*30/
1000 =262
0,6 га
Підприємства
громадського харчування
місць
7
8741*7/
1000 =61
0,09 га
Підприємства
побутового обслуговування
Робочих
місць
2
8741*2/
1000 = 17
0,13 га
відділення
зв'язку
Об’єктів
1на
мікрорайон
0,07 га
відділення
банків
Операційна
каса
1 каса
на 10-30 тис. осіб
0,2 га
на об'єкт або вбудована
Житлово-експлуатаційні
організації
Об’єктів
1
об'єкт на мікрорайон
0,3 га
на об'єкт
Гаражі,
стоянки
місць
300
8741*25/1000
=218
3,4 га
Таблиця 5
Підбір установ щоденного обслуговування населення
Конфігурація,
розміри в осях
Місткість
Радіус
обслуговування, м
Орієнта-ція
Область
застосування, номер типового-аналога
Площа
забудови, м2
розмір
ділянки, га
1.
Дитячі дошкільні установи
140
300
Південь,
схід
Зона
III ТП № 212-2-66
1241,00
0,49
2.
Школи
392
500
вільна
Зона
II, III ТП № 223-1-245/85
1940,30
2,0
Відповідно до прийнятої системи зонування школа
знаходиться в різних ділянках мікрорайону, радіус обслуговування якого 500м,
Сніпом встановлено 500м, дитячий сад розташований також у різних ділянках
мікрорайону в зонах озеленення. Радіус обслуговування дитячого садка по СНиП -
300м.
Таблиця 6
Попередній баланс територій функціональних зон
кварталу

![]()
= (
8741*40) /1000=349 (чоловік)
![]()
= (8741*120) /1000=1048 (чоловік)
4.
Функціональне зонування території
зони кварталу
Площа ділянки
га
%
кв. м/люд.
1.
Житлова
12,08
51,2
21
2.
Зона шкільних та дошкільних установ
4,07
17,7
3,3
3.
Зона підприємств торгівлі
2,58
11,21
2
4.
Зелені насадження та спортивні майданчики
0,5
3,5
4
5.
господарська зона
3,77
16,39
5,4
Всього
22
100
У мікрорайоні не обов'язково розташовувати всі зони. Господарська зона і частини зони зелених насаджень будуть знаходитися в сусідньому районі в необхідному радіусі обслуговування.
Житлова зона мікрорайону
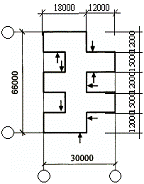
Для забудови мікрорайону прийнята лінійна система забудови.
Відстані між торцями п'ятиповерхових будинків приймаємо 22,5 м, між довгою стороною п'ятиповерхового будинку і торцем 12ти поверхового будинку - 20 м. Відстані між довгими сторонами п'ятиповерхових будинків, що утворюють двір - 70 м, між довгими сторонами п'ятиповерхових будинків із зворотного боку під'їздів - 30 м. Відстань між дванадцятиповерхова будинками, розташованими по одній осі - 47 м.
Внутрішній простір житлових груп повинен організовуватись так, щоб забезпечувати комфортні умови для життя і відпочинку населення. З цією метою тут повинні бути запроектовані майданчики для ігор дітей, відпочинку дорослих, господарсько-побутових потреб мешканців.
Розміри майданчиків і відстань від них до
житлових будинків слід приймати відповідно ДБН 360-92 **. Дані зводимо в
таблицю 7
Таблиця 7
проектування майданчиків
Площадки
Питомий
розмір, м2/чол.
Площа,
м2
Нормативна
відстань до вікон.
Для
дітей
0,7
6012
12
Для
дорослих
0,1
858
10
Спортивні
майданчики
2
17178
10-40
Для
господарських цілей
0,3
2576
20
Оскільки територія мікрорайону невелика, то
фізкультурні майданчики об'єднані зі шкільним фізкультурним ядром. Господарські
майданчики розташовані у торців п'ятиповерхових будинків на відстані 6-9 м.
Дитячі майданчики оснащені малими архітектурними формами: гірками, пісочниця з
грибком.
Для дорослих розташовані лавки, альтанки.
Таблиця 8
Проектування господарських майданчиків
№
Типи
площадок
Норми
на 1-го мешканця в м2
Розміри
площадок в м2
Радіус
обслуговування, м2 Sобщ
м2
Кількість,
штук
1.
Площадка
для сушки білизни
0,1
70
100
20
540
7
2.
Площадка
для чистки речей
0,1
20
80
20
540
27
3.
Площадка
для сміттєзбірників
0,1
55
150
20
540
10
Всього:
1620
56
Зона громадського центру
Громадський центр мікрорайона призначений для
розміщення в ньому підприємств торгівлі, громадського харчування, а також
культурно-побутового обслуговування. У проектованому мікрорайоні громадський
центр розташовується біля магістралі міського значення. Зона громадського
центру, розташована в центрі проектованого мікрорайону включає в себе торговий
центр з вбудованою аптекою, підприємством громадського харчування на 40 місць,
відділення ощадного банку, відділення зв'язку.
Зона шкіл і дитячих садів
Ділянки школи і Дитячого саду з метою створення
кращих санітарно - гігієнічних умов і ізоляції від магістральних вулиць
розташовуємо в середині мікрорайону та біля саду мікрорайону. Школу і дитячий
сад розміщуємо на окремих ділянках і відокремлюємо їх огорожами. До кожної
ділянки є під'їзд, що не проходить через двори житлових будинків.
Зона вулично - дорожніх мереж
Основні проїзди забезпечують транспортний зв'язок
груп житлових будинків, споруд для постійного зберігання автомобілів та
об'єктів громадського та культурно-побутового призначення з житловими та
магістральними вулицями.
Ширина проїзної частини основного проїзду
приймається 4 м з двостороннім рухом транспорту. Тротуари шириною 1,5 м
примикають до краю проїзної частини і влаштовуються при наявності забудови
вздовж проїзду.
Проїзди і пішохідні шляхи, що йдуть вздовж
житлових будівель розміщуємо на відстані 6 м від стін будівель. У торців
будівель, що не мають вікон, проїзд може проходити на відстані 1,5 м, якщо є
вікна, то 3м. Пішохідні доріжки пов'язують групи житлових будинків з школою,
між собою і т.д. шириною 0,75 м, до школи та дитячого садку - 1,5 м, під'їзди
до житлових будинків 2,6 м. Другорядні дороги шириною 3,5 м.
Зелена зона мікрорайону
Зелені насадження є одним з найбільш важливих і
ефективних засобів благоустрою мікрорайону. Зелені насадження є потужним
регулятором температурного режиму, крім того, можуть бути використані в
боротьбі з шумом, створюють ландшафтну привабливість загальну і окремі ділянки
мікрорайону, сприятливо впливають на людину, надаючи на нього психологічний і
гігієнічне вплив.
На території мікрорайону необхідно передбачати,
як правило, безперервну систему озеленених територій та інших відкритих
просторів. Питома вага озеленених територій різного призначення в межах
території житлового району не менше 40% (включаючи сумарну площу озелененої
території мікрорайону).
Площа озелененої території мікрорайону слід
приймати не менше 6 м2/ос. На території мікрорайону передбачені чагарники та
дерева рядовий посадки, квіткові клумби.
При рядовий посадці дерев відстань між ними 10 м,
ширина посадки стриженого чагарнику 0,8-1,2 м.
Обсадка спортивних і дитячих майданчиків
починається не ближче 0,5 м від краю майданчика. Захисні зони між окремими
майданчиками, ділянками і господарськими спорудами мають ширину 5-6 м.
Площа мікрорайону - S = 23 га
Житловий фонд - F = 201043 м2
Щільність житлового фонду обчислюється за
формулою:
Р1 = F / S =201043/23 = 8,741 м2/га
Чисельність населення Nсер= 8741 чол.
Таблиці техніко-економічних показників та
проектного балансу території наведені в графічній частині проекту.
У ході курсового проекту вивчено основні принципи
планування і забудови населених місць, які повинні відповідати протипожежним
нормам і вимогам. З економічної точки зору планування повинна задовольняти
виробничі інтереси, сприяти економічній ефективності капітальних вкладень. При
плануванні і забудові так само враховують грунти та рельєф території. Підсумком
курсового проекту є генеральний план мікрорайону в м. Суми, який складений на
чисельність населення - 8050 чоловік.
При виконанні курсового проекту закріпила
теоретичні основи дисципліни, придбала навички користування
нормативно-довідковими джерелами, опанувала основами проектування мікрорайону,
що є вихідним планувальним компонентом сельбищної території при розробці
генерального плану міста.
1.
ДБН 360-92**. Градостроительство. Планировка и застройка городских
и сельских поселений. Министерство Украины по делам строительства и
архитектуры. - Киев. - 2002. - 113 с.
2.
СНиП И-60-75**. Планировка и застройка городов, поселков и
сельских населенных пунктов / Госстрой СССР. - М.: Стройиздат, 1981. - 77 с.
3.
Градостроительство (Справочник проектировщика). Под общ. ред.В.Н.
Белоусова. Изд.2-е, перераб. и доп. М.: Стройиздат, 1978. - 367 с.
4.
СНиП 2.01.01-82. Строительная климатология и геофизика. Госстрой
СССР. - М.: Стройиздат, 1983. - 136 с.
5. Методические указания к выполнению курсового проекта по
дисциплине “Планирование городов”, издание второе, том 1. Составили Ананян
И.И., Богак Л.М., Кузнецов С.Г. - Макеевка, ДонНАСА, 2006. - 51 с.
. Методические указания том 2 "Приложения" к выполнению
курсового проекта по дисциплине “Планирование городов”, издание второе, том 1.
Составили Ананян И.И., Богак Л.М., Кузнецов С.Г. - Макеевка, ДонНАСА, 2006. -
50 с.
5.
Техніко-економічні показники
Висновок
Список
використаної літератури