Материал: Проблемы средств сигнализации, централизации и блокировки (СЦБ)

Внимание! Если размещение файла нарушает Ваши авторские права, то обязательно сообщите нам

Рисунок 3.3. Структурная схема контроля состояния перегона с децентрализованным расположением решающего прибора для контроля удаленных от станции участков пути

Рисунок 3.4 Структурная схема контроля двух смежных перегонов с расположением аппаратуры решающих приборов на станции

Аппаратура счетных пунктов (счетный прибор) может устанавливаться как в отдельных релейных шкафах, так и в существующих шкафах входных светофоров (на участках с полуавтоматической блокировкой).

Для установки аппаратуры решающего прибора (варианты УКП СО-Ц и УКП СО-ЦЕ) не требуется дополнительная площадь служебных помещений.

3.3 Функциональная схема системы счета осей УКП СО

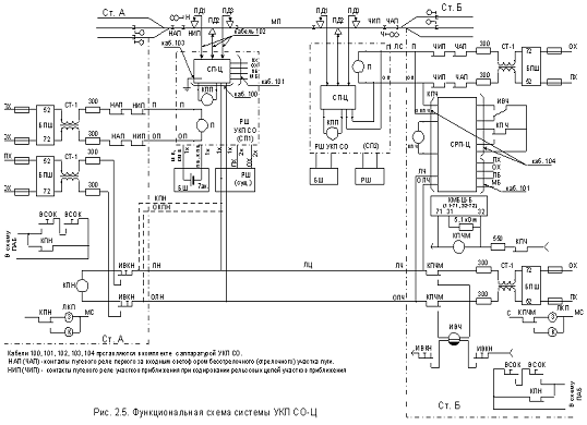
Рассмотрим функциональную схему [9] системы УКП СО в упрощенном варианте (рисунок 3.5). Основные отличительные особенности системы:

1. Трехканальный принцип построения счетного устройства СУ, входящего в блок СП-Ц, с мажоритарной логикой преобразования результатов счета, что требует наличия в системе трех независимых каналов информационных потоков, вырабатываемых тремя комплектами путевых датчиков и функциональных узлов счетного устройства.

2. Счет осей подвижного состава производится в счетных устройствах СП-Ц, расположенных в релейных шкафах входных светофоров, рядом с которыми располагаются путевые датчики ПД1… ПД3, а в СРП-Ц (станционный решающий прибор, расположенный на ст. Б) передаются результирующие и преобразованные данные. Это позволяет передавать с заданной достоверностью информацию в СРП-Ц и использовать в канале приема и передачи линейные цепи (ЛЦ) практически любых линий связи, включая линии СЦБ, ВЧ каналы.

3. Двухканальный принцип построения основных узлов и элементов системы.

4. Синхронизация дублированных каналов.

5. Периодическое тестирование и постоянный контроль синхронной работы дублированных каналов в каждом такте.

6. Использование путевых датчиков разного принципа действия, имеющих независимые источники питания (без изменения остальной аппаратуры).

7. Использование внешнего интерфейса с несимметричными отказами.

8. Информация от счетных пунктов к СРП-Ц передается циклически, с использованием помехозащищенного кода.

9. Наличие контроля работоспособности путевых датчиков и их установки на рельсах.

На функциональной схеме (рисунок 3.5) показаны три путевых датчика ПД1…ПД3 с которых первичная информация о проследовании колеса поступает на три счетчика осей СО1…СО3 (на схеме не показаны), находящихся в блоке СП-Ц. При отказе одного из этих устройств остаются работоспособными два других и система в целом. Формирование достоверной информации о количестве зафиксированных осей, получаемой от трех датчиков ПД и преобразуемой тремя счетчиками, выполняется мажоритарным элементом, который работает следующим образом. Если сигналы, поступающие от счетчиков СО1…СО3 на три входа мажоритарного элемента идентичны (совпадают), то на его выходе появляется число, соответствующее входным сигналам. Если на входы мажоритарного элемента поступают три сигнала, два из которых идентичны, а третий отличается, то на его выходе появляется сигнал, соответствующий двум идентичным входным сигналам. Несовпадение всех трех входных сигналов приводит систему в состояние защитного отказа. Она перестает функционировать, обеспечивая при этом выполнение требований безопасности движения, что проявляется в исключении возможности появления сигнала ложной свободности контролируемого перегона. Таким образом, мажоритарный элемент выполняет логическую функцию выбора информационных сигналов “два из трех”.

Рисунок 3.5 Функциональная схема системы УКП СО-Ц

Рассмотрим работу системы УКП СО при движении поезда от ст. А на ст. Б по схеме (рисунок 3.5). Если перегон свободен, а аппаратура УКП СО исправна и функционирует нормально, то реле КПЧ ст. Б находится под током. Через фронтовые контакты его медленнодействующего повторителя КПЧМ постоянное напряжение от источника питания БПШ ст. Б поступает в линейную цепь ЛЦ на ст. А и далее через нормально замкнутые контакты кнопки ИВКН ст. А подается на обмотку реле КПН. Таким образом, информация о свободности перегона и исправности системы (нахождение реле КПЧ и КПН под током) имеется на обеих станциях. Через контакты КПЧ и КПН подается питание на зеленые лампочки ЛКП пульта-табло ДСП каждой станции. Контакты реле КПН ст. А и КПЧ ст. Б включаются в блокировочные цепи ПАБ. Параллельно этим контактам включена цепь из двух нормально разомкнутых контактов кнопки ВСОК на ст. А и Б. При наличии на участке ПАБ системы ГТСС эти контакты последовательно включаются в цепь кнопки “Дача прибытия” (ЧДПК или НДПК). При ПАБ системы КБ ЦШ эти контакты включаются последовательно в цепь кнопки “искусственного прибытия” (ЧПК или НПК) и, кроме этого, дополнительными контактными группами (на схеме не показаны) - в цепь обмотки вспомогательного реле по прибытии (ЧВПР или НВПР).

Реле П, расположенные в счетных пунктах СП1 и СП2, предназначены для контроля свободного состояния участков пути НАП, НИП на ст. А и ЧАП, ЧИП - на ст. Б. (контролирующих свободное или занятое состояние зоны считывания). При свободном состоянии этих участков аппаратура СП1 и СП2 работает в режиме тестирования, проверяя техническое состояние всех функциональных узлов счетных пунктов, включая путевые датчики ПД1…ПД3 (показано двунаправленными стрелками на связях путевых датчиков и СП-Ц). При положительных результатах тестирования, указывающих на работоспособность всех узлов счетных пунктов, аппаратура СП1 и СП2 циклически передает по линейной цепи (на рисунке обозначена ЛЦ) и линии связи (на рисунке обозначена ЛС) в СРП-Ц кодовые сигналы, соответствующие числу “000”. Одновременно положительные результаты тестирования отображаются на цифровых индикаторах СП1 и СП2 в виде чисел “000” (на рисунке индикаторы не показаны). После приема кодовых сигналов и их дешифрации решающим прибором СРП-Ц на его индикаторах также высвечиваются числа “000”. В блоке СРП-Ц индикаторы устанавливаются на каждый приемный канал связи с СП1 и СП2. Свободное состояние перегона и положительные результаты тестирования создают условия для включения реле КПЧ и его медленнодействующего повторителя КПЧМ.

После отправления поезда со ст. А по открытому выходному светофору и занятия участка НАП в горловине ст. А реле П в СП1 выключается. Аппаратура счетного пункта СП1 переключается в режим счета осей. Показание его индикатора изменяется: вместо числа “000” появляется комбинация букв “ННН”. На СП2 (ст. Б) изменений в работе устройств не происходит. От СП1 и СП2 по линиям ЛЦ и ЛС в СРП-Ц (ст. Б) по-прежнему продолжают циклически передаваться кодовые комбинации числа “000”. Реле КПЧ остается под током, так как перегон свободен (поезд находится в пределах ст. А).

При вступлении поезда на участок НИП изменений в работе устройств не происходит до момента проследования колесной пары над датчиками ПД1…ПД3. После этого аппаратура СП1 ст. А начинает счет осей движущегося состава. Цифровой индикатор на СП1 начинает последовательно показывать (увеличивающиеся по мере движения поезда) числа. На этом временном интервале СП1 передает по ЛЦ на СРП-Ц ст. Б сигнал занятости рельсовой цепи в зоне считывания, соответствующий комбинации букв “ННН”. После приема и дешифрации этого сигнала на индикаторе СРП-Ц (контролирующем прием информации с СП1) показание “000” изменяется на “ННН”. Реле КПЧ обесточивается, фиксируя занятость перегона. Изменений в работе СП2 ст. Б и в передаче информации от него на СРП-Ц не происходит. После полного проследования состава над датчиками ПД1…ПД3 счетного пункта СП1 на его индикаторе высвечивается число зафиксированных осей.

После освобождения поездом участка НИП путевое реле П в СП1 становится под ток, так как оба участка НАП и НИП освободились. Аппаратура СП1 ст. А, зафиксировав результаты счета проследовавших осей, начинает работать в режиме тестирования. Индикатор счетного пункта СП1 высвечивает число осей, проследовавших над датчиками ПД1…ПД3. Одновременно с этим от СП1 (ст. А) в СРП-Ц (ст. Б) по цепи ЛЦ циклически передается кодовая комбинация, соответствующая числу зафиксированных колесных пар. После дешифрации в СРП-Ц этого сигнала на его индикаторе (контролирующем прием информации с СП1) также высвечивается число проследовавших со ст. А на межстанционный перегон (МП) колесных пар. Реле КПЧ продолжает находиться в обесточенном состоянии (осуществляя контроль занятого состояния перегона). По мере продвижения поезда по перегону изменений в состоянии аппаратуры УКП СО не происходит.

Далее, проследовав перегон, поезд вступает на участок ЧИП (ст. Б). В этот момент происходит выключение реле П в СП2, что, в свою очередь, вызывает переключение аппаратуры СП2 ст. Б в режим счета осей и изменение его индикатора с числа “000” на буквенную комбинацию “ННН”.

При проследовании поездом датчиков ПД1…ПД3 (установленных перед ст. Б) реле П остается в обесточенном состоянии, а аппаратура СП2 начинает счет проходящих осей, высвечивая на своем индикаторе увеличивающееся число, которое после полного проследования состава устанавливается равным числу осей, проследовавших с перегона на ст. Б.

На интервале времени с момента выключения реле П до прохода последней оси над датчиками ПД1…ПД3 по линии ЛС от СП2 на СРП-Ц передается код буквенной комбинации “ННН”. Это приводит к изменению показаний индикатора на СРП-Ц (контролирующего прием информации с СП2): число “000” сменяется на комбинацию “РРР”. Реле КПЧ продолжает оставаться без тока, так как перегон считается занятым до освобождения участка пути ЧИП.

Вступление поезда на участок ЧАП ст. Б при занятом участке ЧИП не изменяет состояния приборов всей системы. Реле КПЧ продолжает оставаться без тока.

После полного освобождения составом участка ЧИП перед ст. Б и при дальнейшем следовании его по участку ЧАП реле П в СП2 остается выключенным. Аппаратура СП2 (ст. Б) продолжает работать в режиме счета осей, а ее индикатор высвечивает число осей, проследовавших на ст. Б. В дальнейшем изменений в работе устройств не происходит: СП1 работает в режиме тестирования и одновременно циклически передает в СРП-Ц код, соответствующий числу осей, проследовавших на перегон; СП2 передает сигнал “ННН”. На индикаторе СРП-Ц, контролирующем прием информации с СП1, высвечивается число осей, вышедших со ст. А. На индикаторе СРП-Ц, контролирующем прием информации с СП2, высвечивается комбинация букв “РРР”. Реле КПЧ остается обесточенным, так как в СРП-Ц с СП2 еще не поступила информация о числе проследовавших на ст. Б колесных пар поезда.

После освобождения составом участка ЧАП ст. Б реле П в СП2 становится под ток, так как освободились оба участка ЧИП и ЧАП. Аппаратура СП2, зафиксировав результат счета вошедших на ст. Б колесных пар, после некоторой временной задержки начинает работать в режиме тестирования как и аппаратура СП1 ст. А. Одновременно оба счетных пункта СП1 ст. А и СП2 ст. Б передают в СРП-Ц ст. Б результаты количества зафиксированных осей, вышедших на перегон со станции отправления и вошедших на станцию приема. СРП-Ц сравнивает полученные результаты, и на его индикаторах высвечиваются числа осей, проследовавших СП1 и СП2. При совпадении этих результатов становится под ток реле КПЧ на ст. Б и соответственно реле КПН на ст. А.

По обратному каналу через линии ЛЦ и ЛС с СРП-Ц на СП1 и СП2 передается сигнал “обратный канал” (комбинация букв ОК), который несет информацию о положительном результате сравнения данных, полученных от обоих счетных пунктов. Получение сигналов ОК счетными пунктами СП1 и СП2 приводит их аппаратуру в исходное состояние и изменяет показания индикаторов на комбинацию “000”. На обоих индикаторах СРП-Ц по-прежнему высвечиваются цифры, соответствующие количеству осей в составе, проследовавших через СП1 и СП2.

Приведенные в исходное положение и находящиеся в технически исправном состоянии приборы СП1 ст. А и СП2 ст. Б начинают передавать в СРП-Ц ст. Б числа “000”, которые являются сигналами квитирования, подтверждающими получение счетными пунктами сигнала ОК, а также техническую исправность аппаратуры обоих СП.

После приема поезда на приемный путь СРП-Ц ст. Б получает сигнал квитирования “000” от каждого счетного пункта, показания индикаторов СРП-Ц изменяются на “000”. Система УКП СО приходит в исходное состояние, СП1 и СП2 работают в режиме тестирования, а СРП-Ц продолжает сравнивать сигналы “000”, циклически поступающие от СП1 и СП2.

Если после прохода поезда по перегону (или проведения планово-профилактических работ) реле КПН ст. А и КПЧ ст. Б остались обесточенными, что соответствует ложной занятости перегона, например за счет неверного подсчета числа осей или ошибки в передаче информации, то систему можно привести в исходное состояние. Для этого на обеих станциях имеются кнопки: ИВКН - “искусственного” восстановления исходного состояния системы УКП СО и ВСОК - выключения устройств счета осей из действия, располагаемых на пульте-табло ДСП. Кнопка ИВКН - не пломбируема, без фиксации, со счетчиком числа нажатий. Кнопка ВСОК - пломбируема, с фиксацией.

Для восстановления системы в исходное состояние ДСП станции приема, убедившись, что поезд прибыл в полном составе, нажимает кнопку ИВКН. При этом показание ее счетчика увеличивается на единицу. Через замкнутые контакты этой кнопки встает под ток реле ИВЧ по нижней обмотке и замыкает фронтовые контакты в цепи СРП-Ц. Аппаратура СРП-Ц производит соответствующие переключения в схеме и формирует передачу на ст. А и Б сигнала ОК. Далее, при исправном состоянии аппаратуры, повторяются все процессы работы, описанные выше. После временной задержки (примерно 3…5 с) реле КПЧ, а затем КПН встают под ток, и на пульте-табло обеих станций вместо красной загорается зеленая лампочка. Система восстанавливается и может нормально функционировать.

3.4 Электропитание аппаратуры счетных пунктов

Важнейшую роль в обеспечении надежной работы устройств счета осей играют источники электропитания. Они существенно влияют на выбор места расположения счетных пунктов и на саму структуру системы.

Электропитание аппаратуры счетных пунктов СП1 и СП2 в системе УКП СО осуществляется от двух напряжений. Первое - переменное 220 В (ПХ, ОХ) поступает из существующего релейного шкафа входных светофоров (например, для СП1 - из РШ Вх “Н”). Второе - постоянное напряжение 12 В (ПБ, МБ) берется от аккумуляторной батареи, установленной в батарейном шкафу (БШ). Практически, если позволяет место, аппаратура СП может устанавливаться и в существующем релейном шкафу входного светофора. Аналогично, если на входном светофоре имеется аккумуляторная батарея, то она используется для питания аппаратуры СП. Экономически более эффективен отказ от батареи на входном светофоре и переход на централизованное питание счетных пунктов с поста ЭЦ. Однако для этого необходимо наличие соответствующего кабеля от поста ЭЦ ко входному светофору (аппаратуре СП).

Специфической особенностью электропитания аппаратуры УКП СО, в отличие от релейных устройств систем СЦБ, является необходимость наличия бесперебойного питающего напряжения при различных аварийных ситуациях в электросистемах или переключениях фидеров. Не допускается использование постоянных напряжений, подаваемых в аппаратуру УКП СО через контакты аварийных реле. Это связано с тем, что возникающие при этом перерывы постоянных напряжений питания логических интегральных микросхем в устройствах СП и СРП-Ц могут вызывать случайные (и практически сложно выявляемые) сбои в работе аппаратуры. Поэтому питание приборов СП и СРП-Ц осуществляется от аккумуляторных батарей, работающих в буферном режиме с выпрямителем.

Соединение отдельных блоков и приборов УКП СО выполняется специальными кабелями, поставляемыми в комплекте с аппаратурой заводами-изготовителями. Условные шифры соединительных кабелей приведены на схеме (рис. 3.5). Например, комплект путевых датчиков ПД1, ПД2 и ПД3 соединяется с аппаратурой СП1 (или СП2) кабелем 102. Кабель 103 предназначен для соединения корпусов приборов СП и СРП-Ц с заземлением.

Остальные кабели, имеющие соответствующие условные номера и соединяющие те или иные приборы, блоки, реле, цепи питания и т.д.

4. Расчет экономической эффективности внедрения системы счета осей на однопутном перегоне

4.1 Расчет капитальных вложений

Важным стоимостным показателем эффективности являются капитальные вложения для создания и приобретения основных фондов (подвижного состава, зданий, сооружений, силовых установок и т.д.). В капитальные вложения при сравнениях включаются все денежные затраты в строительство новых, расширение, реконструкцию, модернизацию действующих основных фондов. Расчеты капитальных вложений производятся по нормативам, ценникам и прейскурантам, а в строительстве распределяются по главам смет и сметно-финансовых расчетов. Основными частями капитальных вложений являются затраты производственного назначения на строительные работы, приобретение оборудования, подвижного состава, механизмов и машин, включая и монтаж, а также стоимость проектных и изыскательных работ.