Материал: Проблемы средств сигнализации, централизации и блокировки (СЦБ)

Внимание! Если размещение файла нарушает Ваши авторские права, то обязательно сообщите нам

Современная концепция по ГОСТ Р 50 571 основного правила электробезопасности основана на том, что опасные токоведущие части электроустановки не должны быть доступны для непреднамеренного прямого прикосновения к ним, а доступные прикосновению открытые проводящие части (ОПЧ), сторонние проводящие части (СПЧ), защитные и заземляющие проводники (РЕ-проводники), а также ОПЧ цепей обратного тока, включая PEN-проводники, не должны быть опасны при прямом прикосновении к ним и при нормальном режиме работы, и при повреждении изоляции токоведущих частей. Поэтому при всех рекомендуемых системах электроснабжения должны быть предусмотрены основная и дополнительная защиты. В рамках рассматриваемых вопросов были проанализированы практически все известные разработки автоматического контроля состояния и защиты систем электроснабжения. Оказалось, что эти устройства не могут быть применены для условий железных дорог без коренной реконструкции как самих цепей электроснабжения, так и заземляющих устройств, учитывая все многообразие цепей электроснабжения. Это потребовало разработки специальных устройств, адаптированных к существующим и перспективным системам электроснабжения. Ниже приведена сводная таблица функциональных параметров устройства многофункциональной селективной защиты низковольтных фидеров электроснабжения постов ЭЦ (табл. 2.2).

Таблица 2.2 Сводная таблица функциональных параметров

Функция

Уставка (диапазон значений)

Шаг

Погрешность, %

Индикация

1

2

3

4

5

Отключение филера питания госта ЭЦ при превышении дифференциальным током утечки уставки отключения

4X1»: 10 мА; 30 мА; «х10»: 100 мА; 300 мА


±10

Динамическая и статическая

Время отключения го дифференциальному току утечки

От 0,1 до 3,5 с

0,1с

±30


Индикация приближения дифференциального тока утечки к уставке отключения

От 50 до 80% от порога отключения

10%

±15

Динамическая

Отключение фидера питания госта ЭЦ при превышении линейным током в одной из фаз уставки отключения

От 10 до 160 А

1 А

±10

Динамическая и статическая

Время аварийного отключения при превышении линейным током в одной из фаз уставки отключения

От 0,1 до 3,5 с

0,1с

±30

-

Индикация приближения линейного тока к уставке отключения

От 60 до 90% от порога отключения

10%

15

Динамическая

Отключение фидера питания госта ЭЦ го перекосу линейных фазных напряжений. Возможность блокировки этой зашиты

+20 и -20 % номинального значения

-

±5

Динамическая и статическая

Отключение фидера питания госта ЭЦ при чрезмерных отклонениях линейных напряжений от номинальных значений. Возможность блокировки этой защиты

+20 и -20 % номинального значения

-

±5

Динамическая и статическая

Возможность изменения времени отключения го отклонению линейных напряжений

От 1 до 4 с

±30

-

Защитное отключение фидера питания госта ЭЦ при изменении чередования фаз в течение 2...3 с. Возможность блокировки этой защиты

-

-

-

Динамическая и статическая

Быстрое отключение фидера питания госта ЭЦ при превышении линейным током в одном из фазных проводов уставки быстрого отключения

От2 до 5 уставок отключения

1 уставка отключения

-

Общая с индикацией отключения го линейному току

Время быстрого отключения

0,2 с

-

±0,1

-

Обрыв проводников и быстрое отключение (замыкание фазы на нуль)

Не более 0,2 с

1 уставка отключения

±0,05

Общая индикация


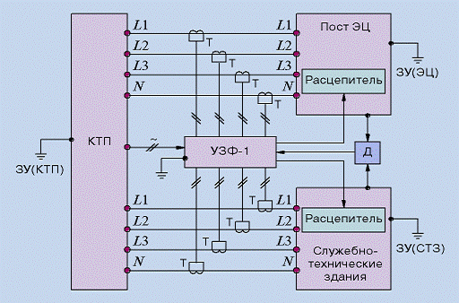
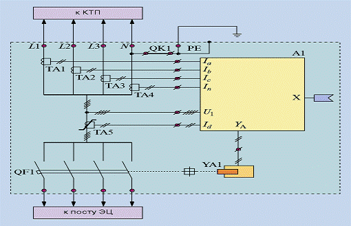
При участии НПФ «Электронтехника» разработано устройство с учетом заданных параметров, готовое к серийному производству. Такая схема включения приведена на рис. 2.2, а при наличии датчиков температуры проводов или шин ЗУ, а также при токовых перегрузках - на рис. 2.3, 2.4.

Выводы. Анализ работы электроустановок для питания нетяговых потребителей на железных дорогах от источников различной мощности показал, что железнодорожные системы электроснабжения во вторичной сети не имеют специальных технических средств для контроля состояния фазы и нулевого провода. Эти вопросы, учитывая их важность в части повышения надежности и исключения отказов в работе систем электроснабжения, являются приоритетными и должны быть решены в самое ближайшее время.

Результаты этих исследований положены в основу разработанных норм на проектирование электроснабжения устройств СЦБ и связи на станциях и перегонах, которые в настоящее время находятся на утверждении.

Рисунок 2.2 Многофункциональная универсальная селективная защита низковольтных фидеров электроснабжения постов ЭЦ

Д - датчик контроля температуры и состояния заземляющих устройств и проводников заземления на посту ЭЦ

Рисунок 2.3 Пожаробезопасность и электробезопасность постов ЭЦ и других служебно-технических зданий на станциях

Рисунок 2.4 Устройство защиты цепей заземления от токовых перегрузок

3. Обоснования возможных путей решения проблем СЦБ на железных дорогах Республики Казахстан

.1 Элементы автоматического воздействия поезда на путевые устройства полуавтоматической блокировки

Для безопасности движения поездов при полуавтоматической блокировке, при которой следование поездов друг за другом разграничивается определенными интервалами пути (пространством), необходимо обязательно выполнять условие, чтобы следующий поезд мог быть выпущен на тот или другой блок-участок (перегон) лишь после того, как предыдущий поезд вышел из его пределов, причем вышел бы в полном составе. Широко применяемыми для регистрации прохода поезда через определенные точки пути являются разного рода точечные датчики первичной информации о проследовании колесной пары через контрольную точку (МФД, ДПЭП, ДПВ-02). При определенном расположении этих датчиков воздействие поезда на них автоматически отметит вход или выход головы поезда из пределов контролируемого блок-участка (перегона) и послужит разрешением для осуществления блокировочных действий устройствами автоматики с целью отправления поезда на освободившийся блок-участок. Несмотря на это, воздействие на датчик, отмечающий выход поезда из пределов блок-участка, не свидетельствует о выходе поезда в полном составе. Для фиксации выхода всего состава поезда из пределов блок-участка, необходимо:

•  либо возложить на дежурных по станциям (сигналистов) контроль за наличием хвостовых сигналов на прибывающих поездах, не подавая при этом блокировочных сигналов (при их отсутствии) на соседние станции;

•  либо автоматизировать данный процесс, установив на хвостовые вагоны поездов устройства для воздействия ими на особые путевые датчики (светоэлектрические или индуктивные, фиксирующие проследование последнего вагона);

•  либо применить счетчики осей, разрешающие последующие блокировочные действия лишь тогда, когда число вошедших на данный блок-участок осей будет равно числу вышедших с него осей, что свидетельствует о полном освобождении блок-участка.

3.2 Способы контроля состояния участков пути методом счета осей

Рассмотрим различные варианты построения устройств контроля состояния участков пути (перегонов) методом счета осей (УКП СО), разработанные Уральским отделением ВНИИЖТ и научно-производственным предприятием “Уралжелдоравтоматизация” [13].

Использование системы УКП СО на участках с ПАБ (при соответствующей увязке со станционными устройствами автоматики) позволяет одновременно решать задачи контроля свободности перегона и автоматизации процесса контроля прибытия поезда на станцию в полном составе. Последнее дает возможность исключать участие оперативного персонала в процессе обеспечения безопасности движения поездов. Аппаратуру системы УПК СО также можно использовать для контроля путевых участков как на перегонах, так и на станциях, в том числе на участках с пониженным сопротивлением изоляции (балласта), в системах горочной автоматики, переездной сигнализации и непосредственно для счета осей или физических единиц подвижного состава. Система пригодна для участков с любым видом тяги и рельсами любого типа.

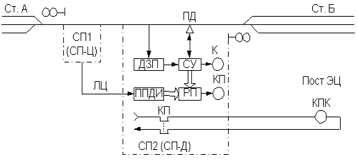
Система УКП СО включает в себя (рис. 3.1) два счетных пункта (СП1, СП2) и решающий прибор (РП). Счетные пункты располагаются на границах контролируемого перегона (путевого участка), и каждый из них связан с РП линейной цепью (ЛЦ1, ЛЦ2). На выходе РП включено контрольно-путевое реле (КП - реле свободности перегона).

Рисунок 3.1 Структурная схема контроля состояния перегона методом счета осей с централизованным размещением решающего прибора

Принцип действия системы основан на счете осей подвижного состава в каждом счетном пункте и последующем автоматическом сравнении результатов счета посредством РП. При одинаковых результатах счета на каждом СП, после прохода поезда по перегону и исправности аппаратуры системы, вырабатывается сигнал об освобождении подвижным составом контролируемого перегона (путевого участка). При этом включается реле КП.

Аппаратура каждого СП состоит из путевого датчика ПД, счетного устройства СУ, приемопередатчика дискретной информации (ППДИ) и датчика занятости пути ДЗП (рельсовая цепь в зоне установки ПД).

Датчик занятости пути определяет наличие подвижного состава в зоне контроля СП и задает режим работы аппаратуры счетного пункта (считывание или тестовая проверка). Путевой датчик реагирует на перемещение колесных пар в контролируемых зонах. Счетное устройство на основе обработки электрических сигналов ПД считает оси подвижного состава и выдает информацию на ППДИ. Приемопередатчик с требуемой достоверностью передает ее в решающий прибор, где непрерывно производится сравнение информации, поступающей со счетных пунктов. Кроме того, посредством РП контролируется исправность аппаратуры ППДИ и линейных цепей ЛЦ1 и ЛЦ2.

Аппаратура счетных пунктов работает в двух режимах: тестовом (при отсутствии подвижного состава в зоне контроля СП) и поездном (при вступлении поезда в зону контроля). Режим работы СП определяется состоянием ДЗП.

При свободном состоянии контролируемого перегона (путевого участка) датчики ДЗП на счетных пунктах включены. Из счетных устройств на путевые датчики подаются тестовые сигналы. Если путевой датчик и счетное устройство исправны и правильно функционируют, реле К находится под током. Это реле обеспечивает контроль работоспособности путевого датчика и счетного устройства при отсутствии поезда. Приемопередатчики непрерывно передают ранее записанную в память информацию о содержимом счетных устройств в решающий прибор. В данном случае из каждого СП передается в закодированном виде трехзначное десятичное число “000”. Решающий прибор, сравнивая в каждом цикле поразрядно поступающую информацию по линиям ЛЦ1 и ЛЦ2, удерживает реле КП во включенном состоянии. Это реле находится под током при условии, что поступающая информация из СП1 и СП2 одинакова, а сам РП находится в технически исправном состоянии.

При вступлении поезда на перегон, например со стороны СП1, датчик занятости пути этого счетного пункта ДЗП выключается, прекращая тем самым тестирование путевого датчика и счетного устройства, которое при этом устанавливается в исходное нулевое состояние. При проходе колеса подвижного состава над путевым датчиком ПД сигналы с его выходов поступают в счетное устройство. Текущая информация о количестве осей, проследовавших над ПД, передается ППДИ в РП. Решающий прибор фиксирует различие информации, поступающей на его входы с СП1 и СП2, и выключает реле КП. Реле КП остается в выключенном состоянии до тех пор, пока данный поезд не проследует в полном составе через СП2, т.е. не освободит контролируемый перегон (путевой участок). Реле КП может возбудиться и в том случае, если поезд, или его часть, проследовавшая путевой датчик СП1, вернется назад на станцию А в полном составе, поскольку счетное устройство работает с учетом направления движения подвижного состава. При прохождении колес подвижного состава по зонам контроля путевых датчиков реле К также находится во включенном состоянии. Таким образом осуществляется контроль работоспособности путевого датчика и счетного устройства в поездном режиме. Повреждение или отказ ПД или СУ приводит к выключению реле К, которое своими контактами отключит линейную цепь (на рисунке не показано), что, в конечном счёте, приведет к выключению реле КП.

В момент освобождения поездом зоны контроля датчика занятости пути СП1 включается ДЗП, и аппаратура счетного пункта начинает работать в тестовом режиме. ППДИ при этом продолжает непрерывно передавать информацию о числе осей в проследовавшем поезде от СП1 на станцию Б через линию связи ЛЦ2.

Аппаратура счетного пункта СП2 при проходе поезда работает аналогично аппаратуре СП1. Когда поезд освобождает перегон (проследует зону контроля СП2), решающий прибор РП фиксирует идентичность информации, поступившей на его входы по линиям ЛЦ1 и ЛЦ2 (о числе осей в проследовавшем поезде), и включает реле КП. После замыкания фронтовых контактов реле КП по линейным цепям посредством ППДИ (по обратному каналу) передается команда на приведение счетных устройств на каждом СП в нулевое состояние. При получении с обоих СП сигнала квитирования (информация о приведении СУ в нулевое состояние и запоминании этой информации - с каждого СП передается в закодированном виде число “000”) решающий прибор удерживает под током реле КП. В противном случае оно обесточивается. На этом цикл работы системы заканчивается. Если поезд движется в другом направлении (от СП2 к СП1), система работает аналогично. Различие лишь в том, что текущая информация поступит в РП сначала с СП2, а затем с СП1. Путевой датчик и счетное устройство работают с учетом направления движения. Например, при движении поезда в 60 осей в одном направлении со счетных пунктов передается код числа “060”, при движении этого же поезда в обратном направлении - код числа “940”, так как емкость счетчика равна 1000.

Если по каким-либо причинам произойдет сбой в работе системы и при фактической свободности перегона счетные устройства не перейдут в исходное состояние, то система предусматривает искусственное восстановление ее нормальной работы. Оно реализуется нажатием на станции приема поезда специальной кнопки, расположенной на пульте-табло.

Принципы построения системы разработаны с учетом требований по обеспечению безопасности движения: отказ любого функционального элемента или какой-либо связи приводит к выключению реле КП. В системе заложены функции диагностики технического состояния устройств. Аппаратура содержит элементы индикации, контролирующие работоспособность отдельных узлов системы.

Аппаратура СП размещается в релейных шкафах. Путевой датчик крепится к подошве либо к шейке рельса. Решающий прибор может, в зависимости от эксплуатационных условий, устанавливаться на станции или на одном из счетных пунктов. Алгоритм работы системы при этом принципиальных отличий не имеет.

В зависимости от места размещения решающего прибора система проектируется в двух вариантах:

- с размещением РП на станции (централизованный) - УКП СО-Ц (рисунок 3.1);

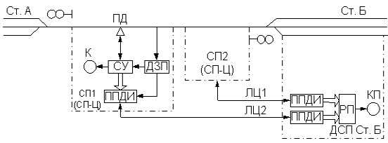
- с размещением РП на счетном пункте (децентрализованный) - УКП СО-Д (рисунок 3.2).

В первом варианте оба счетных пункта по аппаратной реализации идентичны (тип СП - СП-Ц). На станции при этом устанавливаются два идентичных приемопередатчика дискретной информации ППДИ и решающий прибор РП. На выходе решающего прибора включено реле КП, через контакты которого производится увязка со станционными устройствами автоматики.

Рисунок 3.2 Структурная схема контроля состояния перегона с децентрализованным расположением решающего прибора

Во втором варианте (рисунок 3.2) решающий прибор устанавливается на одном из счетных пунктов (тип СП - СП-Д), а на станции - повторитель реле КП. Включение повторителя реле КП на станции осуществляется контактами реле КП по специальным проводам. В обоих случаях решающий прибор выполняет одну и ту же задачу - непрерывно сравнивает коды числа осей, проследовавших через каждый счетный пункт (коды чисел на его входах).

Система УКП СО-Ц имеет преимущества эксплуатационного характера не только перед системой УКП СО-Д, но и в случае использования ее в качестве устройства контроля состояния свободности перегона. Использование системы УКП СО-Д наиболее эффективно для контроля состояния свободности путевых участков, удаленных от станции (рисунок 3.3). Например, для контроля в середине перегона блок-участка с искусственным сооружением (при АБ), где по каким-либо причинам нельзя применить рельсовые цепи.

При оборудовании системой УКП СО-Ц двух смежных перегонов целесообразно использовать вариант системы с решающим прибором типа РП-ЦЕ (рисунок 3.4), конструктивно объединяющим в себе два одинаковых решающих прибора типа РП-Ц, располагаемых на станции Б. В этом случае посредством реле КП1 контролируется свободность перегона между станциями А и Б, а посредством реле КП2 - перегон между станциями Б и В.