(4.2)
Sн - коэффициент безопасности для редукторов, зависит от
термообработки;
(4.3)
Для проектирования не коррегированной передачи принимаем межосевое расстояние из нормального ряда a=200мм.
Определение суммарного числа зубьев
Σ =2 а w / m;
(4.4)
Подставляя значения в формулу получаемΣ = 2 *200 / 2 = 200.
Определение числа зубьев шестерни
1
= ZΣ / (u +1) ; (4.5)
Подставляя суммарное число зубьев ZΣ = 100 и передаточное число u = 5 получим1 = 200/ (9,09 +1) = 19,82.
Назначаем Z1 = 20.
Определение числа зубьев колеса
2
= ZΣ - Z1 ; (4.6)
Подставляя значения, получим2 = 200-20 =180.
(4.5)
где а -межосевое расстояние, мм;
По
ГОСТ 9563-80 принимаем
=2мм
(4.6)
где
-уточнённый модуль зацепления;
-количество
зубьев на первом колесе;
-угол
наклона зубьев,
;
(4.7)
проверка:
(4.8)
где
-делительный диаметр первого колеса, мм;
-делительный
диаметр второго колеса;
Таблица 4.1 - Геометрические размеры колес
|
Параметр |
Геометрические зависимости |
Числовые значения |
|
Диаметры вершин зубьев dа1, dа2 |
dа1 = d1 + 2 m dа2 = d2 + 2 m |
dа1 = 40+4=44 мм dа2 = 360+4=364 мм |
|
Диаметры впадин зубьев df1, df2 |
df1, =d1-2,5m df2= d2 -2,5m |
df1 =40-5=35мм df2=360-5=355мм |
|
Ширина колеса b2 |
b2 = φа * аw |
b2=0,315*200=63мм. |
|
Ширина шестерни b1 |
b1 = b2 +5 мм |
b1 = 67мм |
Окружная скорость колеса:
(4.13)
где
-уточнённый делительный диаметр второго колеса, мм;
-частота
оборотов на втором валу,
;
При данной скорости назначаем 8-ю степень точности.
При
данной скорости выбираем
Коэффициент
нагрузки для проверки контактных напряжений:
(4.14)
где
- коэффициент,
учитывающий неравномерность распределения нагрузки по ширине венца;
-
динамический коэффициент, зависящий от окружной скорости колес и точности их
изготовления;
-
коэффициент, учитывающий неравномерность распределения нагрузки между зубьями;
Проверяем
контактные напряжения:
(4.15)
где
-уточнённое межосевое расстояние, мм;
-уточнённое
передаточное отношение;
-
коэффициент нагрузки для проверки контактных напряжений;
-крутящий
момент на втором валу, об/мин;
Определяем
отклонение:
(4.14)
Т.к.
расчётное напряжение σн меньше
допускаемого [σ]H
в пределах 15%, то ранее принятые параметры передачи принимаем за
окончательные.
Ведущий вал: находим диаметр выходного конца при допускаемом напряжении
по формуле:
(5.1)
где [tк] - допустимые касательные напряжения при кручении
([tк]=20 - 25МПа);
Полученный
диаметр согласуем с диаметром вала электродвигателя и со стандартной муфтой.
Назначаем
=28мм.
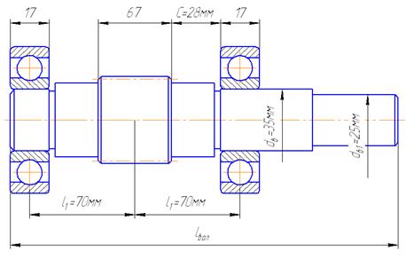
Рисунок
5.1 - Схема быстроходного вала с размерами
Примем диаметр вала под подшипниками 35мм. Шестерню выполняем за одно целое с валом.
Ведомый
вал: Диаметр выходного конца при допускаемом напряжении
по формуле:
(5.2)
где М2кр-крутящий момент на втором валу, Нм;
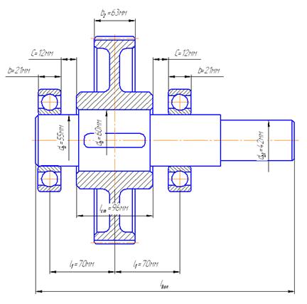
Принимаем диаметр вала под шестерню 42мм.
Примем диаметр вала под подшипниками 55мм.
Диаметр вала под зубчатым колесом: 60мм.
Размеры ступиц колес:
(5.3)
Рисунок 5.2 - Схема тихоходного вала с размерами
Толщина стенки редуктора:
Толщину стенки редуктора принимаем 6 мм.
Расстояние
от боковых поверхностей элементов, вращающихся вместе с валом, до неподвижных
наружных частей редуктора
Консольные силы в зацепление цилиндрической закрытой передачи.
Окружные силы в зацеплении шестерни и колеса:
(6.1)
где М1в - крутящий момент на первом валу, Нм;
d1 - делительный диаметр первого колеса, мм.
Радиальные силы в зацеплении шестерни и колеса:
(6.2)
где
- угол зацепления в цилиндрической косозубой закрытой
передаче принят, в градусах (
,
);
-
действительная величина угла наклона зубьев для косозубых передач, в градусах(β=0).
Консольные силы в шестерне открытой передачи на тихоходном валу, Н:
Окружное усилие
Радиальное усилие
Консольные силы в муфте на быстроходном валу, Н:
(6.4)
где
- вращающий момент на валу быстроходной передачи, Н
м;
Выбираем подшипник для вала-шестерни:
Тип подшипника: радиальный шариковый однорядный легкой серии 207.
Данные подшипника:
d=35мм.
D=72мм.
В=17мм.
Выбираем подшипник для тихоходного колеса:
Тип подшипника: радиальный шариковый однорядный лёгкой серии 211.
Данные подшипника:
d=55мм.
D=100мм.
В=21мм.
Силовые факторы, Н:
на шестерне:
Делительный диаметр шестерни прямозубой передачи:
Расстояние
между точками приложения реакций в опорах подшипников быстроходного вала
:
,
где
- ширина подшипника для быстроходного вала, в мм;
На колесе:
Делительный диаметр колеса косозубой передачи:
Плоскость YOZ(вертикальная). Учитываем усилие от зубчатой открытой передачи Fr1 =1,22кН.
Определяем реакции в опорах
ΣМА=0:
Или

ΣМb = 0:
или
Подставляя
значения, получим
кН.
ΣF(Y) = 0:
Строим эпюру изгибающих моментов Мy.
Участок
АC:
Мy = Ya * Z,
Точка А: Z= 0, Мy = 0Нм.
Точка С: Z=a, Мy=Ya*a=0,98*70 =68,6Нм.
Участок
DВ:
Мy
= Fr1 *Z,
Точка D Z= 0, Мx = 0Нм.
Точка В: Z= c, Мx = 1.22*100 = 122Нм
Участок
ВC:
Мy
= Fr1 *(c+Z)+
Yb*Z,
очка B Z= 0, Мx = 122Нм.
Точка C: Z= b, Мx = 1,22*(100+70) - 1.98*70=68.6Нм
Плоскость XOZ (горизонтальная).
Учитываем усилие от зубчатой открытой передачи Ft =3,4кН.
Определяем
реакции в опорах.
ΣМА=0:
Или
Подставляя значения, получим
ΣМb = 0:
или
Подставляя
значения, получим
кН.
ΣF(Y) = 0:
Строим эпюру изгибающих моментов М x.
Участок
АC:
Мx
= Xa * Z,
Точка А: Z= 0, Мx = 0Нм.
Точка
С: Z= a, Мx = Xa * a =2.75*70=192.5Нм.
Рисунок
3.1 - Расчетная схема и эпюры моментов тихоходного вала
Участок
DВ:
Мx
= Ft1 *Z,
Точка D Z= 0, Мx = 0Нм.
Точка В: Z= c, Мx = 3.4*100 =340Нм
Участок
ВC:
Мx
= Ft1 *(c+Z)+
Xb*Z,
очка B Z= 0, Мx = 340Нм.
Точка C: Z= b, Мx = - Ft1 *(c+b)+ Xb*b = 3.4(100+50)-5.5*70=192.5Нм
Строим эпюру крутящего момента Мк.
Определяем суммарные моменты;
Плоскость YOZ(вертикальная).
Определяем реакции в опорах
Строим эпюру изгибающих моментов Мy.
Участок
АC:
Мy = Ya * Z,
Точка А: Z= 0, Мy = 0Нм.
Точка С: Z=a, Мy=Ya*a=0,115*70 =8Нм.
Плоскость XOZ (горизонтальная).
Учитываем усилие от муфты FΣ =0,45кН.
Определяем
реакции в опорах.
ΣМА=0:
Или
Подставляя значения, получим
ΣМb = 0:
или
Подставляя
значения, получим
кН.
ΣF(Y) = 0:
Строим эпюру изгибающих моментов М x.
Участок
АC:
Мx
= Xa * Z,
Точка А: Z= 0, Мx = 0Нм.