Материал: Привод цепного конвейера

Внимание! Если размещение файла нарушает Ваши авторские права, то обязательно сообщите нам

Привод цепного конвейера

Содержание

Исходные данные

. Кинематический расчет привода

.1 Выбор электродвигателя

.2 Определение передаточных чисел привода

.3 Механические параметры на валах привода

. Расчет цилиндрической зубчатой передачи

.1 Выбор материала

.2 Допускаемые напряжения

.2.1 Допускаемые контактные напряжения

.2.2 Допускаемые напряжения изгиба

.3 Межосевое расстояние

.4 Предварительные основные размеры колеса

.5 Модуль передачи

.6 Суммарное число зубьев и угол наклона

.7 Число зубьев шестерни и колеса

.8 Фактическое передаточное число

.9 Диаметры колес

.10 Размеры заготовок

.11 Проверка зубьев колес по контактным напряжениям

.12 Силы в зацеплении

.13 Проверка зубьев колес по напряжениям изгиба

.14 Проверочный расчет на прочность зубьев при действии пиковой нагрузки

. Расчет червячной передачи

.1 Выбор материала червяка и колеса

.2 Допускаемые напряжения

.2.1 Допускаемые контактные напряжения

.2.2 Допускаемые напряжения изгиба

.3 Межосевое расстояние

.4 Основные параметры червячной передачи

.4.1 Число зубьев колеса

.4.2 Модуль передачи

.4.3 Коэффициент диаметра червяка

.4.4 Коэффициент смещения

.4.5 Угол подъема линии витка червяка на делительном диаметре

.4.6 Фактическое передаточное число

.5 Размеры червяка и колеса

.6 Проверочный расчет передачи на прочность

.7 КПД передачи

.8 Силы в зацеплении

.9 Проверка зубьев колеса по напряжениям изгиба

.10 Проверочный расчет на прочность зубьев червячного колеса при действии пиковой нагрузки

.11 Тепловой расчет

. Расчет клиноременной передачи

.1 Выбор сечения ремня

.2 Определение диаметров шкивов

.3 Определение межосевого расстояния и угла обхвата ремнем шкива

.4 Определение мощности передаваемой одним ремнем

.5 Определение силы предварительного натяжения одного ремня

.6 Ресурс наработки передач

. Конструктивные размеры элементов одноступенчатого редуктора

.1 Передачи редуктора

.1.1 Червячная передача

.2 Конструкция входного вала

.3 Конструкция выходного вала

.4 Крышки подшипниковых узлов

.5 Конструктивные элементы корпуса

. Определение сил, нагружающих подшипники входного вала

.1 Радиальные реакции опор от сил в зацеплении

.2 Радиальные реакции опор от действия силы Fk на консольной законцовке вала

.3 Реакции опор для расчета подшипников

.4 Расчетный скорректированный ресурс

.5 Проверка выполнения условия Pr max ≤ 0,5·Cr

. Определение сил, нагружающих подшипники выходного вала

.1 Радиальные реакции опор от сил в зацеплении червячной и зубчатой передач

.2 Реакции опор для расчета подшипников

.3 Расчетный скорректированный ресурс

.4 Проверка выполнения условия Pr max ≤ 0,5·Cr

. Расчет валов на прочность

.1 Входной вал

.1.1 Определение силовых факторов

.1.2 Геометрическая характеристика опасных сечений вала

.1.3 Расчет вала на статическую прочность

.1.4 Расчет вала на сопротивление усталости

8.2 Выходной вал

8.2.1 Определение силовых факторов

.2.2 Геометрическая характеристика опасных сечений вала

.2.3 Расчет вала на статическую прочность

.2.4 Расчет вала на сопротивление усталости

Литература

Исходные данные

Спроектировать привод к ленточному конвейеру по схеме. Мощность на ведомом колесе зубчатой передачи Р4 и угловая скорость вращения w4 даны.

Р4 =10 кВт

W4=0,5 П рад/с

) общего вида привода

) приводного вала конвейера с опорами и звездочками

) червячного редуктора

) рабочих чертежей деталей редуктора - основание корпуса, червяка и червячного колеса.

Рис. 1 Вал электродвигателя-N1

Рис. 2

1. Кинематический расчет привода

.1 Выбор электродвигателя

Выбор электродвигателя производится по величине требуемой мощности Pтр:

Pтр =  кВт ,

где Pпол = P4

з - общий КПД привода.

Находим общий КПД привода:

з = з з • з• з,

где з = 0,8              - КПД червячной передачи;

з = 0,96          - КПД зубчатой передачи;

з = 0,96         - КПД ременной передачи;

з = 0,99           - КПД подшипников качения.

з = 0,96 ·0,8 ·0,96 ·0,99 3 = 0,715382046

Находим требуемую мощность:тр =  = 13,97854482 кВт

Находим частоту вращения последнего вала n4:

4 =  об /мин

n4 =  = 15 об /мин

Находим общее передаточное число привода:

= Uчер ·Uзуб ·Uрем ,

Где Uчер = 10 … 30 - передаточное число для червячной передачи;зуб = 2 … 3- передаточное число для зубчатой цилиндрической передачи;рем = 2 … 3 - передаточное число для ременной передачи.min = 10 ·2 ·2 = 40max = 30 ·3 ·3 = 270

Находим минимальную и максимальную частоты вращения двигателя:дв.min = n4 ·Umin об /мин                nдв.min = 15 ·40 = 600 об /миндв.max = n4 ·Umax об /мин             nдв.max = 15 ·270 = 4050 об /мин

Выбор электродвигателя производится по каталогам АИР с соблюдением следующих условий:

тр ≤ Pном ,

где: Pном - номинальная мощность электродвигателя по каталогу.

дв.min < nc < nдв.max

c = (2 … 3) ·nдв.min

nc ≈ 1200…1800 об /мин

По каталогу выбираем двигатель АИР Х160S4/2

Для выбранного двигателя из каталога выписываем следующие данныe:

) номинальная мощность Pном = 14 кВт,

) синхронная частота вращения nc = 1500 об /мин,

) коэффициент скольжения S = 3.3 %,

4) коэффициент перегрузки Kпер =  = 2,9 ,

) диаметр выходного вала двигателя d1 = 48 мм.

.2 Определение передаточных чисел привода

Определяем частоту вращения двигателя с учетом скольжения:

дв = nс ·(1 -  ) об /мин

дв = 1500 ·(1 - ) = 1450.5 об /мин

Принимаем nдв = 1450 об / мин.

Находим общее передаточное число привода:

=

=  = 96.66666666

Находим передаточное число привода по типам передач с условием:зуб - передаточное число зубчатой цилиндрической передачи из диапазона 2 или 3чер - передаточное число червячной передачи из диапазона 10, 12, 16, 20.

Принимаем: Uзуб = 3 и Uчер = 16.рем =  = 2.01388888.

1.3 Механические параметры на валах привода

Определяем частоту вращения n, об /мин:

nдв = n1 = 14502 = 3 = 4 =

2 =  = 7203 =  = 454 =  = 15

Определяем угловые скорости щ, с -1:

щ1 = щдв =

щ2 =

щ3 =

щ4 =

щдв =  = 48,(3)

щ2 =  = 24

щ3 =  = 1,5

щ4 =  = 0,5

Определяем вращающий момент Т, Н ·м:

Т1 = Тдв =  = 92.05880709 ≈92.059

Т2 = Т1 ·Uрем ·зрем ·зпк     Т2 = 92.059 ·0,96 ·0,99 ·2,013(8)=176.2005568≈ 176.201

Т3 = Т2 ·Uчер ·зчер ·зпк ;   Т3 = 176.201·0,8 ·0,99 ·16 = 2232.813456≈ 2232.813

Т4 = Т3 ·Uзуб ·ззуб·зпк ; Т4 = 2232.813 ·0,96 ·0,99 ·3 = 6366.197724≈ 6366.2

Определяем мощность Р, кВт:

Р1 = Рдв = Ртр = 13.97854482

Р2 = Р1 ·зрем ·зпк Р2 = 13.97854482 ·0,96 ·0,99 = 13.28520893

Р3 = Р2 ·зчер ·зпк Р3 = 13.28520893 ·0,8 ·0,99 = 10.52188552

Р4 = Р3 ·зкон ·зпк Р4 = 10.52188552 ·0,96 ·0,99 = 10

Проверка:

 =

 =  = 6366.197724 Н ·м

Полученные данные сводим в таблицу 1:

Таблица 1

№ вала

n, об /мин

щ, с -1

Т, Н··м

Р, кВт

Вал двигателя №1

1450

48,(3) 92.05913.9785



Входной вал редуктора №2

720

24176.20113.2852



Выходной вал редуктора №3

45

1,52232.81310.522



Вал звездочки №4

15

0,56366.210




Часть 2. Расчет цилиндрической зубчатой передачи

.1 Выбор материала

Для изготовления колеса и шестерни выбираем сталь марки СТ40Х. Термообработка колеса - улучшение до твердости Н2 = 235 … 262 НВ. Термообработка шестерни - улучшение до твердости Н1 = 269 … 302 НВ.

2.2 Допускаемые напряжения

.2.1 Допускаемые контактные напряжения

[ у ]н = унlim · МПа ,

где ун lim - предел контактной выносливости (таблица 3 (приложение 2))

ун lim = 2 ·НВср + 70 - для улучшенных сталей , где:

НВср - среднее значение твердости.

Определяем предел контактной выносливости:

для колеса: НВср2 =  = 248,5 HB

ун lim2 = 2 ·248,5 + 70 = 567 МПа

для шестерни: НВср1 =  =285,5 HB

ун lim1 = 2 ·285,5 + 70 = 641 МПаN - коэффициент долговечности;

N =  при условии 1 ≤ ZN ≤ ZNmax ,

Где ZNmax = 2,6 - для улучшенных сталей.HG - число циклов, соответствующее перелому кривой усталости;

HG = 30 ·НВ ≤ 1,2 · 10 7

для колеса: NHG2 = 30 ·248,5 2,4 = 1,6823·10 7

для шестерни: NHG1 = 30 ·285,5 2,4 = 2,34734 ·10 7 - число циклов, эквивалентное назначенному ресурсу NК.

Заданную циклограмму нагружения (график нагрузки) заменяем соответствующим ей типовым режимом - I I (рис.2.3 (приложение 2))

= мH ·NK ,

где мH = 0,25 - коэффициент эквивалентности (таблица 2.4 (приложение 2))K - ресурс передачи:

K2 = 60 ·n ·Lhh = L ·365 ·Kгод ·24 ·Kсут

h = 5 ·365 ·0,7 ·24 ·0,25 = 7665 ч

для колеса:          n = n4 = 15 об /мин (таблица 1 , расчет 1.3.)K2 = 60 ·15 · 7665 = 0,68985·10 7HЕ2 = 0,25 ·0,968985·107 = 0,1724625·10 7

для шестерни: n = n3 = 45 об /мин (таблица 1)K1 = 60 ·45 ·7665= 2,06955 ·10 7HЕ1 = 0,25 ·2,06955= 0,5173875 ·10 7

Так как N < NHG , то ZN определяем по формуле ZN = :

для колеса:          ZN2 =  = 1,46173

для шестерни: ZN1 =  = 1,28665R - коэффициент, учитывающий влияние шероховатости соприкасающихся поверхностей зубьев.

Принимаем ZR = 1 - для шлифованных и полированных поверхностей (Ra = 0,8 мкм).V - коэффициент, учитывающий влияние окружной скорости.

Принимаем ZV = 1.H - коэффициент запаса прочности;

Принимаем SH = 1,1 - для улучшенных сталей.

Определяем допускаемые контактные напряжения:

для колеса: [ у ]Н2 = 567 МПа · = 753,46 МПа

для шестерни: [ у ]Н1 = 641 МПа • = 749,77 МПа

Допускаемое контактное напряжение равно меньшему из двух (для колеса или для шестерни).

Принимаем [ у ]Н = 749 МПа.

.2.2 Допускаемые напряжения изгиба

[ у ]F = уF lim ·,

где уF lim - предел выносливости при изгибе (из таблицы 4 (приложение 2));

уFlim = 1,75 ·НВср,

где НВср - среднее значение твердости.

Определяем предел контактной выносливости:

для колеса: уF lim2 = 1,75•248,5 = 434,875 МПа

для шестерни: уF lim1 = 1,75·285,5 = 499,625 МПаN - коэффициент долговечности

N =  при условии 1 ≤ YN ≤ YNmax ,

где: YNmax = 4, q= 6 - для улучшенных сталей,FG - число циклов, соответствующее перелому кривой усталости;FG = 4 ·10 6

FE = мF ·NK - число циклов эквивалентное ресурсу,

где мF - коэффициент эквивалентности, в зависимости от типового режима I I (раздел 2.2.1. и q (из таблицы 5 (приложение2)).

Принимаем мF = 0,143 и q = 6.K - ресурс передачи (из раздела 2.2.1.)

для колеса: NFЕ2 = 0,143 ·6,8985 ·10 6 = 0,9864855 ·10 6

для шестерни: NFЕ1 = 0,143 ·20,6955 ·10 6 = 2,9594565 ·10 6

Так как N < 4 ·10 6, то YN определяем по формуле

N = :

для колеса: YN2 =  = 1,2628 < 4

для шестерни:YN1 =  = 1,0515 < 4R = 1,05 … 1,2 - при шлифовании и полировании поверхности

Принимаем YR = 1,1 (Ra = 0,8 мкм).А - коэффициент, учитывающий влияние двухстороннего режима нагрузки.

Принимаем YА = 1 - при одностороннем приложении нагрузки.F - коэффициент запаса прочности;

Принимаем SF = 1,7 - для улучшенных сталей.

Определяем допускаемые напряжения изгиба:

для колеса: [ у ]F2 = 434,875 • = 355,395 МПа

для шестерни: [ у ]F1 = 499,625 • = 339,936 МПа

Допускаемое напряжение изгиба равно меньшему из двух (для колеса или для шестерни).

Принимаем [ у ]F = 339 МПа.

2.3 Межосевое расстояние

Определяем предварительное значение межосевого расстояния:

а  = К ·(U + 1) · мм ,

где: К = 10 для Н1 и Н2 ≤ 350 НВ.=3 - передаточное число зубчатой передачи (расчет 1.2.)

Т1 = 2232.813 Н ·м - вращающий момент на валу шестерни (таблица 1: Т1 = Т3).

а  = 10 ·(3+1) •  = 362.50 мм

Находим окружную скорость:

V = =0,43 м /c ,

Где n1 => n3 - частота вращения шестерни

Принимаем, по таблице 6 (приложение 2) для зубчатой передачи степень точности 8 при V < 10 м /c.

Принимаем , что зубчатая передача будет косозубой.

Уточняем предварительно найденное значение межосевого расстояния:

а  = Ка ·(U + 1) · мм ,

где Ка = 410 - для косозубой передачи= 3 - передаточное число зубчатой передачи (раздел 1.2.)

Т1 = 2232,813 Н ·м (вращающий момент на валу шестерни (таблица 1: Т1 => Т3)

шва - коэффициент ширины зубчатого венца относительно межосевого расстояния.

При консольном расположении колес из диапазона 0,2…0,25

Принимаем шва = 0,25

[ у ]Н - допускаемые контактные напряжения 749 МПа.

КН - коэффициент нагрузки.

КН = КНV ·КНв ·КНб

КНV - коэффициент учитывающий внутреннюю динамику нагружения связанную с ошибками шагов зацепления (таблица 7 (приложение 2)), так как значения V не совпадают с табличными значениями, применяем формулу экстраполяции:

КНV = КНV< +  ·(V - V< )

КНV< - значение КНV для меньшего табличного значения скорости (V< )

КНV> - значение КНV для большего табличного значения скорости (V> )< и V> меньшее и большее табличное значение скорости в диапазоне которых находится действительное значение скорости V.

КНV = 1,02 +  ·(0.43 - 1) = 1,0086

КНв - коэффициент учитывающий неравномерность распределения нагрузки по длине контактных линий.

К - в начальный период работы (из таблицы 8 (приложение 2) в зависимости от шbd , схемы передачи и твердости зубьев).

шbd - коэффициент ширины зубчатого венца относительно диаметра;

шbd =

Определяем шbd ориентировочно:

шbd = 0,5 ·ш ·(U + 1);

шbd = 0,5 ·0,25 ·(3 + 1) = 0,5

Формула экстраполяции:

К = 1,17 +  ·(0,5- 0,4) = 1,22

КНв = 1 + (К  - 1) • КHW=1+(1,22-1) •0,2541=1,055946

КHW - коэффициент учитывающий приработку зубьев (из таблицы 9 (приложение 2) в зависимости от V, для твердости Н = 250 НВ).

Формула экстраполяции:

КНW = КНW< +  ·(V - V< )

КНW = 0,26 +  ·(0,43 - 1) = 0,2543

КНб - коэффициент учитывающий распределение нагрузки между зубьями в связи с погрешностью шага зацепления.

КНб = 1 + (К  - 1) • КHW

К = 1 + А • (nст - 5)

при условии 1 ≤ К  ≤ 1,6 - для косозубых передач.ст = 8 - для степени точности зубчатой передачи 8.

А = 0,25 - для Н1 < 350 НВ и Н2 < 350 НВ.

К = 1 + 0,25 •(8 - 5) = 1,75

К =1.75 >1.6

Принимаем К  = 1,6.

КНб = 1 + (1,6 - 1) ·0,2543 = 1,15258

Определяем коэффициент нагрузки:

КН = 1,0086 ·1,055946·1,152458= 1,2275

Определяем межосевое расстояние:

а  = 410 ·(3 + 1) · = 306.285779 мм

Значение а  округляем в большую сторону до величины из стандартного ряда (из таблицы 13 (приложение 2)).

Принимаем а  = 320 мм.

2.4 Предварительные основные размеры колеса

делительный диаметр: d2 = , мм2 =  = 480 мм

ширина: b2 = шва ·а  , мм2 = 0,25 ·320 = 80 мм

Принимаем b2 = 80 мм.

2.5 Модуль передачи

Из условия подрезания зубьев:

mmax =  мм;

max =  = 9.41 мм

Из условия прочности зуба на изгиб:

min = мм

m = 2,8 ·10 3 -коэффициент модуля для косозубой передачи;

Т1 = 2232,813 Н•м - вращающий момент на валу шестерни (таблица 1: Т1 =>T3)

[ у]F=339 Мпа - допускаемые напряжения на изгиб (расчет 2.2.2.)

а =320 мм- межосевое расстояние

в2=80 мм - ширина зубчатого венцаF - коэффициент нагрузки:

КF = КFV ·К ·К

FV - коэффициент, учитывающий внутренние динамические нагрузки (из таблицы 10 (приложение 2))

Применяем формулу экстраполяции:

КFV = КFV< +  •·(V - V< )

КFV = 1,04 +  ·(0,43 - 1) = 1,0172

К = 0,18 + 0,82 ·К , где:

К  - из раздела 2.3

К = 0,18 + 0,82 ·1,22 = 1,1804

К = К = 1,15258 (из раздела 2.3)

КF = 1,0172 ·1,1804 ·1,15258 = 1,3839min = = 3,99 мм

Значение модуля принимаем из стандартного ряда (приложение2).

Принимаем m = 4 мм.

2.6 Суммарное число зубьев и угол наклона

Минимальный угол наклона косозубых колес:

вmin = arcsin

вmin = arcsin = 11,53695903 °

Суммарное число зубьев:

zs =

s =  ≈ 156,77

Полученное число округляем в меньшую сторону до ближайшего целого числа, которое бы делилось без остатка на (U + 1).

Принимаем zs = 156

Определяем действительное значение в:

в = arcсos

в = arccos = 12,83856814°

Для значения в должны выполняться два условия:

1. в должно находится в диапазоне 8 … 20°.

2. для косозубых передач проверяется условие

b2 => 80 > 45,00351604

.7 Число зубьев шестерни и колеса

для шестерни:

1 = =39 ≥ z1 min1 min = 17 ·cos 3в

z1 min = 15,75660938

z1 = 39 > z1 min

для колеса: z2 = zs - z12 = 156 - 39 = 117

Так как z1 > z1 min, то смещение при нарезании зубьев шестерни и колеса не требуется. Следовательно, x1 = 0, x2 = 0 и y = 0.


Uф = ;

ДU =  ·100 %;

ф =  = 3

ДU =  ·100 % = 0 %

.9 Диаметры колес

Делительный диаметр, мм:

для шестерни:

d1 = ;

1 = = 160 мм

для колеса:         

2 = ;

d2 = = 480 мм

Проверка:

а W =

А W =  = 320 мм

Диаметры da и df , мм:

для шестерни:

a1 = d1 + 2 ·mf1 = d1 - 2,5 ·m

a1 = 160 + 2 ·4 = 168 ммf1 = 160 - 2,5 ·4 = 150 мм

для колеса:

da2 = d2 + 2 ·mf2 = d2 - 2,5 ·m

a2 = 480 + 2 ·4 = 488 ммf2 = 480 - 2,5 ·4 = 470 мм

2.10 Размеры заготовок

При выборе конструктивной схемы шестерни и колеса необходимо руководствоваться рис.2 и рис.4 (приложение 3) и следующими соотношениями:

если: Dзаг1 ≤ Dпр1заг2 ≤ Dпр2

то конструктивная схема колес по рис.2,

если: Dзаг1 > Dпр1заг2 > Dпр2

то конструктивная схема колес по рис.4,в.

для шестерни: Dзаг1 = 168 + 6 = 174 мм

для колеса: Dзаг2 = 488 + 6 = 494 мм

Т.к. Dзаг1> Dпр1, то конструктивная схема шестерни по рис. 4,в.

Т.к. Dзаг2> Dпр2, то конструктивная схема колеса по рис. 4,в.

При этом:

за = 8 ·m ≤ Sпр

Сзаг = 0,5 ·b2 ≤ Sпр ,

где Sпр1 = 80 мм и Sпр2 =125 мм (по таблице 2 (приложение 2)).заг = 8 ·4 = 32 мм

мм < 125 мм и 32 мм < 80 ммзаг = 0,5 ·80 = 40 мм

мм < 125 мм и 40 мм < 80 мм

.11 Проверка зубьев колес по контактным напряжениям

Расчетное значение:

уН =  ≤ [ у]Н

у = 8400 - для косозубых колес.

КН = 1,2275 (из раздела 2.3)

Т1 = 2232,813 Н·м - вращающий момент на валу шестерни (из таблицы 1: Т1 =>T3);

[у]Н = 749 МПа - допускаемое контактное напряжение (из расчета 2.2.1)

уН =  = 709,66 МПа

,66 Мпа < 749 МПа

При этом должно выполняться условие:

,8  < 1,05

 =  = 0,94

,8 < 0,94 < 1,05

.12 Силы в зацеплении

Окружная, Н:

t =

t =  ≈ 27910 Н

Радиальная, Н:

r =

r =  ≈ 10420 Н

Осевая, Н:

Fа = Ft • tgв

a = 27910 • tg(12.83856814) ≈ 6361 Н

2.13   Проверка зубьев колес по напряжениям изгиба

Расчетное значение в зубьях колеса:

уF2 =  ≤ [ у]F2

Расчетное значение в зубьях шестерни:

уF1 =  ≤ [ у]F1

УFS - коэффициент, учитывающий форму зуба и концентрацию напряжений (принимаем по таблице 11 (приложение 2) для x = 0 и приведенного числа зубьев ZV = ).

Применяем формулу интерполяции:

УFS = УFS< -  ·(Z - Z< )

для колеса:

V2 =

ZV2 =  = 126.2327416

УFS =3,59 для ZV2>100

для шестерни:

V1 = ;

V1 =  = 42.08

УFS = 3,7 -  ·(42.08 - 40) = 3,6917

Ув = 1 -  - при условии Ув ≥ 0,7

Ув = 0,8716

Уе = 0,65 - для косозубых передач.

для колеса:уF2 =  = 245.5 МПа

.5 МПа < 355.34 МПа

для шестерни: уF1 =  = 252.5 МПа

.5 МПа < 339.94 МПа

2.14 Проверочный расчет на прочность зубьев при действии пиковой нагрузки

Действие пиковых нагрузок оценивают коэффициентом перегрузки:

Kпер =  = 2,3 (из данных электродвигателя раздел 1.1)

Для предотвращения остаточных деформаций или хрупкого разрушения поверхностного слоя:

уН max = уН · ≤ [ у]Н max ,

где уН = 709,66 МПа (из раздела 2.11).

[у]Н max = 2,8 • уT ,

где уT - предел текучести материала колеса (из таблицы 2 (приложение 2));

для колеса:          ут = 640 МПа

[ у]Н max = 2,8 ·640 = 1792 МПа

уН max = 741,496 · = 1076,3 МПа < 1792 МПа

Для предотвращения остаточных деформаций или хрупкого разрушения зубьев:

уF max = уF ·Kпер ≤ [ у]F max

уF - расчетное значение напряжений изгиба колеса и шестерни (из раздела 2.13)

для колеса:

[у]F max2 = уF lim2 ·УN max ·

уF lim2 = 434,875 МПа (из раздела 2.2.2)

УN max = 4 - для улучшенных сталей.

Кst - коэффициент влияния частоты приложения пиковой нагрузки.

Кst = 1,2 … 1,3 - в случае единичных перегрузок.

Принимаем Кst = 1,3 - при объемной термообработке колеса.st = 1,75 - коэффициент запаса прочности.

[ у]F max2 = 434,875 ·4 · = 1292,2 МПа

уF max 2 = 245,5 ·2,3 = 564,65 МПа < 1292,2 МПа

для шестерни:

[у]F max1 = уF lim1 ·УN max ·

уF lim1 = 499,625 МПа (из раздела 2.2.2)

УN max = 4 - для улучшенных сталей.

Кst - коэффициент влияния частоты приложения пиковой нагрузки.

Кst = 1,2 … 1,3 - в случае единичных перегрузок.

Принимаем Кst = 1,3 - при объемной термообработке колеса.st = 1,75 - коэффициент запаса прочности.

[ у]F max1 = 499,625 ·4 ·  = 1484,6 МПа

уF max 1 = 252,5 · 2,3 = 580,75 МПа < 1484,6 МПа.

Часть 3. Расчет червячной передачи

.1 Выбор материала червяка и колеса

Для червяка выбираем сталь 40Х.

Термообработка: улучшение до твердости 269…302 HB в сердцевине и закалка токами высокой частоты поверхностного слоя до твердости 45 … 50 HRC, шлифование и полирование витков червяка до Ra ≤ 0,8 мкм

Для выбора материала червячного колеса находим ожидаемое значение скорости скольжения:

Vск = 0,45 ·10 -3·n1 ·,м /с

1 = n2 = 720 об /мин - частота вращения червяка (из таблицы 1)

Т23 = 2232,813 Н ·м- вращающий момент на валу червячного колеса (из таблицы 1)ск = 0,45 ·10 -3 ·720·= 4,23 м/с

Выбор материала зубчатого венца червячного колеса производится в зависимости от Vск (по таблице 2.14 (приложение 3)):

II группа-безоловянные бронзы и латуни применяют при Vск =2…5 м/с

Принимаем: материал - БрА9ЖЗЛ литье центробежное

ув = 500 МПа

уТ = 200 МПа

3.2 Допускаемые напряжения

.2.1 Допускаемые контактные напряжения

I I группа

[ у]Н = [ у]Н0 -25 ·Vск , МПа

[ у]Н0 = 300 МПа для шлифованного и полированного червяка

Определяем допускаемые контактные напряжения:

[ у]Н = 300 -25 ·4,23 = 194,25 МПа

.2.2 Допускаемые напряжения изгиба

[ у]F = КFL ·[ у]F0

КFL - коэффициент долговечности;

КFL =

FE = KFE ·NК - эквивалентное число циклов нагружения зубьев червячного колеса за весь срок службы.

6 ≤ NFE ≤ 25 ·10 7FE - коэффициент эквивалентности, принимают в зависимости от типового режима (из раздела 2.2.1) по таблице 15 (приложение 2).

Принимаем KFE = 0,1К = 20,696 ·10 6(из раздела 2.2.1)FE = 0,1 ·20,696 ·10 6 = 2,0696 ·10 6

10 6 < 2,0696 ·10 6 < 25 •10 7

КFL =  = 0,922

[ у]F0 = 0,25 ·уТ + 0,08 · ув

[ у]F0 = 0,25 ·200 + 0,08 ·500 = 90 МПа

Определяем напряжения изгиба:

[ у]F = 0,922 ·90 = 83 МПа

Принимаем [ у]F = 83 МПа

.3 Межосевое расстояние

аW = Ка •·

Ка = 610 - для эвольвентных червяков

Т23= 2232,813 Н ·м- вращающий момент на валу червячного колеса (из таблицы 1)

[ у]Н=194,25 МПа - допускаемое контактное напряжение.

К - коэффициент концентрации нагрузки. При переменном режиме нагружения:

К = 0,5 ·(К + 1)

К - определяется по графику на рис.2.12 (приложение 3) в зависимости от Z1 = 2 и Uчер = 16.

Принимаем К = 1,16

К = 0,5 •·(1,16 + 1) = 1,08

аW = 610 ·•= 214,3 мм

Полученное значение округляем в большую сторону до стандартного числа из таблицы 24.1 (приложение 3).

Принимаем аW =250 мм.

.4 Основные параметры червячной передачи

.4.1 Число зубьев колеса

2 = z1 ·U ,

2 = 2 ·16 = 32

.4.2 Модуль передачи

= (1,4 … 1,7) ·

min = 1,4 ·= 10,94    mmax = 1,7 ·= 13,28

Принимаем m = 12,5 мм.

.4.3 Коэффициент диаметра червяка

=  - z2

=  - 32 = 8

Принимаем q = 8

Определяем минимальное допустимое значение q из условия жесткости червяка:

q min = 0,212 ·z2

 min = 0,212 ·32 = 6,784= 8 > q min = 6,784

3.4.4 Коэффициент смещения

=  - 0,5 ·(z2 + q)

=  - 0,5 ·(32 + 8) = 0

Принимаем х = 0.

.4.5 Угол подъема линии витка червяка на делительном диаметре

г = arctg ( )

г = arctg ( ) = 14,03624347 °

на начальном диметре

гW = arctg ( ) = arctg ( ) = 14,03624347 °

.4.6 Фактическое передаточное число

ф =

ДU = • 100 %

Uф =  = 16

ДU = • 100 % = 0 %

.5 Размеры червяка и колеса

) Делительный диаметр, мм:

1 = q ·m;

1 = 8 ·12,5 = 100 мм

Принимаем d1 = 100 мм

) Диаметр вершин витков, мм:

a1 = d1 + 2 ·m

a1 = 100+ 2 ·12,5 = 125 мм

Принимаем da1 = 125 мм

) Диаметр впадин, мм:

f1 = d1 - 2,4 ·m

f1 = 100 - 2,4 ·12,5 = 70 мм

Принимаем df1 = 70 мм

) Длина нарезанной части червяка при коэффициенте смещения x ≤ 0, мм:

b1 = (10 + 5,5  + z1 ) •·m;

b1 = (10 + 5,5  + 2) ·12,5 = 150 мм1 = 150+ 37 =187 мм

Округляем b1 в ближайшую сторону по табл. 13 (приложение 2)

Принимаем b1 = 190 мм

) Делительный диаметр колеса червяка, мм:

2 = z2 ·m;

2 = 32 ·12,5 = 400 мм

Принимаем d2 = 400 мм

) Диаметр вершин зубьев, мм:

a2 = d2 + 2 ·m ·(1 + x);

a2 = 400 + 2 ·12,5 ·(1 + 0) = 425 мм

Принимаем da2 = 425 мм

) Диаметр впадин, мм:

f2 = d2 - 2 ·m ·(1,2 - x);

f2 = 400 - 2 ·12,5 · (1,2 - 0) = 370 мм

Принимаем df2 = 370 мм

) Диаметр колеса наибольший:

aM2 ≤ da2 +  ,

где: к = 2 - для эвольвентных червяков.aM2 ≤ 425+  = 443,75 мм

Принимаем daM2 = 443 мм

) Ширина венца , мм:

2 = ша ·аW

ша = 0,355 при z1 = 2.2 = 0,355 ·250 = 90 мм

Принимаем b2 = 63 мм.

.6 Проверочный расчет передачи на прочность

Определяем действительное значение скорости скольжения:

ск = ,

где VW1 =  - окружная скорость на начальном диаметре червякаW1 = = 3,77 м /сск = = 3,89 м /с

Принимаем Vск = 3,89 м /с.

Уточняем допускаемое напряжения[ у]Н :

[ у]Н = [ у]Н0 -25 ·Vск=300-25 ·3,89 = 202,75 МПа

Находим расчетное значение контактного напряжения:

уН = ≤ [ у]Н

Zq = 5350 - для эвольвентных червяков.

К = КHV ·K - коэффициент нагрузки

Для определения коэффициента КHV находим окружную скорость червячного колеса:

2 =

2 = = 0,94 м /с

КHV = 1 при V2 ≤ 3 м /с - коэффициент концентрации нагрузки

= 1 + ·(1 - X)

и - коэффициент деформации червяка , выбирают в зависимости от = 8 и z1 = 2.

Принимаем и = 57- коэффициент, учитывающий влияние режима работы передачи в зависимости от принятого типового режима (типовой режим I I).

Принимаем X = 0,5 = 1 + ·(1 - 0,5) = 1,08847

К = 1 • 1,08847= 1,08847

уН = = 186,5 МПа

уН= 186,5 МПа < [ у]Н = 202,75 МПа.

Принимаем уН = 186,5 МПа.

3.7 КПД передачи

з =

гW = 14,03624347 °- угол подъема линии витка червяка на начальном диаметреск = 3,89 м /с.

с - приведенный угол трения;

с = с(V< ) -  ·(Vск - V< )

с = 2 °00' -  ·(3,89- 3) = 1,70°

з =  = 0,887

Принимаем з = 0,887

.8 Силы в зацеплении

Окружная сила на колесе, равная осевой силе на червяке:

Ft2 = Fa1 = , Н

t2 = Fa1 = = 11164 Н

Принимаем Ft2 = Fa1 = 11164 Н

Окружная сила на червяке, равная осевой силе на колесе:

Ft1 = Fa2 = , Н

t1 = Fa2 = = 3147 Н

Принимаем Ft1 = Fa2 = 3147 Н

Радиальная сила:

Fr = Ft2 , Н

r = 11164= 4189 Н

Принимаем Fr = 4189 Н

Т2 = 2232,813 Н ·м - вращающий момент на валу червячного колеса2 = 400 мм - делительный диаметр червячного колеса1 = 100 мм - делительный диаметр червякаф = 16 - фактическое передаточное число

б=200 - угол профиля делительный

з =0,887 - расчетное значение КПД

г w=14,036243470- угол подъема линии витка червяка на делительном диаметре

.9 Проверка зубьев колеса по напряжениям изгиба

Расчетное напряжение изгиба:

уF =  ≤ [ у]F

K = 1,08847 - коэффициент нагрузки (из расчета 3.6).

Из расчета 3.4. находим:= 12,5= 8= 0

гW = 14,03624347 °

[ у]F = 83 МПа (из расчета 3.2.2.)F2 - коэффициент формы зуба колеса, выбирается в зависимости от zV2 = :

Применяем формулу интерполяции:

УF2 =

V2 =  = 35,046

УF2 = 1,64 -  ·(35,046 - 35 )=1,63931

уF =  = 11,9 МПа< [ у]F = 83 МПа

Принимаем уF = 11,9 МПа.

.10 Проверочный расчет на прочность зубьев червячного колеса при действии пиковой нагрузки

Проверка на контактную прочность:

уH max = уH · ≤ [ у]H max

уH = 186.5 МПа (из расчета 3.6)

Кпер = 2,9 (из данных электродвигателя)

[ у]H max = 2 ·уТ

[ у]H max = 2 ·200 = 400 МПа

уH max = 186.5·= 317.60 МПа

.60 МПа < 400 МПа

Проверка зубьев колеса на прочность по напряжениям изгиба:

уF max = уF ·Kпер ≤ [ у]F max

[ у]F max = 0,8 · уТ

[ у]F max = 0,8 ·200 = 160 МПа

уF max = 11.9 ·2,9 = 34.51 МПа

.51 МПа < 160 МПа.

.11 Тепловой расчет

Мощность на червяке:

1 = 0,1 · , Вт

2 = 2232.813 Н ·м - вращающий момент на валу червячного колеса2 = 45 об /мин - частота вращения червячного колеса

з = 0,887 - расчетное значение КПД1 = 0,1 · = 11327.7 Вт

Температура масла при установившемся тепловом режиме без искусственного охлаждения:

tраб = ≤ [t]раб

КТ = 12 …18

Принимаем КТ =15

Ш ≈ 0,3 - коэффициент учитывающий отвод теплоты в плиту

А =1.14 м2 - площадь поверхности корпуса (приложение 3)

[t]раб = 95 …110 °С (в зависимости от марки масла)раб =  = 77.6 °С

Т.к. tраб = 77.6 < [t]раб = 95 …110 °С, то искусственное охлаждение не требуется.

4. Расчет клиноременной передачи

.1 Выбор сечения ремня

Сечение ремня выбирают по графику на рис. 8 (приложение 4), где область применения данного сечения расположена выше собственной линии и ограничена линией предыдущего сечения.

Исходные данные:

Р1 = Рдв =13,9785 кВт;

n1 = nдв =1450 об/мин;

Uрем =2,013(8);

Т1 =92,059 Н·м.

Принимаем сечение В(Б).

Параметры ремня:

h =11 мм;

b0 =17мм;

bp =14мм; p min =630 мм; p max =6300 мм;

(dp ) min =125 мм; =138 ·10 -6 м 2 - площадь сечения;  q =0.18 кг/м - масса 1м длины.

.2 Определение диаметров шкивов

Диаметр ведущего (меньшего) шкива определяем по эмпирической формуле:

d1 =(38 …42) ·=171,58 … 189,64,

где Т1 =92,059 Н·м - вращающий момент на валу электродвигателя.

Принимаем d1 =180мм

Диаметр ведомого шкива определяем по формуле d2 = d1 ·ipn (1 -),

где i pn = Upем =2,013(8)(раздел1.2.);

=0,01 … 0,02 - коэффициент скольжения.

Принимаем = 0,015.

d2 = 180 · 2,013(8) · (1 - 0,015)= 357,06 мм.

Принимаем d2 = 480 мм

Уточняем передаточное отношение:

i ф ===2,002256

Принимаем i ф = 2,002256.

Отклонение

Д i = • 100 % ≤ ±4 %;

Д i = -0,58 % ≤ ± 4%


Определим предварительное межосевое расстояние по следующей рекомендации:

i …. 1 2 3

aпред ….1,5 d2 1,2 d2 d2

aпред =[1,2 - ] · d2 =425,84 мм.

Принимаем aпред = 430мм.

пред = 180 - 2arcsin ( );

пред = 180 -2arcsin ( )= 156,52°,

,52° > 120 °

Определяем длину ремня:

l = 2 ·пред + 0.5·( d2 + d1 )+  = 1718,18 мм.

Принимаем l = 1800 мм.

По принятой длине ремня уточняем межосевое расстояние:

а =

Принимаем а = 472 мм

Уточняем угол обхвата:

 = 180 -2arcsin ( )= 158,633°

.4 Определение мощности передаваемой одним ремнем

Pp = ;

P0 -номинальная мощность передаваемая одним ремнем при  = 180, i = 1, P0 находим по графику на рис. 3,4,5 (приложение 4) для сечения B(Б).

P0 =4,35 кВт.

C- коэффициент угла обхвата ремнем ведущего шкива;

C= 0,92 +  · (-150) = 0,9459

Cl - коэффициент длины ремня находим по графику на рис. 7 (приложение 4);

Cl =0,95

Ci - коэффициент передаточного отношения находим по графику на рис. 6 (приложение 4);

Ci = 1,126

Cp - коэффициент режима нагрузки;

Cp = 1,2 к1 = 1

Pp = =3,6679 кВт.

z = ;

где P мощность на ведущем валу передачи (Pтр ,см.рис. 4,1).

= 0,925;

z = = 4,06

Принимаем z = 5.

.5 Определение силы предварительного натяжения одного ремня

F0 = ;

V- окружная скорость на расчетном диаметре ведущего шкива.

V = , м/с;

V = = 13,6659 м/с

Fv - сила дополнительного натяжения ремня от центробежных сил.

Fv =

где p = 1250 кг/м 3 плотность материала ремня.

А = 138 · 10 -6 м 2

Fv = =32,236 Н

F0 = = 218,336 Н

Определение силы передаваемой на валы.

Fr = z · 2 · F0 сos( );

где =180 - = 180 - 158,633= 29,81860

Fr= 5 · 2 · 218,336 сos(10,6835) = 2145,514 Н

Принимаем Fr=2146 Н

.6 Ресурс наработки передач

T = Tср · к1 ·к2 ,

где Tср = 2000 ч.

к1 = 1 - коэффициент режима нагрузки;

к1 = 1 - для центральной зоны.

T = Tср = 2000 ч.Для заданного ресурса Ln = 7665 ч необходимо приложить в виде запасных частей 4 комплекта ремней.

5. Конструктивные размеры элементов одноступенчатого редуктора

.1 Передачи редуктора

.1.1 Червячная передача (индекс “чр”)w = 250 мм - межосевое расстояние1 = 100 мм - делительный диаметр червякаa1 = 125 мм - диаметр вершин витковf1 = 70 мм - диаметр впадин червяка

в1 = 190 мм - длина нарезанной части червяка2 = 400 мм - делительный диаметр червячного колесаa2 = 425 мм - диаметр вершин зубьевf2 = 370 мм - диаметр впадинam2 = 443 мм - диаметр колеса наибольший

в2 = 90 мм - ширина венца

Примечание: вышеуказанные параметры смотри в соответствующих разделах части 3 - расчёта червячной передачи.

Lст - длины ступицы червячного колеса:

Lст > в2; Lст =(0,8…1,5) dкчр ,

где dкчр - диаметр вала под червячное колесо.ст - диаметр ступицы червячного колеса.

Для стального центра dст =(1,5…1,55) dкчр

А - радиальный зазор между зубьями червячного колеса (по daM2) и элементами корпуса редуктора:

Так как дтin = 8мм, то принимаем A =8 … 15 мм.

д -толщина стенки корпуса.

Примечание: уточненный расчет A ≈+3, где

L - расстояние между внешними поверхностями вращающихся деталей:

L=

Принимаем L=534 мм

+3= 11,1130

Принимаем A=12 мм.

.2 Конструкция входного вала

кон1 - диаметр концевой части вала

1 = T2 = 176,201 Н·м - вращающий момент на входном валу, нм (см. раздел 1.3 расчёта).

= 18 МПа - допускаемое касательное напряжение для входного вала.

= 36,8046 мм

Принимаем = 40 мм. Принимаем законцовку вала конусной формы.

Дынные законцовки вала:

d(dкон1) = 40 мм

d3(M) = М24 х 2,0 мм

l = 110 мм,

l1 = 82 мм,

в = 10;

h = 8;

t = 5,0 мм.

Размеры проточки резьбы f(впр) см.2, том 1, стр. 5,6 в зависимости от шага для резьбы, для нормальной проточки 1.

Параметры:

f(впр) = 5;

R = 1,6;

R1 = 0,5;

df = d - 3,0

z = 2,0ман - диаметр вала под манжету (смотри 2, том 3, стр. 96):ман = dкон1 = 40 мм.

Манжеты резиновые армированные для валов (из ГОСТ 8752-79).

Дынные на манжету:

D1 = 60 мм,

d = 40 мм,

h1 = 10 мм.

Манжета 1 - 45 х 60 ГОСТ 8752-79.рез - диаметр резьбы шлицевой гайки, предназначенной для поджатия подшипников правой опоры к буртику вала и законтренной стопорной шайбой:рез(d) - смотри 1, стр. 470, 471.

Принимаем dрез = М42 х 1,5* мм.

Гайки M42 x 1.5* круглые шлицевые класса точности А, ГОСТ 11871-88:

D = 65 мм; D1 = 52 мм;

H = 10 мм; в = 8 мм;

h = 3 мм; с  1 мм.

Шайбы стопарные многоколчатые. Тип H-нормалҗные (из ГОСТ 11872- 89), мм.

d = М42 x 1.5 мм; D = 67 мм;

d1 =42.5  D1 = 52 мм;

l = 39 мм;  h = 5;

в = 5,8 мм; S = 1,6 мм.

Паза под язычок стопорной шайбы, мм.

а1 = 8 мм; а4 = 1,5 мм;

а2 = 3 мм; d1 = 38,5 мм.

а3 = 5,0 мм; d = 42 x 1.5

Для шага 1,5 проточка резьбы, мм.

f = 4.0

R = 1.0

R1 = 0.5n1 - диаметр вала под внутреннее кольцо подшипника (d):n1 ≥ dрез , внутренний диаметр резьбы

Принимаем dn1 = 45 мм.

По диаметру d(dn1) для правой опоры производим выбор конического роликоподшипника ГОСТ 27365-87 в количестве 2 шт. легкой или средней серии (см.1,стр.165).

Для выбора серии подшипника руководствуемся следующим соотношением:

,

где КЕ = 0,63- коэффициент эквивалентности (смотри 1, стр. 118)t1 = 3147 Н - окружная сила на червяке (см раздел 3.8 расчёта)r = 4189 Н - радиальная сила на червяке (см раздел 3.8 расчёта)а1 = 11164 Н- осевая сила на червяке (см раздел 3.8 расчёта)h = 7665 ч - заданный ресурс работы привода в часах (см раздел 2.2 расчёта)1 = n2 = 720 об/мин - частота вращения входного вала №1 (см. раздел 1.3 расчёта)

 - показатель степени для роликовых подшипников (см. 1, стр. 119).

Т.к. =  Н < 120480.5 H, то для нормальной работы специально подбирают 2 подшипника по d и D. Тогда вместо  принимаем

= 1.714 * =173114 Н > 120480.5 H

Принимаем подшипник 7309А ГОСТ 27365 - 87.

d = 45 мм; B = 25 мм; r2 = 1.5 мм; e = 0,35

D = 100 мм; C = 22 мм; Cr = 101.0 кН; У = 1,7;

Tнаиб = 27,5 мм; r1 = 2 мм; C0r = 72.0 кН; У0 = 0,9.

Построение конического роликоподшипника.

Отрезок ав делится точками 1,2,3 на четыре равные части. Из точки 3 под углом проводится образующая конуса до пересечения с осью подшипника в точке О (разм. L).

3 = D - 0,25 (D - d) = 100 - 0,25 (100 - 45) = 86,25 мм.2 = D - 0,5 (D - d) = 100 - 0,5 (100 - 45) = 72,5 мм.1 = D - 0,75 (D - d) = 100 - 0,75 (100 - 45) = 58,75 мм.

где d1 ,d2 , d3-диаметры точек 1,2 и 3.

, где

мм

мм

мм

fk = de = 0,05 (D - d) = 0.05 (100 - 45) = 2,75 мм

h1 = 0,124 fm (при построении)

Б1 - диаметр буртика справа и слева от червяка.

,

где = 70 мм - диаметр впадин червяка..

 = 45 + 3 * 2 = 51 мм

Принимаем = 55 мм.

Б1 прав - расстояние от торца червяка до торца буртика справа:

=  = 80,5 мм ,где

 - толщина буртика стакана (см. ниже)

Т и В - смотри параметры роликоподшипника

 = 190 мм - параметр червяка раздел 5.1;

К2 - расстояние от плоскости симметрии червячной передачи до прилива на корпусе редуктора для правого подшипникового узла:

==162,68 мм

Принимаем К2 = 162 мм ,

где Г - гипотенуза прямоугольного треугольника с катетами

К2 и К1 - расстояние от оси червячного колеса до прилива

К1 - расстояние от плоскости разъёма корпуса редуктора до диаметра прилива.

= 233,5 мм,

где  = 443 мм - диаметр червячного колеса наибольший (смотри раздел 5,1 расчета)

= 167,5 мм,

где  =250 мм- межосевое расстояние червячной передачи (смотри раздел 5.1 расчёта)

 - диаметр прилива, приравниваемый наружному диаметру крышки подшипникового узла (смотри. 2, том 2, стр. 68…75).

 - определяется по наружному диаметру стакана для подшипников правой опоры (смотри 1, стр. 167, рис 8.1.а).

= 120 мм ,

где (Д)1 = 100 мм - наружный диаметр роликоподшипника;

(д)1 - толщина стенки стакана.

Для стакана:

 = 10 мм

Принимаем  = 10 мм

 = 1,2 · 10 = 12 мм

= 140 мм

= 165 мм

Производим выбор подшипника левой опоры по (dn1 ) = 45 мм.

Выбираем шариковый радиальный однорядный подшипник средней серии (смотри 1, стр. 459).

Принимаем подшипник 309 ГОСТ 8338 - 75.

d = 45 мм; B = 25 мм; Dw = 17,462 мм;

D = 100 мм; Cr = 52,7 кН;

r = 2,5 мм; C0r = 30,0 кН;

Б1 лев - расстояние от торца нарезанной части червяка до торца подшипника слева:

,

- смотри выше.

= 78 мм.

Принимаем  = 78 мм.

Посадки деталей при установке входного вала:

посадка внутреннего кольца на вал - Ф45 к6 (для dn1 = 45 мм)

посадка наружного кольца в отверстии корпуса - Ф100Н7 (для D=100мм)

посадка стакана в отверстии корпуса - Ф120 (для Da =120 мм ).

.3 Конструкция выходного вала

кон2 - диаметр концевой части вала:

 мм ,

где Т2= 2232,813 Н·м - вращающий момент на валу (Т2 Т3, см. раздел 1.3. расчёта);

 = 30 МПа - допускаемое касательное напряжение для выходного вала.

 = 72,37 мм

Принимаем 75мм

Принимаем форму законцовки вала цилиндрической.

Размеры цилиндрической законцовки - смотри 2, том 2, стр. 97. исполнение «Длинные»

l=140 мм,

r=2,5 мм,

c=2,0 мм.сал - диаметр вала под сальник (смотри 2, том 3, стр 94,95):

сал = dкон + 5

сал = 75 + 5 = 80мм.n2 - диаметр вала под внутреннее кольцо подшипника (d):

Принимаем dn2 = dсал = 80 мм.

Для выбора серии подшипника находим динамическую грузоподъёмность подшипника.

,

где КЕ =0,63- коэффициент эквивалентности (смотри 1, стр. 118)t2 = 11164 Н - окружная сила на колесе (см раздел 3.8 расчёта)r = 4189 Н - радиальная сила на колесе (см раздел 3.8 расчёта)а2 = 3147 Н- осевая сила на червяке (см раздел 3.8 расчёта)h = 7665 ч - заданный ресурс работы привода в часах (см раздел 2.2 расчёта)2 = 45 об/мин - частота вращения выходного вала (см. раздел 1.3 расчёта)

 - показатель степени для роликовых подшипников (см. 1, стр. 119).

=22832 Н

Н < 140000Н.

Принимаем подшипник легкой серии 7216А ГОСТ 27365-87.

d = 80 мм; B = 26 мм; r2 = 2 мм; e = 0,43;

D = 140 мм; C = 22 мм; Cr = 140 кН; У = 1,4;

Tнаиб = 28,5 мм; r1 = 2,5 мм; C0r = 114кН; У0 = 0,8.

Построение конического роликоподшипника.

Отрезок ав делится точками 1,2,3 на четыре равные части. Из точки 3 под углом проводится образующая конуса до пересечения с осью подшипника в точке О (разм. L).

3 = D - 0,25 (D - d) = 140 - 0,25 (140 - 80) = 125 мм.2 = D - 0,5 (D - d) = 140 - 0,5 (140 - 80) = 110 мм.1 = D - 0,75 (D - d) = 140 - 0,75 (140 - 80) = 95мм.

где d1 ,d2 , d3-диаметры точек 1,2 и 3.

, где

мм

мм

мм

fk = de = 0,05 (D - d) = 0.05 (140 - 80) = 3 мм

h1 = 0,124 fm (при построении)

кчр - диаметр вала под червячное колесо

кчр = dn2 + (5…15) мм.

Конструктивная добавка варьируется в зависимости от значения dn2 :

…12 мм для dn2 = 65…85 ммкчр = 80+10 = 90 мм.

Принимаем dкчр = 90 ммБ2 - диаметр буртика для упора червячного колеса:

Б2 = dкчр + (8…15) мм.

Б2 = 90+10 = 100 мм.

Принимаем dБ2 = 100 мм

Определение размеров шпонки в соединении червячного колеса с валом:

размеры шпонки подбираются по диаметру dкчр = 90 мм

Выбираем шпонку с параметрами:

в = 25 мм= 14 мм1 = 9 мм

Рабочая длина шпонки рассчитывается из условия прочности на смятие:

 мм,

где  = 2232,813 Н ·м - вращающий момент на валу

 = 100 МПа - допускаемое напряжение на смятие.

 = 99,236 мм

ш = ℓр + в

ш = 99,236 + 25 = 124,236 мм

Принимаем ℓш = 125 мм.

Принимаем шпонку 25 х 14 x 125 ГОСТ 23360-78.

стчр - длина ступицы червячного колеса:

стчр = ℓш + (4…10) мм

стчр = 125 + 10 = 135 мм

Принимаем ℓстчр = 135 ммстчр - диаметр ступицы:

стчр = (1,5…1,55) dкчр.

стчр = (1,5…1,55) 90 = 135…139,5 мм

Принимаем dстчр = 140 мм

Ввн = (D2)1

Принимаем Ввн = 165 мм

пр - высота прилива на корпусе для гнезда подшипника:

пр = Кi + д ≥(h2 ) + (Т)2 мм,

где Кi - рекомендуемое расстояние от поверхности прилива до поверхности корпуса редуктора. Подбирается в зависимости от диаметра болта.2 cм. ниже.

д = 12 мм - толщина стенки корпуса.

Кi = 39;

пр = 39 + 12 = 51 мм ≥ 36,5 мм

Принимаем ℓпр = 51 мм

(h)2 = 8 - высота выступа крышки подшипника (см. ниже).

(Т) 2 = 28,5 - смотри параметры подшипника.

Б2 =;

Принимаем ℓБ2 = 29,5 мм

Посадки применяемые при установке выходного вала:

посадка внутреннего кольца на вал - Ф 90 к6 (для dn2 = 80 мм)

посадка наружного кольца в отверстии корпуса - Ф 160 Н7 (для D = 140 мм)

посадка червячного колеса на вал - Ф 90 (для dкчр = 90 мм)

посадка шпонки в паз вала - ( для в = 20 мм)

посадка шпонки в паз ступицы червячного колеса - .

5.4 Крышки подшипниковых узлов

- крышка торцовая с отверстием для манжетного уплотнения (смотри 2, том 2, стр. 68..74). Крышка поз.1 для входного вала подбирается по наружному диаметру подшипника правой опоры (Д)1

D = 100 мм; D3 = 90 мм;  D5 = 41 мм;

D6 = 60 мм; d(d4) = M10 x 11 мм; H = 23 мм;

h = 8 мм; l = 3 мм;  B = 20 мм;

n = 6;  в1 = 11 мм;  с = 1,6 мм.

Примечание : (D1 )1 = 140 мм и (D2)1.= 165 мм. - см в разделе 5,2.

- крышка торцовая глухая (смотри 2, том 2, стр. 66, 67). Крышки позизиции.2 подбираются по наружному диаметру подшипника левой опоры (D)1.

D = 100 мм; D3 = 90 мм; d(d4) = M10 x 11 мм;

H = 23 мм; h = 8 мм;  l1 = 16 мм; 

n = 6.

Примечание : (D1 )1 = 140 мм и (D2)1.= 165 мм.

- крышка торцовая с канавкой для уплотнительного кольца (сальника) (смотри 2, том 2, стр. 75 … 86).

D = 140 мм;  D1 = 160 мм; D2 = 185 мм;

D3 = 125 мм; D4 = 81,5 мм; D5 = 99 мм;

d(d4) = M10 x 11 мм; H = 23 мм;  h = 8 мм;

l = 10 мм;  l1 = 19,5 мм ; B = 13 мм;

n = 6;  а = 6 мм.

- крышка торцовая глухая (смотри 2, том 2, стр. 66, 67).

D = 140 мм;  D1 = 160 мм; D2 = 185 мм;

D3 = 125 мм;  d(d4) = M10 x 11 мм; H1 = 23 мм;

h = 8 мм;  l1 = 16 мм ;  n = 6.

5.5 Конструктивные элементы корпуса

Рассматриваются на базе корпуса из чугуна СЧ15 ГОСТ 1412-85 (смотри 3, рис. 10.18, стр. 240…242).

Толщина стенки корпуса и крышки редуктора:

д = 0,04 · awчр + 2 = 0.04 * 250 + 2 = 12 мм

д1 = 0,032 · awчр + 2 = 0.032 * 250 + 2 = 10 мм

Примечание: д = д1 ≥ 8 мм

Принимаем д = д1 = 12 мм

Толщина верхнего пояса (фланца) корпуса:

в = 1,5 · д

в = 1,5 · 12 = 18 мм

Толщина нижнего пояса (фланца) крышки корпуса:

в1 = 1,5 · д1

в1 = 1,5 · 12= 18 мм

Толщина нижнего пояса (основания) корпуса при наличии бобышек под фундаментные болты:

р1 = 1,5 · д

р2 = (2,25…2,75) · д.

р1 = 1,5 · 12 = 18 мм

р2 = (2,25…2,75) · 12 = 27… 33 мм

Принимаем р2 = 30 мм

Толщина ребер корпуса и крышки корпуса:

т = (0,85…1) · д

т1 = (0,85…1) · д1.

т = (0,85…1) · 12 = 10.2…12 мм

т1 = (0,85…1) · 12 = 10.2…12 мм

Принимаем т = т1 = 12 мм

Диаметр фундаментных болтов (n ≥ 4):

1 = (0,03…0,036) · awчр + 12;

1 = (0,03…0,036) · 250 + 12. = 19.5…21 мм

Принимаем d1 = М20 мм. Для М20: K1 = 48 мм , С1 = 25 мм.

Примечание: диаметр отверстия в основании корпуса должен быть на 2…3 мм больше диаметра фундаментного болта.

Диаметр болтов:

у подшипников

2 = (0,7…0,75) · d1

2 = (0,7…0,75) · 20 = 14…15 мм

Принимаем d2 = М16 мм. Для М16: K2 = 39 мм , С2 = 21 мм.

в соединении фланцев корпуса и крышки

3 = (0,5…0,6) · d1.

3 = (0,5…0,6) · 20 = 10…12 мм.

Принимаем d3 = М12 мм. Для М12: K3 = 33 мм , С3 = 18 мм.

Высота бобышки hб под болт d2 выбирается конструктивно так, чтобы на поверхности бобышки образовалась опорная площадка под головку болта и гайку.

Размеры, определяющие положение болтов d2:

≈ (1…1,2)d2; q ≥ 0,5d2 + d4 ,

где d4 - диаметр болта крепления крышки подшипника.

≈ (1…1,2) · d2

 

e ≈ (1…1,2) · 16 = 16…19,2 мм

Принимаем e = 18 мм

≥ 0,5 · d2 + d4

= 0,5 · 16 + 10 = 18 мм

Принимаем q = 18 мм

Диаметр гнезда под подшипник:

Dк2 = D2 + (0…4) мм ,

Dк1 = (D2)1 =165 мм.

Dк2 = (D2)2 = 185 мм

Размеры распорных втулок, применяемых в конструкции валов редуктора определяются из условия обеспечения необходимых зазоров между вращающимися и неподвижными элементами редуктора.

Радиус сопряжений переходных поверхностей корпуса R = 5…12 мм.

Принимаем R = 10 мм.

Построение бобышки под болт d2.

D-диаметр головки болта d2; D = 26,2 мм

Dб - диаметр площадки под головку болта d2:

Dб = D + (4…6), мм.

Dб = 26,2 + 5 = 31,2 мм.

Lб- расстояние от оси крышки до оси болта d2:

,

где (D1)2 и (D2)2 -параметры крышки

(D1)2 =160 мм; ,

где n- число болтов d4.

hб- высота бобышки:

, мм.

мм.

Принимаем hб = 59 мм.

6. Определение сил, нагружающих подшипники входного вала

Подшипники качения для опор входного вала - см. раздел 5.2.

Подшипник 7310 ГОСТ 27365-87 и 310 ГОСТ 8338-75.

Требуемый ресурс при вероятности безотказной работы 90%: Lh = 7665ч, (см. раздел 2.2 расчета).

Вал выполнен совместно с червяком из стали 40Х, подвергается термообработке: улучшение и закалка ТВЧ до твердости 269…302 НВ в сердцевине и 45…50 HRC на поверхности витков; механическая обработка: шлифование и полирование витков червяка.

Диаметр червяка:

делительный d1 =100 мм

диаметр впадин df1 = 70 мм.

окружная сила Ft1 = 3147 H (смотри раздел 3.8 расчета)

осевая сила Fa1 = 11164 H (смотри раздел 3.8 расчета)

радиальная сила Fr = 4189 H (смотри раздел 3.8 расчета).

Типовой режим нагружения - II (средний равновероятный), возможны кратковременные перегрузки до 150% номинальной нагрузки. Условия эксплуатации подшипников - обычные. Ожидаемая рабочая температура tраб < 100˚C.

На законцовке входного вала установлен ведомый шкиф клиноременной передачи.

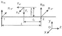
.1 Радиальные реакции опор от сил в зацеплении

Рис. 3

По конструктивной схеме №3 определяются: плечи сил для расчетной схемы входного вала.

для правой опоры (2) принимаем, что опорная реакция расположена на плоскости соприкосновения роликоподшипников;

для левой опоры (1) опорная реакция проходит по оси симметрии шарикоподшипника.


= 200,5 мм

,

где  - параметр шарикоподшипника (смотри раздел 5.2);

= 386 мм.

Равновесие сил и моментов в вертикальной плоскости (Y0Z):

.

= 566,994 Н

.

= 3622,006 Н

Примечание: если R1B получится с отрицательным знаком, то это значит, что действительное направление вектора R1B противоположно предварительно заданному.

Проверка: ∑Y = R1B - Fr + R2B = 0.

3622,006 - 4189 + 566,994 = 0.

= 0

Равновесие сил и моментов в горизонтальной плоскости (X0Z):

.


 = 1512,35 Н

.


 = 1634,65 Н

Проверка: ∑X = - R + Ft1 - R = 0

- 1634,65 + 3147 - 1512,35 = 0

0 = 0.

6.2 Радиальные реакции опор от действия силы Fк на консольной законцовке вала

Рис. 4

Плечо радиальной консольной силы рассчитывается как расстояние от опоры 2 до середины консоли вала.

, мм,

где =23 мм- параметры крышки подшипника поз.1;

 = 110 мм - параметр законцовки вала

= 126 мм

Принимаем l2 = 126 мм.

Реакции опор


 = 2846,508 Н


 = 700,508 Н

Проверка:

 0 = 0

.3 Реакции опор для расчета подшипников

Принимаем направление вектора Fк противоположным направлению вектора Ft1 .

Тогда суммарные реакции опор:

Fr1 max = ;

Fr2 max = ;

r1 max = = 4309,512 Н

Fr2 max = = 1449,64 Н

Внешняя осевая сила, действующая на вал, FA max = Fa= 11164 Н

Для типового режима нагружения II коэффициент эквивалентности КЕ = 0,63 (см.1, стр. 118) эквивалентные нагрузки:

Fr1 = KE ·Fr1 max

Fr2 = KE ·Fr2 max

FA = KE ·FA max

Fr1 = 0,63 · 4309,512 = 2715 Н

Fr2 = 0,63 · 1449,64 = 913,3 Н

FA = 0,63 · 11164 = 7033,32 Н

Подшипник правой опоры (2).

В соответствии с разработанной конструктивной схемой редуктора (схема №3) фиксирующей опорой вала червяка является опора 2, в которой установлено два симметрично расположенных конических роликоподшипника. Так как при сборке узла подшипники специально не подбирают и не подгоняют, а при необходимости они могут быть заменены независимо друг от друга, то можно предположить, что только один подшипник из двух будет воспринимать всю нагрузку, приходящуюся на опору.

Таким образом, Fa1 = 0; Fa2 = FA = 7033,32 Н

Для расчета эквивалентной динамической нагрузки Рr2 используются параметры роликоподшипника из раздела 5.2:

Сrсум = 1731144 Н; е = 0,35;  Y =1,7 .

Для определения коэффициента Х рассчитывается соотношение

,

где V - коэффициент вращения кольца:= 1 - при вращении внутреннего кольца подшипника

Если > е, то Х = 0,4, Y =1,7 , если < е, то принимается Х = 1, Y = 0.

 = 7,7 > 0,35

Рr2 = (V ·X ·Fr2 + Y ·Fa2) ·KБ ·КТ, Н ,

где KБ = 1,4 - коэффициент динамичности нагрузки: (смотри 1, табл. 7.6, стр. 118)

КТ = 1 - температурный коэффициент: при tраб < 100˚C (смотри 1, стр. 117).

Рr2 = (1 · 0,4 · 913,3 + 1,7 · 7033,32) · 1,4 · 1 = 17250,75 Н

Подшипник левой опоры (1).

Для левой опоры применен радиальный однорядный шарикоподшипник с параметрами:

Сr = 52,7 кН .

Так как подшипник не воспринимает осевую нагрузку, то коэффициент осевого нагружения е = 0. В этом случае Х = 1; Y = 0. Эквивалентная динамическая радиальная нагрузка:

Рr1 = (V · X · Fr1) · KБ · КТ,

при этом V = 1; КБ = 1,4; КТ = 1 (смотри выше).

Рr1 = (1 · 1 · 2715) · 1,4 · 1 = 3801 Н

.4 Расчетный скорректированный ресурс

, час,

где  - коэффициент корректирующий ресурс в зависимости от надежности:

= 1 - при вероятности безотказной работы 90% (смотри 1, табл. 7.7, стр. 119)

 коэффициент корректирующий ресурс в зависимости от особых свойств подшипника (см.1, стр. 119):

= 0,6…0,7 - для конических роликоподшипников

Принимаем = 0,65.

= 0,7…0,8 - для шарикоподшипников

Принимаем = 0,75.

 = 173114 Н - динамическая грузоподъемность подшипника, (смотри раздел 5.2);

n1 = 720 об/мин - частота вращения входного вала (смотри раздел 1.3 ).

к - показатель степени:

к = 3 - для шарикоподшипников;

к = 10/3 - для роликоподшипников;

 = 7665 ч - заданный ресурс работы привода (смотри раздел 2.2 расчета).

 = 32797.7 ч.

.7 ч > 7665 ч

 = 46271.7 ч

.7 ч > 7665 ч

.5 Проверка выполнения условия Рr max ≤ 0,5 Cr

С этой целью для подшипников обеих опор используется эквивалентная динамическая радиальная нагрузка при наибольших значениях Х заданных сил переменного режима нагружения:

Рrmax = (V ·X ·Frmax + Y ·FAmax) ·KБ·КТ

Рrmax2 = (1 · 0.4 · 1449.64 + 1,7 · 11164) · 1,4 · 1 = 27382

< (0,5 · 101000) = 50500 Н

Рrmax1 = (1 · 1 · 4309.512) · 1,4· 1 = 6033.32

.32 < (0,5 · 52700) = 26350 Н

Оба условия выполняются предварительно выбранный подшипник считается пригодным.

привод зубчатый редуктор прочность

7. Определение сил нагружающих подшипники выходного вала

Подшипника качения для опор выходного вала:

«Подшипник 7216 А ГОСТ 27365-87»

Требуемый ресурс, режим нагружения, условия эксплуатации подшипников аналогичны входному валу. Силы в зубчатом зацеплении при передаче максимального момента:

окружная сила на колесе Ft2 = 11164 Н

радиальная сила  Frчр = 3147 Н

осевая сила на колесе Fa2 = 4189 Н

Делительный диаметр червячного колеса d2чр = 400 мм (смотри раздел 2.9 расчета).

Вращающий момент от червячного колеса передается выходному валу с помощью шпоночного соединения. Диаметр вала под червячным колесом dкчр = 90 мм (смотри раздел 5.3).

Материал вала - сталь 40Х, термообработка - улучшение, Н =269…302 НВ.

На законцовке выходного вала устанавливается шестерня зубчатой цилиндрической передачи. Силы в зацеплении:

окружная сила на колесе Ftзб = 27910 Н

радиальная сила  Frзб = 6361 Н

осевая сила на колесе Faзб = 10420 Н

Делительный диаметр шестерни d1зб = 160 мм (смотри раздел 2.9).

Вращающий момент от выходного вала к шестерни передается с помощью шпоночного соединения. Диаметр вала под шестерней dкон2 = 75 мм (смотри раздел 5.3).

7.1 Радиальные реакции опор от сил в зацеплении червячной и зубчатой передач

Рис. 6

Размеры плеч для расчетной схемы:

, мм,

где  = 165 мм - (смотри раздел 5.3 расчета)

= 51 мм - (смотри раздел 5.3)

Т = 28,5 мм; d = 80 мм; D = 140 мм; е = 0,43

, мм,

где  = 30,017 мм

Принимаем а = 30 мм

= 95,5 мм

Опоры 1 и 2 расположены симметрично относительно точки приложения сил в червячном зацеплении:

, мм;  мм.

Принимаем l = 191 мм. l1 = 95.5 мм.

Плечо сил в зубчатом зацеплении на консоли вала:

мм

а = 30 мм - см. выше;

H = 23 мм - параметр крышки поз 3 ( см. раздел 5.4);

= 140 мм - параметр законцовки вала ( см. раздел 5.3).

 мм.

Принимаем l2 = 133 мм.

Равновесие сил и моментов в вертикальной плоскости (Y0Z):


 = 46143,92408 Н


 = - 14044,92408 Н

Проверка: -R + Frчр - R+ Ftзб = 0.

,92408 + 4189 - 46143,92408 + 27910 = 0.

= 0

Равновесие сил и моментов в горизонтальной плоскости (X0Z):


= 25922,10471 Н


= - 4338,104712 Н

Проверка:

- Ft2 +R - Frзб = 0.

,10471 - 11164 + 25922,10471 - 10420 = 0.

= 0

Суммарные реакции опор:

1 =  R2 =

1 = 14699,62737 Н; 2 = 52926,52683 Н.

.2 Реакции опор для расчета подшипников

Fr1 max = R1 = 14699,6 Н

Fr2 max = R2 = 52926,5 Н

FA max = Fазб - Fа = 6361 - 3147 = 3214 Н;

Коэффициент эквивалентности КЕ = 0,63 (смотри раздел 6.3).

Эквивалентные нагрузки:

Fr1 = KE · Fr1 max = 0,63 · 14699,6 = 8219,2 Н

Fr2 = KE · Fr2 max= 0,63 · 52926,5 = 33434,7 Н

FA = KE · FA max= 0,63 · 3214 = 2024,82 Н

Минимально необходимые для нормальной работы радиально-упорных подшипников осевые силы:

Fa1min = 0.83 · e · Fr1 ; a2min = 0.83 · e · Fr2 ;

= 0,43a1min = 3305,1 Н;a2min = 11900,4 Н.

Находим осевые силы нагружающие подшипник:

Так как Fa1min < Fa2min

,5 < 12659,7 то

при FA < Fa2min - Fa1min ;

Принимаем Fa2 = Fa2min = 11900,4 Н;

Принимаем Fa1 = Fa2 - FA = 9875,6 Н.

В соответствии с конструктивной схемой №3, подшипник правой опоры (2) является наиболее нагруженным.

Для расчета эквивалентной динамической радиальной нагрузки Pr2 используются параметры роликоподшипника:

Сr = 140 кH; е = 0,43; Y = 1,4.

Для определения коэффициента Х рассчитывается отношение

,

где V = 1 (вращается внутреннее кольцо).

= 0,357

Так как 0,357 < 0,43, то принимаем Х = 1, Y = 1,4.

Pr2 = (V ·X ·Fr2 + Y ·Fa2) ·KБ ·KT,

где КБ = 1,4; КТ = 1 (смотри раздел 6.3). r2 = (1 · 1 · 33343,7 + 0) ·1,4 ·1 = 46681,18 Н

Принимаем Pr2 = 46681,18 Н.

.3 Расчетный скорректированный ресурс

 ,

где a1 = 1,

a23 = 0.65,

Lh = 7665 ч,

n2 = 45 об/мин - частота вращения выходного вала (см. раздел 1.3 расчета).

= 9364,9 ч.

L10ah > Lh , 9364,9 ч > 7665 ч.

7.4 Проверка выполнения условия Pr max = ≤ 0.5 Cr

Pr max = (V · X · Fr max + Y · FA max) · КБ · КТ

Pr max = (1 · 1 · 52926.5 + 0) · 1.32 = 69863 Н

Изменим коэффициент динамичности нагрузки КБ.

Примем КБ = 1,32 (диапазон 1,3 … 1,5 ).

 69863 Н < 70000 Н

 9364,9 ч > 7665 ч.

Оба условия выполняются предварительно выбранный подшипник считается пригодным.

8. Расчёт валов на прочность

.1 Входной вал

Рис. 7

Мк 2 = 211,44 Н · м - вращающий момент на входном валу (смотри раздел 1.3 расчёта)

Из рассмотрения эпюр внутренних силовых факторов и конструкции узла следует, что опасным являются сечения:- I - диаметр впадин червяка: сечение нагружено изгибающим и крутящим моментом, осевой силой; концентратор напряжений - переходы от поверхности витков червяка к диаметру впадин;- II - место установки на вал подшипника в опоре 2: сечение нагружено изгибающим и крутящим моментом, осевой силой; концентратор напряжений - посадка с натягом внутреннего кольца подшипника на вал.

.1.1 Определение силовых факторов

Сечение I - I .

Изгибающие моменты:

в горизонтальной плоскости (XOZ)

М = (R+ R ) · (ℓ - ℓ1 ) · 10 -3;

М = (1634,65 + 700,508) · (386 - 200,5) · 10 -3 = 433,17 Н · м

в вертикальной плоскости (YOZ) справа от сечения

М1В пр = R· (ℓ - ℓ1 ) · 10 -3;

М1В пр = 3622,006 · (386 - 200,5) · 10 -3 = 671,88 Н · м

в вертикальной плоскости (YOZ) слева от сечения

М1В лев = R· ℓ1 · 10 -3;

М1В лев = 566,994 · 386 · 10 -3 = 218,86 Н · м

Суммарный изгибающий момент

 Н · м;

= 832,92 Н · м

Крутящий момент МК1 = МК = Т2 = 176,201 Н · м.

Осевая сила Fa1 = Fa, = 11164 Н

Сечение II - II.

Изгибающий момент

 Н · м

= 270,396 Н

Крутящий момент МК2 = МК = 176,201 Н · м

Осевая сила Fa2 = Fa,= 11164 Н.

.1.2 Геометрические характеристики опасных сечений вала

Сечение I - I.


Сечение II - II.


         


.1.3 Расчёт вала на статическую прочность

Сечение I - I.

Напряжения изгиба с растяжением (сжатием) у1 и напряжения кручения ф1

 МПа,

где  - коэффициент перегрузки (смотри раздел 1.1. ).

 = 77,25 МПа,

МПа.

= 7,59 МПа

Частные коэффициенты запаса прочности по нормальным и касательным напряжениям:

 ,

где  и  - пределы текучести по нормальным и касательным напряжениям (смотри 1, табл. 10.2, стр. 185 для стали 40х и ув = 900 МПа).

Принимаем = 750 МПа и = 450 МПа

= 9,71

 = 59,29

Общий коэффициент запаса прочности по пределу текучести:


 9,59 > 2,0

Сечение II - II.

Напряжение изгиба с растяжением (сжатием) у2 и напряжения кручения ф2:

 МПа

МПа

= 108 МПа

= 28,6 МПа

Частные коэффициенты запаса прочности по нормальным и касательным напряжениям:


= 6,94

= 15,73

Общий коэффициент запаса прочности по пределу текучести:


6,35 > 2,0.

.1.4 Расчёт вала на сопротивление усталости

Сечение I - I.

Определяются амплитуда напряжений и среднее напряжение цикла:



= 23,74

= 1,308

= 1,308;

Витки червяка представляют собой винтовую поверхность, поэтому концентраторы напряжений - переходы по диаметру впадин. По табл. 10.12 (смотри 1, стр. 192), для у1 = 900 МПа.

Ку = 2,45 - для резьбы;

Кф = 2,1 - для резьбы.

По табл. 10.7 (смотри 1, стр 191) для диаметра df1 = 70 мм, для кручения и изгиба Kdу(Kdф) = 0.65.

Кf у и Kf ф- коэффициенты, учитывающие влияние качества поверхности. По табл. 10.8 (смотри 1, стр. 191) для и чистового шлифования: f у = 0,91…0,86; f ф = 0,95…0,92.

Принимаем Kf у = 0,885 и Kf ф = 0,935;

Кv - коэффициент влияния поверхностного упрочнения:

По табл. 10.9 (1, стр. 191) при закалке ТВЧ для Ку > 1,8v = 2,4…2,8.

Принимаем Kv = 2,6;

Коэффициенты снижения предела выносливости:

= 1,5

Пределы выносливости вала в рассматриваемом сечении:

 ,

где  и  - пределы выносливости гладких образцов при симметричном цикле изгиба и кручения (смотри 1, табл. 10.2, стр. 185, для стали 40х, ув = 900 МПа)

Принимаем = 410 и = 240

= 273,3

 = 188,98

Коэффициент влияния асимметрии цикла:

, где ш = 0,1 (смотри 1, табл. 10.2).

= 0,079

Коэффициенты запаса по нормальным и касательным напряжениям:

= 11,51

= 133,9

Коэффициент запаса прочности в рассматриваемом сечении:


 = 11,47 > 2,0

Сечение II - II.

Амплитуды напряжений и среднее напряжение цикла:


= 30,22

          = 4,9

=4,9

Внутреннее кольцо подшипника качения установлено на вал по посадке с натягом, которое является концентратором напряжений.

По таб. 10.13 (1, стр. 192) для ув = 900 МПа и dn1 = 45 мм:

Принимаем 4,4 и 2,65 .

Поверхность вала шлифуется под подшипник с Ra = 0,8 мкм. По табл. 10.8(смотри 1, стр. 191) для ув > 700 МПа:f у = 0,91…0,86; f ф = 0,95…0,92

Принимаем Kf у = 0,885 и Kf ф = 0,935.

KV = 1 - поверхность вала без упрочнения.

Коэффициенты снижения предела выносливости:

.


= 4,53

 = 2,72

Пределы выносливости вала в сечении:

 


= 90,5

= 88,2

= 0,037

Коэффициенты запаса по нормальным и касательным напряжениям:


= 2,99

 = 17,36

Коэффициент запаса прочности:


= 2,95 > 2,0

Вывод: статическая прочность входного вала и сопротивление усталости вала в обоих опасных сечениях обеспечены: T > [ST] 9,58 и 6,35 > 2,0; > [S] 11,47 и 2,95 > 2.0.

.2 Выходной вал

Мк = Т3 = 2232.813 Н · м - вращающий момент на выходном валу (смотри раздел 1.3 расчёта)

Опасные сечения:- I - место установки на вал червячного колеса с применением шпоночного соединения. Сечение нагружено изгибающим и крутящим моментом, а так же осевой силой. Концентратор напряжений - паз на валу под шпонку.- II - место установки на вал подшипника в опоре 2: сечение нагружено изгибающим и крутящим моментом, а так же осевой силой. Концентратор напряжений - посадка с натягом внутреннего кольца подшипника на вал.

Рис. 9

8.2.1 Определение силовых факторов

Сечение I - I .

Изгибающие моменты:

в горизонтальной плоскости (XOZ)

М = R· (ℓ - ℓ1 ) · 10 -3, Н · м

М = 4338.104712 · (191 - 95.5) · 10 -3 = 414.289 Н · м

в вертикальной плоскости (YOZ)

М n= R· (ℓ - ℓ1 ) · 10 -3 · 10 -3 Н · м

М n=14044.92408 · (191 - 95.5) ·10 -3 · 10 -3 = 1970.69 Н ·м;

Суммарный изгибающий момент

 Н · м.

= 2013,77 Н · м

Крутящий момент МК1 = МК = Т3 = 2232,813 Н · м.

Осевая сила Fa1 = Fa = I Fазб - Fа2 I = 6361 - 3147 = 3214 Н.

Сечение II - II.

Изгибающие моменты:

в горизонтальной плоскости (XOZ)

М = R· ℓ · 10 -3 + Ft2 · ℓ1 · 10 -3, Н · м;

М = 4338,104712 · 191 · 10 -3 + 11164 · 95,5 · 10 -3 = 1894,74 Н · м

в вертикальной плоскости (YOZ)

М= R·ℓ · 10 -3  Н · м

М= 14044 ·191 ·10 -3 + 4189 ·95,5 ·10 -3 + 3147 ·0,5 ·400 ·10 -3 = 3711,85 Н · м

Суммарный изгибающий момент;

 Н · м.

= 4167,48 Н · м

Крутящий момент МК2 = МК = Т3 = 2232,813 Н · м.

Осевая сила Fa2 = Fa = I Fазб - Fа2 I = 6361 - 3147 = 3214 Н.

.2.2 Геометрические характеристики опасных сечений вала

Сечение I - I.


Сечение II - II.


         


.2.3 Расчёт вала на статическую прочность

Сечение I - I.

Напряжения изгиба с растяжением (сжатием) у1 и напряжения кручения ф1

 МПа,

где - коэффициент перегрузки (смотри раздел 1.1.  =2,9).

= 83,06 МПа

МПа.

= 45,24 МПа

Частные коэффициенты запаса прочности по нормальным и касательным напряжениям:

 ,

где  и  - пределы текучести по нормальным и касательным напряжениям (смотри 1, табл. 10.2, стр. 185 для стали 40х и ув = 900 МПа).

Принимаем = 750 МПа и = 450 МПа

= 9,03

 = 9,95

Общий коэффициент запаса прочности по пределу текучести:


6,67 > 2,0

Сечение II - II.

Напряжение изгиба с растяжением (сжатием) у2 и напряжения кручения ф2:

 МПа

МПа.

= 242,29 МПа

= 64,41 МПа

Частные коэффициенты запаса прочности по нормальным и касательным напряжениям:


= 3,095

= 6,986

Общий коэффициент запаса прочности по пределу текучести:


2,83 > 2,0.

.2.4 Расчёт вала на сопротивление усталости

Сечение I - I.

Определяются амплитуда напряжений и среднее напряжение цикла:


= 28,14

= 7,799

= 7,799;

По табл. 10.11 (смотри 1, стр. 192), для у1 = 900 МПа. для шпоночного паза, выполненного концевой фрезой:

Ку = 2,2 и Кф = 2,05

По табл. 10.7 (смотри 1, стр 191) для диаметра dкчр = 90 мм для кручения и изгиба


 = 0,61

Кf у и Kf ф- коэффициенты, учитывающие влияние качества поверхности. По табл. 10.8 (смотри 1, стр. 191) для и чистового шлифования: f у = 0,91…0,86; Kf ф = 0,95…0,92.

Принимаем Kf у = 0,885 и Kf ф = 0,935.

Кv - коэффициент влияния поверхностного упрочнения:

По табл. 10.9 (1, стр. 191) при закалке ТВЧ для Ку > 1,8

Принимаем Kv = 1 - без упрочнения поверхностного слоя.

Коэффициенты снижения предела выносливости:


= 3,74

 = 3,43

Пределы выносливости вала в рассматриваемом сечении:

,

где  и  - пределы выносливости гладких образцов при симметричном цикле изгиба и кручения (смотри 1, табл. 10.2, стр. 185, для стали 40х, ув = 900 МПа)

Принимаем = 410 и = 240

= 109,63

 = 69,97

Коэффициент влияния асимметрии цикла:

, где ш = 0,1 (смотри 1, табл. 10.2).

= 0,029

Коэффициенты запаса по нормальным и касательным напряжениям:

= 3,896

= 8,72

Коэффициент запаса прочности в рассматриваемом сечении:


 = 3,56 > 2,0.

Сечение II - II.

Амплитуды напряжений и среднее напряжение цикла:


= 82,92

= 11,11

= 11,11

Внутреннее кольцо подшипника качения установлено на вал по посадке с натягом, которое является концентратором напряжений.

По таб. 10.13 (1, стр. 192) для ув = 900 МПа и d(dn2) = 80 мм:

Принимаем 4.95 и 3,0  .

Поверхность вала шлифуется под подшипник с Ra = 0,8 мкм. По табл. 10.8(смотри 1, стр. 191)

для ув > 700 МПа: Kf у = 0,91…0,86; Kf ф = 0,95…0,92

Принимаем Kf у = 0,885 и Kf ф = 0,935

Принимаем Kv = 2,6 - выполняется закалка поверхностного слоя вала токами высокой частоты.

Коэффициенты снижения предела выносливости:


= 1,95

 = 1,18

Пределы выносливости вала в сечении:

 


= 210,26

= 203,39

= 0,085

Коэффициенты запаса по нормальным и касательным напряжениям:


= 2,54

 = 16,87

Коэффициент запаса прочности:


= 2,51 > 2,0.

Вывод: статическая прочность входного вала и сопротивление усталости вала в обоих опасных сечениях обеспечены:

ST > [ST] 6,67 и 2,83 > 2,0

S > [S] 3,56 и 2,51 > 2,0.

Литература

1. Леонтьев Б.С., П.Ф. Дунаев, О.П. Леликов "Конструирование узлов и деталей машин". Учебное пособие для студентов ВУЗов, Москва, 2003г.

. В.И. Анурьев "Справочник конструктора - машиностроителя", в 3х томах. Москва, т. 1 - 1978г, т. 2 - 1982г, т. 3 - 1978г.

. С.А. Чернавский и др. "Курсовое проектирование деталей машин", Москва, 1988г.

. Курсовое проектирование по деталям машин “Методические указания и задания к проектам ”. Схема, график нагрузки и исходные данные.

. Руководство по расчету привода “Курсовой проект по деталям машин”.

Каталог: редукторы и мотор - редукторы.

. Каталоги электродвигателей.