|
Параметры
|
Значения
|
|
Напряжение стабилизации при = 5 мА, температуре
25 ºС, В7 - 8,5
|
|
|
Дифференциальное сопротивление при =
5 мА, температуре 25 ºС не более, Ом6
|
|
|
Максимальная рассеиваемая мощность при температуре от -55 до +25
ºС, мВт
|
340
|
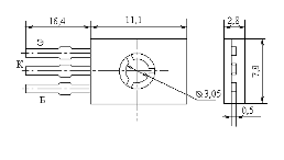
Рис. 7. Схема предполагаемого
сечения сплавного стабилитрона Д814А
Экспериментальные вольт-амперные
характеристики измеряются с помощью стенда на основе прибора Л2-56. Для
измерителя параметров полупроводниковых приборов Л2-56 характерен диапазон
напряжений - 50 мВ - 2 кВ, диапазон токов - 1 нА - 16 А. Для дальнейшей работы
также используется блок питания Б5-46, который характеризуется выходным
напряжением и стабилизацией по напряжению в пределах 0,1 - 10 В, стабилизацией
по току в пределах 0,01 - 3 А; измеритель малосигнальных параметров
транзисторов Л2-22/1, который характеризуется измерением параметров h21э в диапазоне 3 - 300 единиц.
Рис. 8. Функциональная схема
измерения вольт-амперной характеристики стабилитрона Д814А с помощью измерителя
Л2-56
При снятии прямой ветки
вольт-амперной характеристики стабилитрона на анод подаётся положительный
потенциал, а на катод - отрицательный, таким образом p-n-переход является прямосмещённым.
Фиксируются напряжение между выводами стабилитрона и ток, протекающий через
стабилитрон. Ниже приведена прямая ветка вольт-амперной характеристики
стабилитрона Д814А.
Рис. 9. Прямая ветка вольт-амперной
характеристики стабилитрона Д814А; [ось абсцисс] = В, [ось ординат] = мА
Ниже приведена вольт-амперная
характеристика стабилитрона Д814А в полулогарифмическом масштабе, построенная
по предыдущей характеристике.
Рис. 10. Прямая ветка вольт-амперной
характеристики стабилитрона Д814А в полулогарифмическом масштабе; [ось абсцисс]
= В
Из рис. 10. определим ток насыщения
стабилитрона и коэффициент неидеальности.
,
(мА)
(А). (17)
,
. (18)
Эти значения тока насыщения и
коэффициента неидеальности соответствуют диапазону напряжения (0,3 - 0,645) В.
Для диапазона напряжений (0,7 -
0,76) В значение тока насыщения и коэффициента неидеальности составляют:
,
(мА)
(А). (19)
,
Для диапазонов напряжений (0,3 -
0,645) В и (0,7 - 0,76) В получаем соответствующие математические модели
, (21)
(22)
соответственно. Размерность [I(U)] = мА, [U] = В.
Сравнивая экспериментальную
характеристику I(U) и построенную по моделям i_model(u), наблюдаем полное соответствие.
Рис. 11. Экспериментальная и
построенная по моделям прямая ветка вольт-амперной характеристики стабилитрона
Д814А; [ось абсцисс] = В, [ось ординат] = мА
Определим сопротивление
базы, для этого выберем область больших токов, например,
мА
(Ом). (23)
При снятии обратной ветки
вольт-амперной характеристики стабилитрона на анод подаётся отрицательный
потенциал, а на катод - положительный.
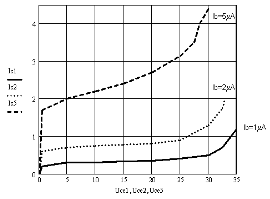
Ниже приведены графики обратной
ветки вольт-амперной характеристики стабилитрона в линейном и
полулогарифмическом масштабе.
Рис. 12. Обратная ветка
вольт-амперной характеристики стабилитрона Д814А; [ось абсцисс] = В, [ось
ординат] = мА
Рис. 13. Обратная ветка
вольт-амперной характеристики стабилитрона Д814А в полулогарифмическом
масштабе; [ось абсцисс] = В
Рис. 14. Обратная ветка
вольт-амперной характеристики стабилитрона Д814А в полулогарифмическом масштабе
к определению А; [ось абсцисс] = В
Определяем, что точка
начала развития пробоя
В.
Экспериментальное напряжение стабилизации
равно 8,7 В. По рис. 14
определяем точку пересечения прямой с осью ординат, получаем
.
При этом можем определить аналог коэффициента неидеальности через тангенс угла
наклона прямой к оси абсцисс. Он равен 17,562. Учтём его при расчёте
.
По формуле (6) находим
:
(мА)
(А). (24)
Определим концентрацию носителей в
наименее легированной области по формуле:
. (25)
(см-3). (26)
Ниже приведена сводная таблица
значений параметров математической модели стабилитрона Д814А.
Таблица 2. Параметры математической
модели стабилитрона Д814А
|
Параметр
|
Значение параметра
|
|
Ток насыщения стабилитрона для напряжения (0,3 -
0,645) В, А2,309·10-11
|
|
|
Ток насыщения стабилитрона для напряжения (0,7 -
0,76) В, А1,861·10-17
|
|
|
Коэффициент неидеальности стабилитрона для
напряжения (0,3 - 0,645) В1,88
|
|
|
Коэффициент неидеальности стабилитрона для
напряжения (0,7 - 0,76) В0,924
|
|
|
Сопротивление базы , Ом3
|
|
|
Предпробойный обратный ток , А1,409·10-6
|
|
|
Напряжение начала развития пробоя , В7
|
|
|
Напряжение стабилизации , В8,7
|
|
|
Концентрация носителей в наименее легированной области N, см-3
|
1,729·1017
|
4. Идентификация
параметров математической модели биполярного транзистора КТ342Б
КТ342Б представляет собой кремниевый
биполярный транзистор n-p-n типа малой мощности высокочастотный. Выполнен по
планарноэпитаксиальной технологии.
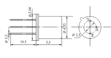
Рис. 15. Чертёж корпуса транзистора
КТ342Б
Таблица 3. Электрические параметры и
предельные эксплуатационные данные транзистора КТ342Б
|
Параметры
|
Значения
|
|
Максимально допустимый постоянный ток коллектора Iк max,
мА
|
50
|
|
Пробивное напряжение коллектор-эмиттер Uкэ0
проб, В
|
30
|
|
Пробивное напряжение эмиттер-база Uэб0
проб, В
|
5
|
|
Максимально допустимая постоянная рассеиваемая мощность
коллектора Pк max,
мВт
|
250
|
|
Коэффициент передачи тока в режиме малого сигнала в схеме с
общим эмиттером h21э
|
200…500
|
|
Напряжение насыщения коллектор-эмиттер Uкэ
нас, В
|
0,1
|
Рис. 16. Схема предполагаемого
сечения планарноэпитаксиального транзистора КТ342Б
Рис. 17. Рабочий диапазон
транзистора КТ342Б в схеме с ОЭ
Рис. 18. Карта напряжений для
транзистора КТ342Б
Рис. 19. Функциональная
схема измерения входной вольт-амперной характеристики транзистора КТ342Б в
схеме с ОЭ при
Рис. 20. Функциональная
схема измерения входной вольт-амперной характеристики транзистора КТ342Б в
схеме с ОЭ при
В
Рис. 21. Функциональная
схема измерения входной вольт-амперной характеристики транзистора КТ342Б в
схеме с ОЭ при
При измерении входной
вольт-амперной характеристики при
переход база-эмиттер
смещается прямо, и мы фиксируем напряжение
и протекающий входной
ток
;
при измерении входной вольт-амперной характеристики при
В
переход база-эмиттер смещается прямо, и мы также фиксируем напряжение
и
протекающий входной ток
,
при этом коллектор соединяем с «+» источника питания, а эмиттер - с «-»
источника питания. Также измеряем входную вольт-амперную характеристику при
замкнутых накоротко выводах базы и коллектора, это необходимо для фиксации
потенциала на коллекторе.
Ниже приведены графики
входных вольт-амперных характеристик.

Рис. 23. Входные вольт-амперные
характеристики
транзистора
КТ342Б; Ib_0 = f (Ube_0) при
,
Ib_kz = f (Ube_kz) при
;
[ось ординат] = мА, [ось абсцисс] =В
Из рис. 23 видно, что
при
сопротивление
базы меньше, чем при
,
это связано с тем, что при
уменьшается толщина ОПЗ
коллекторного p-n-перехода, а это приводит к увеличению площади, через которую
протекает базовый ток.
Ниже приведены графики
входных вольт-амперных характеристик при
и
В
в полулогарифмическом масштабе.
Рис. 24. Входные
вольт-амперные характеристики транзистора КТ342Б в полулогарифмическом масштабе
при
и
В;
[ось абсцисс] =В
По входным вольт-амперным
характеристикам в полулогарифмическом масштабе можно определить некоторые
параметры модели Эберса-Молла:
,
,
.
,
находятся
по точками пересечения прямых Q(t), W(t) с осью ординат.
,
(мА),
,
(мА),
→
,
→
,
. (27)
По напряжениям пробоя эмиттерного и
коллекторного p-n-переходов определим степень легирования базы и коллектора.
В →
(см-3),
В →
(см-3). (28)
Рис. 25. Функциональная схема для
измерения выходных вольт-амперных характеристик транзистора КТ342Б в схеме с ОЭ
При измерении выходных
характеристик транзистора задаётся базовый ток
и при нём фиксируется
напряжение
и
выходной ток
,
который соответствует данному напряжению на выводах коллектор-эмиттер.
Ниже приведены выходные
вольт-амперные характеристики транзистора.
Рис. 26. Выходные
вольт-амперные характеристики
транзистора КТ342Б;
[ось ординат] = мА, [ось абсцисс] =В
Рис. 27. Выходные
вольт-амперные характеристики
транзистора КТ342Б;
[ось ординат] = мА, [ось абсцисс] =В
Точкой отмечены значения
тока и напряжения для границы допустимой мощности, рассеиваемой коллектором при
максимальном значении тока коллектора.
Ниже приведены прямая
передаточная характеристика транзистора в активном режиме для включения
транзистора по схеме с общим эмиттером при напряжении смещения
В
и зависимость статического коэффициента передачи тока от тока коллектора.
Рис. 28. Прямая
передаточная характеристика
транзистора КТ342Б;
[ось ординат] = мА, [ось абсцисс] = мкА
Рис. 29. Зависимость
статического коэффициента передачи тока от тока коллектора
;
[ось абсцисс] =мА
Максимальное значение
соответствует
мА.
Рис. 30. Зависимость
при
В;
[ось ординат] = мА, [ось абсцисс] =В
Рис. 31. Зависимость
при
В;
[ось абсцисс] =В
По рис. 31 определим ток насыщения и
коэффициент неидеальности транзистора.
,
(мА),
→
. (29)
Определим
:
(мА) (30)
Из рис. 22 и рис. 30
определим
и
.
Получаем:
(Ом);
(Ом). (31)
Ниже приведены
выражения, полученные в рамках модели Эберса-Молла при
В.
;
. (32)
Рис. 32.
Экспериментальные и модельные зависимости
,
;
точками показаны экспериментальные кривые, линиями - построенные по модели
Эберса-Молла; [ось ординат] = мА, [ось абсцисс] = В
Из рис. 32 можно
наблюдать хорошее соответствие модельных представлений и экспериментальных
данных.
Ниже приведены
зависимости малосигнальных h-параметров
от тока эмиттера.
Рис. 33 Функциональная
схема прибора Л2-22/1
При измерении
малосигнальных h-параметров вывода транзистора
соединяются с соответствующими зажимами на приборе. Измерение параметров
проводится при
В.
Рис. 34. Зависимость
;
[ось абсцисс] = мА
Рис. 35. Зависимость
;
[ось абсцисс] = мА, [ось ординат] = кОм
Рис. 36. Зависимость
;
[ось абсцисс] = мА
Рис. 37. Зависимость
;
[ось абсцисс] = мА, [ось ординат] = Сим
Таблица 4. Параметры математической
модели Эберса-Молла транзистора КТ342Б
|
Параметр
|
Значение параметра
|
|
Ток насыщения диода Б-Э при ,
А3,762·10-13
|
|
|
Ток насыщения диода Б-Э при В ,
А2,131·10-14
|
|
|
Коэффициент неидеальности диода Б-Э 1,44
|
|
|
Ток насыщения транзистора при В ,
А2,121·10-15
|
|
|
Ток коллектора, при котором наступает спад ,
А0,014153
|
|
|
Сопротивление базы , Ом40
|
|
|
Сопротивление коллектора , Ом1,326
|
|
|
Концентрация носителей в базе , см-31,759·1017
|
|
|
Концентрация носителей в коллекторе ,
см-38,466·1015
|
|
5. Идентификация
параметров математической модели биполярного транзистора КТ639В
КТ639В представляет собой кремниевый
биполярный транзистор p-n-p типа средней мощности высокочастотный. Выполнен по
планарноэпитаксиальной технологии [3].
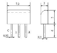
Рис. 38. Чертёж корпуса транзистора
КТ639В
Таблица 5. Электрические параметры и
предельные эксплуатационные данные транзистора КТ639В
|
Параметры
|
Значения
|
|
Максимально допустимый постоянный ток коллектора Iк max,
мА
|
1500
|
|
Пробивное напряжение коллектор-эмиттер Uкэ0
проб, В
|
45
|
|
Пробивное напряжение эмиттер-база Uэб0
проб, В
|
5
|
|
Максимально допустимая постоянная рассеиваемая мощность
коллектора Pк max,
Вт
|
1
|
|
Коэффициент передачи тока в режиме малого сигнала в схеме с
общим эмиттером h21э
|
100…250
|
|
Напряжение насыщения коллектор-эмиттер Uкэ
нас, В
|
0,5
|
Рис. 39. Схема предполагаемого
сечения планарноэпитаксиального транзистора КТ639В
Рис. 40. Рабочий диапазон
транзистора КТ639В в схеме с ОЭ
Рис. 41. Карта напряжений для
транзистора КТ639В в схеме с ОЭ
Функциональные схемы для измерения
вольт-амперных характеристик транзистора КТ639В такие же как и для транзистора
КТ342Б, поэтому в этом пункте они не приводятся.
Ниже приведены входные
вольт-амперные характеристики транзистора КТ639В при
и
В
Рис. 42. Входные вольт-амперные
характеристики
транзистора
КТ639В; Ib_0 = f (Ube_0) при
,
Ib_5 = f (Ube_5) при
В;
[ось ординат] = мА, [ось абсцисс] =В
Рис. 43. Входные
вольт-амперные характеристики транзистора КТ639В в полулогарифмическом масштабе
при
и
В;
[ось абсцисс] =В
По входным
вольт-амперным характеристикам в полулогарифмическом масштабе можно определить
некоторые параметры модели Гуммеля-Пуна:
,
,
.
,
находятся
по точками пересечения прямых Q(t), W(t) с осью ординат.
,
(мА),
,
(мА),
→
,
→
,
. (33)
По напряжениям пробоя эмиттерного и
коллекторного p-n-переходов определим степень легирования базы и коллектора.
В →
(см-3),
В →
(см-3). (34)
Рис. 44. Входные
вольт-амперные характеристики
транзистора КТ639В; Ib_0 = f (Ube_0) при
,
Ib_kz = f (Ube_kz) при
;
[ось ординат] = мА, [ось абсцисс] =В
Из рис. 44 видно, что
при
сопротивление
базы также меньше, чем при
.
Ниже приведены выходные
вольт-амперные характеристики.
Рис. 45. Выходные
вольт-амперные характеристики
транзистора КТ639В;
[ось ординат] = мА, [ось абсцисс] =В
Рис. 46. Выходные
вольт-амперные характеристики
транзистора КТ639В;
[ось ординат] = мА, [ось абсцисс] =В
Рис. 47. Выходные
вольт-амперные характеристики
транзистора КТ639В;
[ось ординат] = мА, [ось абсцисс] =В
Точкой отмечены значения
тока и напряжения для границы допустимой мощности, рассеиваемой коллектором при
максимальном значении тока коллектора.
Рис. 48. К определению напряжения
Эрли транзистора КТ639В; [ось ординат] = мА, [ось абсцисс] =В
Из рис. 48 определяем
напряжение Эрли. Оно равно
В. Ниже приведена
зависимость коллекторного тока от напряжения база-эмиттер.
Рис. 49. Зависимость
при
В;
[ось ординат] = мА, [ось абсцисс] =В
Рис. 50. Зависимость
при
В;
[ось абсцисс] =В
По рис. 50 определим ток
равный
и
коэффициент неидеальности транзистора.
,
(мА),
→
. (35)
Определим
транзистора:
Из рис. 42 и рис. 49
определим
и
.
Получаем:
(Ом);
(Ом). (37)
Рис. 51. Прямая
передаточная характеристика
транзистора КТ639В;
[ось ординат] = мА, [ось абсцисс] = мкА
Рис. 52. Зависимость
статического коэффициента передачи тока от тока коллектора
;
[ось абсцисс] =мА
Максимальное значение
соответствует
мА.
В области слабой
инжекции, когда коллекторный ток много меньше чем ток излома, характеризующий
переход в режим сильной инжекции при прямом включении транзистора, т.е. много
меньше чем 940 мА, уравнение, которое описывает коллекторный ток, следующее.
. (38)
Это уравнение относится
к
В.
Рис. 53.
Экспериментальная и модельная зависимость
; точками показана
экспериментальная кривая, линией - построенная по модели Гуммеля-Пуна; [ось
ординат] = мА, [ось абсцисс] = В
Из рис. 53 можно
наблюдать, что модель Гуммеля-Пуна хорошо описывает экспериментальные данные в
области слабой инжекции.
Таблица 6. Параметры математической
модели Гуммеля-Пуна транзистора КТ639В
|
Параметр
|
Значение параметра
|
|
Ток насыщения диода Б-Э при ,
А2,524·10-13
|
|
|
Ток насыщения диода Б-Э при В ,
А2,769·10-14
|
|
|
Коэффициент неидеальности диода Б-Э 1,364
|
|
|
Ток насыщения транзистора при В ,
А1,436·10-12
|
|
|
Коэффициент неидеальности транзистора 1,283
|
|
|
Ток коллектора, при котором наступает спад ,
А0,94
|
|
|
Сопротивление базы , Ом28
|
|
|
Сопротивление коллектора , Ом0,242
|
|
|
Концентрация носителей в базе , см-31,403·1017
|
|
|
Концентрация носителей в коллекторе ,
см-32,678·1015
|
|
|
Напряжение Эрли , В-16
|
|
6. Идентификация
параметров математической модели полевого транзистора КП103К
КП103К представляет собой кремниевый
полевой диффузионно-планарный транзистор с p-n-переходом и каналом p-типа. Предназначен для работы во
входных каскадах усилителей низкой частоты, усилителей постоянного тока и
ключевых схемах. Выпускается в пластмассовом герметичном корпусе [3].
Рис. 54. Чертёж корпуса полевого
транзистора КП103К
Таблица 7. Электрические параметры и
предельные эксплуатационные данные транзистора КП103К
|
Параметры
|
Значения
|
|
Максимально допустимый постоянный ток стока Iс max,
мА
|
1,0 - 3,5
|
|
Напряжение отсечки при Uси=10
В, Iс=10 мкА Ut,
В
|
1,4 - 4,0
|
|
Суммарное напряжение сток-затвор, В
|
15
|
|
Максимально допустимая постоянная рассеиваемая мощность P max, мВт
|
120
|
|
Напряжение сток-исток Uси,
В
|
10
|
|
Напряжение затвор-исток Uзи,
В
|
10
|
|
Напряжение затвор-сток Uзс,
В
|
15
|
Рис. 55 Схема предполагаемого
сечения диффузионно-планарного транзистора КП103К
Электроды затвора соединяются
накоротко.
Рис. 56. Карта напряжений для
транзистора КП103К
Рис. 57. Функциональная схема для
измерения выходных вольт-амперных характеристик транзистора КП103К
Ниже приведены выходные
вольт-амперные характеристики транзистора.
Рис. 58. Выходные вольт-амперные
характеристики
транзистора
КП103К; [ось ординат] = мА, [ось абсцисс] =В
При измерении выходной
вольт-амперной характеристики транзистора фиксируется стоковый ток при
приложении напряжения сток-исток и при фиксированном управляющем напряжении
затвор-исток.
По выходным
вольт-амперным характеристикам определим параметры
математической
модели Шихмана-Ходжеса.
Для этого рассмотрим систему
уравнений:
. (39)
. (40)
Получаем:
. (41)
. (42)
Из уравнения (41) получаем
,
,
Из уравнения (42) получаем
,
,
,
(В) (44)
Из первого уравнения системы (41)
получаем:
(А/В2) (45)
Получаем выражения, описывающие
выходные характеристики полевого транзистора КП103К в триодном режиме и режиме
насыщения.
,
<
,
≥
(46)
Ниже приведены
экспериментальные и построенные по модели выходные характеристики для
и
В.
Рис. 59.
Экспериментальная и модельная зависимость
; точками показаны
экспериментальные кривые, линиями - построенные по модели Шихмана-Ходжеса; [ось
ординат] = мА, [ось абсцисс] = В
По рис. 59 наблюдается
хорошее соответствие полученной модели с экспериментальными данными.
По напряжению пробоя p-n-перехода определим концентрацию в
наименее легированной области.
В →
(см-3). (47)
Определим сопротивление
канала при
,
в триодном режиме оно составляет
(Ом). (48)
Сопротивление канала в
режиме насыщения при
составляет
(Ом). (49)
Ниже приведена сводная таблица
параметров математической модели Шихмана-Ходжеса для транзистора КП103К.
Таблица 8. Параметры математической
модели Шихмана-Ходжеса транзистора КП103К
|
Параметр
|
Значение параметра
|
|
Тип проводимости канала
|
p
|
|
Напряжение отсечки , В1,346
|
|
|
Коэффициент , 1/В0,012
|
|
|
Коэффициент , А/В21,224
|
|
|
Сопротивление канала при при в триодном режиме ,
Ом0,303
|
|
|
Сопротивление канала при при в режиме насыщения ,
Ом37,579
|
|
Выводы
В данной курсовой работе
были идентифицированы параметры математических моделей стабилитрона Д814А,
маломощного биполярного транзистора КТ342Б, среднемощного биполярного
транзистора КТ639В и полевого транзистора с управляющим p-n-переходом КП103К. Для транзистора КТ342Б рассматривалась модель
Эберса-Молла, для КТ639В - Гуммеля-Пуна. Параметры моделей определялись из
вольт-амперных характеристик приборов. Для биполярных транзисторов параметры
были определены при
В.
Построение всех вольт-амперных характеристик приборов подтвердили хорошее
соответствие взятых моделей экспериментальным данным по исследуемым приборам.
Полученные параметры также согласуются со справочными данными.
Список литературы
1. Головатый Ю.П. Конспект лекций по курсу «Твердотельная
электроника». - Калуга, 2006.
. Зайончковский В.С., Головатый Ю.П. Идентификация параметров
статических математических моделей полупроводниковых приборов. - М.: Изд-во
МГТУ им. Н.Э. Баумана, 2008.
. Горюнов Н.Н., Клейман А.Ю. и др. Справочник по полупроводниковым
диодам, транзисторам и интегральным схемам. - М.: Энергия, 1977.
. Коваленко А.А., Петропавловский М.Д. Основы микроэлектроники. -
М.: ACADEMIA, 2006.