Динистор содержит четыре полупроводниковые области, которые чередуются типами электрической проводимости. Так, как между двумя, прилегающими друг к другу областями образуются электронно дырочные переходы, то в динисторе таких переходов три. Работает динистор очень просто, при достижении напряжения на динисторе напряжения открывания и он соответственно открывается, при снижении напряжения - закрывается. Принцип действия динистора чем-то похож на принцип действия стабилитрона.
В отличии от других полупроводниковых приборов динистор проверить простым мультиметром не получится. Для того, что бы проверить динистор необходимо иметь регулируемый источник постоянного тока, причем напряжением не менее напряжения открывания динистора, и вольтметр и амперметр с анологичными пределами.
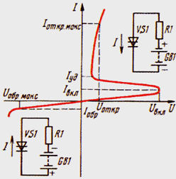
Слева на изображении показаны схемы прямого и обратного включения динистора. Схему обратного включения для проверки собирать совсем необязательно. Нам понадобится схема прямого включения. Резистор R1 служит как ограничительный, его сопротивление зависит от максимального тока динистора. Для проверки динистора необходимо построить график. При отсутствии амперметра с нужным пределом измерений можно измерять напряжение на резисторе и наносить показания на ось I. Но данный способ подходит только для проверки, но никак не для снятия параметров. Если график приобретает форму изображенную на рисунке, то динистор исправен, в противном случае нет.
Динисторы часто применяют для запуска люминисцентных ламп. Схема пускового устройства приведена ниже.

При подаче напряжения, через резистор R1 заряжается конденсатор. Когда напряжение на нем достигает напряжения открывания динистора, он открывается и напряжение прикладывается к верхнему по схеме динистору, он то же открывается. Через два динистора замыкается цепь нитей накала, происходит прогрев. Далее конденсатор разряжается и динистор закрывается и все повторяется пока не произойдет пробоя газа в лампе и следовательно падения напряжения на ней.
Очень простая схема регулятора мощности собирается всего из нескольких деталей. Регулятор способен регулировать мощность 0...50% или 50...100% мощности в зависимости положения переключателя, без учета падений напряжений в тиристоре и диоде. Схема регулятора мощности приведена ниже:

При подаче напряжения через резистор R1 заряжается конденсатор С1. Когда напряжение достигает напряжения открывания динистора он открывается и открывается тиристор. Сопротивлением переменного резистора регулируется скорость зарядки конденсатора, время открывания динистора и соответственно выходной мощности.
Тиристор пропускает всего одну полуволну тока, следовательно и регулирует величину одной полуволны. Вторая полуволна включается, путем включения диода паралельно тиристору в обратном направлении.
Тринистры
Тринистором, или, иначе, триодным тиристором, называют переключательный компонент с тремя электронно-дырочными переходами, и тремя выводами – анодом, катодом и управляющим электродом. Тринисторы обладают аналогичной динисторам структурой, а отличие состоит в наличии управляющего электрода – дополнительного вывода, подключённого к одной из баз. Если через управляющий электрод тринистора пропустить отпирающий ток, то тринистор перейдёт в открытое состояние. В зависимости от того, к какой именно из баз будет подсоединён управляющий электрод, можно организовать включение тринистора при приложении отпирающего напряжения между управляющим электродом и либо анодом, либо катодом. Вольтамперная характеристика тринистора похожа на вольтамперную характеристику динистора. Однако отпирание тринистора обычно происходит при существенно более низком прямом напряжении, чем необходимо динистору, и к открыванию тринисторной структуры приводит протекание тока через управляющий электрод. Чем больше ток управляющего электрода, тем при более низком прямом напряжении тринистор перейдёт в открытое состояние, что отражено на вольтамперной характеристике тринистора, изображённой на рис. 7.3.

На рисунке обозначено:
I – участок, на котором тринистор открыт;
II – участки отрицательного сопротивления и пробоя коллекторного перехода;
III – участок запертого состояния тринистора в прямом включении;
IV – участок обратного включения динистора.
Когда через управляющий электрод протекает отпирающий ток, возрастает скорость носителей заряда, которые инжектируются через коллекторный переход, что инициирует принудительное отпирание тринистора. После включения незапираемый тринистор не реагирует на изменение силы тока управляющего электрода. Чтобы закрыть тринистор, необходимо уменьшить силу тока, протекающего по аноду и катоду, ниже тока удержания, либо поменять полярность напряжения, приложенного между анодом и катодом. Если управляющий электрод тринистора обесточен, то тринистор функционирует совершенно так же, как динистор. В незапираемых тринисторах управляющий электрод занимает небольшой участок кристалла полупроводника, ориентировочно в несколько процентов.
Тринисторы широко применяют в регуляторах мощности, контакторах, ключевых преобразователях и инверторах и пр. Некоторое ограничение на внедрение тринисторов накладывает их частичная управляемость.
Как уже говорилось, чтобы перевести тиристор в открытое состояние, необходимо накопить избыточный отрицательный заряд в базе n1 и положительный в базе р2. Это осуществляется путем увеличения уровня инжекции через эмиттерные переходы П1 и П3 при увеличении напряжения на тиристоре до Uперекл. Накоплением объемных зарядов в базах Б1 и Б2 можно управлять, если у одной из баз имеется контакт, который называется управляющим электродом (см. рис. 7.1б).
На управляющий электрод базы подается напряжение такой полярности, чтобы прилегающий к этой базе эмиттерный переход был включен в прямом направлении. Это приводит к росту тока через эмиттерный переход и снижению Uперекл. На рисунке 7.9 приведено семейство ВАХ тиристора при различных значениях управляющего тока.
При достаточно больших значениях тока Iупр ВАХ тиристора вырождается в прямую ветвь ВАХ диода. Критическое значение тока Iупр, при котором на ВАХ тиристора исчезает участок с отрицательным диффиренциальным сопротивлением и тринистор включается, минуя запертое состояние, называется током спрямления.
Таким образом, наличие Iупр принципиально не меняет существа процессов, определяющих вид ВАХ тиристора, но меняет значения параметров: напряжение переключения и ток переключения.

На рисунке 7.10 приведены параметры, характеризующие различного сорта тиристоры в зависимости от выбора рабочей точки. Наиболее важные параметры - это время включения и выключения тиристора и управляющий ток.

По проводимости и количеству выводов[2][3][4]:
тиристор триодный (доп. название «тринистор») — тиристор, имеющий три вывода:
тиристор триодный, не проводящий в обратном направлении (доп. название «тиристор»);
тиристор триодный, проводящий в обратном направлении (доп. название «тиристор-диод»);
тиристор триодный симметричный (иначе, отечественное название — «симистор», англ. en:TRIAC[5]);
тиристор триодный асимметричный;
запираемый тиристор (доп. название «тиристор триодный выключаемый»).
Ранее тиристоры в отечественной литературе назывались «управляемыми диодами».
Принципиальных различий между динистором и тринистором нет, однако если открытие динистора происходит при достижении между выводами анода и катода определённого напряжения, зависящего от типа данного динистора, то в тринисторе напряжение открытия может быть специально снижено, путём подачи импульса тока определённой длительности и величины на его управляющий электрод при положительной разности потенциалов между анодом и катодом, и конструктивно тринистор отличается только наличием управляющего электрода. Тринисторы являются наиболее распространёнными приборами из «тиристорного» семейства.