Пример № 3. Дано: q = 2 кН /м; а = 1 м; F = qa = 2 кН; M0 = qa2 = 2 кН·м.
Построить эпюры внутренних силовых факторов при изгибе (рис. 3).
Рис. № 3.
Решение. Определяем опорные реакции. Составим суммы моментов относительно опор А и В
åM A = M0 -q×4a×2a + RB ×4a - F ×5a =
=qa2 - 8qa2 + 4 RB a - 5qa2 = 0 Þ RB = 3qa = 3×2×1 = 6кН;
åMB = M0 -RA ×4a + q×4a×2a - F a =
=qa2 - 4 RA + 8qa2 - qa2 = 0 Þ RA = 2qa = 2 ×2 ×1 = 4кН.
Проверка:
åFy = RA - q× 4a + RB - F = 2qa - 4qa + 3qa - qa = 0.
Первый участок: 0 ≤ z1 ≤ 4 м.
Q1 = RA - q z1 = 2qa - q z1 ;
Мизг1 = - M0 + RA z1 - 12 q z12 = - q a2 + 2q a z1 - 12 q z12 .
При z1 = 0 Q1 = 2qa = 4кН , Мизг1 = - qa2 = - 2кН × м;
При z1 = 4 м Q1 = - 4 кН, Мизг 1 = - 2 кН·м.
4
Второй участок: 0 ≤ z2 ≤ 1 м.
Q = F = qa;
M = - Fz2 = - qaz2.
При z2 = 0 Q2 = 2 кН, Мизг 2 = 0.
При z2 = 1 м Q2 = 2 кН, Мизг 2 = - 2 кН·м.
Определяем максимальное значение изгибающего момента на первом участке. Из условия Q = 0 определяем z1*
Q1* = 2q a - q z1* = 0 Þ z1* = 2a = 2 м.
Подставляем z1* в уравнение изгибающего момента
Mmax = - qa2 + 2qa × 2a - 12 q(2a)2 = qa2 = 2кН × м.
Строим эпюры поперечных сил и изгибающих моментов.
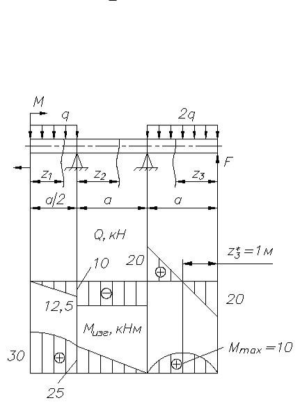
Пример № 4. Дано: М = 30 кН·м, q = 10 кН/м, F = 20 кН, а = 2 м.
Построить эпюры внутренних силовых факторов при изгибе (рис. 4).
Рис. 4.
Решение.
Определяем опорные реакции. Составим суммы моментов относительно опор А и В
5
--
!МА = 0; −) + + ∙ 2 ∙ 4 − 2+ ∙ - ∙ 1,5- + 34 ∙ - + 5 ∙ 2- = 0; −30 + 10 ∙ 1 ∙ 0,5 − 20 ∙ 2 ∙ 3 + 34 + 20 ∙ 4 = 0;
|
|
|
|
|
|
|
- |
34 = 32,5 кН. |
- |
|
|
|||||||||
|
|
|
|
|
|
|
- |
|
|
|
|
|
|
|
|
|||||
|
|
! )4 = 0; −) + + ∙ |
2 |
: |
4 |
+ -; − 2+ ∙ |
2 |
|
∙ - − 3< ∙ - + 5- = 0; |
|||||||||||
|
|
|
|
−30 + 10 ∙ 1 ∙ 2,5 − 20 ∙ 2 ∙ 1 + 20 ∙ 2 − 3< ∙ 2 = 0; |
||||||||||||||||
Проверка: |
|
|
|
|
|
3< = −2,5 кН. |
|
|
|
|
||||||||||
|
|
|
|
|
! = = 0; −3< − + ∙ |
- |
+ 34 − 2+- + 5 = 0; |
|||||||||||||
|
0 ≤ z1 ≤ a/2. |
−2,5 − 10 ∙ 1 + 32,5 − 20 ∙ 2 + 20 = 0. |
||||||||||||||||||
Первый участок: |
|
|
|
|
|
|
|
2 |
|
|
|
BA |
|
|||||||
|
|
|
|
|
|
|
|
|
|
Q1 = - qz1; |
|
|||||||||
При z |
1 |
= 0 Q |
1 |
= 0; М |
= 30 |
МизгA = ) − +BA |
|
|
. |
|||||||||||
|
|
|||||||||||||||||||
|
|
|
изг1 |
|
кН·м. |
|
|
|
|
|
2 |
|
|
|||||||
При z1 = 1 м Q1 = - 10 кН; Мизг1 = 25 кН·м. |
|
|
||||||||||||||||||
Второй участок: |
|
|
|
CD = −+ |
- |
− 3<; |
|
|||||||||||||
0 ≤ z2 ≤ a. |
|
|
|
|
|
|||||||||||||||
|
|
|
|
|
|
|
|
|
||||||||||||
|
|
|
|
|
|
|
|
|
|
|
|
2 |
|
D |
|
|||||
|
|
|
|
|
М |
= ) − |
+ :- |
+ BD; |
|
− 3 B . |
||||||||||
|
|
|
|
|
2 |
2 |
|
|||||||||||||
При z |
2 |
= 0 Q |
2 |
= 12,5 кН; изгD |
|
|
|
|
|
|
|
|
< D |
|||||||
|
|
|
|
Мизг2 = 25 кН·м. |
|
|
|
|
||||||||||||
При z2 = 2 м Q2 = 12,5 кН; Мизг2 = 0. |
|
|
|
|
|
|
|
|||||||||||||
Третий участок: 0 ≤ z3 ≤ a.
Q3 = - F + 2qz3;
+BD МизгE = 5BE − 2E .
При z3 = 0 Q3 = - 20 кН; Мизг3 = 0. При z3 = 2 м Q3 = 20 кН; Мизг2 = 0.
Определяем максимальное значение изгибающего момента
CE = −5 + 2+BE = 0 → BE = 1 м. |
||||
IJK |
|
|
+(BE)D |
|
Мизг |
= 5BE |
− |
2 |
= 10 кН ∙ м. |
6