Материал: Примеры решения

Внимание! Если размещение файла нарушает Ваши авторские права, то обязательно сообщите нам

Занятие № 2

Пример № 1. Построить эпюру внутренних силовых факторов при изгибе (рис. 1).

Рис. 1.

Решение. Брус имеет один участок. 0 ≤ z l.

Q = - F.

М = - Fz.

При z = 0 Q = - F; Mизг = 0;

При z = l Q = - F; Mизг = - Fl.

По составленным уравнениям и полученным значениям строим эпюры поперечных сил и изгибающих моментов.

1

Пример № 2. Построить эпюру внутренних силовых факторов при изгибе (рис. 2).

Рис. 2.

Решение. Брус имеет один участок: 0 ≤ z l.

Q = - qz.

При z = 0 Q = 0;

При z = l Q = - ql.

M = - q z z2 = - 12 q z2 = - q2z2 .

При z = 0 Mизг = 0;

При z = l Mизг = - q2l 2 .

По составленным уравнениям и полученным значениям строим эпюры поперечных сил и изгибающих моментов.

2

Пример № 3. Дано: а = 2 м; F = 4 кН; М0 = 2 кН·м; q = 2 кН/м. Построить эпюру внутренних силовых факторов при изгибе (рис. 3).

Рис. 3.

Первый участок: 0 ≤ z1 a. Q1 = - F;

Мизг 1 = Fz1.

При z1 = 0 Q1 = - F = - 4 кН, Мизг 1 = 0;

При z1 = а = 2 м Q1 = - F = - 4 кН, Мизг 1 = Fa = 4·2 = 8 кН·м.

Второй участок: 0 ≤ z2 a.

Q2 = - F + qz2;

Mèçã2 = F (a + z2 ) - M 0 -

q z22

.

 

 

 

 

 

 

 

 

 

 

 

2

 

 

 

 

 

При z2

= 0 Q2 = - F = - 4 кН, Мизг 2 = Fa M0 = 4·2 – 2 = 6 кН·м;

При z2

= а = 2 м Q2 = - F + qa = - 4 + 2 · 2 = 0,

 

Mизг 2 = F 2a - M0 -

q a2

= 4 × 2 × 2 - 2 +

1

× 2 × 22

= 10 к Н × м.

 

 

 

2

2

 

 

Строим эпюры.

3

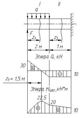
Пример № 4. Построить эпюру внутренних силовых факторов при изгибе (рис. 4). Дано: F = 30 кН; q = 20 кН /м.

Рис. 4.

Решение. Брус имеет два участка. Первый участок:

0 ≤ z1 ≤ 2 м.

Q1 = F - qz1.

M

 

= F × z -

q z2

èçã1

1

.

 

 

 

1

2

 

При z1

= 0 Q1 = F = 30 кН; Mизг 1 = 0.

При z1

= 2 м Q1 = F - q·2 = 30 - 20·2 = - 10 кН;

 

 

 

 

Мизг 1 = 30·2 - 20·2·1 = 20 кН·м.

Второй участок: 0 ≤ z2 ≤ 1 м. Q2 = - 10 кН.

Мизг 2 = F·3 - q·2 ·2 = 30·3 - 20·2·2 = 10 кН·м.

 

Определяем

максимальное

значение

изгибающего момента.

Q = F - q z*

= 0;

 

 

 

 

 

 

1

 

1

 

 

 

 

 

 

 

 

 

 

z* =

F

 

=

30

= 1,5 м;

 

 

 

 

 

 

 

 

 

 

 

 

 

1

 

q

20

 

 

 

 

 

 

 

 

 

 

 

 

 

 

 

 

М max = F × z

* - q × z*

z*

= 30 ×1,5 - 20 ×1,5× 0,75 = 22,5кН × м .

 

1

 

2

 

 

изг

1

1

 

 

 

Строим эпюры поперечных сил и изгибающих моментов.

4

Пример № 5. Построить эпюру внутренних силовых факторов при изгибе (рис. 5). Дано: F = 3 кН; q = 4 кН /м; m = 2 кН·м.

 

 

 

 

 

 

Рис. 5.

Первый участок:

 

 

 

 

0 ≤ z1 ≤ 1 м.

 

 

 

 

Q1 = - qz1;

z

 

q z2

 

 

 

 

M

изг1

= - q z

1

= -

1

.

2

2

 

1

 

 

При z1 = 0 Q1 = 0; Mизг 1 = 0;

При z1 = 1 м Q1 = - 4 кН; Мизг 1 = - 2 кН·м. Второй участок:

0 ≤ z2 ≤ 2 м.

Q2 = - q·1 + F = - 4 + 3 = - 1 кН.

Мизг 2 = - q ·1 ·2,5 + m + F·z2 = - 2·1·2,5 + 2 + 3·z2. При z2 = 0 Mизг 2 = 0;

При z2 = 2 м Мизг 2 = - 2 кН·м.

Строим эпюры. поперечных сил и изгибающих моментов.

5